Kaikki ajat ovat UTC + 2 tuntia [ DST ]




 Sivu 2/7 [ 152 viestiä ]  Mene sivulle Edellinen  1, 2, 3, 4, 5 ... 7  Seuraava
Kirjoittaja Viesti
 Viestin otsikko: Re: 5m Ranskan rautaa. Xm BR aka voimasavu
ViestiLähetetty: 05.08.2014 16:00 
Käyttäjän avatar

Viestit: 2155
Paikkakunta: Kerava
Kun on vain 2kpl, niin kokonaista kuvaa asiasta ei ole. Jotain pientä kuitenkin, huomioita.
Renkaat on tosiaan 225/40 18", mutta sen lisäksi ne on merkinnällä XL, eli kantavuusluokka on joko 92c tai 96? En nyt muista kumpi?
Minkäänlaista pintakovuutta ei ole havaittavissa, tuleepa mieleen cx ja trx. Sanotaan nyt vaikka -10% ajomukavuudesta verrattuna TRX misukkaan. Totuus selviää sitten kun saa vielä toisen parin :)


Poissa
   
 
 Viestin otsikko: Re: 5m Ranskan rautaa. Xm BR aka voimasavu
ViestiLähetetty: 11.08.2014 17:10 
Käyttäjän avatar

Viestit: 2155
Paikkakunta: Kerava
Kun saan toisen parin :lol:
Maksoin noista kahdesta vannerengas setistä, 400€ vähemmän, kuin tulevat kaksi maksaa :shock:
Nyt oli jo pakko laittaa tarjouspyyntöjä useampaan firmaan!

Kilometrejä on kertynyt kiitettävästi, eli 2000 luokkaa, xm:lle. Eli nyt ollaan kustannuksissa 1€/km, toki ne tuosta halpenee jatkossa huomattavasti!

Puskurin kiinnikkeitä pitää etsiä, sekä eteen että taakse. Sais pakettia vähän enemmän nippuun. Pelkäsin jo ruostepeikon tuhoja, mutta olivatkin rajoittuneet noihin kiinnikkeisiin. Hienot uhrautujat ovat suunnitelleet :)


Poissa
   
 
 Viestin otsikko: Re: 5m Ranskan rautaa. Xm BR aka voimasavu
ViestiLähetetty: 14.08.2014 16:43 
Käyttäjän avatar

Viestit: 2155
Paikkakunta: Kerava
Katselin kauhulla työpaikan pihassa, kun voimasavun alta valui norona nestettä maahan :shock:

Ajattelin hydevuodon lisääntyneen dramaattisesti, jotain on lopullisesti katkennut! Auton siirto taaksepäin ja tutkimaan.
Halvattu, olikin kirkasta vettä. Taisi vain tyhjentää pilssin, liekö viimeyönä satanut vesi poistui vasta työpaikan pihaan?

Tarkoittaa kaukalon tyhjentämistä ja poistoputkien rassaamista, helvetisti siellä ainakin on lehtiä yms!
Mistähän pirusta ne lehdet sinne oikein mahtuu? Ritilä on kuitenkin suhteellisen pienireikäinen.

Onkohan siellä jotain muutakin samalla huomioitavaa!? Näyttäs irtoavan suht kivuttomasti, tuo muovi.


Poissa
   
 
 Viestin otsikko: Re: 5m Ranskan rautaa. Xm BR aka voimasavu
ViestiLähetetty: 14.08.2014 17:19 
Käyttäjän avatar

Viestit: 1557
Paikkakunta: Tampere
Esa66 kirjoitti:
Tarkoittaa kaukalon tyhjentämistä ja poistoputkien rassaamista, helvetisti siellä ainakin on lehtiä yms!
Mistähän pirusta ne lehdet sinne oikein mahtuu? Ritilä on kuitenkin suhteellisen pienireikäinen.
Jos joku tietää jonkun automallin, jonka huolto-ohjelmaan roskien poisto kuuluu, olisin kiinnostunut tietämään. Veholla huolletussa Sitikassa ei ainakaan ollut tarvetta moiseen, tuli runsaasti hyvää kukkamultaa auton mukana.
Olen kyllä joskus korjannut vettä sisälattialle vuotavan Volkkarinkin, koska komposti oli tukkinut vedenpoiston ja vedenpinnan noustua tulva ylsi kabiiniin.



Kommenttini sisältävät henkilökohtaisiin kokemuksiini ja yleiseen elämänkatsomukseeni perustuvaa tietoa, josta johtuen virheiden mahdollisuus ei ole poissuljettu, joskin kokonaisuuden huomioiden vähäinen.
Poissa
   
 
 Viestin otsikko: Re: 5m Ranskan rautaa. Xm BR aka voimasavu
ViestiLähetetty: 14.08.2014 17:44 
Käyttäjän avatar

Viestit: 3154
Paikkakunta: Korpilahti

Profiili WWW
Esa66 kirjoitti:
Tarkoittaa kaukalon tyhjentämistä ja poistoputkien rassaamista, helvetisti siellä ainakin on lehtiä yms!
Mistähän pirusta ne lehdet sinne oikein mahtuu? Ritilä on kuitenkin suhteellisen pienireikäinen.

Tälle kesälle on tuota kaukaloa putsattu, isoimmat kompostit muistelisin mättäneeni muualle sieltä. Sisäpuhaltimen ilmanoton muoviverkko oli aika hyvin kompostin sisällä, vähemmän siellä nyt on varmasti kuin valtaosassa...

Muovit tosiaan irtoaa varsin helposti, joku tappi muistaakseni on poikki siitä isoimmasta palasesta mutta pysyy kyllä ilmankin paikallansa. Onhan se kuitenkin vielä keskeltä yhdellä sekä kummastakin reunasta parilla ruuvillakin kiinnitettynä...

Puhaltimen ilmanoton päälläoleva muovi on muistikuvan mukaan vain toisella kiinnikkeellä enää kiinni, hukkasin toisen kun nurmikolla askartelin... :oops:



Dyane 4x4 IE, Sm 2.7, Dyane IE, C8 2.2
Series -LantikanPätkä
Poissa
   
 
 Viestin otsikko: Re: 5m Ranskan rautaa. Xm BR aka voimasavu
ViestiLähetetty: 14.08.2014 23:02 
Käyttäjän avatar

Viestit: 2155
Paikkakunta: Kerava
Tiedä sitten mikä allas se siellä sadevettä kerää?
Käyn töiden jälkeen tallilla katselemassa tilanteet, niiltä osin kun pystyy.
Täytyy samalla pesasta pannuhuone.


Poissa
   
 
 Viestin otsikko: Re: 5m Ranskan rautaa. Xm BR aka voimasavu
ViestiLähetetty: 15.08.2014 00:37 
Käyttäjän avatar

Viestit: 1878
Vilkku-sumareihin erittäin hellävarainen tummennus + "madaltava" musta/puskurinvärinen teippaus korin muotoa myötäilevästi joko ylä- tai alareunaan riippuen siitä mitä haluaa korostaa. Toimi ainakin Xantiassa, voisi toimia ässämmässäkin.

edit: Niin ja nuo C6-vanteet alle ehdottomasti. Tyylikkyys on tärkeintä. ;)



__________________________________________________________________
G11 730d xDrive -16 | V60 D3 Inscription -19 | 96 V4 1980 | Goldwing 1200 Interstate 1986
Poissa
   
 
 Viestin otsikko: Re: 5m Ranskan rautaa. Xm BR aka voimasavu
ViestiLähetetty: 15.08.2014 03:01 
Käyttäjän avatar

Viestit: 2155
Paikkakunta: Kerava
Eipä ollut sadevettä.

Kuva

Kuva

Kuva

Kuva


Saakos tuota surkeaa keksintöä enään uutena!?

Löytyykö osanumeroa keneltäkään?

Melkonen keksintö, laittaa nyt tommonen muovihärpäke :shock:

Oli aivan haurasta, onneksi tuo nysä nyt tuntuu hetken pitävän letkun kiinni.


Poissa
   
 
 Viestin otsikko: Re: 5m Ranskan rautaa. Xm BR aka voimasavu
ViestiLähetetty: 15.08.2014 04:01 
Käyttäjän avatar

Viestit: 2155
Paikkakunta: Kerava
Kappas, sain servicen auki :)
Päivällä pitää lähteä kyselemään citroen/peugeot 023432 härpäkettä! Niin ja varmaan tuo O-rengaskin.

Se onkin näköjään dieselin lämmitin tuon alla

Kuva


Poissa
   
 
 Viestin otsikko: Re: 5m Ranskan rautaa. Xm BR aka voimasavu
ViestiLähetetty: 15.08.2014 05:02 
Käyttäjän avatar

Viestit: 2155
Paikkakunta: Kerava
kaseva kirjoitti:
Vilkku-sumareihin erittäin hellävarainen tummennus + "madaltava" musta/puskurinvärinen teippaus korin muotoa myötäilevästi joko ylä- tai alareunaan riippuen siitä mitä haluaa korostaa. Toimi ainakin Xantiassa, voisi toimia ässämmässäkin.

edit: Niin ja nuo C6-vanteet alle ehdottomasti. Tyylikkyys on tärkeintä. ;)


Etuvilkut lentää kuikkaan, heti kun keksin esteettisesti sopivat päiväajovalot vilkuilla niiden tilalle.

Nyt ei kyllä syty lamppu, tuon teippauksen tiimoilta? Pitäs varmaan nähdä kuva :) Tosin mitään teippailuja ei ole näköpiirissä.

Vanteiden virkaa ajaa 18x8" "BBS" Le Mans, semmoset kun on hommattu(tai siis toinen pari on tilattu, olemassaolevien kaveriksi) :) Melkein aidot :lol:
Nuo C6 vanteet on kyllä sysirumat, tuskin käyttäisin niitä edes C6:ssa :)


Poissa
   
 
 Viestin otsikko: Re: 5m Ranskan rautaa. Xm BR aka voimasavu
ViestiLähetetty: 15.08.2014 11:07 
Käyttäjän avatar

Viestit: 2155
Paikkakunta: Kerava
Esa66 kirjoitti:
Kappas, sain servicen auki :)
Päivällä pitää lähteä kyselemään citroen/peugeot 023432 härpäkettä! Niin ja varmaan tuo O-rengaskin.

Se onkin näköjään dieselin lämmitin tuon alla

Kuva



Ihanan halpaa ja yksi kpl Suomessa. Härpättimen hinta 101€ ja O-rengas reippaan euron. Melko hintava, liekö Peugeotilla halvempi?


Poissa
   
 
 Viestin otsikko: Re: 5m Ranskan rautaa. Xm BR aka voimasavu
ViestiLähetetty: 15.08.2014 11:48 
Käyttäjän avatar

Viestit: 2155
Paikkakunta: Kerava
Pistin vielä Saksasta tulemaan yhden, jos se nyt sieltä sitten tulee :) Turvasin rahat paypal maksulla, tietenkin.
Hintaa tuli dhl Express toimituksella 54€ kaikkinensa, jään mielenkiinnolla odottamaan :)

Melkoisen pakollinen osa kuitenkin, jos meinaa autolla ajella!
Katselin kuvia tuosta diesel lämmittimen lohkosta ja tuli mieleen, eikös tuohon olis järkevää tempasta vain metalliputki tilalle? Niin ei olis tuommoista tyyristä muovia tarve hankkia :)


Kuva

Kuva

Tässä tuo satkun kokkare

Kuva

Kuvat on jostain Lada niva projektista :)

Mutta tosiaan, tekee vaikka laipan johon lyö mutkaputken, niin on ikuinen. Tana


Poissa
   
 
 Viestin otsikko: Re: 5m Ranskan rautaa. Xm BR aka voimasavu
ViestiLähetetty: 15.08.2014 12:10 
Käyttäjän avatar

Viestit: 3154
Paikkakunta: Korpilahti

Profiili WWW
Oho, onpas kallis muoviosa. Yksi tuollainen pääsi kierrätykseen raatovankkurin moottorin mukana, kyseisen laitoksen entinen moottori on vielä tallessa, jopa tuon muovikikkareen kanssa. On tosin maailmaa nähnyt sekin, voisi olettaa että haperoksi on sekin ehtinyt...

Aika helppo olisi kyllä tehdä uusi laippa, johon kierteyttää putkilähdön...



Dyane 4x4 IE, Sm 2.7, Dyane IE, C8 2.2
Series -LantikanPätkä
Poissa
   
 
 Viestin otsikko: Re: 5m Ranskan rautaa. Xm BR aka voimasavu
ViestiLähetetty: 15.08.2014 13:55 
Käyttäjän avatar

Viestit: 2155
Paikkakunta: Kerava
On melkosen turha käytettynä hankkia, tahtoo olla ikää käytetyillä :) Saa nähdä ehtiikö koivuhakaan tänään?

Täytynee samalla vaihtaa jäähdytysneste, vaikkei tuo kyllä mitenkään huonolta vaikuttanut, kirkasta jne.
Missäs kaikkialla tuossa on ilmausruuvit?


Poissa
   
 
 Viestin otsikko: Re: 5m Ranskan rautaa. Xm BR aka voimasavu
ViestiLähetetty: 15.08.2014 14:20 
Käyttäjän avatar

Viestit: 3154
Paikkakunta: Korpilahti

Profiili WWW
Enpäs tätäkään muistanut, mutta aika paljon tuohon tuli vaihdettua nestettä, kun laitoin flektien ohjaukseen anturin syylärin alareunaan. Ihan ei kuivin käsin, eikä kasvoin, siitä tulpan irroituksesta ja anturin asennuksesta selvinnyt... :lol:



Dyane 4x4 IE, Sm 2.7, Dyane IE, C8 2.2
Series -LantikanPätkä
Poissa
   
 
 Viestin otsikko: Re: 5m Ranskan rautaa. Xm BR aka voimasavu
ViestiLähetetty: 15.08.2014 14:31 
Käyttäjän avatar

Viestit: 2155
Paikkakunta: Kerava
Juu, ihan selkeästi tuoretta on neste :lol:

Ajattelin nyt samaan konkurssiin tempasta öljytkin, lienee tuo mobil delvac super 1400e 15/40 on käypästä tavaraa voimasavulle?

Tämähän muuten Shooting Brake :) tai siis Shooting Break Ranskalaisittain, korimalliltaan. Nyt kun näköjään joka merkiltä rupeaa pukkaamaan SB malleja.


Poissa
   
 
 Viestin otsikko: Re: 5m Ranskan rautaa. Xm BR aka voimasavu
ViestiLähetetty: 15.08.2014 17:40 
Käyttäjän avatar

Viestit: 2155
Paikkakunta: Kerava
Jaahas, asennushommelia tiedossa :)
Kultakimpale

Kuva

Kuva


Poissa
   
 
 Viestin otsikko: Re: 5m Ranskan rautaa. Xm BR aka voimasavu
ViestiLähetetty: 16.08.2014 17:40 
Käyttäjän avatar

Viestit: 2155
Paikkakunta: Kerava
Kun joku joutuu saman eteen, niin ostakaa samalla uudet pultit!
Omasta putsailen fosforihapolla nuo vanhat, jo pelkästään sen takia, että saa yhteen ruostuneet osat irti :lol: Kierre oli yhdessä irroittamassani moitteeton.

Kannattaa tarkistaa tuo härpäke, jos omistaa samanlaisen. Reippaasti kädellä kiinni, silmällä sitä ei tarkistella!

Tienpäällä on hiukan epämukava vaihdella, en ole edes omaani vielä irti saanut :) Kun en ahtoputkea etc ota irti, niin piti käydä laajentamassa työkalu valikoimaa.


Poissa
   
 
 Viestin otsikko: Re: 5m Ranskan rautaa. Xm BR aka voimasavu
ViestiLähetetty: 17.08.2014 16:01 
Käyttäjän avatar

Viestit: 2155
Paikkakunta: Kerava
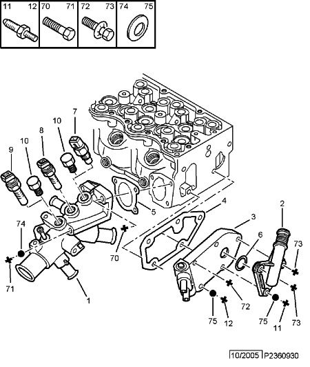
Juuei, uudet pultit täytyy hakea. Niin on prkl syöpyneet, ettei uskalla edes ajatella vanhoja laittaa.

Samalla voi unohtaa laiton ilman paineputken irroittamista, tilaa ei yksinkertaisesti ole.
Kuvista katsoen, paineputken on imusarjassa kiinni turbon puolella? Eli vain imusarja kiinnike pitää putken turbosssa kiinni!? Kiinnike tuossa 5 vieressä?

Kuva


Poissa
   
 
 Viestin otsikko: Re: 5m Ranskan rautaa. Xm BR aka voimasavu
ViestiLähetetty: 17.08.2014 18:53 
Käyttäjän avatar

Viestit: 3154
Paikkakunta: Korpilahti

Profiili WWW
Muistelisin että paineputki irtoaisi juurikin tuon ruuvin irroittamalla.
Kuva
Näkyy vähän selkeämmin tuossa kuvassa...

Kuva
Tuossa putkilähtö näkyy, kun "ylimääräiset" romut on poissa...

Kuva
Lisänähän siellä sitten on vielä vesiputken kiinnike alimman pinnapulttityyppisen ruuvin kaverina...



Dyane 4x4 IE, Sm 2.7, Dyane IE, C8 2.2
Series -LantikanPätkä
Poissa
   
 
 Viestin otsikko: Re: 5m Ranskan rautaa. Xm BR aka voimasavu
ViestiLähetetty: 18.08.2014 18:06 
Käyttäjän avatar

Viestit: 2155
Paikkakunta: Kerava
Oli muuten tuo vesiletkun pätkä myös haljennut :) (mikä on putken jatkeena)Otan kuvat kun saan kaiken lattialle diy tutoriaalia varten.
Melko helppo, joskin aika perseestä, laitella.
Jasun kuvissa oletetun vesiletkun alla näkyvä "vihreillä" pulteilla varustetun peitelevyn tilalle tässä autossa on laitettu lohkolämmitin.


Poissa
   
 
 Viestin otsikko: Re: 5m Ranskan rautaa. Xm BR aka voimasavu
ViestiLähetetty: 18.08.2014 20:56 
Käyttäjän avatar

Viestit: 1557
Paikkakunta: Tampere
Olen yhden samanlaisen irtomoottorin kokoonpanofilosofiaan tutustunut, eikä ajatus osien vaihtamisesta moottorin ollessa paikallaan ole erityisen kiehtova. :shock:



Kommenttini sisältävät henkilökohtaisiin kokemuksiini ja yleiseen elämänkatsomukseeni perustuvaa tietoa, josta johtuen virheiden mahdollisuus ei ole poissuljettu, joskin kokonaisuuden huomioiden vähäinen.
Poissa
   
 
 Viestin otsikko: Re: 5m Ranskan rautaa. Xm BR aka voimasavu
ViestiLähetetty: 18.08.2014 21:46 
Käyttäjän avatar

Viestit: 2155
Paikkakunta: Kerava
Syystäkin :)

Alkuperäinen syy

Kuva


Se, että tuo putkikin kosahti samaan aikaan, oli kyllä hieno juttu! Tätä ei kyllä huvikseen tekisi :lol:


Poissa
   
 
 Viestin otsikko: Re: 5m Ranskan rautaa. Xm BR aka voimasavu
ViestiLähetetty: 19.08.2014 00:42 
Käyttäjän avatar

Viestit: 2155
Paikkakunta: Kerava
Kuvassa näkyvä punainen aine, on tosiaankin verta :lol: Sen siitä saa, kun käsi on kuin utare :lol:

Joku on tainnut sanoa, että tämän koneen kanssa pääsee helpommalla, kun nostaa koneen keulalta pois? On sitä kiinnikettä viljelty kanteen ja lohkoon, eteen sivulle ja taakse. Vähän joka saatanan osassa :lol:

Pysyy varmasti kiinni! Jos vesiputken kiinnityskin on tuota luokkaa! Tekemällähän tuo olisi jo tehty, mutta kun piti käyttää aivojakin, niin jatketaan huomenna :mrgreen:

Miksi talli on kiva?

Kuva


Poissa
   
 
 Viestin otsikko: Re: 5m Ranskan rautaa. Xm BR aka voimasavu
ViestiLähetetty: 21.08.2014 15:00 
Käyttäjän avatar

Viestit: 2155
Paikkakunta: Kerava
Ohivuodon letku ja lämmityksen putki, vaihdettu. Letku on kaikenlisäksi epäsymmetrinen muotoletku eli toinen pää 27mm ja toinen 22mm(päätellyt lukemat), jota en tietenkään tarkistanut ostaessani 22mm jäähdytinletkua :)
Onneksi tallilta löytyi aikoinaan AXuun ostettu alavesiletku, josta paloittelemalla sai riittävän lähelle sopivan.
Eli homma nipussa, pientä säätöä ahtoputken kiinnityksien kanssa, tietysti :) Ensin jäi v-jäähyn putki kiristämättä ja sitten toinen jäi epäsymmetrisesti, joten sen kanssa vielä hommelia.


Poissa
   
 
Näytä viestit ajalta:  Järjestä  
 Sivu 2/7 [ 152 viestiä ]  Mene sivulle Edellinen  1, 2, 3, 4, 5 ... 7  Seuraava


Paikallaolijat

Käyttäjiä lukemassa tätä aluetta: Ei rekisteröityneitä käyttäjiä ja 5 vierailijaa


Kaikki ajat ovat UTC + 2 tuntia [ DST ]


Et voi kirjoittaa uusia viestejä
Et voi vastata viestiketjuihin
Et voi muokata omia viestejäsi
Et voi poistaa omia vestejäsi
Et voi lähettää liitetiedostoja.

Etsi tätä:
Hyppää: