|
| Kirjoittaja |
Viesti |
|
kokemjne
|
Viestin otsikko: Re: XM V6 startti- ja käyntiongelma Lähetetty: 03.09.2010 19:00 |
Viestit: 4706 Paikkakunta: 05460 Hyvinkää
|
|
voi....... kun nyt löysit sen anturin niin mene sen piuhaa pitkin ( n 30 cm ) ja avaa se liitos ja aloita putsaamalla se . liittimen väri on muistaakseni joko kellertävä tai vaalea ruskea ja kolme piuhaa.. anturi on kiinni yhdellä kuusiokololla tai jos on kopeloitu aikaisemminkin m6 pultilla jossa on 10mm kanta. alota nyt noista
|
|
|
|
 |
|
Lammy
|
Viestin otsikko: Re: XM V6 startti- ja käyntiongelma Lähetetty: 03.09.2010 21:11 |
Viestit: 142
|
Ugh - asia ymmärretty  . -matti
|
|
|
|
 |
|
Cikatti
|
Viestin otsikko: Re: XM V6 startti- ja käyntiongelma Lähetetty: 03.09.2010 21:16 |
Viestit: 5855 Paikkakunta: Tuusula
|
|
Kuvassa aiemmin näkyy kaaviossa pihijen määrä, töpseliin tulee kaksi johtoa. Kätsyintä olis mitata suoraan ECUn liittimistä. Tosta kuvasta taitas pystyä laskemaan jopa mitä langat kun töpselin irroittaa. ECUhan taas on siellä etuvasemalla, keulassa, mustassa laatikossa. Tuosta kaaviokuvasta pystyy laskemaan minkä pinnien välistä mitata. Helpottaa jos tulostaa kuvan suurennettuna.
Honda Valkyrie F6C, Plymouth Fury Custom Suburban ja Pontiac Firebird Trans Am.
|
|
|
|
 |
|
kokemjne
|
Viestin otsikko: Re: XM V6 startti- ja käyntiongelma Lähetetty: 04.09.2010 15:28 |
Viestit: 4706 Paikkakunta: 05460 Hyvinkää
|
tarkoitat varmaan apukuskin puolta jos ratti on kulkimessa sillä puolella jolla se on kun ajellaan yleensä oikealla 
|
|
|
|
 |
|
Cikatti
|
Viestin otsikko: Re: XM V6 startti- ja käyntiongelma Lähetetty: 06.09.2010 10:34 |
Viestit: 5855 Paikkakunta: Tuusula
|
Aivan, eli etuvasen kun mekaanikko yleensä seisoo enemmän siinä auton keulassa kuin ohjaamossa 
Honda Valkyrie F6C, Plymouth Fury Custom Suburban ja Pontiac Firebird Trans Am.
|
|
|
|
 |
|
Janne L
|
Viestin otsikko: Re: XM V6 startti- ja käyntiongelma Lähetetty: 06.09.2010 12:23 |
Viestit: 725
|
|
|
|
 |
|
Lammy
|
Viestin otsikko: Re: XM V6 startti- ja käyntiongelma Lähetetty: 06.09.2010 14:05 |
Viestit: 142
|
|
Kiitos kokemjne, anturin liitin löytyi ja Cikatin antamin neuvoin vastus mitattu; kylmänä 455 ja lämpimänä 419. Ei siis taida olla ongelma YKK-anturissakaan. Käyntihäiriö alkaa jo ennen kuin moottori on kunnolla lämmin ja selvimmin se oireaa lämmittyään tyhjäkäynnillä. XM on myös vikutellut myös usein korkeita lämpötiloja vaikkei moottori olisikaan vielä lämmin. On se myös oikeasti ylikuumentunut ajossa ja silloin vaihdoin flektin releet ja relepohjat. Se auttoi ja flektit pyörivät ymmärtääkseni oikein. Lämmöt saattavat kyllä konetienopeuksissa nousta 90 asteeseen ja joskus ylikin. Voisiko jokin lämpötila-anturi aiheuttaa koko tämän ongelmanivaskan?
-matti
|
|
|
|
 |
|
cxtb2
|
Viestin otsikko: Re: XM V6 startti- ja käyntiongelma Lähetetty: 06.09.2010 14:35 |
Viestit: 1737 Paikkakunta: Korpilahti
|
|
ittellä -90 XM v6-12:ssa on lämmöt pysyneet n. 90c° +-5c° normiajossa, ja pidän sitä "normaalina"
CX 25 TRD Turbo2 Break "TummaTRD", CX 25 GTI Turbo2, XM V6 "MustaKuukka", MB EQC-22 Varalla: CX 25 Break "UA2", CX 25 GTI Turbo2, CX 25 TRD Turbo2 Break "UA" Veturi: Discovery2
|
|
|
|
 |
|
Cikatti
|
Viestin otsikko: Re: XM V6 startti- ja käyntiongelma Lähetetty: 07.09.2010 09:28 |
Viestit: 5855 Paikkakunta: Tuusula
|
|
Sanoisin kyllä että anturisi näyttä 100 ohmia liikaa, manuaali sanoo 345 ohm... Voisin varmistaa tämä mun omasta pirssistä!!
Siinä kaaviossa tuolla ylempänä on mm moottorin veden anturi, muistaakseni nro 8 (siinä lukee kait "vody") Anturin vastus muuttuu veden lämmetessä ja se muuttaa ruiskutusta tietyin inkrementein eli noin 10 asteen välein koneen lämmettyä eli se menee näin: 4kohm@10C; 2,5kohm@20C; 680ohm@55C; 230ohm@90C
Honda Valkyrie F6C, Plymouth Fury Custom Suburban ja Pontiac Firebird Trans Am.
|
|
|
|
 |
|
Lammy
|
Viestin otsikko: Re: XM V6 startti- ja käyntiongelma Lähetetty: 07.09.2010 21:15 |
Viestit: 142
|
|
Kuinkas mittaan lämpöanturin vastuksen? On niin ahdas paikka ettei yleismittarin puikot sinne mahdu. Olisiko anturin irtoliitin yhdistettynä mittariin kelpo idea ja mistä narttu-liitin löytyisi? Ei taida olla hyllytavaraa...
-matti
|
|
|
|
 |
|
Lammy
|
Viestin otsikko: Re: XM V6 startti- ja käyntiongelma Lähetetty: 09.09.2010 18:47 |
Viestit: 142
|
Nyt on mitattu ja todettu - ohmi-arvot mitä sattuu. Cikatin vinkistä vedenlämpö-anturi irti ja kattilaan hellalle kiehumaan. 80c-248 60c-248 40c-246 20c-180 Saan uuden anturin huomenna ja varmuuden vuoksi mittaan senkin, jotta varmistan tämänpäiväiset mittaukset. Toivonpa todella että vika on selvinnyt. Valohoitoa on annettu jo riittävästi  . -matti
|
|
|
|
 |
|
Cikatti
|
Viestin otsikko: Re: XM V6 startti- ja käyntiongelma Lähetetty: 09.09.2010 21:38 |
Viestit: 5855 Paikkakunta: Tuusula
|
|
Vau! Tuloksesi ovat ihan persiasta eli tässä ruumiillistuu taas keissi jossa moni XM on saanut otsalaukauksen. Asennat kohta uuden, halvan anturin ja taas XM keulii. Kerro miten kävi.
Honda Valkyrie F6C, Plymouth Fury Custom Suburban ja Pontiac Firebird Trans Am.
|
|
|
|
 |
|
Savitaipale
|
Viestin otsikko: Re: XM V6 startti- ja käyntiongelma Lähetetty: 09.09.2010 22:01 |
Viestit: 193 Paikkakunta: 54800
|
|
Öh, tuota jos nyt oikein ymmärsin, niin eikös tuo Lammyn anturi anna kaikissa lämpötiloissa osapuilleen lämpimän koneen vastusta? 248ohm ~ 230ohm. Eikös sen käynnin tällöin pitäisi olla poskellaan koneen ollessa kylmä?
-06 Renault Grand Scenic 2.0t 190tkm -03 Jaguar XJ8 (X308) 3.2 Sport 200tkm -74 Dyane
|
|
|
|
 |
|
jasu
|
Viestin otsikko: Re: XM V6 startti- ja käyntiongelma Lähetetty: 09.09.2010 23:04 |
Viestit: 3162 Paikkakunta: Korpilahti
|
Koodi: Lämpötila Resistanssi -11.6 7300 24 2070 50 855 70 450 99.6 202
Tuonsuuntaisia on joskus tullut mitattua Boschilaisesta lämpöanturista, niin minä kuin muutamat muutkin... Jossain oli joskus ihan tehtaan piirtämä käppyräkin tuolle, kun vain muistais että missä..?
Dyane 4x4 IE, Sm 2.7, Dyane IE, C8 2.2 Series -LantikanPätkä
|
|
|
|
 |
|
Lammy
|
Viestin otsikko: Re: XM V6 startti- ja käyntiongelma Lähetetty: 10.09.2010 14:30 |
Viestit: 142
|
|
Osaisiko joku kertoa minulle ,VEHO:lle jms. mikä on vedenlämpötila-anturin osanro? VEHO tarjosi väärää anturia eikä löytänyt oikeaa osaluetteloistaan. Myöskään Rekara ei heti osannut auttaa. Tämä anturi sijaitsee lohkossa virranjakajan lähellä hieman alempana ja lähempänä rintapeltiä sinne päin kallellaan. Tosin joku epäili sen olevanflektin anturi?!?
|
|
|
|
 |
|
Rychnowo
|
Viestin otsikko: Re: XM V6 startti- ja käyntiongelma Lähetetty: 10.09.2010 15:35 |
Viestit: 199
|
|
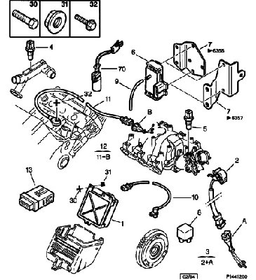
Oliskohan kuitenkin tuossa kuvassa no. 4 osano. 1920.C4
| Liitteet: |

xm anturi.jpg [ 72.91 KiB | Katsottu 11441 kertaa ]
|
|
|
|
|
 |
|
Janne L
|
Viestin otsikko: Re: XM V6 startti- ja käyntiongelma Lähetetty: 10.09.2010 19:03 |
Viestit: 725
|
|
Peugeotilta löytää myös saman osan pari euroa kalliimmalla.
|
|
|
|
 |
|
Cikatti
|
Viestin otsikko: Re: XM V6 startti- ja käyntiongelma Lähetetty: 11.09.2010 09:35 |
Viestit: 5855 Paikkakunta: Tuusula
|
Savitaipale kirjoitti: Öh, tuota jos nyt oikein ymmärsin, niin eikös tuo Lammyn anturi anna kaikissa lämpötiloissa osapuilleen lämpimän koneen vastusta? 248ohm ~ 230ohm. Eikös sen käynnin tällöin pitäisi olla poskellaan koneen ollessa kylmä? Taispa olla niin että moteur ei ehtinyt vielä edes lilkikään tuonne 90 lämpöihin kun se sammui. Se on selvää että vesianturi ei toimi oikein, ihan toinen juttu on että paraneeko mutta odotellaan että Lammy saaa oikean osan ensin.
Honda Valkyrie F6C, Plymouth Fury Custom Suburban ja Pontiac Firebird Trans Am.
|
|
|
|
 |
|
Lammy
|
Viestin otsikko: Re: XM V6 startti- ja käyntiongelma Lähetetty: 11.09.2010 12:04 |
Viestit: 142
|
|
Rychnowo - anturi on lohkossa, ei putkessa kuten osanro 4. Tuota ne tais Veholla tarjota. Anturin väri ruskea.
-matti
|
|
|
|
 |
|
Lammy
|
Viestin otsikko: Re: XM V6 startti- ja käyntiongelma Lähetetty: 11.09.2010 12:34 |
Viestit: 142
|
|
Vehon tarjoamassa anturissa oli pienempi kierre ja se oli muutenkin pienempi...
|
|
|
|
 |
|
Exclusive
|
Viestin otsikko: Re: XM V6 startti- ja käyntiongelma Lähetetty: 11.09.2010 15:37 |
Viestit: 12
|
|
Osanumero tuolle lohkon päädyssä olevalle anturille näyttäisi olevan
0242 85 ANTURI MOOTTORI 14X1,25 - 118 DEG 118 ASTETTA, KAKSITOIMINEN 14X1,25 - 118 DEG
Tuon koneen päällä olevan 1920 C4 anturin kierre näyttäisi olevan pienempi M12 ANTURI MOOTTORI DIAM 12X150
XM V6 Aut. Exclusive -96
|
|
|
|
 |
|
Rychnowo
|
Viestin otsikko: Re: XM V6 startti- ja käyntiongelma Lähetetty: 11.09.2010 22:56 |
Viestit: 199
|
|
Jep, lueskelin ketjua hiukan puoli-hereillä ja kuvittelin kaivatun anturin olevan sen, joka antaa tietoa ruiskulle. Mutta kyseessä taisikin olla se joka sytyttelee tuota ylilämmön merkkivaloa. Sen tiedot on tuossa edellisessä viestissä...
|
|
|
|
 |
|
Lammy
|
Viestin otsikko: Re: XM V6 startti- ja käyntiongelma Lähetetty: 12.09.2010 00:21 |
Viestit: 142
|
|
Äh, minä en tiedä mistä anturista puhun Rychnowo. Tarkoitus on tietty tarkastaa se ruiskua säätelevä anturi. Ei sillä merkkivalolla ole tässä hetkessä juurikaan väliä. Missä sijaitsee tuo ruiskuun vaikuttava anturi? Onko se koneen toisessa päädyssä lähellä termostaattia? -matti
|
|
|
|
 |
|
Cikatti
|
Viestin otsikko: Re: XM V6 startti- ja käyntiongelma Lähetetty: 12.09.2010 01:11 |
Viestit: 5855 Paikkakunta: Tuusula
|
|
Tämä anturi EI ole kaksitoiminen vaan vastus muuttuu lämpötilan mukaan ja nyt se ei mittauksen mukaan niin tee. Anturin kannattaa aina olla mukana kun menee kauppaan, silloin näkee het että onko kierre edes samalla hehtaarilla. Mulla on varaosakirja tohon vehkeeseen mutta sen selaaminen on hieman hankalaa. Katson sitä sunnuntaipnä paremmalla aikaa.
Tíetty hyvä vinkki on aina ensin katsoa josko vanhassa osassa olis partti nro, se voi auttaa kummasti.
Honda Valkyrie F6C, Plymouth Fury Custom Suburban ja Pontiac Firebird Trans Am.
|
|
|
|
 |
|
Exclusive
|
Viestin otsikko: Re: XM V6 startti- ja käyntiongelma Lähetetty: 12.09.2010 02:04 |
Viestit: 12
|
|
Juu nuo antureiden selitteet on servicestä suoraan. Näissäkin on vielä eroja eri mallien välillä, jos esim. katson oman autoni (vm. -96) runkonumeron perusteella niin osanumerot ovat erit, paitsi 1920 C4 on samassa kohdassa.
Mutta voisin kuvitella, että moottorinohjaus ottaa lämpötilatiedon tuolta 1920 C4 -anturilta koneen päältä. Näin ainakin jos servicestä katsoo osaluetteloa moottorinohjauksen kohdalta on mainittu vain tämä anturi. Jäähdytysjärjestelmä -kohdan alta löytyy lisäksi sitten muut anturitkin.
XM V6 Aut. Exclusive -96
|
|
|
|
 |
|
|