Kaikki ajat ovat UTC + 2 tuntia [ DST ]




 Sivu 1/1 [ 8 viestiä ] 
Kirjoittaja Viesti
 Viestin otsikko: Xsara taka-akselin pukten pulttien momentit
ViestiLähetetty: 02.03.2012 23:16 

Viestit: 566
Paikkakunta: Viitasaari
Tervehdys!

Jouduin tekemään Xsaraan (306) kahdesta akselista yhden ja ottamaan akseliputken irti kiinnikkeistä. Nyt olisi kiva saada pultit oikeaan momenttiin. Onko kellään tietoa?


Poissa
   
 
 Viestin otsikko: Re: Xsara taka-akselin pukten pulttien momentit
ViestiLähetetty: 03.03.2012 09:27 
Käyttäjän avatar

Viestit: 4693
Paikkakunta: 05460 Hyvinkää
laita ne kiinni. eiköhän se oo oikea momentti.


Poissa
   
 
 Viestin otsikko: Re: Xsara taka-akselin putken pulttien momentit
ViestiLähetetty: 04.03.2012 10:47 

Viestit: 566
Paikkakunta: Viitasaari
Näin niinkuin teknisemmästä (Citikka) näkökulmasta sillä on aika paljon väliä, mihin momenttiin ne hienokierteiset pultit kiristetään. Kun pultin alle tulee kolme peltiä ja yksi valuosa, jo lämpötilan muutos vaikuttaa asiaan.

Ja onko liitos mitoitettu kitkasulkeiseksi vai leikkeiseksi?

Siksi olisin kauhean tyytyväinen oikeista momenteista. Omista hakuteoksista ei ko. tietoa löydy.


Poissa
   
 
 Viestin otsikko: Re: Xsara taka-akselin pukten pulttien momentit
ViestiLähetetty: 04.03.2012 11:14 
Käyttäjän avatar

Viestit: 1332
Paikkakunta: Järvenpää
En tunne kyseistä liitosta, mutta hienokierteitä käytettäneen riittävän puristusvoiman saamiseen kohtuullisella vääntömomentilla tai itsepitävyyden parantamiseen eli aukikiertymisen estoon jos ei muita lukitteita. Voi olla myös ohuiden seinämien johdosta ulkokierteen puolella jolloin korkeampi kierre ei heikennä rakennetta.
Tuon voit laskea, tarvitaan ainakin kierteen halkaisija ja nousu, pultin ja mutterin materiaali kierrepituus mutussa ja nippuun puristettavien osien materiaali ja muoto ja liitospituus ja kantojen ja kierteiden kitka/voitelu. Tuosta lämpölaajenemiserosta en niin huolissani olisi. Pellit ohuita, ei väliä, jos valuosa on valuterästä, niin sama. Valuraudoilla poikkeaa hieman mutta tuossa tuskin mitään väliä. Hienokierteiset pultit yleensä hieman kovempaa tavaraa eli jos vastaava mutu tai pitkä kierre pehmeämmässä raudassa, saa kiristää enempi, jos lyhyt kierre siinä valussa,vähempi. Enempi ja vähempi tässä viittaa siiihen että jo tekemästäsi hommasta päätellen omaat jonkinasteisen näppituntuman kiristyksiin pultin koon muukaan, niin sillä, -eli lopeta kiristys hieman ennen kuin myötää :lol:
No kyllä tuohon luulisi jostain haynesistä arvokin löytyvän, on ainakin noihin mehumaijojen tukivarsiin jne.



Xantia Activa Tct -96
CX 20 TRE -88 -> 22i projekti, CX 25 Prestige -84
GS X3 ZEV-projekti, C5 2.2 HDI 170 -08
XM V6 A. -95
C6 2.7 HDi
Poissa
   
 
 Viestin otsikko: Re: Xsara taka-akselin pukten pulttien momentit
ViestiLähetetty: 04.03.2012 17:37 

Viestit: 566
Paikkakunta: Viitasaari
Kyllähän sen saa laskemallakin, mutta helpompi ja varmaankin oikeampi ratkaisu olisi valmis kiristysmomentti. Kysäisin Citikan maahantuojalta, ei ole vielä tullut vastausta. Haynes ei tunne koko liitosta.

Tässä matkan varrella on tullut huomattua, että kun osat ovat oikeassa momentissa kestävät pidempään ja ovat helpompia vaihtaa. Jo ihan työnkin puolesta pitäisi laittaa palikat oikein kiinni.

Nyt käytössä noin 700 tkm rullattu XM ja joku on joskus ollut huolellinen ja laittanut osat oikein kiinni. On ihan mukava vaihdella osia, kun lähtevät kokonaisina irti. Pitänee antaa kiitos ruotsalaisille. Sieltä auto ajautunut parin mutkan kautta minulle.


Poissa
   
 
 Viestin otsikko: Re: Xsara taka-akselin pukten pulttien momentit
ViestiLähetetty: 04.03.2012 21:03 
Käyttäjän avatar

Viestit: 4073
Paikkakunta: Eteläkärki
Netistä löytyy aika helposti ZX:n Haynes, josta nuo momentit saa.
Vaikkapa täältä.



"Pitäähän miehellä leluja olla..."
C5 2.0 HDi -11, Seat León eHybrid -21
Poissa
   
 
 Viestin otsikko: Re: Xsara taka-akselin pukten pulttien momentit
ViestiLähetetty: 04.03.2012 22:15 
Käyttäjän avatar

Viestit: 165
Paikkakunta: Otalampi, Vihti
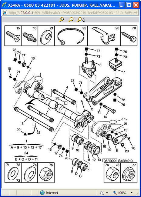
Moi,
Näkyykö ne pultit joita tarkoitat tuossa kuvassa ?


Liitteet:
compressed_takaakseli.jpg
compressed_takaakseli.jpg [ 73.98 KiB | Katsottu 4492 kertaa ]

Tesla Model 3, vm.-20
Ex. C4 1.2 Puretech 130, vm.-16
Ex. C6 2.7HDI vm.-08
Ex. C5 II 2.0HDI Break Exclusive vm.-06
Ex. Xsara 2.0HDI vm.-00
Poissa
   
 
 Viestin otsikko: Re: Xsara taka-akselin pukten pulttien momentit
ViestiLähetetty: 04.03.2012 22:54 

Viestit: 566
Paikkakunta: Viitasaari
Tervehdys ja kiitos!

Pultit ovat kuvassa ja ZX:n nettiversiosta löytyi momentti.

Jännä juttu, että uudemmissa Citikan ja Peugeotin kirjoissa ko. momentti puuttuu.


Poissa
   
 
Näytä viestit ajalta:  Järjestä  
 Sivu 1/1 [ 8 viestiä ] 


Paikallaolijat

Käyttäjiä lukemassa tätä aluetta: Ei rekisteröityneitä käyttäjiä ja 8 vierailijaa


Kaikki ajat ovat UTC + 2 tuntia [ DST ]


Et voi kirjoittaa uusia viestejä
Et voi vastata viestiketjuihin
Et voi muokata omia viestejäsi
Et voi poistaa omia vestejäsi
Et voi lähettää liitetiedostoja.

Etsi tätä:
Hyppää: