Kaikki ajat ovat UTC + 2 tuntia [ DST ]




 Sivu 1/1 [ 15 viestiä ] 
Kirjoittaja Viesti
 Viestin otsikko: Xantia -99 pätkii ja potkii
ViestiLähetetty: 24.06.2012 20:05 

Viestit: 474
Alkaa meidän perheen xantut esittämään yhdessä ja erikseen uusia temppuja. Nyt on vuorossa 2.0 16v joka oireilee aivan kuin wanhat hywät autot, kun niissä oli kiihdytyspumpun kalvo rikki. Eli kun yrittää kiihdyttää mistä tahansa vauhdista ja millä tahansa vaihteella, niin veto loppuu ja palaa muutaman sekunnin huilin jälkeen kunnon potkun kera ja sitten taas mennään ihan kuin parhaina päivinä silloin ennen. Lisäksi moottorin vikavalo palaa ajoittain, lähinnä tyhjäkäynnillä ja matalilla kierroksilla (alle 2250rpm). Moottorijarrutuksessa vikavalo palaa oli kierrokset mitkä tahansa. Tyhjäkäynti on välillä vakaa, välillä huojuvaa ja välillä reilut 1600 rpm, mutta silloin vakaa. Näiden lisäksi kylmäkäynnistys, eli ns. yli yön levänneen koneen herättäminen vaatii kosolti akkukapasiteettia ja äänekkäitä voimasanoja. Onneksi akku on talvella vaihdettu, mutta kuskin ääni alkaa olla käheä.

Mikä tuota voisi vaivata? Tähän asti nähtyä ja tehtyä:
- kaikki lämpöanturit vaihdettu toisesta toimivasta autosta, ei vaikutusta
- puolankansi vaihdettu toisesta autosta, ei vaikutusta
- koko kaasuläppäkotelo hiluineen vaihdettu toisesta autosta, ei vaikutusta
- lambda vaihdettu toisesta autosta (olihan piuhat ja liitin heikossa hapessa)
- suuttimet vaihdettu toisesta autosta, ei vaikutusta
- bensapumppu testattu, toimii
- moottorin maadoitus testattu, toimii
- bensansuodatin vaihdettu, ei vaikutusta
- sytytystulpat vaihdettu (oli jo aikakin...)
- ilmansuodatin vaihdettu (ihme että edes kävi enää :oops: )

Kaikki vaihdetut osat toimivat muuten toisessa autossa mainiosti.



Kun taitamaton laittaa haluttoman tekemään tarpeetonta, tuntuu vähän siltä, että turha työ menee hukkaan.
Poissa
   
 
 Viestin otsikko: Re: Xantia -99 pätkii ja potkii
ViestiLähetetty: 24.06.2012 20:48 
Käyttäjän avatar

Viestit: 4073
Paikkakunta: Eteläkärki
Eihän ilmamassamittarin jälkeen ole ilmavuotoja?



"Pitäähän miehellä leluja olla..."
C5 2.0 HDi -11, Seat León eHybrid -21
Poissa
   
 
 Viestin otsikko: Re: Xantia -99 pätkii ja potkii
ViestiLähetetty: 24.06.2012 21:46 

Viestit: 474
Vuotoja ei pitäisi olla. Olen vaihtanut imusarjan ja kaasuläppäkotelon tiivisteet uusiin, yht. 33€ marmoritiskiltä. Niiden vaihto paransi vähän tilannetta, mutta jossain vielä jotain vikaa...

Mihin se kaasuläppäkotelon toinen bensaletkun näköinen (paksumpi) letku menee? Kaasuläppäkotelon päästä se on tiiviisti kiinni ja on muutenkin hyväkuntoisen näköinen, mutta miltä se mahtaa näyttää toisesta päästä? Se katoaa johonkin akun vierestä enkä ole vielä keksinyt mihin se menee.



Kun taitamaton laittaa haluttoman tekemään tarpeetonta, tuntuu vähän siltä, että turha työ menee hukkaan.
Poissa
   
 
 Viestin otsikko: Re: Xantia -99 pätkii ja potkii
ViestiLähetetty: 24.06.2012 23:04 
Käyttäjän avatar

Viestit: 4073
Paikkakunta: Eteläkärki
Kerropa vielä, minkä ikäinen Xanttu on kyseessä. Juuri nyt ei ole yhtään bensa-Xantiaa pihassa, josta voisin käydä katsomassa.
Vikakoodien luettaminen voisi myös antaa vinkkejä. Jos vikavalo on käynyt päällä, siitä pitäisi jäädä vikakoodi muistiin.
Oireet viittaavat kyllä liian laihaan seokseen, eli imusarjaan pääsee ilmaa ohi ilmamassamittarin tai sitten mittaus ei anna oikeaa tulosta

MAP-anturi ei muuten ollut tuossa vaihdettujen / testattujen listassa. Löytyy imusarjan alta:


Liitteet:
Capture.PNG
Capture.PNG [ 17.99 KiB | Katsottu 9229 kertaa ]

"Pitäähän miehellä leluja olla..."
C5 2.0 HDi -11, Seat León eHybrid -21
Poissa
   
 
 Viestin otsikko: Re: Xantia -99 pätkii ja potkii
ViestiLähetetty: 24.06.2012 23:15 

Viestit: 474
Vuosimalli on -99. Vaihdoin MAPin vajaa vuosi sitten ja nyt putsailin sen. Putsauksesta ei ollut apua, joten vaihdoin sen päikseen omasta autostani jossa se toimii mainiosti. Tästäkään jumpasta ei ollut apua.

Vikakoodi herjaa liian laihasta ja liian rikkaasta seoksesta. Vielä kun tietäisi missä vaiheessa tulee kumpaa seosta.

Kylmänä vikavalo ei muuten pala, mutta kun kone lämpiää, alkavat ongelmat. Tämän oireen takia vaihdoin lämpöanturit.



Kun taitamaton laittaa haluttoman tekemään tarpeetonta, tuntuu vähän siltä, että turha työ menee hukkaan.
Poissa
   
 
 Viestin otsikko: Re: Xantia -99 pätkii ja potkii
ViestiLähetetty: 24.06.2012 23:58 
Käyttäjän avatar

Viestit: 4073
Paikkakunta: Eteläkärki
PietuG kirjoitti:
Vuosimalli on -99. Vaihdoin MAPin vajaa vuosi sitten ja nyt putsailin sen. Putsauksesta ei ollut apua, joten vaihdoin sen päikseen omasta autostani jossa se toimii mainiosti. Tästäkään jumpasta ei ollut apua.

Vikakoodi herjaa liian laihasta ja liian rikkaasta seoksesta. Vielä kun tietäisi missä vaiheessa tulee kumpaa seosta.

Kylmänä vikavalo ei muuten pala, mutta kun kone lämpiää, alkavat ongelmat. Tämän oireen takia vaihdoin lämpöanturit.
Nyt vasta huomasin, että olihan se vuosimalli jo tuossa otsikossa. :oops:

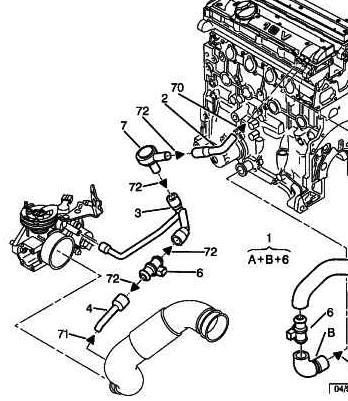
Onkohan se letku tuossa kuvassa? Imee öljyhöyryt ja ohivuotokaasut imusarjaan. Vuoto tuossa letkussa voisi hyvinkin aiheuttaa ongelmia.


Liitteet:
Capture2.PNG
Capture2.PNG [ 85.09 KiB | Katsottu 9215 kertaa ]

"Pitäähän miehellä leluja olla..."
C5 2.0 HDi -11, Seat León eHybrid -21
Poissa
   
 
 Viestin otsikko: Re: Xantia -99 pätkii ja potkii
ViestiLähetetty: 25.06.2012 10:00 

Viestit: 474
Letku jota tarkoitan, on tuon kuvan letkun (3) alla.



Kun taitamaton laittaa haluttoman tekemään tarpeetonta, tuntuu vähän siltä, että turha työ menee hukkaan.
Poissa
   
 
 Viestin otsikko: Re: Xantia -99 pätkii ja potkii
ViestiLähetetty: 25.06.2012 14:32 
Käyttäjän avatar

Viestit: 7490
Paikkakunta: Taipalsaari
PietuG kirjoitti:
Putsauksesta ei ollut apua, joten vaihdoin sen päikseen omasta autostani jossa se toimii mainiosti.
Menihän se anturin liitin tuossa varmaan pohjaan asti? Voi olla toisessa tiukempi liitin kuin toisessa. Itselläni on jäänyt kerran paikoilleen kyllä (1.8 16V:ssä), mutta ei ollut naksahtanut pohjaan.



VW Passat B7
Poissa
   
 
 Viestin otsikko: Re: Xantia -99 pätkii ja potkii
ViestiLähetetty: 25.06.2012 14:42 

Viestit: 474
laakeri kirjoitti:
PietuG kirjoitti:
Putsauksesta ei ollut apua, joten vaihdoin sen päikseen omasta autostani jossa se toimii mainiosti.
Menihän se anturin liitin tuossa varmaan pohjaan asti? Voi olla toisessa tiukempi liitin kuin toisessa. Itselläni on jäänyt kerran paikoilleen kyllä (1.8 16V:ssä), mutta ei ollut naksahtanut pohjaan.

Kyllä liitin on pohjassa ja lukituskin paikallaan. Se kiinalainen versio siitä alkuperäisestä tietokoneohjelmasta löytää MAPin ja kertoo sen toimivan normaalisti.

Tulppasin sen aiemmin ihmettelemäni letkun, ja kas, vikavalo sammui parissa sekunnissa ja käynti parani samantien. Mutta mikä on tuon letkun tarkoitus ja uskaltaako sitä tulpata pysyvästi?

Auto on ainakin nyt täysin oireeton ja toimii niin kuin pitää.



Kun taitamaton laittaa haluttoman tekemään tarpeetonta, tuntuu vähän siltä, että turha työ menee hukkaan.
Poissa
   
 
 Viestin otsikko: Re: Xantia -99 pätkii ja potkii
ViestiLähetetty: 25.06.2012 14:57 
Käyttäjän avatar

Viestit: 235
Paikkakunta: Lempäälä
Voisko olla bensatankin höyryjen letku jos kerran akun luokse katoaa. Sen solenoidiventtiili nakuttelee jossain kuskinpuoleisen lokasuojan sisällä.
Äkkisiltään tulisi mieleen, että kyseinen magneettiventtiili vuotaa tai on jäänyt auki.



-07 C4 Picasso
-04 Xsara Picasso "Moottorimuna"
Ex:
-02 C5 Break 2.0
-02 Xsara Picasso 2.0 HDI
-92 XM V6 Break
-96 XM 2,5 td Break
-89 XM 2.0i Berline
-00 Xantia Break Exclusive
-98 Xantia Break Business
Poissa
   
 
 Viestin otsikko: Re: Xantia -99 pätkii ja potkii
ViestiLähetetty: 25.06.2012 16:27 

Viestit: 474
JKiiski kirjoitti:
Voisko olla bensatankin höyryjen letku jos kerran akun luokse katoaa. Sen solenoidiventtiili nakuttelee jossain kuskinpuoleisen lokasuojan sisällä.
Äkkisiltään tulisi mieleen, että kyseinen magneettiventtiili vuotaa tai on jäänyt auki.

Onko tuolla höyryletkulla mitään muuta tarvetta kuin viherpipertäjien rauhoittelu, vai voiko sen vain tulpata pysyvästi?



Kun taitamaton laittaa haluttoman tekemään tarpeetonta, tuntuu vähän siltä, että turha työ menee hukkaan.
Poissa
   
 
 Viestin otsikko: Re: Xantia -99 pätkii ja potkii
ViestiLähetetty: 25.06.2012 17:39 
Käyttäjän avatar

Viestit: 4073
Paikkakunta: Eteläkärki
PietuG kirjoitti:
Onko tuolla höyryletkulla mitään muuta tarvetta kuin viherpipertäjien rauhoittelu, vai voiko sen vain tulpata pysyvästi?
Bensatankin höyryt kerätään aktiivihiilisäiliöön auton seistessä. Sitten moottorin käydessä säiliöstä imetään hieman raitista imaa läpi, jolloin bensahöyryt päätyvät imusarjaan poltettavaksi. Tuskinpa sen tulppaaminen imisarjan puolelta mitään haittaa.



"Pitäähän miehellä leluja olla..."
C5 2.0 HDi -11, Seat León eHybrid -21
Poissa
   
 
 Viestin otsikko: Re: Xantia -99 pätkii ja potkii
ViestiLähetetty: 25.06.2012 20:55 
Käyttäjän avatar

Viestit: 235
Paikkakunta: Lempäälä
Tankki ei varmaan pääse tuulettumaan mihinkään jos letkun tulppaa. Eli siellä on sitten tilanteesta riippuen ali- tai ylipaine.



-07 C4 Picasso
-04 Xsara Picasso "Moottorimuna"
Ex:
-02 C5 Break 2.0
-02 Xsara Picasso 2.0 HDI
-92 XM V6 Break
-96 XM 2,5 td Break
-89 XM 2.0i Berline
-00 Xantia Break Exclusive
-98 Xantia Break Business
Poissa
   
 
 Viestin otsikko: Re: Xantia -99 pätkii ja potkii
ViestiLähetetty: 25.06.2012 21:05 

Viestit: 474
JKiiski kirjoitti:
Tankki ei varmaan pääse tuulettumaan mihinkään jos letkun tulppaa. Eli siellä on sitten tilanteesta riippuen ali- tai ylipaine.

Entä jos tulppaan sen vain kaasuläppäkotelolta ja jätän tankkiin menevän letkun auki ja laitan sen päähän vaikka jonkun suodattimen?



Kun taitamaton laittaa haluttoman tekemään tarpeetonta, tuntuu vähän siltä, että turha työ menee hukkaan.
Poissa
   
 
 Viestin otsikko: Re: Xantia -99 pätkii ja potkii
ViestiLähetetty: 25.06.2012 22:40 
Käyttäjän avatar

Viestit: 4073
Paikkakunta: Eteläkärki
PietuG kirjoitti:
Entä jos tulppaan sen vain kaasuläppäkotelolta ja jätän tankkiin menevän letkun auki ja laitan sen päähän vaikka jonkun suodattimen?
Tätä juuri tarkoitin, eli imusarjan puoli tukkoon, tankin puoli auki.

Letkussa ) tankin päässä ns. roll-over venttiili, joka estää bensan vuotamisen tuon putken kautta jos auton onnistuu kippaamaan katolleen.



"Pitäähän miehellä leluja olla..."
C5 2.0 HDi -11, Seat León eHybrid -21
Poissa
   
 
Näytä viestit ajalta:  Järjestä  
 Sivu 1/1 [ 15 viestiä ] 


Paikallaolijat

Käyttäjiä lukemassa tätä aluetta: Ei rekisteröityneitä käyttäjiä ja 9 vierailijaa


Kaikki ajat ovat UTC + 2 tuntia [ DST ]


Et voi kirjoittaa uusia viestejä
Et voi vastata viestiketjuihin
Et voi muokata omia viestejäsi
Et voi poistaa omia vestejäsi
Et voi lähettää liitetiedostoja.

Etsi tätä:
Hyppää: