Kaikki ajat ovat UTC + 2 tuntia [ DST ]




 Sivu 1/1 [ 5 viestiä ] 
Kirjoittaja Viesti
 Viestin otsikko: C25 sähkövika
ViestiLähetetty: 22.09.2012 00:59 

Viestit: 15
citikka teki seuraavaa. kotia tullessa ei sammunut virtaavaimesta kääntämällä. samutin sen kytkimellä, sitte väänsin virrat pois avaimesta ja hehkun merkkivalo jäi palamaa. nyt se ei lähe käyntii ja hehkunmerkkivalo ei pala vaikka virrat on päällä. samaten ajovalot ei toimi.
ite epäilen nyt maavikaa mutta missä tuossa on maadoituset esim kojetaulu, sulake/relerasia, moottoritilassa on yks maadoituspiste mutta jostain lukkiin että olis viellä toinen maadotus piste jossakin päin?

vm on 91 ja 2.5 diisseli koneella, kori malli C25 pitkä ja korkee.


Poissa
   
 
 Viestin otsikko: Re: C25 sähkövika
ViestiLähetetty: 22.09.2012 01:31 
Käyttäjän avatar

Viestit: 1733
Paikkakunta: Parainen
Virtalukon pohja?



Cx Heuliez-87, Tre-87, Fami-90, IE Pallas -83, Prestige -88, Id-58, DSuper-70, 4xXm, Xantia, BxGti-86
Poissa
   
 
 Viestin otsikko: Re: C25 sähkövika
ViestiLähetetty: 22.09.2012 12:40 

Viestit: 15
jptcool kirjoitti:
Virtalukon pohja?


voi olla tässäkin vikaa koska edellinen omistaja laittanut startin painonapilla.


Poissa
   
 
 Viestin otsikko: Re: C25 sähkövika
ViestiLähetetty: 22.09.2012 20:56 
Käyttäjän avatar

Viestit: 159
Paikkakunta: Siuntio
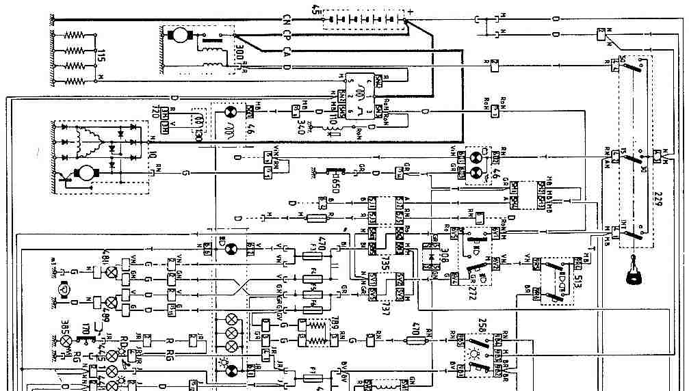
Onko oikeesti 91-mallinen eli viistoilla sivulaseilla, siinä kohden aika moni osa vaihtui toisenlaiseksi. Tätä kysyn koska tallissa saattaisi olla vanhemman version virtalukonpohja joutilaana - taitaa tosin sopia uudempaankin. Ohessa pala vanhemman version kytkistä jossa näkyy luettelemiasi toimimattomia osia, en laittanut koko kuvaa kun siihen saattaa olla jollakulla joitain oikeuksia. Piti vielä laittaa kumolleen kun tänne ei saa laittaa korkeita pystykuvia. YV:nä voin lähetellä paremman ja ehkä oikeamman.


Liitteet:
sch90part.jpg
sch90part.jpg [ 62.02 KiB | Katsottu 2884 kertaa ]
Poissa
   
 
 Viestin otsikko: Re: C25 sähkövika
ViestiLähetetty: 29.09.2012 02:40 

Viestit: 15
-pk- kirjoitti:
Onko oikeesti 91-mallinen eli viistoilla sivulaseilla, siinä kohden aika moni osa vaihtui toisenlaiseksi. Tätä kysyn koska tallissa saattaisi olla vanhemman version virtalukonpohja joutilaana - taitaa tosin sopia uudempaankin.


ei oo viistoilla laseilla. otettu 27.9.1991 käytöön tuo mun auto. kerkesin ostaa virtalukon ja pohjan. lämpömittari on vielä sekasin. menee tappiin lyhyessä ajelussa. en tiiä loppuko ajovalojen vilkuttelu ku en oo pitempää matkaa ajellut.
nyt lähtee käyntii ja sammuu avaimesta.

on mulla itelläkin kytkentäkaavio mutta ei siittä selvii maadoituspisteiten paikat.


Poissa
   
 
Näytä viestit ajalta:  Järjestä  
 Sivu 1/1 [ 5 viestiä ] 


Paikallaolijat

Käyttäjiä lukemassa tätä aluetta: Ei rekisteröityneitä käyttäjiä ja 16 vierailijaa


Kaikki ajat ovat UTC + 2 tuntia [ DST ]


Et voi kirjoittaa uusia viestejä
Et voi vastata viestiketjuihin
Et voi muokata omia viestejäsi
Et voi poistaa omia vestejäsi
Et voi lähettää liitetiedostoja.

Etsi tätä:
Hyppää: