|
| Kirjoittaja |
Viesti |
|
Putkimies22
|
Viestin otsikko: c5 tehot puuttuu Lähetetty: 15.01.2013 19:15 |
Viestit: 3537 Paikkakunta: Espoo
|
|
Hdi kävi jakohihnan vaihdossa ja öljynvaihdossa. Pihasta lähtiessä en vielä huomannu mitään mutta maantiellä kyllä, auto on kuin vaparidiesel. Kulkoo nätisti mutta mitään ei tapahdu kun pollkasee. Hyviä arvauksia mistä etsiä vikaa? Piuha, letku vaiko hihna?
Volvo V70 D4 -15 A Citroen Xantia Berline 1,8-16V -95 Citroen Xantia Berline 1,8-16V -97 (purkuun) Citroen Xantia Berline 1,8-16V -00 Peugeot 406 Coupe V6 Aut -99
|
|
|
|
 |
|
kokemjne
|
Viestin otsikko: Re: c5 tehot puuttuu Lähetetty: 15.01.2013 19:27 |
Viestit: 4703 Paikkakunta: 05460 Hyvinkää
|
|
väärän merkkiset öljyt ? tai ajoitus karvan poskellaan. turbon painepuolen rööri fuskaa ( klemmarit löysällä )
|
|
|
|
 |
|
pimpelipompeli
|
Viestin otsikko: Re: c5 tehot puuttuu Lähetetty: 15.01.2013 20:47 |
Viestit: 369
|
Putkimies22 kirjoitti: Hdi kävi jakohihnan vaihdossa ja öljynvaihdossa. Pihasta lähtiessä en vielä huomannu mitään mutta maantiellä kyllä, auto on kuin vaparidiesel. Kulkoo nätisti mutta mitään ei tapahdu kun pollkasee. Hyviä arvauksia mistä etsiä vikaa? Piuha, letku vaiko hihna? Jako hampaalla pielessä? Jakohihnaa vaihdellessa tarvihti muistaakseni irroittaa ahtoputki pois tieltä, tosin sitten työntää mustaa kun antaa kierroksia. Jos teetit liikkeessä, aja sinne takaisin. Kyllä ne sen takuuseen laittaa.
|
|
|
|
 |
|
RPekka
|
Viestin otsikko: Re: c5 tehot puuttuu Lähetetty: 15.01.2013 20:52 |
Viestit: 1654 Paikkakunta: Lappeenranta
|
|
Eipä sieltä (ainakaan 2.2 koneessa) tartte ahtoletkuja irrotella nokkahihnaa vaihtaessa mutta nokkapyörän säätö lienee helppo tehdä väärin tai jättää kokonaan säätämättä eli merkit pyöriin ja hihnaan ja uusi paikalleen. Purattaa vaan melkoisen paljon että pääsee tarkistamaan.
Citroen e-C4, vm 2020. Citroen DS5 Hybrid4, vm 2013. Citroen 2CV "Justiina", vm 1980 Citroen Dyane "Hilma", vm 1975.
|
|
|
|
 |
|
Les Excentriques
|
Viestin otsikko: Re: c5 tehot puuttuu Lähetetty: 15.01.2013 20:55 |
Viestit: 1557 Paikkakunta: Tampere
|
kokemjne kirjoitti: väärän merkkiset öljyt ? Tätä osasin odottaa, mutta silti se yllätti 
Kommenttini sisältävät henkilökohtaisiin kokemuksiini ja yleiseen elämänkatsomukseeni perustuvaa tietoa, josta johtuen virheiden mahdollisuus ei ole poissuljettu, joskin kokonaisuuden huomioiden vähäinen.
|
|
|
|
 |
|
kaselin
|
Viestin otsikko: Re: c5 tehot puuttuu Lähetetty: 15.01.2013 22:58 |
Viestit: 1592 Paikkakunta: Tampere
|
väärän merkkiset öljyt ? Sitä/tota se ammattitairottomuus teettää!! 
C5 1,8 Break -03 Peugeot Expert TD -00 Honda GL1800 -08 edesmenneet 2CV4 -72 2CV6 -82 Peugeot Satelis 500 -08
|
|
|
|
 |
|
Putkimies22
|
Viestin otsikko: Re: c5 tehot puuttuu Lähetetty: 24.01.2013 20:26 |
Viestit: 3537 Paikkakunta: Espoo
|
|
Alipaineletku oli irti
Volvo V70 D4 -15 A Citroen Xantia Berline 1,8-16V -95 Citroen Xantia Berline 1,8-16V -97 (purkuun) Citroen Xantia Berline 1,8-16V -00 Peugeot 406 Coupe V6 Aut -99
|
|
|
|
 |
|
RPekka
|
Viestin otsikko: Re: c5 tehot puuttuu Lähetetty: 24.01.2013 20:30 |
Viestit: 1654 Paikkakunta: Lappeenranta
|
Putkimies22 kirjoitti: Alipaineletku oli irti Ahtimen ohjaus vai mikä niistä?
Citroen e-C4, vm 2020. Citroen DS5 Hybrid4, vm 2013. Citroen 2CV "Justiina", vm 1980 Citroen Dyane "Hilma", vm 1975.
|
|
|
|
 |
|
ruutuvihko
|
Viestin otsikko: Re: c5 tehot puuttuu Lähetetty: 24.01.2013 20:36 |
Viestit: 119
|
|
Ja miksi ei tullut vikakoodia eli moottorin merkkivaloa, antipöllövikaa ja ehkä myös ESP-vikaa (jos on) kun turpo ei kerran pystynyt tekemään tilattua ahtopainetta. Ahtopaineen paineanturin pitäisi kyllä herätä tilanteeseen melkein välittömästi.
Mikä moottori on kyseessä?
|
|
|
|
 |
|
Jeth
|
Viestin otsikko: Re: c5 tehot puuttuu Lähetetty: 25.01.2013 10:42 |
Viestit: 993 Paikkakunta: Seinäjoki
|
|
Tai ettei ollu EGR:n alipaine letku irti? nehän menee siinä vieretysten ja oireetkin sopis.
|
|
|
|
 |
|
Putkimies22
|
Viestin otsikko: Re: c5 tehot puuttuu Lähetetty: 25.01.2013 13:57 |
Viestit: 3537 Paikkakunta: Espoo
|
Jeth kirjoitti: Tai ettei ollu EGR:n alipaine letku irti? nehän menee siinä vieretysten ja oireetkin sopis. Saattoi olla, en itse tuota laittanut kuntoon vaan hihnan vaihdon tehnyt asentaja.
Volvo V70 D4 -15 A Citroen Xantia Berline 1,8-16V -95 Citroen Xantia Berline 1,8-16V -97 (purkuun) Citroen Xantia Berline 1,8-16V -00 Peugeot 406 Coupe V6 Aut -99
|
|
|
|
 |
|
jiipee62
|
Viestin otsikko: Re: c5 tehot puuttuu Lähetetty: 28.01.2013 23:27 |
Viestit: 206 Paikkakunta: Nummela
|
Putkimies22 kirjoitti: Jeth kirjoitti: Tai ettei ollu EGR:n alipaine letku irti? nehän menee siinä vieretysten ja oireetkin sopis. Saattoi olla, en itse tuota laittanut kuntoon vaan hihnan vaihdon tehnyt asentaja. Miksi EGR:n letkun irtoaminen vie tehot, ei ymmärtää 
Jyrki C5 X7 sedan 2.0 HDI 136, ja Kia ja punto ja yaris ja aygo Exiä: C8 2.0 HDI, Pöso 407 2,7 HDI, Berlingo 1,4 Multispace -99, C5 2.0 HDI Break -02, 406 HDI pösö -03, Xantia 2.0 16V Break -96, BX 19 GTI, Visa GT, BX 16 Break
|
|
|
|
 |
|
Nickroen
|
Viestin otsikko: Re: c5 tehot puuttuu Lähetetty: 29.01.2013 15:31 |
Viestit: 330
|
|
EGr kierrättää pakokaasuja, wikipedia sanoo näin:
"EGR-venttiili on auki vain osakaasulla, se ei siis vaikuta tyhjäkäyntiin tai huipputehoihin. Toisaalta rikkinäinen EGR-venttiili voi esimerkiksi jäädä hiukan auki ja vuotaa, aiheuttaen ongelmia. " Eli jos letku on irti, ei toimi...
|
|
|
|
 |
|
kokemjne
|
Viestin otsikko: Re: c5 tehot puuttuu Lähetetty: 29.01.2013 17:57 |
Viestit: 4703 Paikkakunta: 05460 Hyvinkää
|
|
vissiin puhaltaa imusatsista pakoputkeen päin . tulpatkaa nyt viimeinkin kaikki tuommoset " egr" :ät . niillä ei oo lopultakaan oikein mitään virkaa , mutta nuo vihertävät ituhipit saavat tyydytystä mukamas vähemmistä huuruista pakoputkesta.
|
|
|
|
 |
|
kokemjne
|
Viestin otsikko: Re: c5 tehot puuttuu Lähetetty: 29.01.2013 18:00 |
Viestit: 4703 Paikkakunta: 05460 Hyvinkää
|
|
turbo yrittää työntää painetta imupuolelle ,mutta se avonainen venttiili päästää paineet takaisin pakoputken puolelle ,vaikka imusarjan puolella pitäis olla selvä ylipaine.
|
|
|
|
 |
|
jiipee62
|
Viestin otsikko: Re: c5 tehot puuttuu Lähetetty: 29.01.2013 19:11 |
Viestit: 206 Paikkakunta: Nummela
|
Ookoo, ehkä se on noin. Ite tein uuden tiivisteen EGR-venttiilille, semmoisen reiättömän 
Jyrki C5 X7 sedan 2.0 HDI 136, ja Kia ja punto ja yaris ja aygo Exiä: C8 2.0 HDI, Pöso 407 2,7 HDI, Berlingo 1,4 Multispace -99, C5 2.0 HDI Break -02, 406 HDI pösö -03, Xantia 2.0 16V Break -96, BX 19 GTI, Visa GT, BX 16 Break
|
|
|
|
 |
|
kokemjne
|
Viestin otsikko: Re: c5 tehot puuttuu Lähetetty: 29.01.2013 19:37 |
Viestit: 4703 Paikkakunta: 05460 Hyvinkää
|
just 
|
|
|
|
 |
|
black_van
|
Viestin otsikko: Re: c5 tehot puuttuu Lähetetty: 29.01.2013 21:31 |
Viestit: 3152 Paikkakunta: Nummela
|
Tuo laippatiiviste on melkeinpä ainoa tapa tehdä homma kunnolla. Tulppaamalla voi tulla vikailmoituksia,laipasta tietokone ei tiedä mitään 
Black Van BX 1.9D -90 Megane 1.9dci -10
|
|
|
|
 |
|
RPekka
|
Viestin otsikko: Re: c5 tehot puuttuu Lähetetty: 30.01.2013 00:13 |
Viestit: 1654 Paikkakunta: Lappeenranta
|
black_van kirjoitti: Tuo laippatiiviste on melkeinpä ainoa tapa tehdä homma kunnolla. Tulppaamalla voi tulla vikailmoituksia,laipasta tietokone ei tiedä mitään  Nyt tuli kyllä sellaista tietoa että olis hyvä perustella edes jotenkin. Itte heitin venttiilin ja putket hyllyyn hehkuja vaihtaessa, pakoputkeen ja imusarjaan sokeat laipat ja alipaineletkuun tulppa. Ei vikakoodeja.
Citroen e-C4, vm 2020. Citroen DS5 Hybrid4, vm 2013. Citroen 2CV "Justiina", vm 1980 Citroen Dyane "Hilma", vm 1975.
|
|
|
|
 |
|
XmTd94
|
Viestin otsikko: Re: c5 tehot puuttuu Lähetetty: 02.02.2013 21:06 |
Viestit: 126 Paikkakunta: Pirkanmaa
|
|
Mihin väliin ne reiättömät tiivisteet pitää asentaa ja mitä muuta tuossa EGR:n käytöstä poistossa pitää tehdä? Kiitos jo etukäteen.
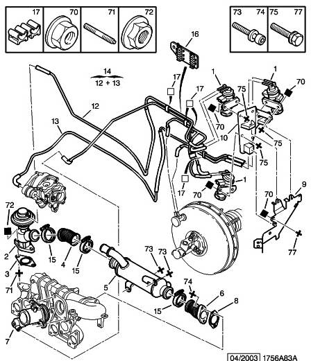
| Liitteet: |

EGR.jpg [ 54.68 KiB | Katsottu 16866 kertaa ]
|
C5 2.0 Hdi Tourer-08 AT
|
|
|
|
 |
|
kokemjne
|
Viestin otsikko: Re: c5 tehot puuttuu Lähetetty: 02.02.2013 21:34 |
Viestit: 4703 Paikkakunta: 05460 Hyvinkää
|
|
korvaa numero 3 umpilaipalla tai sitten 8
|
|
|
|
 |
|
pimpelipompeli
|
Viestin otsikko: Re: c5 tehot puuttuu Lähetetty: 03.02.2013 10:45 |
Viestit: 369
|
kokemjne kirjoitti: korvaa numero 3 umpilaipalla tai sitten 8 Omaan tein osien nro 2 ja 6 muotoiset laipat ja heitin niiden välillä olevat töryt kokonaan mäkeen. Peittyy siististi suojamuovin alle, eli ei siis vaikuta katsastukseen 
|
|
|
|
 |
|
Janne L
|
Viestin otsikko: Re: c5 tehot puuttuu Lähetetty: 03.02.2013 11:56 |
Viestit: 725
|
pimpelipompeli kirjoitti: kokemjne kirjoitti: korvaa numero 3 umpilaipalla tai sitten 8 Omaan tein osien nro 2 ja 6 muotoiset laipat ja heitin niiden välillä olevat töryt kokonaan mäkeen. Peittyy siististi suojamuovin alle, eli ei siis vaikuta katsastukseen  Miten estät antipollution faultin tulemisen? Mitä olet tehnyt alipaineletkuille tai laittanut niiden päihin?
|
|
|
|
 |
|
pimpelipompeli
|
Viestin otsikko: Re: c5 tehot puuttuu Lähetetty: 03.02.2013 13:00 |
Viestit: 369
|
|
2.2 hdi, vuodelta 2001 on sen verran tyhmä laitos, ettei se valvo tuota egrä:n käyttöä. Ohjausventtiili on kyllä sähköjohdon päässä paikallaan, mutta venttiililtä lähtevässä sekä tulevassa alipaineletkussa on siihen sopiva pultti.
|
|
|
|
 |
|
black_van
|
Viestin otsikko: Re: c5 tehot puuttuu Lähetetty: 03.02.2013 13:05 |
Viestit: 3152 Paikkakunta: Nummela
|
|
Onkohan sitten 2.0hdi xantiassa valvottu tuo egr.n käyttö kun tulppaamalla syttyi häiriövalo
Black Van BX 1.9D -90 Megane 1.9dci -10
|
|
|
|
 |
|
|