Kaikki ajat ovat UTC + 2 tuntia [ DST ]




 Sivu 1/1 [ 11 viestiä ] 
Kirjoittaja Viesti
 Viestin otsikko: Bx taka-akselin tuenta välyksellinen vasemmalla
ViestiLähetetty: 29.10.2009 13:15 

Viestit: 58
Paikkakunta: Nurmijärvi
Otsikon mukaisesti kirjasi katsastussetä hylkäyspäätöksensä.
Yhdessä sitä auton alla katselimme, muttei kumpikaan osannut määritellä miten hankala paikka tuo on korjattavaksi.

Takakynkän laakereita olen kyllä uusinut, mutta tuollainen väljyys ei ole vielä missään bx:ssä tullut minua vastaan.

Eli kysymys kuuluu: mikä siellä akselin pään ja kynnykotelon välissä (tai jossain niillä main) pääsee väljistymään? Sekä millainen operaatio on odotettavissa?

Katsastustoimitus meni leppoisassa hengessä ja päästötodistuskin kertoi arvojen olevan rajojen sisällä. "En sanoisi että kaikki on OK mutta määräykset täyttyvät." Päästöjä tiesin epäillä itsekin, mutta en älynnyt että -89 bensakoneet testataan vain tyhmäkäynnillä.



Ilman Citikkaa jo liian pitkään
Poissa
   
 
 Viestin otsikko: Re: Bx taka-akselin tuenta välyksellinen vasemmalla
ViestiLähetetty: 29.10.2009 16:57 
Käyttäjän avatar

Viestit: 1590
Paikkakunta: Lappeenranta
bxvan kirjoitti:
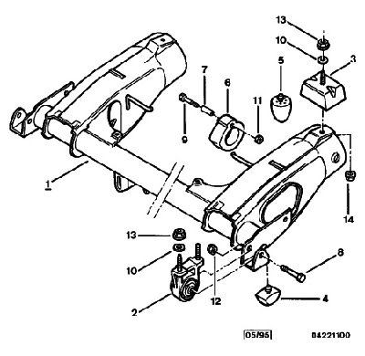
Eli kysymys kuuluu: mikä siellä akselin pään ja kynnykotelon välissä (tai jossain niillä main) pääsee väljistymään? Sekä millainen operaatio on odotettavissa?

Käsittääkseni kyse on niistä takakelkan kumityynyistä. Nyt on taas hirmu hyvä tulla kertomaan neuvoja, kun en ole BX:ään joutunut moisia vaihtamaan, mutta Xsaran tapauksessa homma oli hyvinkin helppo, eikä tuo kuvan perusteella näyttäisi BX:nkään tapauksessa olevan kovin paha homma.
Liitteet:
d4221100.jpg
d4221100.jpg [ 49.69 KiB | Katsottu 8931 kertaa ]

Nyt minulle vain heräsi muistikuva, että olikos se juuri tuo etummainen kumi, jota ei enää saa uutena..?



C6 3.0 HDi ('09), C5 2.0 HDi Break ('05), CX 20 Pallas ('83)
Poissa
   
 
 Viestin otsikko: Re: Bx taka-akselin tuenta välyksellinen vasemmalla
ViestiLähetetty: 29.10.2009 17:14 

Viestit: 1
Paikkakunta: Siikajoki
juu se on tuo osa2. Vaihto edellyttää taka-akselin irroitukse ainakin siltä puolen minkä vaihtaa en ole varma pitäää kö toista puolta irroittaa. Itse vaihdoin samalla kun oli taka-akseli kokonaan irti ja silloin maksoi muistaakseni noin.50egee kpl (02 tai 03)


Poissa
   
 
 Viestin otsikko: Re: Bx taka-akselin tuenta välyksellinen vasemmalla
ViestiLähetetty: 29.10.2009 19:35 
Käyttäjän avatar

Viestit: 1128
Helan kaksi pulttia auki ja takakumityynyn pultti myös. Laita ensin tietysti tunkki akselin alle. Takatyynyn pultti on tavaratilassa teipillä peitetyssä poterossa (16 mm hylsy tarvitaan, mielellään pitkä selleianen) Helan pultit on turvavyön alakiinnikkeen paikkeilla sen kynnysmuovin alla. Sitten lasket akselin niin alas, että helan pultti tulee näkyviin ja sen saa irroitettua. Pitkä putket tulee tuosta kohtaa myös. Putkien metallikiinnikepelti on pinellä pultilla kiinni tuossa helassa, se kannattaisi irroittaa ennen akselin alaslaskua. Suuri riski on, että putket menee poikki, jos ovat huonokuntoisia. Pakari antaa sen verran perään ettei sitä tarvitse poistaa. Noilla paikkeilla on sitten helposti myös korroosiota.

Hela maksaa muuten marmoritiskillä 74 euroa kpl, Sitroselta saisi 50 euroon uuden ja Varaosamaailmassa olisi ollut 40 euroa. Motonetissa ei ole noita lainkaan.

Arvaa pitäisikö vaihtaa nuo omaan beksiin. Uusin kyllä pultin, kun se meni poikki. Hela oli kuitenkin käteenotettaessa selkeästi vaihtokuntoinen.



BX 1.9 Gti 16V, BX 1.6 Gti, Xantia 1.6i SX berline, C5 2.0 SX Break, Berlingo 1.6 Multispace
Poissa
   
 
 Viestin otsikko: Re: Bx taka-akselin tuenta välyksellinen vasemmalla
ViestiLähetetty: 30.10.2009 21:36 
Käyttäjän avatar

Viestit: 2209
Paikkakunta: Laukaa
minulta vois löytyä pari kohtuukuntoisia kumityynyjä, jos et muualta löydä :)



Citroen Bx 19 Millesime -92 aut., Bx 19 TZI farm -92.
Vw K70L -72 museorek., mopedi Crescent Topper -67 museorek., Yamaha 80 Ygs-1 -71 museorek.
Poissa
   
 
 Viestin otsikko: Re: Bx taka-akselin tuenta välyksellinen vasemmalla
ViestiLähetetty: 30.10.2009 22:01 
Käyttäjän avatar

Viestit: 1128
Katsastussedälle kelpasivat kuitenkin tänään



BX 1.9 Gti 16V, BX 1.6 Gti, Xantia 1.6i SX berline, C5 2.0 SX Break, Berlingo 1.6 Multispace
Poissa
   
 
 Viestin otsikko: Re: Bx taka-akselin tuenta välyksellinen vasemmalla
ViestiLähetetty: 11.10.2013 05:48 
Käyttäjän avatar

Viestit: 2155
Paikkakunta: Kerava
Nostellaas vanhaa ketjua. Huomasin tuossa kotiin ajellessa, jotta takakelkka siellä kolajaa perskules.

Onneksi osaa numero 2 on vielä hyvin saatavissa. Kuvasta ei selviä pultin koko, onko tiedossa?

Samalla voisi vaihtaa nuo takimmaiset kumityynyt(numero 3).
Mutta en löytänyt niille numeroa, onkohan niitä saatavilla jostain vielä? Vaikka luulisi tuon mallisten kestävän pitkäänkin?

Menis samalla kun vaihtaa kynkkiin uudet laakerit/uudelleen laakeroidut kynkät.


Poissa
   
 
 Viestin otsikko: Re: Bx taka-akselin tuenta välyksellinen vasemmalla
ViestiLähetetty: 11.10.2013 06:35 
Käyttäjän avatar

Viestit: 2155
Paikkakunta: Kerava
95632593 droit= oikea

95632592 gauche= vasen


51.49.90 tommonen numero löytyi tuolle takatyynylle (C15)


Poissa
   
 
 Viestin otsikko: Re: Bx taka-akselin tuenta välyksellinen vasemmalla
ViestiLähetetty: 11.10.2013 07:31 
Käyttäjän avatar

Viestit: 2155
Paikkakunta: Kerava
Esa66 kirjoitti:
95632593 droit= oikea

95632592 gauche= vasen


51.49.90 tommonen numero löytyi tuolle takatyynylle (C15)


Kuva


Poissa
   
 
 Viestin otsikko: Re: Bx taka-akselin tuenta välyksellinen vasemmalla
ViestiLähetetty: 11.10.2013 19:47 
Käyttäjän avatar

Viestit: 2155
Paikkakunta: Kerava
Ensi vkolla voisin noita etuheloja tilailla, hintaa tulee n.30€ kipale@ Vantaa
Tarviiko kukaan? Etumaksulla, ei huvita näitä ostella nurkkiin pyörimään ;)
Matkahuolto 7€/2kg -10€/10kg asti


Poissa
   
 
 Viestin otsikko: Re: Bx taka-akselin tuenta välyksellinen vasemmalla
ViestiLähetetty: 11.10.2013 21:03 
Käyttäjän avatar

Viestit: 2155
Paikkakunta: Kerava
Esa66 kirjoitti:
Ensi vkolla voisin noita etuheloja tilailla, hintaa tulee n.30€ kipale@ Vantaa
Tarviiko kukaan? Etumaksulla, ei huvita näitä ostella nurkkiin pyörimään ;)
Matkahuolto 7€/2kg -10€/10kg asti


Nopeasti laskien parin hinnaksi tulisi 60€ postitettuna, jos saisi 5paria tilaukseen.
Muttereita/pultteja täytyy kysellä marmoritiskiltä.


Poissa
   
 
Näytä viestit ajalta:  Järjestä  
 Sivu 1/1 [ 11 viestiä ] 


Paikallaolijat

Käyttäjiä lukemassa tätä aluetta: Ei rekisteröityneitä käyttäjiä ja 16 vierailijaa


Kaikki ajat ovat UTC + 2 tuntia [ DST ]


Et voi kirjoittaa uusia viestejä
Et voi vastata viestiketjuihin
Et voi muokata omia viestejäsi
Et voi poistaa omia vestejäsi
Et voi lähettää liitetiedostoja.

Etsi tätä:
Hyppää: