Kaikki ajat ovat UTC + 2 tuntia [ DST ]




 Sivu 1/1 [ 8 viestiä ] 
Kirjoittaja Viesti
 Viestin otsikko: Takatukivarren laakerien uusiminen C-vitoseen
ViestiLähetetty: 18.09.2014 18:49 

Viestit: 6
Hitusen oli työläämpi homma, kun joka paikka oli ruosteen avulla kiinni, jousisylinterin tankoja myöten, no WD-40 ja lämpö oli oiva apu, tosin suojakumien polttamista piti välttää, absin-anturit onneksi lähtivät tosiaan liuottemalla ja naputtelemalla pois paikoiltaan, ihmetystä vähän herättää että miksi tuolta suojakumin alta tulee öljyä, kuuluuko se sinne vai onko sylinterissä mahdollisesti jotain vikaa??, tuon uuden laakerisarjan sai muuten tarvikkeena paikalliselta karlalta hintaan 55€ ja siinä on kaikki tarvittava mukana.

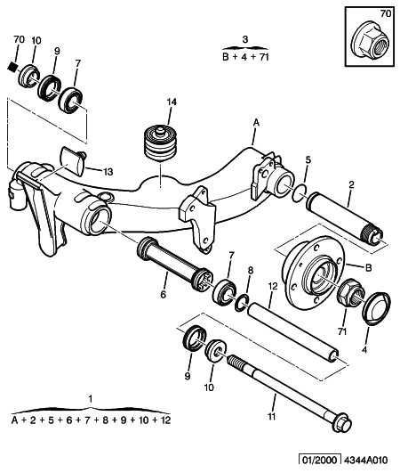
No hommahan meni niin että ensin liuotinöljyä tekeytymään vuorokautta ennen projektin aloittamista, takaa jarrusylinteri paloineen pois paikoiltaan että saa jarrulevyn pois tieltä, sitten jarrukilpi irti että saa tilaa absin anturin pois ottamiseen, sen jälkeen sokkatappi pois jousisylinterin päästä ja tässä tapauksessa piti antaa varovasti lämpöä tukivarteen kun ei se tappi sieltä "vääntämällä" ihan helpolla pois tullut, kun tappi oli pois tieltä niin korkeussäätö tangon pää irti, tässä kannattaa käyttää myös kunnon jatkoa riittävän avausvoiman saamiseksi, 55-torx, tukivarren käsittelyä helpottaa jos sen ottaa molemmista päistä irti työtilan saamiseksi , siihen anturiin menevään tangon klemmarikiinnikkeeseen ei varmaan kannata koskea, niin pääsee helpommalla kun ei tarvitse rajoja etsiä uudelleen, viimeiseksi se pitkä pultti irti 24mm-hylsyllä ja kunnon lenkkiavaimella, tosin tässä tapauksessa piti ottaa kunnon väännin avuksi (1,5 metriä putkea), narahdus ja pamaus niin sitten saikin pultin auki jo koneella, tuki varsi pois ja laakerin poistaminen aloitetaan antamalla vasaralla napsuja laakeriholkkiin niin että sen saa liikkumaan, sitten kun saa sen päätyholkin pois, niin stefa meisselillä kampeamalla pois paikoiltaan, sittenhän "potilaat" jo näkyvät, otetaan putkea hieman pienempi akselin/putkenpätkä ja napautetaan akseliputki pois paikoiltaan, muovinen sisäputki lähtee helpoimmin kun sen lämmittää kuumailmapuhaltimella ja tekee meisselillä reiän josta saa otteen nokkapihdeillä putken pois vetämiseen, lämmöllä voi muovata putkea poisottamisen aikana, sisäkoolit lähtevät meisselillä kampeamalla pois paikoiltaan, ulkokoolit saa lyötyä jatkovarren avulla toisesta päästä lyömällä, sen verran niissä on reunaa "ulkona", uuden asennus kannattaa aloittaa rasvaamalla muoviputken pää ja lyödä se varovasti paikoilleen, sitten ulkokoolit, menevät aika nätisti sopivalla hylsyllä naputtemalla paikoilleen, ja sitten niiden sisäkoolien ja putken kanssa tarkkana, koska uudessa putkessa oli kohouma rajoittamassa liikettä, eli ensin toiseen päähän laakeri varovasti paikoilleen ja vaikka laakerit ovat uudet niin reilu rasvaus ei tee niille pahaa,putki laakerin kanssa paikoilleen toisesta päästä, itse laitoin tässä vaiheessa toisen pään laakerin sen verran kuin se käsipelillä meni, stefat naputtemalla paikoilleen ja sen jälkeen metalliholkit, sitten etsin tallistä 10mm kierretankoa, siihen isot aluslevyt ja mutterit, tanko putken läpi, rikat ottamaan kiinni metalliholkkiin ja varovasti muttereita kiristämällä puristin laakerin holkkeineen lopullisesti paikoilleen, tukivarsi takaisin päinvastaisessa järjestyksessä tosin tuon lämmön saa jättää pois, itse laitoin noihin juuttuviin osiin kerroksen kuparipastaa helpottamaan seuraavaa purkua.


Poissa
   
 
 Viestin otsikko: Re: Takatukivarren laakerien uusiminen C-vitoseen
ViestiLähetetty: 18.09.2014 19:35 
Käyttäjän avatar

Viestit: 4706
Paikkakunta: 05460 Hyvinkää
mihis jätit ne säätölevyt ;)


Poissa
   
 
 Viestin otsikko: Re: Takatukivarren laakerien uusiminen C-vitoseen
ViestiLähetetty: 18.09.2014 20:32 

Viestit: 6
Siellähän ne ovat uloimman laakerin etupuolella, tuolta netin ihmeellisestä maailmasta löytyvästä osakuvasta se näkyisi olevan niille se oikea paikka, eli laakerin ja päätyholkin välissä. http://i630.photobucket.com/albums/uu29 ... nshot2.jpg[url][/url]


Poissa
   
 
 Viestin otsikko: Re: Takatukivarren laakerien uusiminen C-vitoseen
ViestiLähetetty: 18.09.2014 21:18 
Käyttäjän avatar

Viestit: 2219
Paikkakunta: Laukaa
kokemjne kirjoitti:
mihis jätit ne säätölevyt ;)

Säätölevyn pois jättäminen ei ole niin suuri vahinko, kuin sen tunkeminen hiukan nihkeästi paikoilleen asettuneiden laakereiden liian tiukaksi kiilaamiseksi. Jätetäänhän kartiorullalaakerit hiukan löysälle pyöränlaakereissakin.

Hyttike1 on oikealla asialla kun kertoilee seikkaperäisesti tekemänsä remontin työvaiheita. Aina niistä joku saa vinkkiä ja rohkeutta tehdä ko. operaation tarpeen tullen omaan kulkineensa. :)



Citroen Bx 19 Millesime -92 aut., Bx 19 TZI farm -92.
Vw K70L -72 museorek., mopedi Crescent Topper -67 museorek., Yamaha 80 Ygs-1 -71 museorek.
Poissa
   
 
 Viestin otsikko: Re: Takatukivarren laakerien uusiminen C-vitoseen
ViestiLähetetty: 22.09.2014 11:24 

Viestit: 62
Kiitos seikkaperäisestä ohjeesta ja ei näköjään tarvitse hitsailla mitään niinkuin muissa ohjeissa on neuvottu.

Nuo välyksen säätöprikat: kuink apaksuja ja mihin väliin? Mikä siis on oikea lukuarvo välykselle ja mistä mitattuna?



2x C5 2,0 & 3,0 korimallina farmari, polttoaineena bensiini ja vaihteistona automaatti. Vuosikerrat 2006 ja 2007.
Poissa
   
 
 Viestin otsikko: Re: Takatukivarren laakerien uusiminen C-vitoseen
ViestiLähetetty: 23.09.2014 08:45 

Viestit: 4467
Paikkakunta: Paimio
Seuraavaa avaamiskertaa helpottaa, myös BX, Xantia, kun pitkäpultti on vähän löysätty pyöriäkseen helposti. Pyöritellään ulkopuolelta ja sisäpuolen kierteet "sorvataan" puukon kärjellä, ruosteet pois. Loppuavaus siten helpompaa. Kasauksen jällkeen kierteeseen jotain tervaa ja ja muoviletkun pätkä päälle. Tämä konsti sopii hyvin mm. etupään koiranluihin...


Poissa
   
 
 Viestin otsikko: Re: Takatukivarren laakerien uusiminen C-vitoseen
ViestiLähetetty: 23.09.2014 15:32 

Viestit: 6
Otin nuo levyt suoraan vanhoista tukivarsista talteen ja kun ei välystä tuntunut paikallaan ollessa mihinkään suuntaan niin eiköhän ne aika lähelle sopivat ole, tukivarsi oli hieman napakka menemään paikalleen, mutta käsipelissä sen sinne kumminkin sai, ja tuossa on kuvalinkki http://s630.photobucket.com/user/tullyc ... .htmljosta näet niiden säätölevyjen paikan osa numero kahdeksan.


Poissa
   
 
 Viestin otsikko: Re: Takatukivarren laakerien uusiminen C-vitoseen
ViestiLähetetty: 23.09.2014 15:33 

Viestit: 6
http://s630.photobucket.com/user/tullyc ... 2.jpg.html
otetaanpa linkki uusiksi =(


Poissa
   
 
Näytä viestit ajalta:  Järjestä  
 Sivu 1/1 [ 8 viestiä ] 


Paikallaolijat

Käyttäjiä lukemassa tätä aluetta: Ei rekisteröityneitä käyttäjiä ja 5 vierailijaa


Kaikki ajat ovat UTC + 2 tuntia [ DST ]


Et voi kirjoittaa uusia viestejä
Et voi vastata viestiketjuihin
Et voi muokata omia viestejäsi
Et voi poistaa omia vestejäsi
Et voi lähettää liitetiedostoja.

Etsi tätä:
Hyppää: