Kaikki ajat ovat UTC + 2 tuntia [ DST ]




 Sivu 1/1 [ 25 viestiä ] 
Kirjoittaja Viesti
 Viestin otsikko: XM valo-ongelma
ViestiLähetetty: 26.11.2014 11:46 

Viestit: 181
Xm 2,1 td-98 ollessa käynnissä/virta-avaimen ollessa "M" asennossa eivät mittarinvalot eikä takavalot toimi. Jos avaimen kääntää takaisinpäin "A" asentoon toimivat valot normaalisti. Lieneekö virtalukossa vika vai releissä?


Poissa
   
 
 Viestin otsikko: Re: XM valo-ongelma
ViestiLähetetty: 26.11.2014 17:22 
Käyttäjän avatar

Viestit: 3152
Paikkakunta: Korpilahti

Profiili WWW
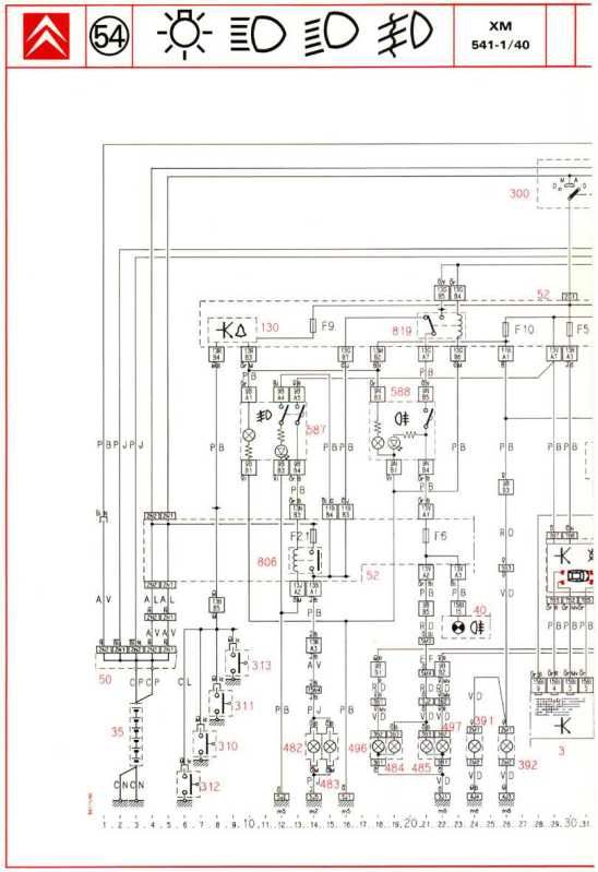
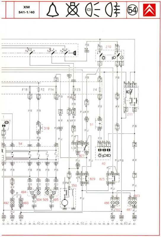
Releissä, vänkärin puolella umpion takana.

KuvaKuva

KuvaKuva
Tarkemmin, releet 825, 827 ja 829. Uskaltaisin väittää 100% varmuudella vian majailevan releissä... :roll:


Höh, esikatselussa näyttää nuo viereiset sivut vierekkäin, lähetettynä ei niinkään... :(



Dyane 4x4 IE, Sm 2.7, Dyane IE, C8 2.2
Series -LantikanPätkä
Poissa
   
 
 Viestin otsikko: Re: XM valo-ongelma
ViestiLähetetty: 27.11.2014 17:39 

Viestit: 181
Kiitti vinkistä ja kaavioista. Sieltä vänkärin puolen releestä löytyi yksi palanut "kanta". Eiköhän se siinä


Poissa
   
 
 Viestin otsikko: Re: XM valo-ongelma
ViestiLähetetty: 27.11.2014 17:44 
Käyttäjän avatar

Viestit: 3152
Paikkakunta: Korpilahti

Profiili WWW
Kuva
Tällaista löysin omasta -92 yksilöstä, valomuistin releitä nämä. Takavalot "hävisivät, samaten parkit edestä, satunnaisesti. Moottorin ollessa käynnissä, noita piuhoja heiluttaessa valot saattoivat löytyäkin, ikävämpi ylläri oli että starttiakin yritti satunnaisesti pyörittää...

Kummasti häiriöt poistui kun laittoi uusiks sekä releet että kannat, piuhat oli yllättäen vielä hapettumattomia...



Dyane 4x4 IE, Sm 2.7, Dyane IE, C8 2.2
Series -LantikanPätkä
Poissa
   
 
 Viestin otsikko: Re: XM valo-ongelma
ViestiLähetetty: 27.11.2014 19:30 

Viestit: 566
Paikkakunta: Viitasaari
Kivasti sotkee valo-juttuja ne alennetulla jänniteellä toimivat "päivävalot". Ovat kytketty vastuksen kautta, jolloin ei oikein tahdo mittarilla löytyä oikeaa johtoa, jos ei polttimoiden kuorma ole piirissä mukana. Itselle osui yksilö, johon oli "ihan-ite-sähkäri" osunut jossain vaiheessa. :(

Vaikka XM:ssä taitaa olla valittavina vähemmän ja enemmän himmeät valot :lol:


Poissa
   
 
 Viestin otsikko: Re: XM valo-ongelma
ViestiLähetetty: 27.11.2014 19:55 
Käyttäjän avatar

Viestit: 3152
Paikkakunta: Korpilahti

Profiili WWW
XM Break kirjoitti:
Kivasti sotkee valo-juttuja ne alennetulla jänniteellä toimivat "päivävalot". Ovat kytketty vastuksen kautta, jolloin ei oikein tahdo mittarilla löytyä oikeaa johtoa, jos ei polttimoiden kuorma ole piirissä mukana. Itselle osui yksilö, johon oli "ihan-ite-sähkäri" osunut jossain vaiheessa. :(

Vaikka XM:ssä taitaa olla valittavina vähemmän ja enemmän himmeät valot :lol:

Xm:ssä "päivävaloissa" eli valoautomatiikan kytkeminä vastuksella alennettu jännite? Epäilen, vahvasti väitän että ei ole. Ainakaan sellaista ei ole vielä tähän mennessä tullut vastaan, ei sähkökuvista eikä pengotuista yksilöistä. Yhden valomuistillisen sähköt tuli käytyä aika tarkkaan läpi, vaihdettua kaikki piuhat akun ja polttimoiden välille, ja sitä piuhaa oli enemmänkin kuin tarpeeksi...

Muissa tuollaisia onkin ollut, mutta ainoa Sitikka mistä tällaisen olen löytänyt, on ihan viimeisten joukossa ollut 2cv6 Charleston, joissa tuntuu ainakin Brittien puheiden mukaan ongelmana olla tuon alennetun jännitteen systeemit, vastus happanee ja releenkannat käyttäytyy Xm:n relekantojen tapaisesti...

Uskon toki, jos näytät, mutta toistaiseksi vastaani tulleilla kokemuksilla, niin en ainakaan vielä usko...



Dyane 4x4 IE, Sm 2.7, Dyane IE, C8 2.2
Series -LantikanPätkä
Poissa
   
 
 Viestin otsikko: Re: XM valo-ongelma
ViestiLähetetty: 27.11.2014 20:57 

Viestit: 566
Paikkakunta: Viitasaari
Ikuinen vastarannan Jasu...

Se vastushässäkkä löytyy vasemman puoleisten valojen liki.

Taitaa löytyä lontoon murteella kytkentäkaavioista Dim-Dip 8-)


Poissa
   
 
 Viestin otsikko: Re: XM valo-ongelma
ViestiLähetetty: 27.11.2014 21:20 
Käyttäjän avatar

Viestit: 3152
Paikkakunta: Korpilahti

Profiili WWW
XM Break kirjoitti:
Ikuinen vastarannan Jasu...

Se vastushässäkkä löytyy vasemman puoleisten valojen liki.

Taitaa löytyä lontoon murteella kytkentäkaavioista Dim-Dip 8-)

Ei löydy. Ei kytkentäkaaviosta, eikä autosta, ainakaan näistä mitä löytänyt olen, Xm:n kohtalta...

2cv:n kohdalta tuon Dim-Dip -jutun olen löytänyt, mutta 2cv ei ole Xm...

Jos tällainen on ikuista vastarantaisuutta, ettei hyväksy omaa kokemustaan vastaisesti vain yhdeltä taholta väitettyä asiaa, niin olkoon. Siksi pyysin näyttämään, joko kaaviosta tai sitten kuvana autossaolevasta osasta, että lisäisi väitteen uskottavuutta. Siihen asti olen saamani tiedon varassa, ja edelleen seison väitteeni takana...



Dyane 4x4 IE, Sm 2.7, Dyane IE, C8 2.2
Series -LantikanPätkä
Poissa
   
 
 Viestin otsikko: Re: XM valo-ongelma
ViestiLähetetty: 27.11.2014 21:39 
Käyttäjän avatar

Viestit: 2644
Paikkakunta: Päijät-Häme
Liekö Englannista uitettu Ämmä sitten, niissähän tuo vastushässäkkä on ollut ihan Beksiä myöten.



2x C5HDi Break erikoppaset, 2x Xantia Bk 19TD Aut & 2.0HDi, 3x BX 19 TZi Vaninaihio (2xAut), BX Van 18TD, BX4WD Break, BX Van D projekt, InvaBX 16TRS Aut; 3x2CV6. 2xVisa14TRS; XM 2,5TD Break; BX 18TD Break Aut + BX Van D Aut+XM 2,5TD BK
Poissa
   
 
 Viestin otsikko: Re: XM valo-ongelma
ViestiLähetetty: 27.11.2014 22:17 

Viestit: 566
Paikkakunta: Viitasaari
Taitaa myös löytyä Ruotsista....

Ei kun XM-omistajat yleismittarin kanssa mittaamaan ajovalojen jännitettä valonvaihtimen eri asennoissa ;)


Poissa
   
 
 Viestin otsikko: Re: XM valo-ongelma
ViestiLähetetty: 27.11.2014 22:28 
Käyttäjän avatar

Viestit: 2644
Paikkakunta: Päijät-Häme
No se jännitehän ei kerro mitään vastuspaketin olemassaolosta, päivävaloasennossa se saattaa olla jopa korkeampi, kiitos releiden :D Pakkovaloasennossa kierretään katkaisijan kautta (jolloin vastus on pidemmissä johtimissa)..



2x C5HDi Break erikoppaset, 2x Xantia Bk 19TD Aut & 2.0HDi, 3x BX 19 TZi Vaninaihio (2xAut), BX Van 18TD, BX4WD Break, BX Van D projekt, InvaBX 16TRS Aut; 3x2CV6. 2xVisa14TRS; XM 2,5TD Break; BX 18TD Break Aut + BX Van D Aut+XM 2,5TD BK
Poissa
   
 
 Viestin otsikko: Re: XM valo-ongelma
ViestiLähetetty: 27.11.2014 22:55 

Viestit: 566
Paikkakunta: Viitasaari
Trust me... KYLLÄ KERTOO!!! :lol:


Poissa
   
 
 Viestin otsikko: Re: XM valo-ongelma
ViestiLähetetty: 27.11.2014 23:08 
Käyttäjän avatar

Viestit: 3152
Paikkakunta: Korpilahti

Profiili WWW
XM Break kirjoitti:
Trust me... KYLLÄ KERTOO!!! :lol:

Ei, vaan se kertoo että valokatkaisijan toisessa asennossa jännitettä polttimoille tulee enemmän kuin toisessa, sitä se ei kerro missä se jännitehäviö tapahtuu, johdoissa, liittimissä mahdollisessa sarjavastuksessa jne...

Edelleen, onko mitään väitteen tueksi? Ylhäällä olevasta kuvasta ei sellaista löydy, ei myöskään osasijoittelukaaviosta, eikä Haynesin kirjasta edes sen Brittiläisyyden ansiosta. Tähän mennessä "sormeiltuja" yksilöitä, yksi -90 ja pari -92 autoa joissa valomuisti, sekä kolme -94 Y3 sekä yksi -94 Y4 yksilöt, lisättynä -98 Y4 mallisella. Mikään näistä ei mainittua vastusta sisältänyt. Voisitko siis ystävällisesti esittää esim. kuvan, joko autossa olevasta osasta tai sähkökaaviosta ko. osan kanssa..?

Enempää en jaksa vääntää asiasta, kantani lie asiaan on jo aika selvä. Eikä se muutu vain sillä että "mun mielestä sellanen on", "ehkä Brittiversiossa" ja "taitaa myös löytyä Ruotsista" -lausahduksilla. Palaan juttuun jos uutta asiassa ilmenee...



Dyane 4x4 IE, Sm 2.7, Dyane IE, C8 2.2
Series -LantikanPätkä
Poissa
   
 
 Viestin otsikko: Re: XM valo-ongelma
ViestiLähetetty: 28.11.2014 00:25 
Käyttäjän avatar

Viestit: 1203
Paikkakunta: Ilmajoki

Profiili WWW
XM:ssä ei ole alennusvastusta valoissa.


Poissa
   
 
 Viestin otsikko: Re: XM valo-ongelma
ViestiLähetetty: 28.11.2014 07:47 

Viestit: 566
Paikkakunta: Viitasaari
On se sitten hienoa, että olematonta osaa myydään noin 40€:n hintaan.

Pitää olla kytkimet aika loppu, jos pari volttia häviää matkalla :lol:


Poissa
   
 
 Viestin otsikko: Re: XM valo-ongelma
ViestiLähetetty: 28.11.2014 08:55 

Viestit: 4467
Paikkakunta: Paimio
Jos kytkimessä häviää pari volttia, niin kyllä pitäisi sauhun nousta, kytkimestä. Ajovalokoskettimen tehohäviö voisi olla luokkaa 20W. Sillä lämmittää mukavasti pienen paketin. Jos valokytkimen kimppuun pääsee yleismittarilla, niin mittaa jännitteen koskettimen tulo- ja lähtöpuolelta. Jos OK, niin jännite-eroa ei ole. Vastaavasti voi mitata akulta lähtien: akun plus-napaa vasten mitataan jännitteitä eri kohdista ao. virtareittiä. Niin kauan, kun mitään isompaa jännitettä ei näy, ok. Jossain välissä sitten tipahtaa?, valokytkimen, sulakkeiden jälkeen, polttimolla. Tämän reitin johdotus, sen häviöt voi olla yksi syy.


Poissa
   
 
 Viestin otsikko: Re: XM valo-ongelma
ViestiLähetetty: 28.11.2014 09:59 
Käyttäjän avatar

Viestit: 1203
Paikkakunta: Ilmajoki

Profiili WWW
XM Break kirjoitti:
On se sitten hienoa, että olematonta osaa myydään noin 40€:n hintaan.

Pitää olla kytkimet aika loppu, jos pari volttia häviää matkalla :lol:

Missä moista myydään? Kyllä hiiltynyt pistoke sen 2 volttia hävittää.


Poissa
   
 
 Viestin otsikko: Re: XM valo-ongelma
ViestiLähetetty: 28.11.2014 11:30 
Käyttäjän avatar

Viestit: 1719
Paikkakunta: Korpilahti
eikä tarvitse olla edes kovin hiiltynyt, kun linjassa on useita liitoksia, ja niihin tulee hapettumaa, sitten kun yrittää tunkea amppeereita läpi, jää helposti muutama voltti ylimenovastukseen...

XM:n umpiossa (ainakin Y3:n) on vielä se riviliitin umpiossa, jossa menee omat (+)-linjansa kaukovalolle ja oma lyhkäsille, mutta yhteinen maa (-) -linja, niin se maa-linjan kontakti on kovilla, itsellä järjestään tummunut ja jossakin joutunut ohittamaan sen. (erillisiä himmennysvastuksia en ole noissa omissa -90 valmistuneissa kohdannut).



CX 25 TRD Turbo2 Break "TummaTRD", CX 25 GTI Turbo2, XM V6 "MustaKuukka", MG ZS Luxury -22
Varalla: CX 25 Break "UA2", CX 25 GTI Turbo2, CX 25 TRD Turbo2 Break "UA"
Veturi: Discovery2
Poissa
   
 
 Viestin otsikko: Re: XM valo-ongelma
ViestiLähetetty: 28.11.2014 14:27 
Käyttäjän avatar

Viestit: 3152
Paikkakunta: Korpilahti

Profiili WWW
Vielä aiheesta vähäsen, ei malta vielä lopettaa... :lol:

XM Break kirjoitti:
On se sitten hienoa, että olematonta osaa myydään noin 40€:n hintaan.

Missä? Ebay tuntee kyllä "Dim-Dip" -hakusanalla releen, mutta kyseessä on ihan tavallinen nelinapainen sulkeva rele. Pitäisi löytyä myös tehovastus jolla polttimoiden jännitettä alennetaan. Tätä asiaa on näemmä pohdittu ihan paljon myös Brittisivustoillakin, josta löytyi tällaista juttuakin..:

Lainaa:
To the best of my knowledge (and that of others) there was never a dim-dip on the XM as the EU regulations were surely changed by then and this was not required any longer


Lainaa:
Other citroens have the dimdip resistor mounted in the engine bay.I think the cx and bx do, but the XM,well where the dimdip unit is remains a mystery at the moment.

Eli, ovat Sumujen Saarillakin moista etsineet, mutta löytymättä on jäänyt...


Asiaa saattaa sekoittaa mm. valoautomatiikan releistä käytetyt nimikkeet, mainituista kolmesta releestä..:

825- Dipped beams relay
827- Dipped beams relay or Dim-dip
829- Side and tail lamps relay (day time)

Vapaasti kääntäen..:

825- Lähivalojen rele
827- Lähivalojen rele tai himmennetyt lähivalot (käännöksestä saa olla montaakin mieltä, vaikea lyhyesti kääntää)
829- Ajovalojen rele (valomuisti)

Huomataan myös tuo or/tai -sana tuolla 827 -releen tekstissä. Täytyy vielä muistaa mitä ajovaloilla tarkoitetaan, ne on kansankielessä parkkivalot...

Nuo englanninkieliset tekstit on tullut löydettyä Xm:n sähkökaavioiden seasta, listattuna kaikki numerolla merkityt sähköosat. Vastaavansisältöiset tekstit löytyy myös Ranskankielisestä listauksesta, käännöskoneella sisältö pysyy samana...




Vielä tästä väittelystä, olisi kovin tylsää jos olisin vain sanonut että "ei ole", ilman perusteluja. Aika hedelmätöntä on tällainen keskustelu, mitä Viitasaaren suunnalta on tullut, väite ilman mitään konkreettista näyttöä. Ilmeisesti on kovin vaikeaa myöntää että oli väärän mielikuvan omaava asiassa, myönnän että se tekee joskus kipeää. Tuskin on liikaa pyydetty edes sähkökuvan esillelaittamisen, jos kerran sellainen on olemassa, siinä tapauksessa olen valmis kantani muuttamaan. Miten on, jatketaanko vai lukitaanko vastaus "ei ole"..?



Dyane 4x4 IE, Sm 2.7, Dyane IE, C8 2.2
Series -LantikanPätkä
Poissa
   
 
 Viestin otsikko: Re: XM valo-ongelma
ViestiLähetetty: 28.11.2014 17:35 

Viestit: 566
Paikkakunta: Viitasaari
Ei se relekään ole ihan tavallinen. :D

Eikä minulla varmaankaan ole ollutkaan XM:ääkään. Luulen vain korjanneeni siitä ihmeellisä vikoja. :(

Ei pitäisi laittaa mitään paaliin. Olisin käynyt kaivamassa "himmentimen" esille.

Samalla aukottomalla Jasu-logiikalla kaikissa XM:issä on ilmastointi ja diesel-moottori, kun kerran tällainen on minulla ollut. Muunlaisihan ei voi olla olemassa. :roll:

Näistäkin löytyy kytkentäkaaviot ;)


Poissa
   
 
 Viestin otsikko: Re: XM valo-ongelma
ViestiLähetetty: 28.11.2014 18:21 
Käyttäjän avatar

Viestit: 3152
Paikkakunta: Korpilahti

Profiili WWW
XM Break kirjoitti:
Ei se relekään ole ihan tavallinen. :D

Eikä minulla varmaankaan ole ollutkaan XM:ääkään. Luulen vain korjanneeni siitä ihmeellisä vikoja. :(

Ei pitäisi laittaa mitään paaliin. Olisin käynyt kaivamassa "himmentimen" esille.

Samalla aukottomalla Jasu-logiikalla kaikissa XM:issä on ilmastointi ja diesel-moottori, kun kerran tällainen on minulla ollut. Muunlaisihan ei voi olla olemassa. :roll:

Näistäkin löytyy kytkentäkaaviot ;)

Taas kerran ei, moneen kohtaan...

Releestä en sen enempää tiedä, muuta kuin sen mitä myynti-ilmoituksen kuvasta voi nähdä.

Olen Xm:si nähnyt, sitä en kiistä, enkä ymmärtääkseni ole edes asettanut epäilyksenalaiseksi?

Tätä logiikkaa dieselin ja ilmastoinnin suhteen en taas edes yritä ymmärtää, tuo alkaa kuulostaa ihan oikeasti vittuilulta.

Ja ne kytkentäkaaviot. Mistä löytyy? Moneskohan kerta kun pyydän nähtäväksi tässä ketjussa? No, jos on mennyt ohi, niin pyydän jälleen. Saisinko nähtäväksi kytkentäkaavion mistä moinen löytyy?


Kuten ehkä huomannet, en ole edes ainoa joka on tässä ketjussa väittänyt ettei himmennettyjä valoja Xm:stä löytyisi. Se että sellaisia on muissa malleissa ollut, ei tarkoita automaattisesti että myös Xm:ssä olisi.




Ja sitten ihan aiheen ulkopuolelta. Uskottavuutesi silmissäni on aika vähissä, useista pyynnöistä huolimatta et halua esittää kytkentäkaavioita minkä sanot olevan olemassa. Muutakin koettua olisi, kaupankäyntiin liittyen, mutta sen ei lie tarvinne julkista olla..?

Joten, eiköhän lopeteta tämä, jos ei kuvia ole esittää. Se että Ebayssä on myynnissä jotain tuolla nimikkeellä, ei tarkoita että todellisuudessa sellaista edes olisi. Ikävä kyllä, monet osia myyvät eivät vain tiedä mitä oikeasti ovat myymässä, oletetaan jotakin mikä isosti poikkeaa todellisuudesta...



Kiitos ja anteeksi kaikille tästä aivan turhasta p*skanjauhannasta. Silti, edelleen, seison sanojeni takana, ja mikäli poikkeavaa tietoa löytyy niin sitten seison korjattuna, tähän asti saadun tiedon valossa Xm:ssä ei ole "Dim-dip" -ajovalokytkentää...



Dyane 4x4 IE, Sm 2.7, Dyane IE, C8 2.2
Series -LantikanPätkä
Poissa
   
 
 Viestin otsikko: Re: XM valo-ongelma
ViestiLähetetty: 28.11.2014 18:38 

Viestit: 5124
jasu kirjoitti:
Vielä aiheesta vähäsen, ei malta vielä lopettaa... :lol:

XM Break kirjoitti:
On se sitten hienoa, että olematonta osaa myydään noin 40€:n hintaan.

Missä? Ebay tuntee kyllä "Dim-Dip" -hakusanalla releen, mutta kyseessä on ihan tavallinen nelinapainen sulkeva rele. Pitäisi löytyä myös tehovastus jolla polttimoiden jännitettä alennetaan. Tätä asiaa on näemmä pohdittu ihan paljon myös Brittisivustoillakin, josta löytyi tällaista juttuakin..:

Lainaa:
To the best of my knowledge (and that of others) there was never a dim-dip on the XM as the EU regulations were surely changed by then and this was not required any longer


Lainaa:
Other citroens have the dimdip resistor mounted in the engine bay.I think the cx and bx do, but the XM,well where the dimdip unit is remains a mystery at the moment.

Eli, ovat Sumujen Saarillakin moista etsineet, mutta löytymättä on jäänyt...


Mutta toisaalta siellä (melko pian noiden yo. lainausten alla) yksi kaveri väittää löytäneensä mainiten kytkisten tiedotkin, en sitten yhtään tiedä totuuden määrää tuon taustalla, mutta ilmeisesti vain ekoissa parissa vuosimallissa::
Lainaa:
am delighted with the insistence of DareenB that there is a dim-dip unit on the early XMs because it made me spend a lot of time going through dozens of wiring diagrams. Eventually I found it!!! There is a relay shown as 827 on the offside (RH) (wing?) area. It may even be in the ECU box. In that area is the dipped beam relay. Locate that and you are in the right area. It is a 5-pin relay with one terminal wired to the dipped beam resistance which provides the "dim" effect. This is shown as 838 on the wiring diagram.
This wiring system is shown on diagrams in the range 541-2/20 or 541-2/30 or come to me for a copy.

http://www.citroencarclub.org.uk/drupal ... .php?p=784


Poissa
   
 
 Viestin otsikko: Re: XM valo-ongelma
ViestiLähetetty: 28.11.2014 18:49 
Käyttäjän avatar

Viestit: 3152
Paikkakunta: Korpilahti

Profiili WWW
olli__o kirjoitti:
Mutta toisaalta siellä (melko pian noiden yo. lainausten alla) yksi kaveri väittää löytäneensä mainiten kytkisten tiedotkin, en sitten yhtään tiedä totuuden määrää tuon taustalla, mutta ilmeisesti vain ekoissa parissa vuosimallissa::
Lainaa:
am delighted with the insistence of DareenB that there is a dim-dip unit on the early XMs because it made me spend a lot of time going through dozens of wiring diagrams. Eventually I found it!!! There is a relay shown as 827 on the offside (RH) (wing?) area. It may even be in the ECU box. In that area is the dipped beam relay. Locate that and you are in the right area. It is a 5-pin relay with one terminal wired to the dipped beam resistance which provides the "dim" effect. This is shown as 838 on the wiring diagram.
This wiring system is shown on diagrams in the range 541-2/20 or 541-2/30 or come to me for a copy.

http://www.citroencarclub.org.uk/drupal ... .php?p=784

Jep, tuonkin huomasin, mutta pari muttaa kuitenkin:

-tuolla numerolla olevaan kytkentäkaaviota en ole pystynyt löytämään
-rele no. 827 on toki käytössä näissäkin mitä ropannut olen, mutta sitäkin kautta kulkee täydet sähköt, ilman vastusta
-osa no. 838, sellaista en ole (vielä) onnistunut löytämään, ja sille numerolle listaus antaa toiminnon "Automatic gearbox idling speed relay"

Ja tosiaan, varsin perusteellisesti tuli perattua -90 pohjoismaisella varustelulla olleen sähköt, olisi kyllä tullut esille jos olisi vastus jossainpäin keulaa ollut. Kun kaikki johdotukset meni vaihdettavaksi. Myöskään varaosa-autosta, mistä johtosarjat jne purettiin, ei tällaisia tullut vastaan. Kuten myöskään näissä kahdessa -92 pohjoismaisella varustelulla olleista, en löytänyt ole.

Alkaa mennä jo vähän periaatteelliselle tasolle, mutta odotan edelleen kuvaa nähtäväksi. Jankutusta? Ehkä. "Vastarannankiiskeilyä"? En niinkään sanoisi, väittäisin ennemmin sen vastarannan sijaitsevan tässä keskustelussa tuolla Viitasaarella... :roll:


Tietoja tahi kuvia odotellessa, katsellaan...



Dyane 4x4 IE, Sm 2.7, Dyane IE, C8 2.2
Series -LantikanPätkä
Poissa
   
 
 Viestin otsikko: Re: XM valo-ongelma
ViestiLähetetty: 28.11.2014 19:25 

Viestit: 5124
jasu kirjoitti:
Jep, tuonkin huomasin, mutta pari muttaa kuitenkin:

-tuolla numerolla olevaan kytkentäkaaviota en ole pystynyt löytämään
-rele no. 827 on toki käytössä näissäkin mitä ropannut olen, mutta sitäkin kautta kulkee täydet sähköt, ilman vastusta
-osa no. 838, sellaista en ole (vielä) onnistunut löytämään, ja sille numerolle listaus antaa toiminnon "Automatic gearbox idling speed relay"

Jeps, ei ole noita kuvia minullakaan, eikä englantilaista XM:ää,
858 Dipped beams resistance (dim-dip), mutta ei tuosta 838:sta kauhean kauas osu oikea numerokaan?


Poissa
   
 
 Viestin otsikko: Re: XM valo-ongelma
ViestiLähetetty: 28.11.2014 20:31 

Viestit: 566
Paikkakunta: Viitasaari
Kuitataan sitten tuo kaupankäyntikin Jasulle.

Hinnat kuin kiekkoammunnassa, ei kahta kertaa samaa....


Poissa
   
 
Näytä viestit ajalta:  Järjestä  
 Sivu 1/1 [ 25 viestiä ] 


Paikallaolijat

Käyttäjiä lukemassa tätä aluetta: Ei rekisteröityneitä käyttäjiä ja 5 vierailijaa


Kaikki ajat ovat UTC + 2 tuntia [ DST ]


Et voi kirjoittaa uusia viestejä
Et voi vastata viestiketjuihin
Et voi muokata omia viestejäsi
Et voi poistaa omia vestejäsi
Et voi lähettää liitetiedostoja.

Etsi tätä:
Hyppää: