Kaikki ajat ovat UTC + 2 tuntia [ DST ]




 Sivu 1/1 [ 12 viestiä ] 
Kirjoittaja Viesti
 Viestin otsikko: Xsara taka-akselin sivussa oleva "laatta"?
ViestiLähetetty: 17.06.2015 19:27 

Viestit: 218
Mikä tuo laatta on?

On päässyt tippumaan ruuvi siitä, ja nyt roikkuu sen takia käsijarruvaijeri, jarruputki ja abs-johto, sekä laatta on vinossa, en saa reikiä kohdakkain, sillä se pyrkii ylöspäin niin kovasti.



Kuva


Poissa
   
 
 Viestin otsikko: Re: Xsara taka-akselin sivussa oleva "laatta"?
ViestiLähetetty: 17.06.2015 19:46 

Viestit: 218
DtiJ kirjoitti:
Mikä tuo laatta on?

On päässyt tippumaan ruuvi siitä, ja nyt roikkuu sen takia käsijarruvaijeri, jarruputki ja abs-johto, sekä laatta on vinossa, en saa reikiä kohdakkain, sillä se pyrkii ylöspäin niin kovasti.

Mihin tuo vaikuttaa? Tuntuu niin kova jännitys siinä olevan päällä...

Kuva


Poissa
   
 
 Viestin otsikko: Re: Xsara taka-akselin sivussa oleva "laatta"?
ViestiLähetetty: 17.06.2015 20:10 

Viestit: 1219
Paikkakunta: Ulvila
Vaikee sanoo näin pienestä kuvasta, mutta onkohan kyseessä takatukivarsi ? tää on tämmönen arvauskilpailun tapainen kysymys. Hahmota nyt ongelmaa vähän enemmän. Kuvasta näkyy (mielestäni) pyörän akseli vai ?


Poissa
   
 
 Viestin otsikko: Re: Xsara taka-akselin sivussa oleva "laatta"?
ViestiLähetetty: 17.06.2015 20:11 
Käyttäjän avatar

Viestit: 4073
Paikkakunta: Eteläkärki
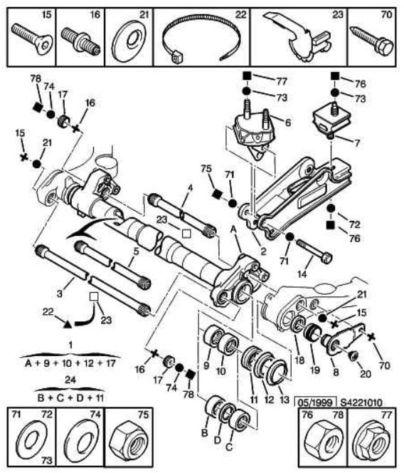
Kallistuksenvakaajan kiinnikelaatta. Akseliputken sisällä oleva vakaajatanko on kiinni laatan etupäässä.
Kuvassa numero 5 on vakaaja. 3 ja 4 takajouset-


Liitteet:
2015-06-17 20_10_07-XSARA - 0500 03 422101 - SUSP CROSSMEMBR TORSION BAR RECESS DOOR.jpg
2015-06-17 20_10_07-XSARA - 0500 03 422101 - SUSP CROSSMEMBR TORSION BAR RECESS DOOR.jpg [ 81.04 KiB | Katsottu 5777 kertaa ]

"Pitäähän miehellä leluja olla..."
C5 2.0 HDi -11, Seat León eHybrid -21
Poissa
   
 
 Viestin otsikko: Re: Xsara taka-akselin sivussa oleva "laatta"?
ViestiLähetetty: 17.06.2015 20:16 

Viestit: 218
Kuva

Näkyykö nyt paremmin? klikkaa kuvasta isommaksi.

Niin eli siis tuosta vihreän nuolen osoittemasta kohdasta on ruuvi karannut.

Akseli on tosiaan ylösalaisin tuossa kuvassa, pahoittelut.

Eli siis mikä tuon sinisellä erotetun n. 5mm paksun rautakappaleen tarkoitus on. Jäykiste? Vai onko se kallistuksenvakajaan osa, vai miksi se liikkuu ylös/alas eikä tahdo löytää paikkaansa enää, jotta saisin uuden ruuvin laitettua..?


Poissa
   
 
 Viestin otsikko: Re: Xsara taka-akselin sivussa oleva "laatta"?
ViestiLähetetty: 17.06.2015 20:18 

Viestit: 218
Ok eli se täytyisi saada siis ehdottomasti kiinni takaisin... Eihän kallistuksen vakaaja oikein toimi jos tuo on irti?


Poissa
   
 
 Viestin otsikko: Re: Xsara taka-akselin sivussa oleva "laatta"?
ViestiLähetetty: 17.06.2015 20:44 

Viestit: 5197
Ilmeisesti tuo taka-akseli on irtonaisena, eli kumpikaan puoli ei kampea maatavasten tai muuten ole vääntöä tukivarteen? Eikös laatta välitä tukivarren liikkeen kallistuksenvaimentimelle, eli kuuluisi vääntää vain jos toinen puoli (tukivarsi) on eri asennossa kuin toinen.

Mitä akselille on tehty, onko eri puolten vääntösauvat samassa asennossa kuin alkujaan, nekin voisi kai aiheuttaa että jompi kumpi kampeaa vinoon.
En tiedä, mutta sopiiko tuo laatta eri asennoissa kallistuksenvaimentimen booreihin, eli löytyykö toinen asento, jossa ei kampeaisi?


Poissa
   
 
 Viestin otsikko: Re: Xsara taka-akselin sivussa oleva "laatta"?
ViestiLähetetty: 17.06.2015 21:03 

Viestit: 1219
Paikkakunta: Ulvila
Näyttää ihan että on tavallinen jarruputkenpidike. En osta arpaa tähän arvontaan. Kuvastava "putki " näyttää jarruputkelta,en tiä.


Poissa
   
 
 Viestin otsikko: Re: Xsara taka-akselin sivussa oleva "laatta"?
ViestiLähetetty: 17.06.2015 22:03 

Viestit: 566
Paikkakunta: Viitasaari
Kallistuksenvakaajan momenttivarsi, kuten edellä on jo todettu. Tulee M8-pultilla kiinni kynkkään. Sen Torx-tulpan alla on paikka ulosvetoruuville.

Kannattaa laittaa paikolleen vasta kun akseli on kasattu oikeisiin pooreihin :lol:

Jos purkaa akselin mittaamatta ja / tai merkitsemättä, voipi joutua ottamaan muutaman kerran uusiksi :D :D

Kannattaa laittaa kynkät oikeisiin pooreihin (oikeaan kulmaan) ennen iskarin asentamista. Iskarin kanssa tilanne näyttää pukilla hyvältä, mutta maassa saattaa olla maavarat vähän erilaiset oikealla ja vasemmalla. :shock:

(Eroa voi pakottaa pienemmäksi vakaajalla, mutta on vähän sama kun sammuttaisi paloa laittamalla silmät kiinni.
Kaikenlaisia akselikorjauksia on tullut yllätyksenä ja pyytämättä vastaan :cry: )


Poissa
   
 
 Viestin otsikko: Re: Xsara taka-akselin sivussa oleva "laatta"?
ViestiLähetetty: 17.06.2015 23:06 

Viestit: 218
Onko tarkempaa tietoa siitä kierteestä? Onko se M8, normaalilla nousulla, ei tiheä tms?


Poissa
   
 
 Viestin otsikko: Re: Xsara taka-akselin sivussa oleva "laatta"?
ViestiLähetetty: 18.06.2015 07:46 

Viestit: 566
Paikkakunta: Viitasaari
Muistaakseni ihan normi M8. Noin 10 - 16 mm pitkä.


Poissa
   
 
 Viestin otsikko: Re: Xsara taka-akselin sivussa oleva "laatta"?
ViestiLähetetty: 18.06.2015 14:11 
Käyttäjän avatar

Viestit: 4073
Paikkakunta: Eteläkärki
Kuvassa osa 70 Servicen mukaan:

70
SELF LOCKING SELF-TAP SCREW
8X125-20

Eli vakio M8 (nousu 1,25mm), pituus 20 mm.
Käyttökohteen huomioiden lujuus voisi olla vähintään 10.9 normi 8.8:n sijasta. Näkyykö toisen puolen ruuvin kannassa merkintää?

Tuo "self tap" tarkoittaa sitä, että tuotantolinjalla ruuvi leikkaa reikään kierteen vasta akselin kokoonpanon yhteydessä.
Marmoritiskillä 3,00e/kpl :shock:



"Pitäähän miehellä leluja olla..."
C5 2.0 HDi -11, Seat León eHybrid -21
Poissa
   
 
Näytä viestit ajalta:  Järjestä  
 Sivu 1/1 [ 12 viestiä ] 


Paikallaolijat

Käyttäjiä lukemassa tätä aluetta: Ei rekisteröityneitä käyttäjiä ja 26 vierailijaa


Kaikki ajat ovat UTC + 2 tuntia [ DST ]


Et voi kirjoittaa uusia viestejä
Et voi vastata viestiketjuihin
Et voi muokata omia viestejäsi
Et voi poistaa omia vestejäsi
Et voi lähettää liitetiedostoja.

Etsi tätä:
Hyppää: