Kaikki ajat ovat UTC + 2 tuntia [ DST ]




 Sivu 1/1 [ 6 viestiä ] 
Kirjoittaja Viesti
 Viestin otsikko: Xm V6 ja sen starttiongelma, yksi ratkaisumalli
ViestiLähetetty: 13.08.2015 17:16 
Käyttäjän avatar

Viestit: 3152
Paikkakunta: Korpilahti

Profiili WWW
Pientä hankaluutta on ollut starttauksen kanssa, satunnaisesti ja ajoittain. Enimmän osan aikaa toimii kuten pitää, toisinaan taas tyytyy vain naksahtamaan, joskus ei edes sitä. Kuitenkin avaimen "härnäämisellä", odottelulla yms on tähän mennessä lähtenyt. Nyt sitten, kun kuumempaa kesää lopulta tuli, välillä temppuili jo silloinkin kun aurinko oli lämmittänyt konehuonetta, yleisimmin oire oli esillä hetki ajon jälkeen...

Laittelin jossain vaiheessa jopa merkkivalon, jonka kytkin suoraan solenoidille menevään piuhaan, valo oli hitusen himmeämpi oireen ollessa päällä, kuin oireetta toimiessaan. Tässä joku aika sitten tuli asiasta jutusteltua saman ongelman kanssa painineen kaverin kanssa, joka oli havainnut että solenoidille menevässä piuhassa kun on jännite alle 9 volttia, vikatilanne on hyvin todennäköinen, vähänkin yli 9 voltin ongelmaa ei yleensä ollut. Samansuuntainen havainto siis kuin omassani, mutta mittarilla todennettuna vrt. lamppuun...

Sellaistakin on tullut luettua/kuultua, ettei tämmöiseen vakkarilla varustettuun automaattivaihteiseen voisi kuulemma lisätä startille relettä, sekoaisi kuulemma jotenkin. Osaksi tuon "varoittelun" takia asia on jopa unohtunut ajoittain, mutta nyt päätin sitten katsoa mikä olisi totuus tuossa asiassa. Kytkin siis lisäreleen startille, siten että releen kela tulee alkuperäiseen solenoidille menevään piuhaan, releelle syöttö suoraan akulta ja lähtö sitten suoraan solenoidille menevään piuhaan. Ainakin selkeän "terävästi" nyt tuntuu toimivan, ei jää odottelemaan kuten aiemmin, eikä mitään kummallisia häiriöitä vakkarin tahi startin suhteen esiintynyt. Vaihde päällä ei anna startata, vakkari toimii jne. Jatkossa sitten näkee auttaako tämä ongelmaan, vai vieläkö pitää jotain muuta keksiä. Tähän mennessä aiemmin vaihdettuja palikoita oli oikeastaan kaikki mitä startin piiriin kuuluu, starttimoottori, rele kantoineen, osa johdotusta, virtalukko ja jotain muutakin, oireen aina pysyessä ennallaan...

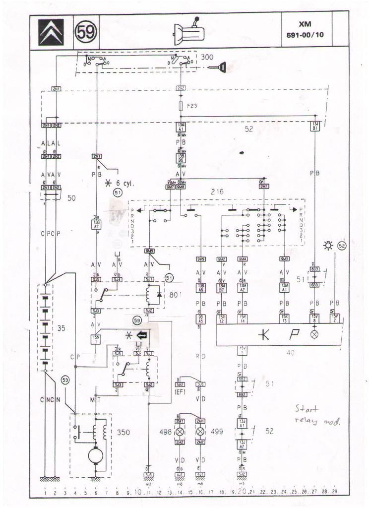
Kuvakin tuli piirrettyä, muokaten alkuperäistä..:

Kuva
Saanee selvää? Kuvasta poiketen, alkuperäinenkin piuha releeltä solenoidille on paikallaan, sitä kuvaa katkoviiva. Tähden ja nuolen kohdalta alkujaan jatkaa suoraan solenoidille. Testasin ilman, ei mitään eroa siihen että kytki mukaan. Jännityksellä odotan miten tässä lopulta käy, eli pääsikö oireesta eroon joka on seurannut jo ainakin kolmannelle omistajalle, kaikkien sitä ihmetellessä...



Dyane 4x4 IE, Sm 2.7, Dyane IE, C8 2.2
Series -LantikanPätkä
Poissa
   
 
 Viestin otsikko: Re: Xm V6 ja sen starttiongelma, yksi ratkaisumalli
ViestiLähetetty: 13.08.2015 22:30 
Käyttäjän avatar

Viestit: 147
Paikkakunta: Lappeenranta
jasu kirjoitti:
Sellaistakin on tullut luettua/kuultua, ettei tämmöiseen vakkarilla varustettuun automaattivaihteiseen voisi kuulemma lisätä startille relettä, sekoaisi kuulemma jotenkin.


Voin vahvistaa, että vääränlaisella kytkennällä cruisella varustettu automaatti tosiaan sekoaa (ainakin tuo oma).. Väärällä kytkennällä tekee niin, että jos cruisen nappi on päällä ja nopeutta on riittävästi (olikohan 30-40km/h), rupeaa startti pyörimään... :oops:

Oikeanlaisella kytkennällä mulla hävis käynnistysongelmat täysin. Kertaakaan ei ole nyt vuoden aikana temputtanut apureleen asennuksen jälkeen.

Ohje mikä löytyi toiselta foorumilta: "Beware that if the helper relay is placed the wrong side of the existing starter inhibit relay on an auto then the cruise control will be severely upset...". Eli: Kun apureleen asensi virtalukon ja tuon starter inhibit relayn väliin niin toimi. Kun sen asensi solenoidin ja inhibit relayn väliin niin sekaisin meni.



C4 VTS -05 // 306 cabriolet 2.0 -97 // BX 16V -87 // 2CV -61 // 2CV -61
Poissa
   
 
 Viestin otsikko: Re: Xm V6 ja sen starttiongelma, yksi ratkaisumalli
ViestiLähetetty: 14.08.2015 08:46 
Käyttäjän avatar

Viestit: 471
Paikkakunta: Kouvostoliitto

Profiili WWW
Mullahan on TCT:ssä myös lisätty toinen rele orginaalireleen perään ja siten että solenoidille menee sitten akusta suoraan virta.
Havaitsin juurikin tuon saman että alle 9V jännitteellä tuloksena on vain naksaus mutta onneksi sillä jaksaa ohjata toista relettä :)

Ikinä ei selvinnyt mistä tuo ajoittainen jännitteen aleneminen johtui mutta tämän operaation jälkeen ei ole kertaakaan jättänyt pyöräyttämättä.



C5 HDi, XM Turbo C.T. Automaagi -94
Poissa
   
 
 Viestin otsikko: Re: Xm V6 ja sen starttiongelma, yksi ratkaisumalli
ViestiLähetetty: 14.08.2015 09:11 

Viestit: 4467
Paikkakunta: Paimio
Kuvan katkoviivalla ei ole mitään merkitystä, jos kuten kuvassa, ao. releen navassa ei muuten olisi mitään kytkettynä. Siinä on vain pyykeli oikosulkemassa tarpeettoman koskettimen. Ja nyt olisi hyvä hakea jännitteen häviämispaikka. Jossain on syy siihen. Pitäisi hakea vikapaikkaa C-P-johtimen tienoilta, sen liitoksista. Tai ao. releen koskettimesta, releen vaihto? Akun, moottorin maadoitukset?


Poissa
   
 
 Viestin otsikko: Re: Xm V6 ja sen starttiongelma, yksi ratkaisumalli
ViestiLähetetty: 14.08.2015 10:21 
Käyttäjän avatar

Viestit: 3152
Paikkakunta: Korpilahti

Profiili WWW
Tuohon brittiläiseen varoitukseen verraten, jos en ihan väärin ymmärrä, niin miulla on nyt just sillai kytkettynä ettei pitäis toimia. Mietin kyllä, mitä haittaa voisi tulla, jos releen laittaisi ennen tai jälkeen tuon startinestoreleen, ja tulin lopputulokseen että noinpäin laittamalla vähenee liitosten määrä eikä kummallisia toimintohäiriöitä tulla pitäisi. Eikä ainakaan vielä ole tullut, seurataan kyllä mielenkiinnolla mitä kivaa tuo vielä keksii...

ealab kirjoitti:
Kuvan katkoviivalla ei ole mitään merkitystä, jos kuten kuvassa, ao. releen navassa ei muuten olisi mitään kytkettynä. Siinä on vain pyykeli oikosulkemassa tarpeettoman koskettimen.

Siksipä se onkin katkoviivana, sen voi jättää tai olla jättämättä, mutta haittaa siitä ei ole. Enkä viitsinyt poiskaan katkoa, ja laittamalla liittimen releenkantaan ei tarvinnut myöskään isommin pelätä irrallisen piuhanpään oikosulkuriskiä. Ainoa mitä saattaa olla, pieni etu, sähkönkulkemisen kannalta...

ealab kirjoitti:
Ja nyt olisi hyvä hakea jännitteen häviämispaikka. Jossain on syy siihen. Pitäisi hakea vikapaikkaa C-P-johtimen tienoilta, sen liitoksista. Tai ao. releen koskettimesta, releen vaihto? Akun, moottorin maadoitukset?

Tervetuloa talkoisiin. Tähän mennessä vaihdettu uusiin rele, kanta liittimineen, maajohto akulta moottoriin sekä toimiviin käytettyihin startti, virtalukko (vissiin kolmestikin), sulaketaulu. Liitosten yli on tullut mittailtua jännitehäviöitä, joita ei isommin ole halunnut löytyä, mutta kun niitä on ne 11 peräkkäin niin äkkiäkös niistä kertyy yhteensä liikaa..?

Niin, olen vasta kolmas omistaja tämän auton kanssa joka tämän kanssa painii, ehkä se hyvä aika on mennyt tämän asian kanssa jo muutama vuosi takaperin... :lol:



Dyane 4x4 IE, Sm 2.7, Dyane IE, C8 2.2
Series -LantikanPätkä
Poissa
   
 
 Viestin otsikko: Re: Xm V6 ja sen starttiongelma, yksi ratkaisumalli
ViestiLähetetty: 14.08.2015 17:47 
Käyttäjän avatar

Viestit: 3152
Paikkakunta: Korpilahti

Profiili WWW
gelupa kirjoitti:
jasu kirjoitti:
Sellaistakin on tullut luettua/kuultua, ettei tämmöiseen vakkarilla varustettuun automaattivaihteiseen voisi kuulemma lisätä startille relettä, sekoaisi kuulemma jotenkin.


Voin vahvistaa, että vääränlaisella kytkennällä cruisella varustettu automaatti tosiaan sekoaa (ainakin tuo oma).. Väärällä kytkennällä tekee niin, että jos cruisen nappi on päällä ja nopeutta on riittävästi (olikohan 30-40km/h), rupeaa startti pyörimään... :oops:

Oikeanlaisella kytkennällä mulla hävis käynnistysongelmat täysin. Kertaakaan ei ole nyt vuoden aikana temputtanut apureleen asennuksen jälkeen.

Ohje mikä löytyi toiselta foorumilta: "Beware that if the helper relay is placed the wrong side of the existing starter inhibit relay on an auto then the cruise control will be severely upset...". Eli: Kun apureleen asensi virtalukon ja tuon starter inhibit relayn väliin niin toimi. Kun sen asensi solenoidin ja inhibit relayn väliin niin sekaisin meni.

Tulihan sitä toimintahäiriötä kuitenkin, vakkari jäi satunnaisesti käynnistymättä. No, sähkökuvatuksia ihmettelemällä syykin selvisi, ekan kuvan mukaan laitettuna onkin kahden releen kelat sarjassa, on ihan siinä rajoilla vetääkö vai ei. Tuosta selvisi yhden piuhan paikkaa siirtämällä...

Kuva
Noin, nyt toimi kuten pitää. Ainakin testiajolla, yleismittari väijymässä solenoidille menevää jännitetietoa, loogisesti käyttäytyi se...

Kuva
Tätä kun olisi eilen viitsinyt kurkistaa, niin olisi tuonkin virheen ajatuksessa löytänyt. Jos olisi vakkari saanut vain jännitetiedon sellaisenaan, ei tätä häiriötä olisi ollut, vaan kun startinestorele ohjaakin vakkarin relettä, niin tilanne muuttui. Pitäisiköhän tähänkin kuvaan tuo lisärele piirtää..?

Nyt mitaten, startatessa akunnavan ja solenoidin välille ei jännite-eroa syntynyt, ja ainakin mielikuva on että solenoidin napsahtaisi terävämmin kuin ennen. Psykologista toki se olla voi...

Onneksi Cxtb2 soitti, siinä jutustellessa tuli sitten tuokin lapsus havaittua...



Dyane 4x4 IE, Sm 2.7, Dyane IE, C8 2.2
Series -LantikanPätkä
Poissa
   
 
Näytä viestit ajalta:  Järjestä  
 Sivu 1/1 [ 6 viestiä ] 


Paikallaolijat

Käyttäjiä lukemassa tätä aluetta: Ei rekisteröityneitä käyttäjiä ja 11 vierailijaa


Kaikki ajat ovat UTC + 2 tuntia [ DST ]


Et voi kirjoittaa uusia viestejä
Et voi vastata viestiketjuihin
Et voi muokata omia viestejäsi
Et voi poistaa omia vestejäsi
Et voi lähettää liitetiedostoja.

Etsi tätä:
Hyppää: