Kaikki ajat ovat UTC + 2 tuntia [ DST ]




 Sivu 1/1 [ 9 viestiä ] 
Kirjoittaja Viesti
 Viestin otsikko: XM V6 12V -92 hydepumpun hihna
ViestiLähetetty: 15.04.2017 12:13 
Käyttäjän avatar

Viestit: 532
Mielenkiintoisia ongelmia taas tuon XM:n kanssa...

Autoon on nyt vaihdettu pumppu kiinnikkeineen, kun vanha oli vääntynyt hihnan hypätessä pois paikaltaan. Tuota ei saanut enää kiristettyä kunnolla. Kuvittelin kiristyksen onnistuvan tuon pumpun vaihdon jälkeen.

Nyt olen öljynsuodatinavaimella vääntänyt tuota pumppua ja saanut hihnan niin kireälle kuin käsistä lähtee. Edelleen kuitenkin hihna luiskahtelee kun pumppu tekee töitä. Esim kun pyörittää ratista ja Diravi tekee töitä, rupeaa pumpun hihna lyömään tyhjää.

Tuli mieleen, että voisikohan tuossa olla nyt jotain muuta häikkää, kuin hihnan kireys? Voisiko pumpun vastus olla syystä tai toisesta liian kova ja tästä syystä tuo vanha pumppukin vääntynyt. Mitään ideoita?


Poissa
   
 
 Viestin otsikko: Re: XM V6 12V -92 hydepumpun hihna
ViestiLähetetty: 15.04.2017 13:02 

Viestit: 574
Paikkakunta: Loimaa
En aiavan ymmärtänyt. Jääkö remmi riittävän kireälle säätämisen jälkeen?

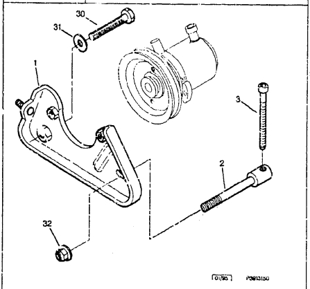
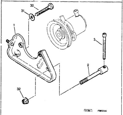
Tulipellin luona on synnin pitkä 6-kolo pultti (kuvassa numero 3), joka säätää hihnan kireyden. Pultille on oma syvennys moottorin lohkossa, jota vasten se kampeaa kiristysmekanismia. -> Varmista, että pultti on kondallaan syvennöksessä ennen kuin alat kiristää, lipeää sieltä aika helposti pois.

Jos säätö on aivan tapissaan, niin silloin remmi on liian pitkä. En tosin nyt muista alkuperäisen mittaa.
Kiristimessä on myös 10 - 13mm pultti/mutteri, joka lukitsee sen paikalleen(tämä tulee löysätä kun säätää remmiä).


Liitteet:
v6 hyde pumppu.jpg
v6 hyde pumppu.jpg [ 56.98 KiB | Katsottu 5935 kertaa ]

jarmojuhani.cederlund@gmail.com
Loimaa
Poissa
   
 
 Viestin otsikko: Re: XM V6 12V -92 hydepumpun hihna
ViestiLähetetty: 15.04.2017 13:36 
Käyttäjän avatar

Viestit: 3158
Paikkakunta: Korpilahti

Profiili WWW
Hihnan pituus erään osalistauksen mukaan:

-650 ennen RP no 5565
-670 jälkeen RP no 5565

Omassa yksilössä oli 670mm paikallaan, jonka tilalle hankin 668mm hihnan. Rekisterinumerolla tarjosi 700mm hihnaa ja sitten Beksin pumpun asennuksen jälkeen sopiva olikin 725mm.

Jostain olen muistavinani että hihnapyörän koko muuttui tuossa RP no 5565 yhteydessä, ja siksi hihnankin pituus olisi muuttunut. Lähdettä tälle en tähän hätään löytänyt. 100mm hihnapyörästä puhutaan, olikohan aiempi sitten 90 millinen? Beksin pumpussa oli 125mm pyörä (ellen ihan väärin muista), enkä mitään selkeää syytä vielä reilun parin vuoden kokeilun jälkeen ole löytänyt miksi en jatkaisi sen käyttöä...



Dyane 4x4 IE, Sm 2.7, Dyane IE, C8 2.2
Series -LantikanPätkä
Poissa
   
 
 Viestin otsikko: Re: XM V6 12V -92 hydepumpun hihna
ViestiLähetetty: 15.04.2017 13:58 
Käyttäjän avatar

Viestit: 532
xmfani kirjoitti:
En aiavan ymmärtänyt. Jääkö remmi riittävän kireälle säätämisen jälkeen?

Tulipellin luona on synnin pitkä 6-kolo pultti (kuvassa numero 3), joka säätää hihnan kireyden. Pultille on oma syvennys moottorin lohkossa, jota vasten se kampeaa kiristysmekanismia. -> Varmista, että pultti on kondallaan syvennöksessä ennen kuin alat kiristää, lipeää sieltä aika helposti pois.

Jos säätö on aivan tapissaan, niin silloin remmi on liian pitkä. En tosin nyt muista alkuperäisen mittaa.
Kiristimessä on myös 10 - 13mm pultti/mutteri, joka lukitsee sen paikalleen(tämä tulee löysätä kun säätää remmiä).


Hihna on kyllä kireällä (ainakin mun mielestä). En käytä tuota kiristysruuvia, koska se on tuon hihnan poishyppäämisen yhteydessä ottanut kanssa hieman osumaa. Jos ruuvia käyttää pelkästään kiristämiseen niin se lähtee väntymään pois kolostaan. Tuo pinta jota vasten ruuvi kiristetään on osuman jälkeen hieman kalteva. Tästä syystä eka väännän suodatinavaimella kireelle. Sen jälkeen pyörittelen tuosta kuusiokoloruuvista.


Poissa
   
 
 Viestin otsikko: Re: XM V6 12V -92 hydepumpun hihna
ViestiLähetetty: 15.04.2017 14:00 
Käyttäjän avatar

Viestit: 532
jasu kirjoitti:
Hihnan pituus erään osalistauksen mukaan:

-650 ennen RP no 5565
-670 jälkeen RP no 5565

Omassa yksilössä oli 670mm paikallaan, jonka tilalle hankin 668mm hihnan. Rekisterinumerolla tarjosi 700mm hihnaa ja sitten Beksin pumpun asennuksen jälkeen sopiva olikin 725mm.

Jostain olen muistavinani että hihnapyörän koko muuttui tuossa RP no 5565 yhteydessä, ja siksi hihnankin pituus olisi muuttunut. Lähdettä tälle en tähän hätään löytänyt. 100mm hihnapyörästä puhutaan, olikohan aiempi sitten 90 millinen? Beksin pumpussa oli 125mm pyörä (ellen ihan väärin muista), enkä mitään selkeää syytä vielä reilun parin vuoden kokeilun jälkeen ole löytänyt miksi en jatkaisi sen käyttöä...


Mun XM on made in hell. Hihna on 666 :D


Poissa
   
 
 Viestin otsikko: Re: XM V6 12V -92 hydepumpun hihna
ViestiLähetetty: 16.04.2017 13:51 
Käyttäjän avatar

Viestit: 7490
Paikkakunta: Taipalsaari
hogander kirjoitti:
Hihna on kyllä kireällä (ainakin mun mielestä).
Niin oliko se sama vanha hihna edelleen vai vaihdettu uusi? Eihän vaan pohjaa?



VW Passat B7
Poissa
   
 
 Viestin otsikko: Re: XM V6 12V -92 hydepumpun hihna
ViestiLähetetty: 16.04.2017 15:47 
Käyttäjän avatar

Viestit: 532
laakeri kirjoitti:
hogander kirjoitti:
Hihna on kyllä kireällä (ainakin mun mielestä).
Niin oliko se sama vanha hihna edelleen vai vaihdettu uusi? Eihän vaan pohjaa?


Kyllä mä sen vaihdoin. On tosin jonkun vuoden vanha tuo vaihdettukin. Tuli auton mukana varahihna. Käyttämätön kuitenkin. Ei pohjaa. Voisikohan vanha hihnan kumi aiheuttaa tuon luistamisen? Ehkäpä täytyy hakea ihan uusi.


Poissa
   
 
 Viestin otsikko: Re: XM V6 12V -92 hydepumpun hihna
ViestiLähetetty: 16.04.2017 21:12 
Käyttäjän avatar

Viestit: 2669
Paikkakunta: Päijät-Häme
Äläkä hae Biltemasta Optibeltiä. Kestää 200-500km luistamatta.



2x C5HDi Break erikoppaset, 2x Xantia Bk 19TD Aut & 2.0HDi, 3x BX 19 TZi Vaninaihio (2xAut), BX Van 18TD, BX4WD Break, BX Van D projekt, InvaBX 16TRS Aut; 3x2CV6. 2xVisa14TRS; XM 2,5TD Break; BX 18TD Break Aut + BX Van D Aut+XM 2,5TD BK
Poissa
   
 
 Viestin otsikko: Re: XM V6 12V -92 hydepumpun hihna
ViestiLähetetty: 17.04.2017 17:24 
Käyttäjän avatar

Viestit: 532
Kävin tämän vielä kerran kiristämässä tänään ja nyt pumppu kuulostaa siltä kuin pitää. Oli vaan yksinkertaisesti asentajan taitamattomuutta, eli liian löysällä. Vähän pidemmällä varrella kun kangotti niin sai tuon riittävän kireälle.

Flow kun oli päällä niin vaihdoin myös apulaitehihnat. Tuo olikin tämän XM projektihistorian ainoa homma, joka meni ilman kummempia ongelmia. Aikaa meni n. puoli tuntia. Auto tosin oli valmiiksi ylhäällä. Sai jopa pienen onnistumisen tunteen :D


Poissa
   
 
Näytä viestit ajalta:  Järjestä  
 Sivu 1/1 [ 9 viestiä ] 


Paikallaolijat

Käyttäjiä lukemassa tätä aluetta: Ei rekisteröityneitä käyttäjiä ja 11 vierailijaa


Kaikki ajat ovat UTC + 2 tuntia [ DST ]


Et voi kirjoittaa uusia viestejä
Et voi vastata viestiketjuihin
Et voi muokata omia viestejäsi
Et voi poistaa omia vestejäsi
Et voi lähettää liitetiedostoja.

Etsi tätä:
Hyppää: