|
| Kirjoittaja |
Viesti |
|
citikka14
|
Viestin otsikko: CX Prestige 88 mallin ABS valo palaa koko ajan Lähetetty: 09.03.2017 00:31 |
Viestit: 57
|
|
Mistä löytyisi kaaviota CX:n ABS-järjestelmälle. Onko boxi siinä vararenkaan alla. Tulevatko ABS-antureiden johdot johonkin sinne. Onko systeemi samantyyppinen kuin XM:ssä. ABS palo palaa alusta alkaen koko ajan eli lienee huono liitos tai risa anturi jossain pyörässä. Onko tässä jotain testaus proseduuria tai voiko anturit jostain mitata?
Tarttis saada leimalle, muuten toimii hyvin!
|
|
|
|
 |
|
jptcool
|
Viestin otsikko: Re: CX Prestige 88 mallin ABS valo palaa koko ajan Lähetetty: 09.03.2017 01:36 |
Viestit: 1732 Paikkakunta: Parainen
|
|
Takapenkin alta löytyy ecuboxi. Pinnijärjestystä ei nyt muista. Haynesista löytynee. Anturikaapelit tunnistaa helposti, parikierrejohtoja kiemurtelee pitkin pohjalevyä päätyen ecun kampaan.
Cx Heuliez-87, Tre-87, Fami-90, IE Pallas -83, Prestige -88, Id-58, DSuper-70, 4xXm, Xantia, BxGti-86
|
|
|
|
 |
|
koe
|
Viestin otsikko: Re: CX Prestige 88 mallin ABS valo palaa koko ajan Lähetetty: 09.03.2017 10:04 |
Viestit: 142 Paikkakunta: Kangasala
|
Kuvat löytyy Hayneksestä ja isommalla fontilla tuolta: http://www.thecitroencx25gti.com/resour ... l%20S2.pdfAlla omat muistiinpanot ähistelystäni -87 t2 ABSin kanssa. Mulla vika oli että toisen taka-anturin piuha oli poikki ja toisen melkein poikki. Mutka josta piuha tulee anturin päähän tuntuu olevan heikko kohta. Piuhat olit poikki sisältä, toimi satunnaisesti kun piuhaa vähän käänteli. Askartelin Peugeot 406 taka-antureista korvikkeet. Koodi: - Bosch 0 265 103 009 - takapenkin alla
- ABS boxin liitin katsottaessa piuhan päässä olevaa liitintä "alta", siten että kontaktipinnat näkyy: Ylä rivi 18 karvaa: 1 .. 18 Ala rivi 17 karvaa:: 19 .. 35
01 02 -- 04 05 -- -- 08 09 10 11 -- -- -- 15 -- -- 18 -- 20 21 -- -- 24 25 26 27 -- 29 -- -- 32 -- 34 35
Huom: Kaikki karvat ei ole käytössä sähkökuvien mukaan. Vastaavat kontaktipinnat puuttuu liittimestä.
Vian etsintä ------------ - Boxin liittimestä kun virrat ei ole päällä - mittaa anturien ohmit. Alkuperäiset on non 1Kohm. Karvat 4-5, 11-21, 24-26, 8-9
- Mittaa samoista karvoista että antaa AC voltteja kun pyöräyttää renkasta. Kädellä heittämällä mielellään noin 0.3 V.
- Boxin liittimestä kun virrat on päällä (ja liitin irti) - piuhoissa 1 ja 27 pitää olla akkujännite - 10, 20, 34 pitää olla maissa
- konehuoneen 756 releestä kun virrat päällä ja boxin liitin kiinni - karvassa 5N3 (Bl) pitää olla akkujännite. Tämä on käyttöjännite ABS hydrauliikka yksikölle.
- karva 5N2 (V) pitää mennä maihin (jos ei mene, boxin on päättänyt sammuttaa ABSin)
- jos ABS valo syttyy ajossa tarkista auton käynnissä ollessa ja valon palaessa rele 756 piuha 5N2 - jos ei mene maihin (eli on akkujännitteessä), boxi on sammuttanut ABSin
- jos on maissa... niin tilanne on outo
K-a-r-i
|
|
|
|
 |
|
Hessu
|
Viestin otsikko: Re: CX Prestige 88 mallin ABS valo palaa koko ajan Lähetetty: 09.03.2017 13:12 |
Viestit: 1535 Paikkakunta: The City of Häijää
|
|
Eikös risa anturi sytytä valon vasta kun auto lähtee liikkeelle? Mikäli syttyy heti ja jää palamaan, on joku muu ongelma. Joskus on noita huonoja pyöränantureita "korjattu" niin, että ottaa kaikki neljä anturin töpseliä irti. Silloin abs ei tiedä auton liikkuvan eikä sytytä valoa.
Have more than you show, speak less than you know.
|
|
|
|
 |
|
koe
|
Viestin otsikko: Re: CX Prestige 88 mallin ABS valo palaa koko ajan Lähetetty: 09.03.2017 13:28 |
Viestit: 142 Paikkakunta: Kangasala
|
Hessu kirjoitti: Eikös risa anturi sytytä valon vasta kun auto lähtee liikkeelle? Juu, mulla se syttyi suunnilleen kymmenen metrin ajon jälkeen, kevyt hölkkävauhti riitti. K-a-r-i
|
|
|
|
 |
|
citikka14
|
Viestin otsikko: Re: CX Prestige 88 mallin ABS valo palaa koko ajan Lähetetty: 12.06.2017 22:19 |
Viestit: 57
|
|
Mittasin anturit, ne oli ok, mutta liittimeen ei tule virtaa vaikka suöake on ehjä. Jakaako noi releet virran abs boxille? Onko releet kiinni tuossa ilman sisäänoton lootassa? Onko missään kytkentäkaavaa josta näkisi releiden kytkennät?
|
|
|
|
 |
|
koe
|
Viestin otsikko: Re: CX Prestige 88 mallin ABS valo palaa koko ajan Lähetetty: 12.06.2017 23:03 |
Viestit: 142 Paikkakunta: Kangasala
|
|
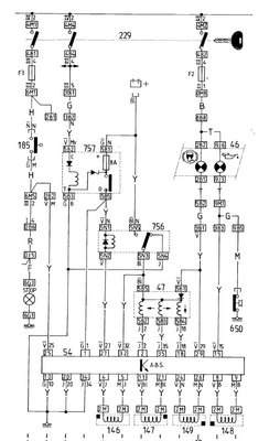
Juu, jännite sekä ohjainlaatikolle että venttiileille tulee releiden kautta. Siinä vararenkaan alla ne releet on, seuraa piuhaa ABS venttiilikoneistosta niin tulevat vastaan aika pian. Liitteenä sähkökuva joka löytyy aiemmin linkitetystä pdf:stä ja varsin luultavasti myös hayneksestä. Kuvasta näkee mistä pitää akkujännite löytyä että olisi minkäänlaisia toiminnan edellytyksiä.
K-a-r-i
| Liitteet: |

CX_ABS_510.00_25.jpg [ 73.04 KiB | Katsottu 10040 kertaa ]
|
|
|
|
|
 |
|
citikka14
|
Viestin otsikko: Re: CX Prestige 88 mallin ABS valo palaa koko ajan Lähetetty: 13.06.2017 00:12 |
Viestit: 57
|
|
No nyt on hyvä kuva, kiitos! Onko tuon toisen releen sisällä 8a sulake? Onko nuo releet kaksi erillistä relettä vai ovatko nämä kiinni siinä mustassa muoviboxissa joka on abs hyde boxin kyljessä kiinni. Siitä mustasta lähtee ruttuputkea hydeohjaimen päälle?
|
|
|
|
 |
|
citikka14
|
Viestin otsikko: Re: CX Prestige 88 mallin ABS valo palaa koko ajan Lähetetty: 13.06.2017 00:20 |
Viestit: 57
|
|
Eli mikä on tuo osa nro 47, onko ne hydeohjaimen magneettiventtiilit, tuo siis ehkä se musta boxi siinä hydeohjaimessa?
|
|
|
|
 |
|
koe
|
Viestin otsikko: Re: CX Prestige 88 mallin ABS valo palaa koko ajan Lähetetty: 13.06.2017 08:23 |
Viestit: 142 Paikkakunta: Kangasala
|
|
47 on hydrauliyksikkö, se metallimöhkäle, pitää sisällään venttiilit. Musta laatikko on liittimen suojus, ei muuta.
En tiedä mitä sen releen sisällä on, uskon kuvaan. Jos epäilet releen toimimattomuutta niin irroita, anna akusta jännitettä ohjausnastaan ja mittaa että voima puoli kytkeytyy. Tai sitten nosta releitä hieman kannasta, sen verran että saat yleismittarin tuntimen koskettamaan jalkoja releen ollessa paikallaan (varoen oikosulkuja).
Kaksi relettä ovat piuhan varressa rinnakkain, jonkun matkaa liitinlaatikosta. Ovat erilliset releet tavallisissa relekannoissa. Toinen rele normikokoinen, toinen korkeampi. Ainakin mulla. Alkuperäiset johtosarjat ovat sen verran jäykkää tavaraa että eivät anna mahdollisuuksia säveltämiseen, joten luultavasti ovat vararenkaan telineen ja sisäilmatötterön nurkan tuntumassa. Mutta piuhaa seuraamalla ei eksy.
K-a-r-i
|
|
|
|
 |
|
citikka14
|
Viestin otsikko: Re: CX Prestige 88 mallin ABS valo palaa koko ajan Lähetetty: 13.06.2017 19:25 |
Viestit: 57
|
|
Tutkinta jatkuu. Toisen releen sisällä oleva triac on oikosulussa ja sieltä oli palanut se sulakkeen tapainen folio. Käyköhän tuohon joku bebekin perustriac ja mikä tyyppi tai saako uutta relettä jostain?
|
|
|
|
 |
|
koe
|
Viestin otsikko: Re: CX Prestige 88 mallin ABS valo palaa koko ajan Lähetetty: 13.06.2017 20:57 |
Viestit: 142 Paikkakunta: Kangasala
|
|
Kuvassa taitaa olla zener diodi eikä triac. Onko siellä tosiaan triac? Komponenttien sisuskuvat lienee kyllä lähinnä viitteellisiä, että voihan siellä ollakin. En tosin ymmärrä kuvassakaan näkyvää rakennetta, että mitä sillä haetaan. Käämin yli olevalla diodilla hillitään avaamisesta syntyvää jännitepiikkiä (kuten siinä toisessa releessä), mutta toi lienee jotain muuta.
K-a-r-i
|
|
|
|
 |
|
citikka14
|
Viestin otsikko: Re: CX Prestige 88 mallin ABS valo palaa koko ajan Lähetetty: 14.06.2017 02:12 |
Viestit: 57
|
|
Totta puhut Kari, tuo pn diodi tai zener-diodi. Joka tapauksessa se on oikosessa. Mistähän ihmeestä saisi korvaavan tyypin. Jos se on tavallinen diodi siihen käy mikä vaan, jos zeneri niin pitäisi tietää jännite? Avasin releen ja iso mollukka se on ja laskee läpi, 0 ohmia molempiin suuntiin...
|
|
|
|
 |
|
citikka14
|
Viestin otsikko: Re: CX Prestige 88 mallin ABS valo palaa koko ajan Lähetetty: 14.06.2017 02:15 |
Viestit: 57
|
|
|
|
 |
|
olli__o
|
Viestin otsikko: Re: CX Prestige 88 mallin ABS valo palaa koko ajan Lähetetty: 14.06.2017 09:05 |
Viestit: 5195
|
En oikein kanssa hahmota mitä se zeneri tuossa suojaa, mutta eikös se ole lopulta suoraan plussan ja maan välissä (ja se (8A komponentti, oliko se sulake?), eli jännitteen pitäisi olla yli akun jännitteen, ehkä vaikka 16 V? (ja oikein päin asennettuna...) Eikö vanhasta erota mitään merkintöjä? Sitten vaan vaikka arvalla valitsemaan, tuossa tehokkaampana versiona (koosta voi jotain päätellä, 8 ampeerin virtaa tuokaan ei montaa millisekuntia kestä, mutta ei pitäisi olla tarvettakaan): https://www.elfadistrelec.fi/fi/zener-d ... &simi=97.5
|
|
|
|
 |
|
koe
|
Viestin otsikko: Re: CX Prestige 88 mallin ABS valo palaa koko ajan Lähetetty: 14.06.2017 09:12 |
Viestit: 142 Paikkakunta: Kangasala
|
citikka14 kirjoitti: Mutta mikähän on sen jännite? Minun elektroniikkaymmärrys on kovin puutteellista, joten mun kommentit tän suhteen on pelkkää spekulointia. Mutta. Kuvittelisin että zener jännitteen pitää olla isompi kuin akku jännite, muuten virtaa karkaa akusta maihin tuota kautta zener jännitteen yli menevän jännitteen ja piirin resistanssin sanelemalla vauhdilla (savua...). En keksi zener diodille muuta virkaa kuin että jos ABS boxi päättää sammuttaa 756 releen (sen toisen) kytkemällä boxin 27 nastan irti maasta, niin induktiivinen takapotkujännite 756:sta pääsee maihin kyseisen zenerin kautta. jos asia on noin, niin mitoituksessa pitäisi tietää/arvioida myös millaista tehoa (takapotkujännite, resistanssi maihin) zenerin pitäisi kestää. Ja zener jännite sitten "sopivasti" isompi kuin akkujännite että alkaa päästää läpi riittävän ajoissa. Riittävän iso ettei akku vuoda maihin, mutta ei juuri sitä isompi? Kun farnellin sivuilla seikkailin niin 16..24V luokassa oli tehonkestoa 50W saakka. 5 wattiset näyttää vielä diodeilta, sitä isommat pulteilta. En kyllä ymmärrä sitä sulakettakaan. Jos halutaan varjella ABS laitteistoa niin miksi se sulake ei ole akulta tulevassa piuhassa. Nyt se rajoittaa vain boxille menevää ja toisen releen ohjausjännitettä. Ei venttiilien ohjausta. 8A sulake moiseen kuulostaa aika suurelta. Ehkä se on siinä suojaamassa akkua zener diodin hajoamisen varalta. Ehkäpä sinulla se kärähti siinä vaiheessa kun zener meni oikoseen ja akku löi maihin. 757 releen käämin kanssa sarjassa olevan diodin merkitys on myös epäselvä. Käämin takapotkulta suojaavan pitäisi olla rinnan. Täytyisi ymmärtää 757 releen omituisuuksien tarkoitus jos aikoo korjata sen, tai korvata tavallisella releellä ja parilla irtokomponentilla. Jos outoa relettä tarvitaan tavallisen sijasta, niin luulisi että moisia releitä saisi varaosina joihinkin yleisempiin boschin ABS purkkeja käyttäviin autoihin. Joka sitten kävisi CX:äänkin. K-a-r-i
|
|
|
|
 |
|
citikka14
|
Viestin otsikko: Re: CX Prestige 88 mallin ABS valo palaa koko ajan Lähetetty: 14.06.2017 11:58 |
Viestit: 57
|
Joo tuo releen sisällä oleva Zener on todella järeä, varmaan kestänee 10A vähintään. Siinä on valtava jäähdytysripakin jonka kautta virta kulkee. Yritän saada selvää noista merkinnöistä, joita zenerissä on mutta näyttävät kryptisiltä, varmaan valmistajan omaa koodia. Näyttää tosiaan siltä, että zeneri on jostain syystä mennyt oikoseen ja sen jälkeen tuo sulake on palanut. Tällainen tilanne voisi käydä esim. jos edellinen omistaja on laittanut akun väärin päin autoon, jolloin tuo kohta on suorassa oikosulussa välittömästi kun akun laittaa paikoilleen. Tämä voisi selittää tuhon. Laitan lisää infoa kunhan testaan tuohon 16V Zeneriä, katsotaan mistä savut nousevat 
|
|
|
|
 |
|
citikka14
|
Viestin otsikko: Re: CX Prestige 88 mallin ABS valo palaa koko ajan Lähetetty: 16.06.2017 17:28 |
Viestit: 57
|
Nyt sain abs:n toimimaan. Poisti. Tuon zenerin releestä ja oikosulku poistui. Zener on tuolla ylijännitesuojana ja kun ylijännite tulee niin zener vetää oikosulkuun ja teleen sisällä oleva 8a sulake palaa. Rakensin zenerin tilalle bebekistä ostetun ylijännitesuojan ja lisäsin uuden sulakkeen releen ulkopuolelle ja tinasin releen sisällä olleen kärähäneen sulakkeen umpeen. Ja nyt alkoi toimimaan. Ja katsastuskin olisi mennyt läpi ellei olisi löytynyt ruostetta 
|
|
|
|
 |
|
koe
|
Viestin otsikko: Re: CX Prestige 88 mallin ABS valo palaa koko ajan Lähetetty: 16.06.2017 18:50 |
Viestit: 142 Paikkakunta: Kangasala
|
citikka14 kirjoitti: Zener on tuolla ylijännitesuojana ja kun ylijännite tulee niin zener vetää oikosulkuun ja teleen sisällä oleva 8a sulake palaa. Kappas, hyvä että selkis ja hoitui. Mihin arvoon korvike rajoittaa jännitteen? Miksiköhän siihen alkujaan on moinen varmistus laitettu, ei kai laturista kovin isoja ylijännitteitä tule? Pikaisella vilkaisulla näyttää että sytytyksen tai ruiskun ECUja ei ole suojattu moisella. Mikäköhän tekee ABSista poikkeuksellisen? Edit: niinnojoo, ehkä se piikki voi tulla alemmasta releestä. Se kai olisi paha juttu kun releiden välistä on suora piuha ABS laatikolle. Katsureilta pitäisi ottaa terävät esineet pois ja antaa tilalle jotain pehmeää ja pyöreää. Arkipirssi meni vaihtoon kun katsastuksessa hajoittivat ruostetta koossa pitävän maalikerroksen ja siitä aiheutui rouvalle autokuume... K-a-r-i
|
|
|
|
 |
|
|