|
| Kirjoittaja |
Viesti |
|
Kami
|
Viestin otsikko: XM sisävalo ongelma Lähetetty: 17.12.2018 09:52 |
Viestit: 1744 Paikkakunta: Nousiainen
|
|
No nyt oli hetki aikaa näperrellä XM:n parissa niin havaitsin ettei sisävalo toimi, koska ei ole polttimoa. Poltimon kun laitoin se toimii ihan muuten kivasti, mutta ei sammu, kun sammutan auton ja suljen ovet. Auton ollessa käynnissä sammuu hienost kun poistun autosta ja suljen oven... mutta ei kun avaimet on pois virtalukosta.
Liekö virtalukon toiminnassa ongelmaa???
/Kami
Ai mää vai... 1. Citroen Xsara 1.6 -05, 2. Cactus -14, 3. Chrysler GV 3.3 -04 (remontissa), 4.Citroen Xsara 1.6 -00 (remontissa), 5. XM V6 -92, 6.Saxo 1.4i -01, 7. BX 1.9 GT -85 (Proj) 8. 2 x 2CV6 ( proj) 9. Opel Kadett 1.2 -72 (Proj)
|
|
|
|
 |
|
xmfani
|
Viestin otsikko: Re: XM sisävalo ongelma Lähetetty: 17.12.2018 20:45 |
Viestit: 576 Paikkakunta: Loimaa
|
|
Tuli rele vika heti mieleen,tosin voin olla väärässä,ovien maadotus on yksi heikko kohta,tutki ne ovesta ensin kuskin ovi varsinkin.
jarmojuhani.cederlund@gmail.com Loimaa
|
|
|
|
 |
|
jasu
|
Viestin otsikko: Re: XM sisävalo ongelma Lähetetty: 17.12.2018 21:17 |
Viestit: 3162 Paikkakunta: Korpilahti
|
|
Relevikaa epäilisin minäkin. Maavikaa, tai ovikytkinvikaa en niinkään, kun valot kerran sammuu virrat päällä...
Hanskalokeron alla, sininen seitsennapainen, sitä lähtisin kokeilemaan...
Dyane 4x4 IE, Sm 2.7, Dyane IE, C8 2.2 Series -LantikanPätkä
|
|
|
|
 |
|
Masa
|
Viestin otsikko: Re: XM sisävalo ongelma Lähetetty: 17.12.2018 21:42 |
Viestit: 131 Paikkakunta: Tuusula
|
|
Eikö tuossa ole jonkinlainen viive ennenkuin sammuu? Samoin kun menet sisään ja laitat oven kiinni, niin ei valo heti sammu.
|
|
|
|
 |
|
jasu
|
Viestin otsikko: Re: XM sisävalo ongelma Lähetetty: 17.12.2018 22:28 |
Viestit: 3162 Paikkakunta: Korpilahti
|
|
On viive, muttei montaa minuuttia. Parista omissa on "muuttunut" sellaiseksi ettei sitä virrat pois -viivettä enää ole löytynyt, vaan sammuu himmentyen heti kun oven sulkee myös virrat poissa...
Dyane 4x4 IE, Sm 2.7, Dyane IE, C8 2.2 Series -LantikanPätkä
|
|
|
|
 |
|
Kami
|
Viestin otsikko: Re: XM sisävalo ongelma Lähetetty: 18.12.2018 11:19 |
Viestit: 1744 Paikkakunta: Nousiainen
|
|
Yeah, ei sammu ainakaan viiteen minuuttiin... Eikös ovien kontakti ongelmat näkyisi infonäytölläkin tietona että ovi on auki? Tsekkaan releen kontaktit. Saakohan moisia jostain uusia? Vai onko elvytettävissä?
Ai mää vai... 1. Citroen Xsara 1.6 -05, 2. Cactus -14, 3. Chrysler GV 3.3 -04 (remontissa), 4.Citroen Xsara 1.6 -00 (remontissa), 5. XM V6 -92, 6.Saxo 1.4i -01, 7. BX 1.9 GT -85 (Proj) 8. 2 x 2CV6 ( proj) 9. Opel Kadett 1.2 -72 (Proj)
|
|
|
|
 |
|
jasu
|
Viestin otsikko: Re: XM sisävalo ongelma Lähetetty: 18.12.2018 14:38 |
Viestit: 3162 Paikkakunta: Korpilahti
|
|
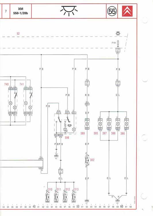
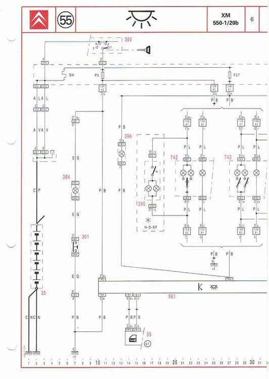
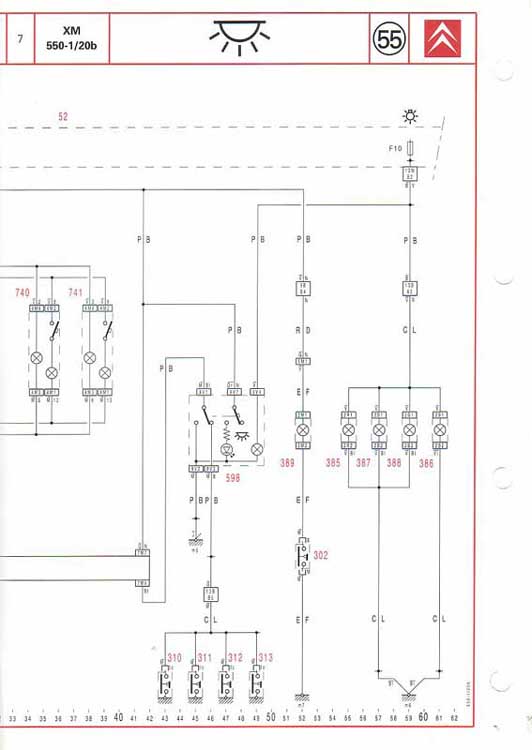
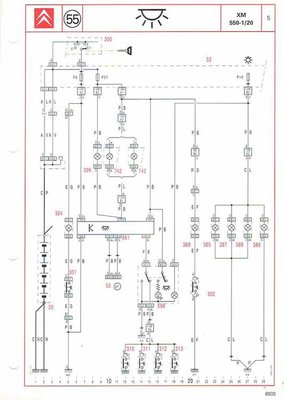
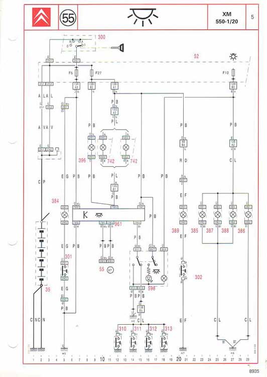
Jos en nyt ihan väärin muista, niin oven aukiolotiedon näyttö, ja keskuslukko, saa oven lukkomoottorin yhteydessä olevasta kytkimestä, ja karmissa on omat kytkimet sisävalon ohjaukselle? Kivasti ne(kin) kansiot, missä on kaikki Xm:n sähkökuvat, on pikkasen piilossa vielä muuton jäljiltä, kohta pitää kaivaa ne esiin, muutaman muunkin asian takia...
Dyane 4x4 IE, Sm 2.7, Dyane IE, C8 2.2 Series -LantikanPätkä
|
|
|
|
 |
|
|