Kaikki ajat ovat UTC + 2 tuntia [ DST ]




 Sivu 1/1 [ 8 viestiä ] 
Kirjoittaja Viesti
 Viestin otsikko: C5 08nuusi kori breik jarruvalot pimeenä
ViestiLähetetty: 11.05.2020 09:07 

Viestit: 50
Citroen C5 Break 08 uudempi kori. Jarruvalot pimeenä. Lisäjarruvalo ja takavalot toimii, mutta jarruvalot korissa ja takaluukussa pimeenä.
Mistä kannattaa lähteä etsimään vikaa?


Poissa
   
 
 Viestin otsikko: Re: C5 08nuusi kori breik jarruvalot pimeenä
ViestiLähetetty: 11.05.2020 17:44 
Käyttäjän avatar

Viestit: 2708
Paikkakunta: Päijät-Häme
Ja ne polttimot on tarkastettu jo? Eikös ne tuossakin hehkut ole?



2x C5HDi Break erikoppaset, 2x Xantia Bk 19TD Aut & 2.0HDi, 3x BX 19 TZi Vaninaihio (2xAut), BX Van 18TD, BX4WD Break, BX Van D projekt, InvaBX 16TRS Aut; 3x2CV6. 2xVisa14TRS; XM 2,5TD Break; BX 18TD Break Aut + BX Van D Aut+XM 2,5TD BK
Poissa
   
 
 Viestin otsikko: Re: C5 08nuusi kori breik jarruvalot pimeenä
ViestiLähetetty: 11.05.2020 19:32 
Käyttäjän avatar

Viestit: 1709
Paikkakunta: Kuopio
Ei kai niitä jarruvaloja luukussa ole?



C5 HDi 240 Tourer
Poissa
   
 
 Viestin otsikko: Re: C5 08nuusi kori breik jarruvalot pimeenä
ViestiLähetetty: 11.05.2020 20:17 
Käyttäjän avatar

Viestit: 7872
Paikkakunta: Eurajoki

Profiili WWW
Vetokoukun sähkösarja häröilee?



-=Citroën - Yhtä mukava kuin hyvä nojatuoli. Mutta parempi ajaa.=-
-=C-Crosser 2.2HDi '07|C4 Cactus BlueHDi100 ETG '16=-
Poissa
   
 
 Viestin otsikko: Re: C5 08nuusi kori breik jarruvalot pimeenä
ViestiLähetetty: 11.05.2020 21:37 

Viestit: 50
Hehkut on vielä. Lisäjarruvalosta en tiedä. Sen testasin, että maajohdosta ei ole kiinni, eli virtaa ei tule. Sulakkeitahan jarruvaloille ei ole, olikin aika mielenkiintoinen virransaanti.. Luukussa on takavalo, jarruvalo ja sumuvalo. Muut toimii. Pitää seuraavaksi katsoa saako jarruvalojohto maita takaluukun kohdalta, eli onko piuhat kunnossa. Jarruvaloissa ei siis ole sulaketta, vaan jonkinmoinen Pikasulake joka lyö virrat pois häiriön tullessa.


Poissa
   
 
 Viestin otsikko: Re: C5 08nuusi kori breik jarruvalot pimeenä
ViestiLähetetty: 12.05.2020 08:04 
Käyttäjän avatar

Viestit: 7872
Paikkakunta: Eurajoki

Profiili WWW
En tiedä mitkä polttimot X7:ssa on, mutta onhan siellä oikeanlaiset? Ettei ole tungettu 1-lankaista 2-lankaisen tilalle tms.?



-=Citroën - Yhtä mukava kuin hyvä nojatuoli. Mutta parempi ajaa.=-
-=C-Crosser 2.2HDi '07|C4 Cactus BlueHDi100 ETG '16=-
Poissa
   
 
 Viestin otsikko: Re: C5 08nuusi kori breik jarruvalot pimeenä
ViestiLähetetty: 12.05.2020 08:53 
Käyttäjän avatar

Viestit: 7490
Paikkakunta: Taipalsaari
Xantippa kirjoitti:
Ei kai niitä jarruvaloja luukussa ole?
maakiitoalus kirjoitti:
Hehkut on vielä. Lisäjarruvalosta en tiedä. Sen testasin, että maajohdosta ei ole kiinni, eli virtaa ei tule. Sulakkeitahan jarruvaloille ei ole, olikin aika mielenkiintoinen virransaanti.. Luukussa on takavalo, jarruvalo ja sumuvalo. Muut toimii. Pitää seuraavaksi katsoa saako jarruvalojohto maita takaluukun kohdalta, eli onko piuhat kunnossa. Jarruvaloissa ei siis ole sulaketta, vaan jonkinmoinen Pikasulake joka lyö virrat pois häiriön tullessa.
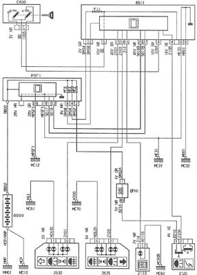
Luukussa on takavalo (seisontavalo), peruutusvalo ja takasumuvalo. Ei ole jarruvaloa.

Liitteet:
C5_Tourer_2008_Takavalot.jpg
C5_Tourer_2008_Takavalot.jpg [ 95.18 KiB | Katsottu 4964 kertaa ]

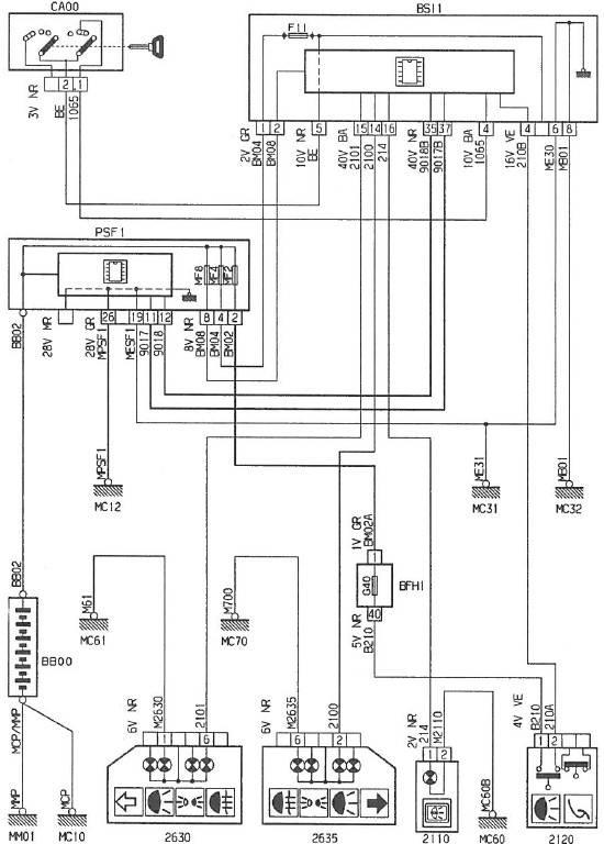
Liitteet:
C5STOP.jpg
C5STOP.jpg [ 91.28 KiB | Katsottu 4964 kertaa ]



VW Passat B7
Poissa
   
 
 Viestin otsikko: Re: C5 08nuusi kori breik jarruvalot pimeenä
ViestiLähetetty: 12.05.2020 12:33 

Viestit: 50
Kiitos tästä. Hävettää kertoa, mutta lamppujen paikat olivat hieman hukassa. Lompakko kyllä tykkäsi, koska selvisin polttimoiden vaihdolla.
Kiitos kaikille vastaajille. :)


Poissa
   
 
Näytä viestit ajalta:  Järjestä  
 Sivu 1/1 [ 8 viestiä ] 


Paikallaolijat

Käyttäjiä lukemassa tätä aluetta: Ei rekisteröityneitä käyttäjiä ja 18 vierailijaa


Kaikki ajat ovat UTC + 2 tuntia [ DST ]


Et voi kirjoittaa uusia viestejä
Et voi vastata viestiketjuihin
Et voi muokata omia viestejäsi
Et voi poistaa omia vestejäsi
Et voi lähettää liitetiedostoja.

Etsi tätä:
Hyppää: