|
| Kirjoittaja |
Viesti |
|
XmTd94
|
Viestin otsikko: Xm 2.5TD -98. Ilmaa pa-letkussa Lähetetty: 09.01.2010 00:55 |
Viestit: 126 Paikkakunta: Pirkanmaa
|
|
Suodattimelta pumpulle menevässä letkussa on pienenpieniä ilmakuplia yhtenä kyynärpäänä ja isompia pikkusormenpään kokoisia kulkee vaaksan välein. Muut letkut ovat läpinäkymätöntä sorttia joten kuplien lähdettä on vaikea päätellä. Olikos näissä jokin tyyppivikapaikka josta kuplat letkuun syötetään? Ei lähde käymään kylmänä, lupaa, rykii ja sammuu....öljytkin oksensi pihalle jostain suodattimen alta....ja isompi syylarikin ratkesi vanhuuttaan....piti olla kova rauta...pikkuvikoja, helppo korjata...
C5 2.0 Hdi Tourer-08 AT
|
|
|
|
 |
|
black_van
|
Viestin otsikko: Re: Xm 2.5TD -98. Ilmaa pa-letkussa Lähetetty: 09.01.2010 12:13 |
Viestit: 3152 Paikkakunta: Nummela
|
|
Ilmeisesti samaa vaivaa kuin mun td-xantiassa. käynti on epätasaista käynnistyksestä. Monet kirjoittivat että pa-suodattimen tiivisteet uusiksi. ja voihan sitä testata pätkällä läpikuultavaa letkua että tuleeko ilmaa tankilta pa-suodattimelle,ottaa vaan tankilta pa-sudattimelle tulevan letkun irti,sovittimella läpikuultava tankilta tulevan jatkoksi
Black Van BX 1.9D -90 Megane 1.9dci -10
|
|
|
|
 |
|
Rychnowo
|
Viestin otsikko: Re: Xm 2.5TD -98. Ilmaa pa-letkussa Lähetetty: 09.01.2010 16:39 |
Viestit: 199
|
|
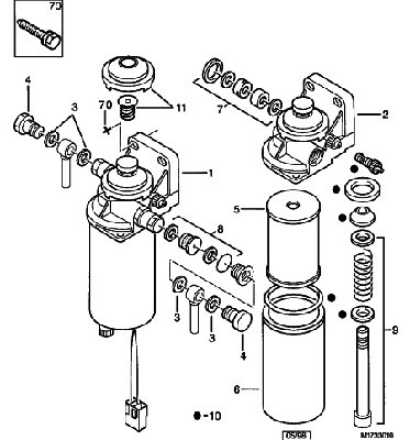
Samaa mieltä black-vanin kanssa. Ekaksi siis kannattaa varmistaa tuon suodatinpömpelin tiiveys. Kohdalle osunut useitakin joissa suodatinpatruunan kotelon ja rungon/kannen välinen tiiviste on ollut luvattoman huono. Joissakin oli jopa jäljistä päätellen tuo kotelo ollut ruuvipenkissä kiinni ja muuttanut selvästi muotoaan ja istui huonosti. Oli kuitenkin ilmeisesti kiristetty juuri vuodon takia hampaat irvessä ja eihän se loppujen lopuksi pitänyt...ilma-tippaa jahdattiin kanssa jonkin aikaa... Kyseessä siis se malli joka sisältää suodatin panoksen purflux c-180. Jostain syystä kaikki varaosa haut yms tarjoavat omaanikin (vm. -98) sitä matalempaa. Mutta ainakin jostain BX:n malleista ja kai joistakin 2,1 Td malleista löytyy tämä korkeampikin malli.
Kuvassa tiiviste pohjan 6 ja kannen/rungon 2 väliin on numeroimaton renkula (suodattimen 5 alla).
Voihan se tietty olla joku noista liittimien tiivisteistäkin. Olisi kokeiltavissa kun ohittaa hetkeksi koko suodatinrakennelman. Omaa ei ole koskaan tarvinnut ihmeemmin ilmailla suodattimen vaihdon jälkeen, olen puristanut ensin tulo ja lähtöletkun lyttyyn ja suodatin koteloon niin paljon naftaa kun suosiolla pysyy. Kiristys ja letkut auki ja avaimesta käyntiin
Toinen tyyppi vika on se lohkon päässä majaileva lämmityselementti, lienee kuitenkin jo ohitettu. Ainakin yleensä näin on ollut lähes kaikissa näkemissäni.
| Liitteet: |

suodatinpaketti.jpg [ 55.46 KiB | Katsottu 6259 kertaa ]
|
|
|
|
|
 |
|
Wesa
|
Viestin otsikko: Re: Xm 2.5TD -98. Ilmaa pa-letkussa Lähetetty: 09.01.2010 17:08 |
Viestit: 1335 Paikkakunta: Järvenpää
|
|
On se kova rauta..., no omassa vuotta vanhemmassa on ollut kahta aiheeseen liittyvää vikaa. Eli jo mainittu naftan esilämmitin joka oli ostaessa ohitettu, yritin korjata ja saada tiiviiksi, en onnistunut ja saman ongelma teki. Toinen tuli viime kesänä, alkoi huonolla käynnistyvyydellä ja johti liikennevalosammumisiin ja lyhyisiin käyntipätkiin startin jälkeen. Syynä suodattimen yläpään ilmauspumpun kalvo. Pikakorjauskena toimi kuukauden verran sikaflexi jota laitoin bensalla puhditsetuun ilmausnapin ja kansipellin rakoon. Jos esilämmitin on käytössä veikkaan 90% varmuudella että se on syyllinen. Jos suodattimelta sukeltaa pari letkua sinne koneen kylkeen alas,eikä vapaita tai tulpattuja letkunpäitä näkyvissä, on lämppäri käytössä. En ole tarinnut ainakaan -30 kelissä vielä. Suodatin on aika lämpöisessä paikassa, vaikka hyytyisi, moottorin lämpö paikallaan ollessa sulattaa sen nopeasti.
Syylärit on hapertuvaa sorttia noissa, mutta ole tarkkana tekeekö kovastti painetta jäähdytydjärjestelmään. Jos letkut pullistelee kovasti jo lämpiämisen alkuvaiheessa, tai jäähtyneestä koneesta tussahtaa paisarin korkkia avatessa kovasti, on kansi halki. Parhaiten sen saa selville ilmaamalla jäähdytyksjärjestelmän ohjeen mukaisella pullovirityksellä paisarin päällä. Jos kuplat ei ota loppuakseen ja pineten polkaisujen jälkeen tulee aina vaan ilmaa puolen tunnin tai parin kolmen flekstikäynnin jälkeen, on kansi todennäköisesti kaput. Onneksi on halpa je helppo remontti, -tosin sunnilleen samanhintainen kuin auton arvo saksassa. Rauta on kyllä ihan kovaa tuossa mutta kansi alua ja kestää niin kauan kun pysyy pehmeänä ja sitkeänä? Aiankin kansi jonka omaani vaihdoin oli normaalin pehmoista alua mutta vanha oli melkein valuraudan kovuisen tuntuista ja saundi aivan toinen kilautettaessa. Liekö kyse jostakin vanhenemisen ja lämpötilavaihteluiden mukanaan tuomisesta erkautumiskarkenemisesta? En nyt muista noita alumiiniseosten karkenemismetodeja mutta jotain sinne päin, tai sitten vaan orkkis kansi, jossa halkeamat kolmen pytyn venttiilien välissä, oli eri materiaalia)
Xantia Activa Tct -96 CX 20 TRE -88 -> 22i projekti, CX 25 Prestige -84 GS X3 ZEV-projekti, C5 2.2 HDI 170 -08 XM V6 A. -95 C6 2.7 HDi
|
|
|
|
 |
|
rami
|
Viestin otsikko: Re: Xm 2.5TD -98. Ilmaa pa-letkussa Lähetetty: 09.01.2010 19:20 |
Viestit: 6
|
|
Itselläni 2.1 TD:ssä oli tankilta tuleva rintapellin ja moottorin välissä oleva kumiletku (joka vanhuuttaan pakkasessa on varsin jäykkää tavaraa) menossa hyvää vauhtia poikittain poikki. Vuoti sen verran ilmaa että startissa ja tyhjäkäynnillä hieman oikutteli. Ensiapuna teippiä ja uuden letkun vaihto mahdollisimman pian.
|
|
|
|
 |
|
XmTd94
|
Viestin otsikko: Re: Xm 2.5TD -98. Ilmaa pa-letkussa Lähetetty: 10.01.2010 23:30 |
Viestit: 126 Paikkakunta: Pirkanmaa
|
Käy ja kukkuu jälleen! Suodattimelta pumpulle menevän letkun molemmat liitokset paljastuivat ilmakuplien sisäänajopaikoiksi. Letku oli mitäliepuutarhaletkua, kovettunutta ja liian paksua,sisämitta. n 12mm. Lisäksi ainakin yksi hehku oli pimeä (toinen taisi särkyä irroitettaessa). Nyt lähtee käymään niinkuin kuuluukin, kuin palmun alta.  Syylarin kanssa saatoin vielä päästä säikähdyksellä, voi olla että vuotaa ylävesiletkun liitoksesta, klemmari oli löysällä. Ajoin lämpimäksi ja kiristin klemmarin, katsotaan auttoiko. Öljyvuoto seurannassa. Kiitokset kaikille kortensa kekoon kantaneille!
C5 2.0 Hdi Tourer-08 AT
|
|
|
|
 |
|
Rychnowo
|
Viestin otsikko: Re: Xm 2.5TD -98. Ilmaa pa-letkussa Lähetetty: 11.01.2010 00:15 |
Viestit: 199
|
|
Hyvä jos alkaa tulemaan taas ajokuntoon. Onneksi näihin saa vielä jäähdyttimiäkin tarvittaessa, noihin ketjukoneellisiin V6:iin alkavat olla harvassa... Kuvassa on mahdollisia öljynvuoto paikkoja tarjolla tuon suodatinjalan seutuvilta, toivottavasti selviää...
| Liitteet: |

DK5ATE.jpg [ 69.72 KiB | Katsottu 6266 kertaa ]
|
|
|
|
|
 |
|
black_van
|
Viestin otsikko: Re: Xm 2.5TD -98. Ilmaa pa-letkussa Lähetetty: 11.01.2010 00:34 |
Viestit: 3152 Paikkakunta: Nummela
|
XmTd94 kirjoitti: Käy ja kukkuu jälleen! Suodattimelta pumpulle menevän letkun molemmat liitokset paljastuivat ilmakuplien sisäänajopaikoiksi. Letku oli mitäliepuutarhaletkua, kovettunutta ja liian paksua,sisämitta. n 12mm. Lisäksi ainakin yksi hehku oli pimeä (toinen taisi särkyä irroitettaessa). Nyt lähtee käymään niinkuin kuuluukin, kuin palmun alta.  Syylarin kanssa saatoin vielä päästä säikähdyksellä, voi olla että vuotaa ylävesiletkun liitoksesta, klemmari oli löysällä. Ajoin lämpimäksi ja kiristin klemmarin, katsotaan auttoiko. Öljyvuoto seurannassa. Kiitokset kaikille kortensa kekoon kantaneille! Hyvä että tuli kuntoon,sama vika xantiassani edelleen koska en ole vielä rohjennut/innostunut selvittämään asiaa. Tämän vian selviäminen varmasti rohkaisee minutkin letkujen ja tiivisteiden uusintaan 
Black Van BX 1.9D -90 Megane 1.9dci -10
|
|
|
|
 |
|
Croisette
|
Viestin otsikko: Re: Xm 2.5TD -98. Ilmaa pa-letkussa Lähetetty: 11.01.2010 00:38 |
Viestit: 2006 Paikkakunta: Tampere
|
|
Öölivuotoon, niin otappa suodatin irti, ja kokeile onko tuo mutteri/pultti (kuvassa osa 2) kunnolla kiinni? Hyvin tyypillistä, että tuo löystyy ajansaatossa, kun suodatinta vaihdellaan, samalla kierteellä kun ovat...
|
|
|
|
 |
|
XmTd94
|
Viestin otsikko: Re: Xm 2.5TD -98. Ilmaa pa-letkussa Lähetetty: 18.01.2010 22:58 |
Viestit: 126 Paikkakunta: Pirkanmaa
|
Croisette kirjoitti: Öölivuotoon, niin otappa suodatin irti, ja kokeile onko tuo mutteri/pultti (kuvassa osa 2) kunnolla kiinni? Hyvin tyypillistä, että tuo löystyy ajansaatossa, kun suodatinta vaihdellaan, samalla kierteellä kun ovat... Kiitos vinkistä, löysällä oli!
C5 2.0 Hdi Tourer-08 AT
|
|
|
|
 |
|
|