Sitruunapatonki.fi
http://www.sitruunapatonki.fi/forum/

Jumper -96 2.5 TD äänimerkki
http://www.sitruunapatonki.fi/forum/viewtopic.php?f=9&t=34988
Sivu 1/1

Kirjoittaja:  Xaateri [ 17.09.2025 10:25 ]
Viestin otsikko:  Jumper -96 2.5 TD äänimerkki

Mistähän Jumperin äänitorvi mahtaa sijaita. Ei auttanut sulake eikä ratin painikkeen tarkistus/liitin.

Teholampulla päältäpäin katsottuna ei kyllä löytynyt. Ei se vain ole jossain lokasuojan kätköissä?

Kirjoittaja:  Xmveku [ 18.09.2025 08:36 ]
Viestin otsikko:  Re: Jumper -96 2.5 TD äänimerkki

Muistelisin, että torvi on vasemman ajovalon alapuolella. Johdot varmaankin hapettuneet...

Kirjoittaja:  Xaateri [ 22.09.2025 15:58 ]
Viestin otsikko:  Re: Jumper -96 2.5 TD äänimerkki

Kiitos vinkistä.

En kyllä saanut äänitorven näköistä silmiini. Lamppu näyttää olevan 3:lla ruuvilla kiinni. Joten onko kuljettaja puoleinen ajovalo vasemmalla vai..?

Kirjoittaja:  Xmveku [ 23.09.2025 09:07 ]
Viestin otsikko:  Re: Jumper -96 2.5 TD äänimerkki

Joo, kuljettajan puoli on vasen. Tutulla oli joskus ducato josta se otti keulasta pois lamppujen alapuolella olevan pellin. En muista onko lampun alla vaakatasossa joku pelti estämässä näkymää jos ottaaa lampun pois, voihan sitä kokeilla.

Kirjoittaja:  Larsanjus [ 23.09.2025 11:00 ]
Viestin otsikko:  Re: Jumper -96 2.5 TD äänimerkki

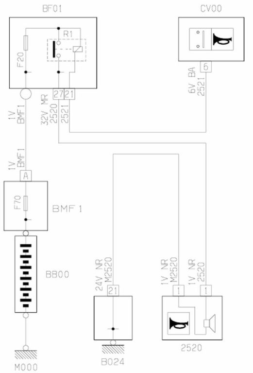
Nämä on vähän uudemman mallin kuvat, mutta vahva veikkaus on samansuuntaisesta asennuksesta vanhemmassakin.
Näyttäisi olevan myös rele tuolla konehuoneen boksissa tuolle torvelle.

Liitteet:
2025-09-23 10_50_44rs.jpg
2025-09-23 10_50_44rs.jpg [ 29.78 KiB | Katsottu 1349 kertaa ]
2025-09-23 10_50_21-.jpg
2025-09-23 10_50_21-.jpg [ 76.19 KiB | Katsottu 1349 kertaa ]

Kirjoittaja:  Xaateri [ 01.10.2025 15:27 ]
Viestin otsikko:  Re: Jumper -96 2.5 TD äänimerkki

Kiitos avusta.

Siellähän se piileskeli kuskin puoleisen ajovalon alla.
Kun avustajan kanssa todettiin piipin lähettävän 12 V liittimiin, niin ostoksille.
Kympillä löytyi 3A 12 V äänitorvi.
Samalla tuli todistettua vanhojen liittimien oireet. Vilkkuvalo jäi ensin pimeäksi mutta kun hehku näytti ehjältä, niin WD 40 suihkaus liittimiin ja vilkkuu taas.

Sivu 1/1 Kaikki ajat ovat UTC + 2 tuntia [ DST ]
Powered by phpBB © 2000, 2002, 2005, 2007 phpBB Group
http://www.phpbb.com/