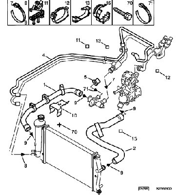
Kaikille kiinnostuneille tiedoksi: Kyllä, tuo letku kiertää koneen takaa syylärille asti. Itse en lähtenyt koko letkua vaihtamaan, vaan korjasin tuosta vain tuon ihan päädyn. Tuo paksennettu kulmapala tuossa vain oli haperoa, itse letku oli vielä ihan hyvä.
Jännä, miten Xantia alkoikin nyt puhaltamaan entisen lämpimän sijaan suorastaan polttavan kuumaa... Vaikka niin tarkkaan luulin ilmanneeni tuon systeemin oikein ilmauspullon kanssa.

No, pääasia että vedet pysyy nyt sisällä ja veden lämpökin keikkuu taas siististi siinä 80-90 välillä.