|
| Kirjoittaja |
Viesti |
|
damiw
|
Viestin otsikko: Jäähdytysflektin releen korvaus Lähetetty: 03.05.2010 20:21 |
Viestit: 2
|
|
Löysin Xsarastani 3 vihreää relettä merkinnällä G. Cartier 12V-35A-03531. Tarkoitukseni on vaihtaa ne, koska yhden kärjet ovat hitsautuneet kiinni. Oireiluna mainittakoon jäähdyttimen puhaltimen sammumattomuus.
Kyseinen rele on vastuksellista mallia, enkä löytänyt vastaavaa Motonetistä, Biltemasta enkä AD-varaosaliikkeestä. Nyt sain käsiini releitä jotka muuten käyvät, mutta virtamerkinnät häiritsevät.
Osaisiko joku valaista mitä tarkoittaa merkintä 12V-40A/15A? Mikä virta on 40A? Mikä virta on 15A? Voiko tuolla korvata alkuperäisen?
(Releen merkki ja tyyppi Nagares RLP/52-12R)
|
|
|
|
 |
|
ealab
|
Viestin otsikko: Re: Jäähdytysflektin releen korvaus Lähetetty: 03.05.2010 20:43 |
Viestit: 4467 Paikkakunta: Paimio
|
|
Saattaisi olla virrat ohmisella, lamppukuormalla ja induktiivisella, sähkömoottorikuormalla. Olisi ainakin järkeenkäypää.
|
|
|
|
 |
|
Kpt. Hans Sauber
|
Viestin otsikko: Re: Jäähdytysflektin releen korvaus Lähetetty: 03.05.2010 20:59 |
Viestit: 170 Paikkakunta: Kotka
|
|
Kyseessä on vaihto(kärki)rele. Eli siis lukemat ovat maksimivirtamäärät releen asennosta riippuen.
|
|
|
|
 |
|
Kaapelimies
|
Viestin otsikko: Re: Jäähdytysflektin releen korvaus Lähetetty: 03.05.2010 21:09 |
Viestit: 2708 Paikkakunta: Päijät-Häme
|
Mä taas veikkaisin että kytkentävirta 15A ja kärjet kiinni kestää 40A. Edittiä: Löyty datasheetti ko. releelle, ja tosiaan vaihtoreleen toinen kontakti on ohuemmalle sähkölle  . Tulihan tuommoinenkin nähtyä 
2x C5HDi Break erikoppaset, 2x Xantia Bk 19TD Aut & 2.0HDi, 3x BX 19 TZi Vaninaihio (2xAut), BX Van 18TD, BX4WD Break, BX Van D projekt, InvaBX 16TRS Aut; 3x2CV6. 2xVisa14TRS; XM 2,5TD Break; BX 18TD Break Aut + BX Van D Aut+XM 2,5TD BK
|
|
|
|
 |
|
Kpt. Hans Sauber
|
Viestin otsikko: Re: Jäähdytysflektin releen korvaus Lähetetty: 03.05.2010 21:21 |
Viestit: 170 Paikkakunta: Kotka
|
Kaapelimies kirjoitti: Löyty datasheetti ko. releelle, ja tosiaan vaihtoreleen toinen kontakti on ohuemmalle sähkölle  . Tulihan tuommoinenkin nähtyä  Liekö puhaltimien ohjaus olevan kuten Xantiassa, eli puolinopeudella käyvät 6 voltilla (sarjassa) ja täydellä teholla 12 voltilla (rinnan). Tästä syystä eri virtamäärät.
|
|
|
|
 |
|
laakeri
|
Viestin otsikko: Re: Jäähdytysflektin releen korvaus Lähetetty: 03.05.2010 22:02 |
Viestit: 7490 Paikkakunta: Taipalsaari
|
Kpt. Hans Sauber kirjoitti: Liekö puhaltimien ohjaus olevan kuten Xantiassa, eli puolinopeudella käyvät 6 voltilla (sarjassa) ja täydellä teholla 12 voltilla (rinnan). Tästä syystä eri virtamäärät. Öö, miksi ihmeessä tuon takia pitäisi vaihtokoskettimen toisesta puolesta tehdä vähemmän virtaa kestävä? Ei kai siitä oikeasti voi tulla säästöjä?
VW Passat B7
|
|
|
|
 |
|
Kpt. Hans Sauber
|
Viestin otsikko: Re: Jäähdytysflektin releen korvaus Lähetetty: 03.05.2010 22:14 |
Viestit: 170 Paikkakunta: Kotka
|
laakeri kirjoitti: Kpt. Hans Sauber kirjoitti: Liekö puhaltimien ohjaus olevan kuten Xantiassa, eli puolinopeudella käyvät 6 voltilla (sarjassa) ja täydellä teholla 12 voltilla (rinnan). Tästä syystä eri virtamäärät. Öö, miksi ihmeessä tuon takia pitäisi vaihtokoskettimen toisesta puolesta tehdä vähemmän virtaa kestävä? Ei kai siitä oikeasti voi tulla säästöjä? No ehkä säästöä per rele ei hirveästi tule, mutta kun releitä on pantu suurimpaan osaan Xsaroista ja Xantioista ja varmasti aika moneen muuhunkin malliin, nii liekö sittenkin, että säästöä tulee? Tuntuuhan se järjettömältä, mutta muuta selitystä en kyllä keksi.
|
|
|
|
 |
|
ealab
|
Viestin otsikko: Re: Jäähdytysflektin releen korvaus Lähetetty: 03.05.2010 22:34 |
Viestit: 4467 Paikkakunta: Paimio
|
|
Sekin vaikuttaa, että rele vetäneenä on vetäneenä yhdistävässä koskettimessa kosketinpaine paljon suurempi, kuin päästäneenä yhdistävässä koskettimessa. Ja tuo aiemmin sanomani myös vaikuttaa, jos nyt ei aivan autoreleissä, vaan muissa releissä.
|
|
|
|
 |
|
damiw
|
Viestin otsikko: Re: Jäähdytysflektin releen korvaus Lähetetty: 04.05.2010 20:06 |
Viestit: 2
|
Kaapelimies kirjoitti: Mä taas veikkaisin että kytkentävirta 15A ja kärjet kiinni kestää 40A. Edittiä: Löyty datasheetti ko. releelle, ja tosiaan vaihtoreleen toinen kontakti on ohuemmalle sähkölle  . Tulihan tuommoinenkin nähtyä  Eli siis oliko 40A virta sulkeutuvalle koskettimelle? Ja 15A avautuvalle? Aika monessa vaihtoreleessä näkyy olevan kaksi virtamerkintää, monessa on vain toisinpäin, esim. 20A/30A. Löytyikö datasheet netistä? Itse en löytynyt. Niin, alkuperäinen rele kertoi virrankestoksi pelkän 35A. Ja auto ei käytä avautuvaa kosketinta mihinkään, relekannassa ei ole edes kosketinta 87a navalle. Autossa on yksi flekti jota ohjaa 3 relettä. Yhden releen ohjauspuolessa on jotain vikaa, koska rele hitsautui parissa viikossa kiinni. Eikä ole ylikuumentunut, HDI kyseessä. Ilmeisesti kahta muuta relettä ohjaa ecu, ja tämä hajoava on jollain muulla ohjauksella.
|
|
|
|
 |
|
ealab
|
Viestin otsikko: Re: Jäähdytysflektin releen korvaus Lähetetty: 04.05.2010 21:16 |
Viestit: 4467 Paikkakunta: Paimio
|
|
Pyöriikö flekti ilman sanottavaa kitkaa, jäykkyyttä. Ainakin pitäisi. Jos ei pyöri, niin silloin moottorin ottama virta on huomattavasti suurempi, kuin mitä hyvin pyöriessään ottaa. Jos flekti ei pääsisi ollenkaan pyörimään, se olisi oikeastaan oikosulku.
|
|
|
|
 |
|
Kpt. Hans Sauber
|
Viestin otsikko: Re: Jäähdytysflektin releen korvaus Lähetetty: 04.05.2010 21:43 |
Viestit: 170 Paikkakunta: Kotka
|
|
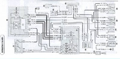
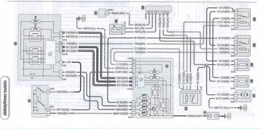
Katselin C5:n kytkentäkaavioita ja niissä näyttäisi olevan samanlainen kytkentä, eli 3 relettä ja yksi puhallin (vrt. Xantian 3 relettä ja 2 puhallinta). Ohessa kytkentäkaavio mokomalle, jota tutkiskelemalla pystynee muodostamaan käsityksen mokoman sielunelämästä.
Tietty voihan Xsarassa olla vielä jotain eroavaisuuksia, mutta ehkä jotain iloa kaaviosta on...
| Liitteet: |

Abkühlung.JPG [ 96.59 KiB | Katsottu 9421 kertaa ]
|

Teilung.JPG [ 110 KiB | Katsottu 9392 kertaa ]
|
|
|
|
|
 |
|
laakeri
|
Viestin otsikko: Re: Jäähdytysflektin releen korvaus Lähetetty: 04.05.2010 22:09 |
Viestit: 7490 Paikkakunta: Taipalsaari
|
ealab kirjoitti: Sekin vaikuttaa, että rele vetäneenä on vetäneenä yhdistävässä koskettimessa kosketinpaine paljon suurempi, kuin päästäneenä yhdistävässä koskettimessa. Tekeekö se tosiaan noin ison eron (40 A vs 15 A)? Tietty, jos on todella löysä jousi ja speksattu virta on sellainen, jonka pystyy vielä luotettasti katkaisemaan?
VW Passat B7
|
|
|
|
 |
|
|