Kaikki ajat ovat UTC + 2 tuntia [ DST ]




 Sivu 1/1 [ 9 viestiä ] 
Kirjoittaja Viesti
 Viestin otsikko: Xsara 1998 (ei CAN) hälyttimen asennuksesta
ViestiLähetetty: 26.06.2010 12:44 
Käyttäjän avatar

Viestit: 85
Paikkakunta: Jyväskylä
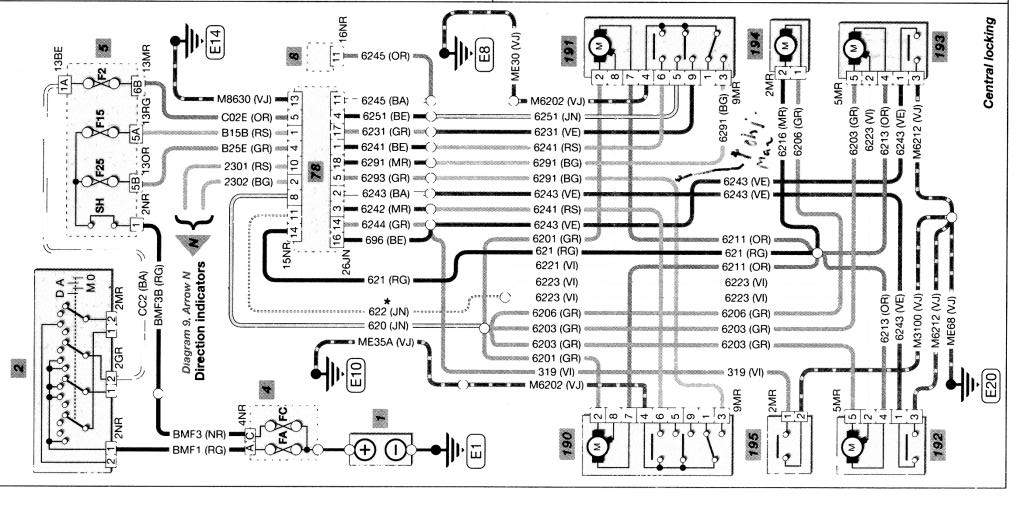
Ajattelin asentaa hälyttimen/keskuslukon ohjauksen I-koppaiseeen 1.8-16v vm. 98 Xsaraan. Mistään ei löytynyt ohjetta, miten kytketään keskuslukon ohjaus. II-koppaiseen CAN väyläiseen kylläkin. Toimineeko samalla tavalla kuin Zx:ssä, eli boxin johtoa/johtoja maadoittamalla ? Eli siis johtoa 6291 liitekuvassa ? ZX volcane kytkentä liitteenä myös.

Löytyisikö jollakin jonkin muun hälyttimen suoraa ohjetta välille hälytin-xsaran johtokoodit, josta saisi vinkkiä ?


Liitteet:
Tiedoston kommentti: Volcane keskuslukon ohjaus
Avital_2300_volcane_keskuslukko_768.jpg
Avital_2300_volcane_keskuslukko_768.jpg [ 78.97 KiB | Katsottu 9196 kertaa ]
Tiedoston kommentti: Xsara 1998 keskuslukon värikoodit
Xsara_18_16v_vm1998_Keskuslukko_värikoodit_1024.jpg
Xsara_18_16v_vm1998_Keskuslukko_värikoodit_1024.jpg [ 44.41 KiB | Katsottu 9186 kertaa ]
Tiedoston kommentti: Xsara vm. 1998 keskuslukitus sähkökaavio
Xsara_18_16v_vm1998_Keskuslukko_eivärikoodeja_1024_768.jpg
Xsara_18_16v_vm1998_Keskuslukko_eivärikoodeja_1024_768.jpg [ 99.57 KiB | Katsottu 9221 kertaa ]
Poissa
   
 
 Viestin otsikko: Re: Xsara 1998 (ei CAN) hälyttimen asennuksesta
ViestiLähetetty: 26.06.2010 15:04 
Käyttäjän avatar

Viestit: 7490
Paikkakunta: Taipalsaari
sotko_volcane kirjoitti:
Mistään ei löytynyt ohjetta, miten kytketään keskuslukon ohjaus. II-koppaiseen CAN väyläiseen kylläkin.
Johtunee siitä, että ei-CAN:illiseen ei nyt mitään erityistä ohjetta tarvita, se vain laitetaan ;)
sotko_volcane kirjoitti:
Löytyisikö jollakin jonkin muun hälyttimen suoraa ohjetta välille hälytin-xsaran johtokoodit, josta saisi vinkkiä ?
Kun saataisiin aluksi selvitettyä, minkämerkkinen hälytin on kyseessä, niin siihen voitaisiin etsiä pinoutti jostain ja xsaran kytkishän siulla näkyikin jo liitteenä olevan. Niiden avulla sitten yhdessä pitäisi onnistua ilman sen kummempia? Yleismittarin kanssa vaan heilumaan.



VW Passat B7
Poissa
   
 
 Viestin otsikko: Re: Xsara 1998 (ei CAN) hälyttimen asennuksesta
ViestiLähetetty: 26.06.2010 16:50 
Käyttäjän avatar

Viestit: 85
Paikkakunta: Jyväskylä
Enpä noin vaan menisi laittelemaan can väyläiseen satunnaisia purnukoita kiinni. Voisi käydä kalliiksi. Saa pahimmillaan ajonestolootan sekaisin tms.

Asiaan. Eli esimerkkinä vaikkapa Avital 2300 tai 3100 (halytin.com). Ko. laitteista hyviä kokemuksia.
Esimerkiksi toimii loistavasti volcanessa, missä alkuperäinen infra-avain oli hukattu ja uusi olisi maksanut yli 500 euroa ...

Eli kiinnostaa lähinnä, että kytketäänkö esim. vaan tuohon pinniin 6291 vain useampaan maapisteeseen. Eli riittääkö vain yhden johdon maadoitus flip/flop tyylisesti vai pitääkö olla erikseen sulku/avauspulssi ja mihin johtoon kytketään ? Tässä mallissa ei ilmeisesti tarvita chipin siirtoa avaimesta uuteen avaimeen tms ?

Btw. Syy miksi haluan uuden ohjauksen - Xsaran oma ohjaus kauko-ohjaimella toimii satunnaisesti jos silloinkaan. Lukon kautta toimii ok. Patterit vaihdettu ja mikrokytkimet kunnossa, mutta kun ei vaan toimi kunnolla. Jostain syystä kostealla kelillä toimii paremmin ! Jonkin aikaa saattaa toimia jos tekee resetin (virta pois - nappi päälle + pitoa 20 sek + virta off.) Olen myös kokeillut tuota toista resettiä eli akkukaapeli irti 20-30 min. Kaapeli kiinni - napista ovet on - off ---> ei vaikutusta.


Poissa
   
 
 Viestin otsikko: Re: Xsara 1998 (ei CAN) hälyttimen asennuksesta
ViestiLähetetty: 26.06.2010 16:53 
Käyttäjän avatar

Viestit: 85
Paikkakunta: Jyväskylä
Ai niin, unohtui sanoa - tuo ylin kuva on juuri avital 2300:n kytkentä etupenkin välissä olevaan keskuslukon ohjainboxiin.


Poissa
   
 
 Viestin otsikko: Re: Xsara 1998 (ei CAN) hälyttimen asennuksesta
ViestiLähetetty: 27.06.2010 11:12 
Käyttäjän avatar

Viestit: 7490
Paikkakunta: Taipalsaari
Onkos tuo kytkis oikeanpuoleisella ohjauksella olevaan malliin, kun RH Front lukolle menee enemmän piuhoja, kuin LH? :?:



VW Passat B7
Poissa
   
 
 Viestin otsikko: Re: Xsara 1998 (ei CAN) hälyttimen asennuksesta
ViestiLähetetty: 27.06.2010 16:06 
Käyttäjän avatar

Viestit: 85
Paikkakunta: Jyväskylä
Nyt kun sanoit, niin taitaapa olla ratti oikealla puolella kuvassa. Voinee päätellä myös siitä, että hanskalokeron kytkinkuva on vänkärin puolella piirikaaviossa. Mielenkiintoista, syynä taitaa olla se, että kuva on otettu Englanninkielisestä Haynes oppaasta, joka on tosin ostettu Suomesta.

No ihmettelinkin, että mitenkähän nämä johdot tässä menevät. Ilmeisesti kuvassa myös painonappikytkimet (piste viiva yläpuolella piste) kuvaavat noita ovissa sisäpuolella olevia lukituskytkimiä, vaikka oikeasti ne jäävät kiinniasentoon ...


Poissa
   
 
 Viestin otsikko: Re: Xsara 1998 (ei CAN) hälyttimen asennuksesta
ViestiLähetetty: 27.06.2010 16:47 
Käyttäjän avatar

Viestit: 7490
Paikkakunta: Taipalsaari
Myös Alfamerin oppaissa on kytkikset oikeanpuoleisella ohjauksella oleville. Ilmeisesti eivät tiedä vielä, että Suomessa on oikeanpuoleinen liikenne. :?
Itse ainakin mittaisin noiden kytkimien toiminnan boksin päästä vielä varmuudeksi ennen kytkentöjä, eihän tuossa sitten pitäisi mitään epäselvää olla?



VW Passat B7
Poissa
   
 
 Viestin otsikko: Re: Xsara 1998 (ei CAN) hälyttimen asennuksesta
ViestiLähetetty: 28.06.2010 18:35 
Käyttäjän avatar

Viestit: 85
Paikkakunta: Jyväskylä
Täytyypä mittailla ja kytkeä sopivan kytkimen rinnalle. Kiitos vinkeistä !
Vielä kysymys. Missäpäin sijaitsee tuo alkuperäisen avaimessa olevan lähettimen vastaanotin ? Onko se siinä ajonestoboxissa ratin oikealla puolella kojelaudan alla. Jostain syystä avain toimii useimmiten lähellä ovea lukon tienoilla ... Ihan kuin vastaanotin olisi ovessa ...


Poissa
   
 
 Viestin otsikko: Re: Xsara 1998 (ei CAN) hälyttimen asennuksesta
ViestiLähetetty: 28.06.2010 21:56 
Käyttäjän avatar

Viestit: 85
Paikkakunta: Jyväskylä
Löysin täältä erään hälytiasennusoppaan josta loppuosasta löytyi xsara 1997 kytkentä.
Linkki tässä: http://www.gamma.dk/GAMMA/ALARM/Citroen.pdf
Sen mukaan voidaan ohjaus toimii "one wire negative control periaatteella. Eli apumiehen puolelta voidaan maattaa tuo 6293 (gr=harmaa) johto. = on/off.
Varmaankin järkevämpää on maattaa hälyllä tuota kuskin puolen Beigeä johtoa 6291. Toiminee samoin.


Poissa
   
 
Näytä viestit ajalta:  Järjestä  
 Sivu 1/1 [ 9 viestiä ] 


Paikallaolijat

Käyttäjiä lukemassa tätä aluetta: Ei rekisteröityneitä käyttäjiä ja 3 vierailijaa


Kaikki ajat ovat UTC + 2 tuntia [ DST ]


Et voi kirjoittaa uusia viestejä
Et voi vastata viestiketjuihin
Et voi muokata omia viestejäsi
Et voi poistaa omia vestejäsi
Et voi lähettää liitetiedostoja.

Etsi tätä:
Hyppää:  

cron