Kaikki ajat ovat UTC + 2 tuntia [ DST ]




 Sivu 1/1 [ 17 viestiä ] 
Kirjoittaja Viesti
 Viestin otsikko: XM Y4 - ABS kenkkuilua
ViestiLähetetty: 13.08.2010 14:12 
Käyttäjän avatar

Viestit: 755
Paikkakunta: Nurmijärvi
Tervehdys!

Kuten tuolla toisaalla olen jo aiemmin vihjaillut, on tuo XM:ni ABS alkanut kenkutella. Mittariston valo jää startin jälkeen pienen värinän jälkeen palamaan. Aiemmin teki tuota silloin tällöin nyt "ison" remontin jälkeen aina.

Tutkittuani systeemiä aikani löysin todennäköisen syyn valon käyttäyttäytymiseen. ABS-rele ei vedä. Mutta syy ei ole releessä vaan kontrolliboksilta päin tuleva maa on hieman heikkoa (70 ohm auton maahan) aiheuttaen releen vetopiiriin 6V jännitteen.

Kuulin, että tuo rele olisikin maaohjattu. Miten tuo kontrolliboksi tuota maata oikein pitäisi tarjoilla? Miten kotrolliboksi on itsessään maadoitettu?

Ps. Y4:ssahan tuo kontrolli on samassa kuin se hässäkkä, johon putket menevät.... Ja on ahtaassa paikassa coolerin takana vasemman putken alla...



Terveisin
Tero, Taaborin tuunaaja, vintage-autoilija
Poissa
   
 
 Viestin otsikko: Re: XM Y4 - ABS kenkkuilua
ViestiLähetetty: 13.08.2010 15:03 
Käyttäjän avatar

Viestit: 3152
Paikkakunta: Korpilahti

Profiili WWW
Kuva

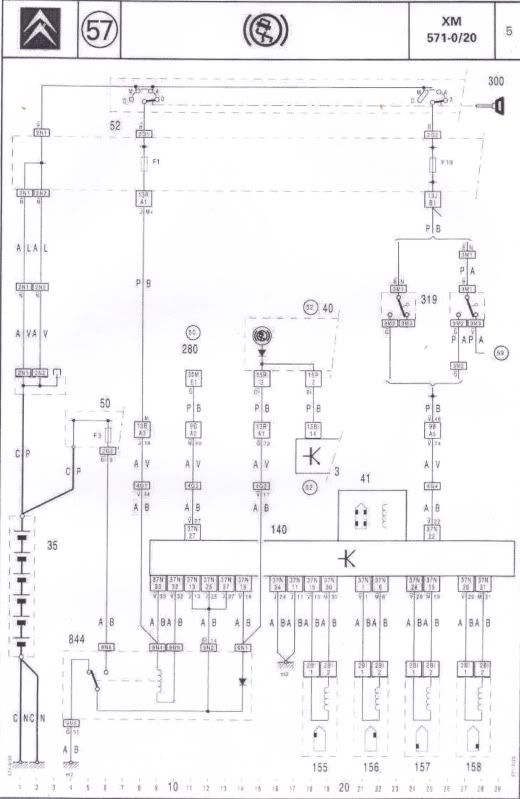
Rele saa plusasähkönsä virtalukolta, nyt siis ohjauspiiristä puhutaan, samasta piuhasta mistä ABS:n älli saa sähköt. Maadoitus on sitten kuskinpuolen maadoituspisteessä, ja releen maadoitus tulee ällipurkin kautta jos ällipurkki on sitä mieltä että relettä olisi suotavaa vetää...Ällipurkilta siis tulee maadoituskomento pinnistä 32, ja releen komennot menee sitten suoraan pinneihin 13, 25 ja 37 sekä diodin kautta pinniin 16 ja mittaritaulun merkkivalolle sekä pistematriisinäytölle.

Ällipurnukka on maadoitettu pinneistään 11 ja 24, sähköä sille tulee virtalukolta pinniin 33 ja jarruvalolta tieto pinniin 22...

Tulee vaan mieleen että olisko jääny etukulman maapiuhoista yks irti keulaa kasatessa..? Jääpi aika heleposti, tiedän kokemuksesta...



Dyane 4x4 IE, Sm 2.7, Dyane IE, C8 2.2
Series -LantikanPätkä
Poissa
   
 
 Viestin otsikko: Re: XM Y4 - ABS kenkkuilua
ViestiLähetetty: 14.08.2010 21:06 
Käyttäjän avatar

Viestit: 755
Paikkakunta: Nurmijärvi
Onko tuon ABS-ällin toiminnasta tietoa? Missä tilanteessa sen pitäisi antaa releelle vetokäskyä?

Ps. Kaikki maapiuhat olivat kiinni siinä vasemmassa sisälokasuojassa. Onko älliboksilla vielä jotain suoraa maata vierellään?
Boksin kuori ei tuntunut olevan maissa...



Terveisin
Tero, Taaborin tuunaaja, vintage-autoilija
Poissa
   
 
 Viestin otsikko: Re: XM Y4 - ABS kenkkuilua
ViestiLähetetty: 14.08.2010 21:30 
Käyttäjän avatar

Viestit: 3152
Paikkakunta: Korpilahti

Profiili WWW
Usko jo, ei sinne mitään muuta maata tule kuin tuon kuvan mukainen..!

Releelle tulee ohjausta kun ällipurkki on havainnut kaiken olevan kunnossa, eli anturit ja syöttöjännite on OK. Ja kun kerran se releen maapiuha ei mene lähellekään nollaa volttia vaan jää kuuden voltin tietämille, niin jossain muualla on vikaa, keskity tuonne, älä ällirasian toimintaan...

Ota vaikka se ällipurkin liitin sen verran suojauksistaan auki että pääset releen ohjauspiuhan mittaamaan, ja katso minkälaista jännitetasoa sinne syntyy kun sähköjä kytkee. Jos tuolla jännite menee nollan lähelle mutta releellä edelleen on kuuden voltin lähellä, niin matkalla on huono liitos. Jos taas tuollakin jännite on korkeammalla, niin ällipurkin maadoituksessa/ällipurkissa itsessään on vika, vaihtoehdot alkaa olla nämä...



Dyane 4x4 IE, Sm 2.7, Dyane IE, C8 2.2
Series -LantikanPätkä
Poissa
   
 
 Viestin otsikko: Re: XM Y4 - ABS kenkkuilua
ViestiLähetetty: 14.08.2010 22:37 
Käyttäjän avatar

Viestit: 755
Paikkakunta: Nurmijärvi
jasu kirjoitti:
Usko jo, ei sinne mitään muuta maata tule kuin tuon kuvan mukainen..!


Kyllähän minä uskon, kunhan varmistin. Taitaa olla ainoa vaihtoehto purkaa roinaa niin paljon, että saa pistokkeen irti älliboksista. Ainakin akkukotelon joutuu irroittamaan, ehkä turboputken coolerilta. Toivottavasti ei kuitenkaan ilmakoneen putkea...

Miten pätkivä anturin johto näkyy absivalossa? Ja tuossa relee ohjauksessa. Ettei kuitenkin olisi kontaktihäiriötä sillä suunnalla...



Terveisin
Tero, Taaborin tuunaaja, vintage-autoilija
Poissa
   
 
 Viestin otsikko: Re: XM Y4 - ABS kenkkuilua
ViestiLähetetty: 20.08.2010 22:12 
Käyttäjän avatar

Viestit: 755
Paikkakunta: Nurmijärvi
Tämän päivän pallon paineistusretki Tampereelle tuotti myös tiedon murusen, jolla absivika sijoittuu vaseman etupyörän anturiin. Liekö liitin kaikesta rassauksesta huolimatta huonossa kontaktissa tai sitten anturi vain tullut tiensä pähän...

Sitä tutkin jossain välissä.

Muistui siinä peräpään parissa puuhaillessa, jotta tuossa '98:ssahan on älykone, joka tallentaa kaikennäköistä diagnostiikkatietoa. Muistista löytyi lähes kaikki mahdolliset absiherjat, mutta nollauksn jälkeen jäi vain tuo vasurin anturi... Liekö jossain vaihessa ollut absiälyn lattapistoke irti virtojen ollessa päällä, kun niin paljon herjoja oli pohjalla.



Terveisin
Tero, Taaborin tuunaaja, vintage-autoilija
Poissa
   
 
 Viestin otsikko: Re: XM Y4 - ABS kenkkuilua
ViestiLähetetty: 21.08.2010 00:49 
Käyttäjän avatar

Viestit: 2006
Paikkakunta: Tampere
Jooh en muista koskaan aikaisemmin saanut niin pitkää vikakoodi-listausta XM:n ABS-koodeja lukiessa, eli joko auto on ollut joskus todella monivammainen, tai sit tosiaan boksin liitin on ollut irti virtojen ollessa päällä, mitä pidän erittäin todennäköisenä ;) .


Poissa
   
 
 Viestin otsikko: Re: XM Y4 - ABS kenkkuilua
ViestiLähetetty: 21.08.2010 18:56 
Käyttäjän avatar

Viestit: 755
Paikkakunta: Nurmijärvi
Mittasinpa tuossa ohimennen absianturin vastuksen. Näytti ääretöntä, eli poikki on käämi (kun ei johdon ravistelukaan auttanut).

Mistähän tuollaisen vaihdokaan saisi kohtuuhintaan?



Terveisin
Tero, Taaborin tuunaaja, vintage-autoilija
Poissa
   
 
 Viestin otsikko: Re: XM Y4 - ABS kenkkuilua
ViestiLähetetty: 21.08.2010 22:03 
Käyttäjän avatar

Viestit: 4073
Paikkakunta: Eteläkärki
dieselflosse kirjoitti:
Mittasinpa tuossa ohimennen absianturin vastuksen. Näytti ääretöntä, eli poikki on käämi (kun ei johdon ravistelukaan auttanut).
Mistähän tuollaisen vaihdokaan saisi kohtuuhintaan?
Xantiaan halvin löytyi toissakesänä merkkihuollon marmoritiskiltä.



"Pitäähän miehellä leluja olla..."
C5 2.0 HDi -11, Seat León eHybrid -21
Poissa
   
 
 Viestin otsikko: Re: XM Y4 - ABS kenkkuilua
ViestiLähetetty: 22.08.2010 00:08 
Käyttäjän avatar

Viestit: 755
Paikkakunta: Nurmijärvi
Täytyy tietenkin kysellä sieltäkin. Viimeksi sain jonkinmoisen rabatsuunin, kun kerroin olevani acry:n, killan ja vieläpä mersu-klubinkin jäsen :lol:



Terveisin
Tero, Taaborin tuunaaja, vintage-autoilija
Poissa
   
 
 Viestin otsikko: Re: XM Y4 - ABS kenkkuilua
ViestiLähetetty: 22.08.2010 00:15 

Viestit: 568
Paikkakunta: Akaa
En tiedä, onko tästä mitään apua, mutta muistaakseni vanhan patongin ajoilta tuli löydettyä dokumentti, jolla voi rakentaa vikakoodien lukulaitteen ja onhan siinä eri virhekoodien mitta-arvojakin tutkimista varten. Tuollaisen lediä vilkuttelevan laitteen tein eikä sen rakentelemisessa paljon aikaa tuhraantunut. Ilmeisen toimiva peli ja ikäväkseni herjaa nyt "Elektrovalves relais" -vikaa kun viikon sisällä pitäis leimalle mennä :( Tosin on tuo ABS-valo jo pidemmän aikaa palanut, ensin ajoittain ja nyt koko ajan. Ehkä noitten maadoitusten tarkistamisesta vois vaikka aloittaa...

Äh. Meinasin laittaa sen ohjeen liitteeksi, mutta onneksi koitin esikatselua ja se herjasi, ettei pdf:t ole sallittuja liitteitä tällä foorumilla. Dokumentti löytyy osoittesta:
http://koti.mbnet.fi/mattiaj/Docs/error_codes_XM.pdf
Toivottavasti edes tää linkki toimii...



.~___~.
{[___]}
{°/^\°}
{/_^_\}

"Hyviä on vähän, pahoja vielä vähemmän, mutta meitä siunatusti hulluja laskematon määrä" - Aapeli.
HY, C5 2.2 hdi Break, BX GT, Berlingo, BX Van "GT", B11 proj. ja C4 2.0 16V:n yksinhuoltajuus
Poissa
   
 
 Viestin otsikko: Re: XM Y4 - ABS kenkkuilua
ViestiLähetetty: 22.08.2010 16:19 
Käyttäjän avatar

Viestit: 235
Paikkakunta: Lempäälä
Tevesin anturin voi korvata VAG:n anturilla. Maksoi muistaakseni 20-25 euroa motonetissä. Vasemmalle puollle volkkarin oikean puolen anturi ja päinvastoin.
Johto pitää ottaa vanhasta anturista ja siihen kapeat abikot päihin, sitten kun piuha on kytketty laitetaan liitin täyteen tiivisteliimaa ja kutisukka päälle.
Messinkinen 2-3 mm uloke pitää hioa pois että anturi menee oikeaan kohtaan.
Konsti toimi ainakin omassa 2.5 td:ssä jossa on Teves ABS-boksi (tunnistaa siitä että abs-kompuutteri on venojen kanssa samassa kasassa akkukotelon alla).
Enää en muista paljonko anturin resistanssi tarkalleen oli, mutta jossain 1 kOhm - 1.3 kOhm välillä se oli.



-07 C4 Picasso
-04 Xsara Picasso "Moottorimuna"
Ex:
-02 C5 Break 2.0
-02 Xsara Picasso 2.0 HDI
-92 XM V6 Break
-96 XM 2,5 td Break
-89 XM 2.0i Berline
-00 Xantia Break Exclusive
-98 Xantia Break Business
Poissa
   
 
 Viestin otsikko: Re: XM Y4 - ABS kenkkuilua
ViestiLähetetty: 23.08.2010 08:26 
Käyttäjän avatar

Viestit: 755
Paikkakunta: Nurmijärvi
JKiiski kirjoitti:
Tevesin anturin voi korvata VAG:n anturilla. -- Vasemmalle puollle volkkarin oikean puolen anturi ja päinvastoin.


Minkä Vokkelin anturi? Pasaatin anturi näyttää olevan sama kummallekin puolelle. Eli, ei ilmeisesti tuo?

Vaan olisiko tuo, siis vasuriin?



Terveisin
Tero, Taaborin tuunaaja, vintage-autoilija
Poissa
   
 
 Viestin otsikko: Re: XM Y4 - ABS kenkkuilua
ViestiLähetetty: 23.08.2010 09:52 
Käyttäjän avatar

Viestit: 755
Paikkakunta: Nurmijärvi
Soitto Vehoon kertoi anturin hinnaksi 87€. En rupea rakentamaan tuolla hintaerolla vokkelin anturista....



Terveisin
Tero, Taaborin tuunaaja, vintage-autoilija
Poissa
   
 
 Viestin otsikko: Re: XM Y4 - ABS kenkkuilua
ViestiLähetetty: 23.08.2010 10:15 
Käyttäjän avatar

Viestit: 235
Paikkakunta: Lempäälä
Joo se taisi olla tuo Golf III:n anturi. Hinta näköjään olikin kaksi kymppiä, tai sitten hinta on laskenut.
Silloin vuosi sitten olisi Tevesin anturi maksanut parisen sataa, tosin Vehon hintaa en kysellyt.
Eikä se niin kauhean työläs ole virittää paikalleen, alle puolessa tunnissa oli asennettu volkkarin anturi paikoilleen. Pikku rälläkkä ja lamellilaikka poisti sen ylimääräisen ulokkeen puolessa minuutissa. Vanhan kiinni hapettuneen anturin irroituksessa meni enemmän kuin se puoli tuntia.



-07 C4 Picasso
-04 Xsara Picasso "Moottorimuna"
Ex:
-02 C5 Break 2.0
-02 Xsara Picasso 2.0 HDI
-92 XM V6 Break
-96 XM 2,5 td Break
-89 XM 2.0i Berline
-00 Xantia Break Exclusive
-98 Xantia Break Business
Poissa
   
 
 Viestin otsikko: Re: XM Y4 - ABS kenkkuilua
ViestiLähetetty: 27.08.2010 23:59 
Käyttäjän avatar

Viestit: 755
Paikkakunta: Nurmijärvi
Vaihtelinpa anturin tuossa päivällä. Pientä hämmennystä aiheutui, kun absivalo ei sammunutkaan. Vaan sammuipa, kun lähti ajamaan. Ja siitä alkoi toimia, kuten pitääkin. :)

On se vaan mukavaa, kun kojelaudassa ei hehku ylimääräisiä valoja. Ja muutenkin kulkee mukavasti...



Terveisin
Tero, Taaborin tuunaaja, vintage-autoilija
Poissa
   
 
 Viestin otsikko: Re: XM Y4 - ABS kenkkuilua
ViestiLähetetty: 30.08.2010 00:06 
Käyttäjän avatar

Viestit: 235
Paikkakunta: Lempäälä
joo, boksin pitää saada pulsseja anturilta ennen kun se uskoo että anturi on kunnossa.
Muutenhan tuo olisikin helppo "korjata" sentin hintaisella vastuksella.



-07 C4 Picasso
-04 Xsara Picasso "Moottorimuna"
Ex:
-02 C5 Break 2.0
-02 Xsara Picasso 2.0 HDI
-92 XM V6 Break
-96 XM 2,5 td Break
-89 XM 2.0i Berline
-00 Xantia Break Exclusive
-98 Xantia Break Business
Poissa
   
 
Näytä viestit ajalta:  Järjestä  
 Sivu 1/1 [ 17 viestiä ] 


Paikallaolijat

Käyttäjiä lukemassa tätä aluetta: Ei rekisteröityneitä käyttäjiä ja 7 vierailijaa


Kaikki ajat ovat UTC + 2 tuntia [ DST ]


Et voi kirjoittaa uusia viestejä
Et voi vastata viestiketjuihin
Et voi muokata omia viestejäsi
Et voi poistaa omia vestejäsi
Et voi lähettää liitetiedostoja.

Etsi tätä:
Hyppää: