|
| Kirjoittaja |
Viesti |
|
r_a_n_u
|
Viestin otsikko: Varoitusvalot palavat omia aikojaan? Lähetetty: 13.11.2010 12:55 |
Viestit: 2699
|
|
BX19 TRI Break -91
Seuraavat varoitusvalot syttyvät noin parin kilometrin ajon jälkeen kun autolla kylmästä lähden. Auto seisonut tunnin pari.
- moottorin öljynpaine - hydraulinesteen paine ja määrä - jäähdytysnesteen määrä - STOP
Kummallisuus tuli katsastuksessa. Katsastaja ensimmäisenä sen huomasi ja hän ihmetteli valojen palamista. Tuo siis täryttimen jälkeen. Auton seisoessa pidempään, valot eivät pala.
Mitään muuta ihmeellistä en autossa ole huomannut. Ajanut olen autolla sadat kilometrit sen jälkeen. Samalla katsastusreissulla ajoin kaduilla oleviin töyssyihin muutaman kerran melkoisen reippaasti niin valot sammuivat, syttyen uudelleen muutaman kymmenen kilometrin jälkeen uudelleen.
Nesteet ok. Mitään muuta en autosta ole tuon tiimoilta vielä tutkinut.
Tavallinen terve järki ei ole erityisen tavallista.
|
|
|
|
 |
|
laakeri
|
Viestin otsikko: Re: Varoitusvalot palavat omia aikojaan? Lähetetty: 13.11.2010 13:57 |
Viestit: 7490 Paikkakunta: Taipalsaari
|
|
Ei ole heinäässiä tässä käsillä nyt, kun luennon tauolla istuskelen, mutta mitenkäs päin nuo olivatkaan kytketty - sytyttikös öljynpainevalo kaikki muutkin? Kaaviosta tarkistamalla selviää. Jos kuitenkin näin, niin öljynpainekytkin ja sen johdot tutkintaan. Jos ei jaksa kaaviota katsoa, niin voi toki öljynpainekytkimen liittimen maattaa koneen runkoon ja katsoa, mitä valoja syttyy...
VW Passat B7
|
|
|
|
 |
|
r_a_n_u
|
Viestin otsikko: Re: Varoitusvalot palavat omia aikojaan? Lähetetty: 15.11.2010 12:34 |
Viestit: 2699
|
|
Täh? Että muka öljynpaineen varoitusvalo sytyttäisi myös hydraulinesteen paineen ja määrän, sekä jäähdytysnesteen määrän merkkivalot. Mikäs itu siinä olisi? Minulla kyllä on ollut sellainen käsitys, että oikein toimiessaan, nuo varoitusvalot kukin tahoillaan syttyvät käskyn saatuaan, samalla myös sytyttäen STOP-valon.
Tavallinen terve järki ei ole erityisen tavallista.
|
|
|
|
 |
|
laakeri
|
Viestin otsikko: Re: Varoitusvalot palavat omia aikojaan? Lähetetty: 15.11.2010 13:09 |
Viestit: 7490 Paikkakunta: Taipalsaari
|
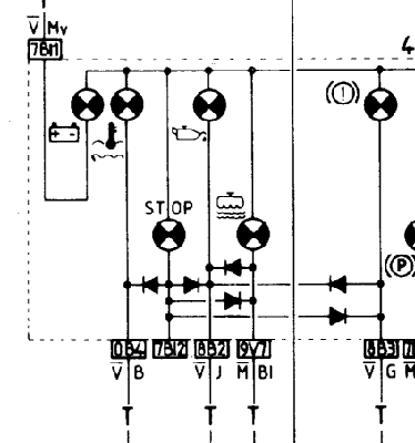
Meinaat, että pitäisi joku toimintalogiikka olla? Ja näinhän se tosiaan on kytkiksestä (laitetaas siitä leike tähän mukaan, kytkintiedot tulevat ymmärrettävästi kuvan alapuolelta) luntattuna, että öljynpaineanturi sytyttää öljynpaine-, stop-, vedenmäärä- ja hydrauliikkavaroitusvalot. Ehkä ideana on sytyttää sen verran punavaloa mittaristoon, että tyhmempikin tajuaa pysähtyä, kun öljynpaine katoaa.
| Liitteet: |

bx_varoitusvalot.png [ 20.54 KiB | Katsottu 12993 kertaa ]
|
VW Passat B7
|
|
|
|
 |
|
r_a_n_u
|
Viestin otsikko: Re: Varoitusvalot palavat omia aikojaan? Lähetetty: 15.11.2010 15:05 |
Viestit: 2699
|
laakeri kirjoitti: Meinaat, että pitäisi joku toimintalogiikka olla?  Ja näinhän se tosiaan on kytkiksestä (laitetaas siitä leike tähän mukaan, kytkintiedot tulevat ymmärrettävästi kuvan alapuolelta) luntattuna, että öljynpaineanturi sytyttää öljynpaine-, stop-, vedenmäärä- ja hydrauliikkavaroitusvalot. Ehkä ideana on sytyttää sen verran punavaloa mittaristoon, että tyhmempikin tajuaa pysähtyä, kun öljynpaine katoaa. Niinhän se näköjään on, ja niin se oli tässäkin tapauksessa. Mutta, mutta. Onpas erikoinen logiikka suunnittelijalla ollut. Kun kerran on tuo STOP-valo, niin sehän kertoo tyhmemmällekin jotta SEIS. Se taasen on eri asia noudattaako kaikki sitä, kuten tuolta toisesta ketjusta voimme todeta. Koskaan ennen ei tätä ole eteen sattunut, ja nyt kun se putkahti tuolla katsastuspaikalla niin päättelin seuraavasti: Tärinä oli se joka tuon vian laukaisi. Toisin sanoen joku johto jossakin yhdisti runkoon. Tuo valojen lukuisuus silti ihmetytti. Koska öljyä moottorissa oli, hydraulinestettä samoin ja jäähdytin täynnä, eikä sen pinnassa näkynyt mitään erikoista, niin menoksi. Ei pieneen mieleeni tullut tuollainen, että öljynpaineen puuttuminen, tai tässä tapauksessa sen puuttumisesta hälytyksen antavan anturin vikaantuminen, sytyttää nuo muut varoitusvalot. "Epäloogista", sanoisi entinen flikka. Nooh, nytpä tuo tuli esiin ja anturin vaihdoin. Sen verran kyllä vieläkin tuota epäilin, jotta testasin toisessakin autossa sen anturin. Rikki mikä rikki. Ja paljon paloi varoitusvaloja. Raskasajoneuvoyhdistelmillä tai niiden kuljettajilla ei ollut tähän juttuun osaa eikä arpaa. Kiitos "laakerille".
Tavallinen terve järki ei ole erityisen tavallista.
|
|
|
|
 |
|
Kami
|
Viestin otsikko: Re: Varoitusvalot palavat omia aikojaan? Lähetetty: 15.11.2010 17:35 |
Viestit: 1744 Paikkakunta: Nousiainen
|
Lainaa: Raskasajoneuvoyhdistelmillä tai niiden kuljettajilla ei ollut tähän juttuun osaa eikä arpaa  Juu ja ei varmaan poliisillakaan 
Ai mää vai... 1. Citroen Xsara 1.6 -05, 2. Cactus -14, 3. Chrysler GV 3.3 -04 (remontissa), 4.Citroen Xsara 1.6 -00 (remontissa), 5. XM V6 -92, 6.Saxo 1.4i -01, 7. BX 1.9 GT -85 (Proj) 8. 2 x 2CV6 ( proj) 9. Opel Kadett 1.2 -72 (Proj)
|
|
|
|
 |
|
Kami
|
Viestin otsikko: Re: Varoitusvalot palavat omia aikojaan? Lähetetty: 15.11.2010 17:35 |
Viestit: 1744 Paikkakunta: Nousiainen
|
Lainaa: Raskasajoneuvoyhdistelmillä tai niiden kuljettajilla ei ollut tähän juttuun osaa eikä arpaa  Juu ja ei varmaan poliisillakaan 
Ai mää vai... 1. Citroen Xsara 1.6 -05, 2. Cactus -14, 3. Chrysler GV 3.3 -04 (remontissa), 4.Citroen Xsara 1.6 -00 (remontissa), 5. XM V6 -92, 6.Saxo 1.4i -01, 7. BX 1.9 GT -85 (Proj) 8. 2 x 2CV6 ( proj) 9. Opel Kadett 1.2 -72 (Proj)
|
|
|
|
 |
|
rmattila
|
Viestin otsikko: Re: Varoitusvalot palavat omia aikojaan? Lähetetty: 15.11.2010 17:39 |
Viestit: 852 Paikkakunta: VT 2
|
ranu kirjoitti: Onpas erikoinen logiikka suunnittelijalla ollut. Kun kerran on tuo STOP-valo, niin sehän kertoo tyhmemmällekin jotta SEIS. Tyhmemmälle kyllä, mutta suunnittelija on nähtävästi osannut ajatella myös niitä "keskimääräistä parempia" autoilijoita, jotka eivät heti hydraulivalon sytyttyä (tai jos vaikka talven ensimmäisenä pakkasaamuna jäähdytysnesteen pinta on sen verran alhaalla, että vesivalo syttyy pieneksi aikaa, kunnes neste vähän lämpölaajenee) sammuta konetta. Jos vaikka sattuisi olemaan öljynpainevalo kojetaulusta pimeänä (ja himmeähän se on toimiessaankin), vähän paatuneempi kuski ei pelkästä stoppivalosta välttämättä älyäisi seisauttamistarpeen välittömyyttä ja suotta rikkoisi koneen. Mutta kun tulee kunnon signaali, niin vika saa ansaitsemansa huomion.
Mitä pahempi paikka, sitä pitempi jenka. http://mattila.puheenvuoro.uusisuomi.fi/ http://alstuttu.org/
|
|
|
|
 |
|
avbx
|
Viestin otsikko: Re: Varoitusvalot palavat omia aikojaan? Lähetetty: 15.11.2010 19:47 |
Viestit: 1128
|
|
Minulla on ollut se käsitys, että tuo kytkentä sytyttää varoitusvalot tarkistusta varten, kun virrat laitetaan päälle. Jos öljynpaine poistuu koneen ollessa käynnissä, niin voi siinä varmaan muutaman muunkin valon sytyttää.
BX 1.9 Gti 16V, BX 1.6 Gti, Xantia 1.6i SX berline, C5 2.0 SX Break, Berlingo 1.6 Multispace
|
|
|
|
 |
|
Kami
|
Viestin otsikko: Re: Varoitusvalot palavat omia aikojaan? Lähetetty: 15.11.2010 20:35 |
Viestit: 1744 Paikkakunta: Nousiainen
|
Miksiköhän tuo minun kommenttini tuli kahdesti! Ihan normaalisti se "lähti" Lähetä painamisen jälkeen...
Ai mää vai... 1. Citroen Xsara 1.6 -05, 2. Cactus -14, 3. Chrysler GV 3.3 -04 (remontissa), 4.Citroen Xsara 1.6 -00 (remontissa), 5. XM V6 -92, 6.Saxo 1.4i -01, 7. BX 1.9 GT -85 (Proj) 8. 2 x 2CV6 ( proj) 9. Opel Kadett 1.2 -72 (Proj)
|
|
|
|
 |
|
kokemjne
|
Viestin otsikko: Re: Varoitusvalot palavat omia aikojaan? Lähetetty: 15.11.2010 20:54 |
Viestit: 4706 Paikkakunta: 05460 Hyvinkää
|
|
|
|
 |
|
r_a_n_u
|
Viestin otsikko: Re: Varoitusvalot palavat omia aikojaan? Lähetetty: 16.11.2010 18:48 |
Viestit: 2699
|
rmattila kirjoitti: ...Jos vaikka sattuisi olemaan öljynpainevalo kojetaulusta pimeänä (ja himmeähän se on toimiessaankin), vähän paatuneempi kuski ei pelkästä stoppivalosta välttämättä älyäisi seisauttamistarpeen välittömyyttä ja suotta rikkoisi koneen. Mutta kun tulee kunnon signaali, niin vika saa ansaitsemansa huomion. Ai, sinä ajattelet noin? Jotain tuon suuntaista kait on liikkunut suunnittelijankin päässä. Ohjekirjassa ei tuollaisesta 'ilotulituksesta' kerrota mitään. STOP valosta on seuraava selitys: Pysäytettävä hetiSTOP-valo voi syttyä jonkin toisen varoitusvalon kanssa. Auto on silloin välittömästi pysäytettävä. Asia ilmaistu selkeästi. Tämä paatunut kuski tulkitsi tuon varoitusvaloviaksi. Ei pienessä mielessäni edes käynyt ajatus, että nyt ei moottorissa ole öljynpainetta. Harvoinhan sellainen vika moottoriin tuleekaan, eikä ollut nytkään. Mutta jos niin käy, niin kyllä se ilmoitus mielestäni pitäisi olla niin selkeä, ettei tulkinnoille jää sijaa. Se, että tulee ilmoitus hydraulinesteen paineesta ja määrästä ja jäähdytysnesteen määrästä, ei mielestäni mitenkään tuota asiaa kerro. Näin minä sen asian näen. No se siitä. Pitkään ehdin BX:llä ajaa, ennen kuin sen moottorin öljynpaineen varoitusvalo-kummajainen osui kohdalle ja sitä jouduin ihmettelemään. Onneksi se nytkin oli anturi vika.
Tavallinen terve järki ei ole erityisen tavallista.
|
|
|
|
 |
|
rmattila
|
Viestin otsikko: Re: Varoitusvalot palavat omia aikojaan? Lähetetty: 16.11.2010 19:36 |
Viestit: 852 Paikkakunta: VT 2
|
r_a_n_u kirjoitti: rmattila kirjoitti: ...Jos vaikka sattuisi olemaan öljynpainevalo kojetaulusta pimeänä (ja himmeähän se on toimiessaankin), vähän paatuneempi kuski ei pelkästä stoppivalosta välttämättä älyäisi seisauttamistarpeen välittömyyttä ja suotta rikkoisi koneen. Mutta kun tulee kunnon signaali, niin vika saa ansaitsemansa huomion. Ai, sinä ajattelet noin? Jotain tuon suuntaista kait on liikkunut suunnittelijankin päässä. Ohjekirjassa ei tuollaisesta 'ilotulituksesta' kerrota mitään. En minä itsestäni puhunut, mutta semmoinen käsitys on inhimillisen toiminnan loogisuudesta poikkeustilanteissa tullut, että vähemmistö (varsinkaan maallikoista) loppujen lopuksi toimii saksalaisen insinöörin tavoin ja noudattaa ohjeita pilkulleen. Jos auton käyttäjät koulutettaisiin ymmärtämään konettaan samalla tarkkuudella kuin vaikkapa ydinvoimalan operaattorit, niin homma olisi eri, mutta ranskalaisen rattiin ei kovin kummoista koulutusta tarvita. Ja lopputuloksen kannalta voi olla parempi, että kun oikeasti on kiire, niin annetaan semmoinen merkki että varmasti aiheuttaa reaktion. (Tämä kaikki siis pelkkää spekulaatiota, mistäs minä tiedän, mitä suunnittelijat ovat ajatelleet.) Onko joku nähnyt, että Etelä-Euroopassa joku pysähtyisi STOP-merkin kohdalle, mikäli liikennetilanne ei sitä erityisesti vaadi?
Mitä pahempi paikka, sitä pitempi jenka. http://mattila.puheenvuoro.uusisuomi.fi/ http://alstuttu.org/
|
|
|
|
 |
|
ealab
|
Viestin otsikko: Re: Varoitusvalot palavat omia aikojaan? Lähetetty: 16.11.2010 20:26 |
Viestit: 4467 Paikkakunta: Paimio
|
Turha sellainen STOP- merkki, joka vaatii pysähtymään vasta, kun siihen on hyvät perusteet. Kun siinä tapauksessa pitäisi pysähtyä muutenkin. "Etelässä" kuskit ovat vain fiksumpia, meitä pitää erityisesti paimentaa, muuten emme osaisi... käyttää järkeä? 
|
|
|
|
 |
|
|