Kaikki ajat ovat UTC + 2 tuntia [ DST ]




 Sivu 1/1 [ 9 viestiä ] 
Kirjoittaja Viesti
 Viestin otsikko: XM V6 kierrosmittari
ViestiLähetetty: 16.09.2011 18:23 

Viestit: 142
Mistähän kiekkamittari mahtaa saada tietonsa ja haisteleeko joku osa järjestelmää kiekkamittaria/samaa infoa?


Poissa
   
 
 Viestin otsikko: Re: XM V6 kierrosmittari
ViestiLähetetty: 20.09.2011 07:23 

Viestit: 16
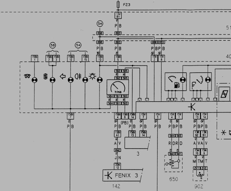
Tämän mukaan näyttäisi saavan ECU:lta.


Liitteet:
XM V6 kierroslukumittari2.jpg
XM V6 kierroslukumittari2.jpg [ 52.62 KiB | Katsottu 4638 kertaa ]
Poissa
   
 
 Viestin otsikko: Re: XM V6 kierrosmittari
ViestiLähetetty: 20.09.2011 08:25 
Käyttäjän avatar

Viestit: 5855
Paikkakunta: Tuusula
Niih, Lammy, yleensä kiekkamittarin oikuttelu johtuu sytkäpuolen oikuttelusta. Tässä on tsäänssi että jotain siellä ECUssa lämpeää. Tosin XM:n ECU laukeaminen on kovin harvinaista mutta mahdollista. NOita purkuboxeja varmaan on nurkat väärällään. Tosin ei mulla.

Käy kuitenkin aluksi ECUn isot liittimet läpi, ne on helppo avat ja tarkastaa ja puhdistaa jos vaikka on sitä kuuluisaa vihreää töpseleissä.



Honda Valkyrie F6C, Plymouth Fury Custom Suburban ja Pontiac Firebird Trans Am.
Poissa
   
 
 Viestin otsikko: Re: XM V6 kierrosmittari
ViestiLähetetty: 20.09.2011 16:44 

Viestit: 142
Kiitos taas Cikatti!
Viittiskö joku vilasta omaa kiekkamittaria onko se nollassa virrat sammutettuna?

Tänään taas ihmettelin starttaus-vikaa kone lämpimänä ja aikani starttailtua vikaillen ja viatta - taisi olla käännettäessä virtaa pois - pelmahti konehuoneesta savua jostain akun vierestä... Piru kun en tarkemmin nähnyt mistä. Sen jälkeen starttasi-ei starttaa-starttaa jatkui.
Pitänee käydä läpi liittimet jos löytyisi korventunut.

Mites ajoneston rele? Missä se sijaitsee?


Poissa
   
 
 Viestin otsikko: Re: XM V6 kierrosmittari
ViestiLähetetty: 20.09.2011 22:32 
Käyttäjän avatar

Viestit: 5855
Paikkakunta: Tuusula
Ihan vaan tahvo kysymys... pyörittää siis vai ei? Kun puhut starttaa-ei starttaa niin tulee olo että ei edes pyöritä aina välillä? Ihan vaan tämmöinen selventävä kyssäri tähän väliin ;)



Honda Valkyrie F6C, Plymouth Fury Custom Suburban ja Pontiac Firebird Trans Am.
Poissa
   
 
 Viestin otsikko: Re: XM V6 kierrosmittari
ViestiLähetetty: 20.09.2011 22:47 

Viestit: 142
Pyörittää pyörittää. Nyt on uusi akku. Viime vuonna tuo pyörittämättömyys johtui huonosta akusta yhdistettynä omituiseen vastapotkuun...


Poissa
   
 
 Viestin otsikko: Re: XM V6 kierrosmittari
ViestiLähetetty: 21.09.2011 11:22 
Käyttäjän avatar

Viestit: 5855
Paikkakunta: Tuusula
Saivartelen, olin oikeassa :mrgreen: eli pyöritti ja ei...

Mutta kerrot myös takapotkusta, kuulostaako siltä että ampuu ilmanputsarin suuntaan? Jos näin niin kyllä jostain syystä yrittää sytyttää liian aikaisin eli konehuoneesta kuuluu kiva "PÖTS" välillä startatessa?



Honda Valkyrie F6C, Plymouth Fury Custom Suburban ja Pontiac Firebird Trans Am.
Poissa
   
 
 Viestin otsikko: Re: XM V6 kierrosmittari
ViestiLähetetty: 21.09.2011 11:50 
Käyttäjän avatar

Viestit: 3162
Paikkakunta: Korpilahti

Profiili WWW
Viittaa myös sytytysmoduliin tuo "PÖTS", kuten savumerkit ja sen jälkeinen käyntiinyrittämättömyys sekä savumerkkien sijainti...



Dyane 4x4 IE, Sm 2.7, Dyane IE, C8 2.2
Series -LantikanPätkä
Poissa
   
 
 Viestin otsikko: Re: XM V6 kierrosmittari
ViestiLähetetty: 21.09.2011 12:52 

Viestit: 142
Liian aikainen sytytys tuntuisi tapahtuvan ajoittain...
Kokeilin kahdella eri sytytysmodulla ilman eri tulosta.


Poissa
   
 
Näytä viestit ajalta:  Järjestä  
 Sivu 1/1 [ 9 viestiä ] 


Paikallaolijat

Käyttäjiä lukemassa tätä aluetta: Ei rekisteröityneitä käyttäjiä ja 5 vierailijaa


Kaikki ajat ovat UTC + 2 tuntia [ DST ]


Et voi kirjoittaa uusia viestejä
Et voi vastata viestiketjuihin
Et voi muokata omia viestejäsi
Et voi poistaa omia vestejäsi
Et voi lähettää liitetiedostoja.

Etsi tätä:
Hyppää: