|
Kirjoittaja |
Viesti |
Bumper
|
Viestin otsikko: BX paukkuu! Lähetetty: 03.06.2013 19:07 |
Viestit: 874 Paikkakunta: Uusikaupunki
|
Tuoreen BX-hankinnan etupäässä on jotain väljää. Autoa on nyt kaksipilarinostimella ihmetelty jousitus paineellisena ja ilman. Koiraanluut, alapallot sekä tukivarren helat vaikuttivat kaikki ihan välyksettömiltä. Myös vakaajan kiinnitys apurunkoon tuntui tukevalta. Jousitus paineettomana pyöriä nostellessa kuuluu joku epämääräinen kolahdus, mutta kahteenpekkaan emme kaverin kanssa keksineet mistä se tuli. Äänen saa aikaan kummaltakin puolelta, mutta helpommin vasemmalta. Ajossa tuo paukkuu eniten kaivonkansissa, yms. "toisen pyörän" töyssyissä, joka kaiketi viittaisi kuitenkin ehkä vakaajajutuilta. Ihan täysin hiljainen tuo ei kyllä ole muutenkaan, kunhan töyssy on tarpeeksi iso. Voisivatko jousisylinterit muka olla niin väljät että pitävät oikein ääntä? Eivät ne muuten tunnu kauheasti takeltelevan. Kuskin puolelta kyllä oli paluulinja poikki, enkä tiedä kauanko on ollut... Ideoita kiitos? 
Xantia 1.8i, C5 2.0i, BX 16 TRS, BX 16 GTI
|
|
|
|
 |
kokemjne
|
Viestin otsikko: Re: BX paukkuu! Lähetetty: 03.06.2013 19:15 |
Viestit: 4695 Paikkakunta: 05460 Hyvinkää
|
ai sullakin on tuo sama ongelma. mulla on uusittu koiranluut +alapallot molemmin puolin. kyllä jäljelle jää vain kaillistelunvakaajan helat apurungossa. ei ne tolpat tuommosta aiheuta.
|
|
|
|
 |
jasu
|
Viestin otsikko: Re: BX paukkuu! Lähetetty: 03.06.2013 19:33 |
Viestit: 3152 Paikkakunta: Korpilahti
|
On siellä vielä ainakin yksi vaihtoehto, apurungon kiinnityspultit. Jos on vähänkin päässyt löystymään niin kylläpä kolisee jännästi ja sen etsiminen on oikeasti haastavaa...
Dyane 4x4 IE, Sm 2.7, Dyane IE, C8 2.2 Series -LantikanPätkä
|
|
|
|
 |
kokemjne
|
Viestin otsikko: Re: BX paukkuu! Lähetetty: 03.06.2013 19:38 |
Viestit: 4695 Paikkakunta: 05460 Hyvinkää
|
|
|
|
 |
Bumper
|
Viestin otsikko: Re: BX paukkuu! Lähetetty: 03.06.2013 21:10 |
Viestit: 874 Paikkakunta: Uusikaupunki
|
rmattila - Moottorin kiinnitys pitäisi olla ihan ok, eikä pakoputkikaan mielestäni pääsee tapaamaan koriin missään. Jopa se moottorin takana oleva hela oli ihan ehjän näköinen, toisin kuin GTi:ssä joskus, siinä se oli täysin revennyt. Vaihteiston kiinnitystä en ole vielä tutkinut, kun on sen verran piilossa. koke - Voisi tosiaan olla ne vakaimen helat... Eivät ne niin hirveän löysiltä tuntuneet. (näkemäänhän niitä ei juuri pääse) Mutta tutkitaan vielä. jasu - Millaiset nuo apurungon pultit ovat? Niitä voisi koittaa tiukkailla, mutta ovatko kierteet korissa vai onko jossain jalkatilassa mutteri? Tämä kuulostaa ihan realistiselta jopa, etenkin kun tuon kolinan kirjaimellisesti tuntee jaloissaan. 
Xantia 1.8i, C5 2.0i, BX 16 TRS, BX 16 GTI
|
|
|
|
 |
jasu
|
Viestin otsikko: Re: BX paukkuu! Lähetetty: 03.06.2013 21:15 |
Viestit: 3152 Paikkakunta: Korpilahti
|
Taaemmat ovat jalkatilassa, mattojen alla, kätevästi palkin sisällä. Tehtaan jäljiltä aukon päällä on muovikalvo, minkä puhkaistuaan pääsee näkemään mutterin. Saattoi olla vielä sen verran pitkä pultti että pitää olla pitkä hylsy..?
Apurungon alla on sitten noiden muttereiden "kaverit", toista täytyy kiinni pitää kun toisesta kiristää, siis ylä- ja alapuolelta. Yksi tällainen on puolellaan, ja jos en ihan väärin muista niin sijaitsevat just niillä tienoilla missä jalkoja lepuutettua tulee...
Dyane 4x4 IE, Sm 2.7, Dyane IE, C8 2.2 Series -LantikanPätkä
|
|
|
|
 |
Bumper
|
Viestin otsikko: Re: BX paukkuu! Lähetetty: 03.06.2013 21:37 |
Viestit: 874 Paikkakunta: Uusikaupunki
|
Kiitos! Täytyy tämä(kin) mahdollisuus tutkia.  Onneksi on kesä, niin kelpaa remppailla.
Xantia 1.8i, C5 2.0i, BX 16 TRS, BX 16 GTI
|
|
|
|
 |
Valve
|
Viestin otsikko: Re: BX paukkuu! Lähetetty: 03.06.2013 22:07 |
Viestit: 16
|
Täälläkin paukkuu, hiljasesta vauhdista kun kääntää tiukasti vasenpaan niin melkein aina joku jossain pamahtaa. Etupää kolisee melkosesti montuissa, muttei viime katsastuksessa tullu mitään sanomista mistään vaikka kolisi jo sillon. Hiekkatiellä ajo tekee melkein pahaa, kun joutuu kuunteleen sitä kolinaa.. Vielä ei oo saanu aikaseks tutkia mikä siellä kolisee. Koiranluut?
|
|
|
|
 |
wanhustiina
|
Viestin otsikko: Re: BX paukkuu! Lähetetty: 04.06.2013 14:27 |
Viestit: 312 Paikkakunta: Renko
|
Minulla oli aikoinaan tuo apurunkokiinnityspauke. Siitä ei tahdo enää kiristämällä eroon päästä, koska silloin kun sitä kiristelemään mennään, on jo läpivientireikä kulunut liian suureksi. Sitä täytyisi hieman täyttää jottei edestakasliikkeelle jää enään tilaa. Mutta jos kiristäminen auttaa niin ainakin tietää missä lonksuu.
|
|
|
|
 |
Jeth
|
Viestin otsikko: Re: BX paukkuu! Lähetetty: 04.06.2013 15:23 |
Viestit: 993 Paikkakunta: Seinäjoki
|
Iskarin ylätuetkin ovat paukkuneet parissa beksissä mulla.
|
|
|
|
 |
avbx
|
Viestin otsikko: Re: BX paukkuu! Lähetetty: 04.06.2013 15:36 |
Viestit: 1128
|
Hammastangon päätypusla väljistyessään kolistaa vasemmalle kääntyessä. Ei pauku, mutta tuntuu ratissa ja ääni on naputusta. Yleensä se on oikeanpuoleinen pääty.
BX 1.9 Gti 16V, BX 1.6 Gti, Xantia 1.6i SX berline, C5 2.0 SX Break, Berlingo 1.6 Multispace
|
|
|
|
 |
Bumper
|
Viestin otsikko: Re: BX paukkuu! Lähetetty: 30.07.2013 19:37 |
Viestit: 874 Paikkakunta: Uusikaupunki
|
Kesä etenee ja BX jatkaa kolisemistaan.
Välyksiä on etsitty ilman tuloksia ja apurungon pultit todettu olevan erittäin piukassa.
Sellaiseen olen kiinnittänyt huomiota, että esim. viemärinkansien aiheuttama kolina loppuu kokonaan jos autolla kaartaa samaan aikaan kun epätasaisuus on tulossa. Eli kolisee suoraan ajettaessa, ja kun kääntää ihan kumpaan tahansa suuntaan niin hiljenee. Ratissa ei kyllä tunnu mitään välystä.
Antaako tämä kenellekään lisäideoita? Mikä on paras diagnosointitapa noihin tolppien ylätukien välyksiin?
Xantia 1.8i, C5 2.0i, BX 16 TRS, BX 16 GTI
|
|
|
|
 |
citroen for ever
|
Viestin otsikko: Re: BX paukkuu! Lähetetty: 30.07.2013 20:43 |
Viestit: 511
|
Paineettomanahan jousisylinterin sisältä kuuluu tietääkseni aina kolahtelua, kun sitä liikuttaa ylös/alas. Johtuu laitteen rakenteesta. Tuo kolinan lähde voisi olla väljä hammastanko, kun kerran pienellä kaarrolla poistuu? sitä ei kovin usein ole katsurit huomanneet, ainakaan minulla (kaksi yli 500tkm ajettua beksiä) ei ole hylkyä tullut.
|
|
|
|
 |
avbx
|
Viestin otsikko: Re: BX paukkuu! Lähetetty: 30.07.2013 22:25 |
Viestit: 1128
|
tai hammastangon kiinnitys löystynyt. Jos on ne säätöprikat hukattu, niin raidetanko voi ottaa kiinni apurunkoon.
BX 1.9 Gti 16V, BX 1.6 Gti, Xantia 1.6i SX berline, C5 2.0 SX Break, Berlingo 1.6 Multispace
|
|
|
|
 |
O17
|
Viestin otsikko: Re: BX paukkuu! Lähetetty: 01.08.2013 20:33 |
Viestit: 36 Paikkakunta: Kuopio
|
 itellä on kuvan tapainen spoileri...onko tuossa kuvassa jonkinlaiset korokkeet tuossa noitten c pilareitten kohdalla ? jotka jatkaa niinsanotusti spoileria siihen c pilarin sivuun ?
MB C230 Kompressor Avantgarde '07 Skoda Fabia vRS '10 Citroën BX 16 TGi '93 Citroën BX 14 TE '92 Nissan Sunny 1.4LXi '93 Toyota Carina II 1.6 LB '88 Citroën BX 16 RE '88
|
|
|
|
 |
Bumper
|
Viestin otsikko: Re: BX paukkuu! Lähetetty: 29.07.2015 13:49 |
Viestit: 874 Paikkakunta: Uusikaupunki
|
Vuodet on vaihtuneet ja BX paukkuu edelleen. Auto on toki seissyt tämän ajan, eikä ollut ajossa kolisemassa. Suoritin kuitenkin kulkineelle n. 100km siirtoajon jokunen viikko sitten. Totesin että kolina ei ole mihinkään hävinnyt, eli jotain tarttis tehdä. En ole autoa vielä saanut tulevaan talliinsa sisään, mutta olen sitä hieman ihmetellyt tuossa pihalla. Huomasin, että kun nappaa kuskin puolen etupallosta kiinni ja heiluttelee, niin johan kolisee. Hanttarin puolikin heiluu ihan kiitettävästi, mutta ei mainittavasti ääntelehdi. Näinköhän tästä olisi tolpan yläpää mennyt huonoksi? (yläpäät?) Alla video aiheesta: https://www.youtube.com/watch?v=1ayadyxB-2oTokihan tuolla voi olla muutakin välystä, mutta niistä lisää kun saan auton sisään ja pukeille. PS. Kenellä olisi myydä tuollainen yläpää? 
Xantia 1.8i, C5 2.0i, BX 16 TRS, BX 16 GTI
|
|
|
|
 |
Bumper
|
Viestin otsikko: Re: BX paukkuu! Lähetetty: 01.08.2015 00:37 |
Viestit: 874 Paikkakunta: Uusikaupunki
|
Ovatko palstan kaikki BX-harrastajat siirtyneet uudempiin malleihin, vai miksi ei synny edes keskustelua enää? Olisiko jollakin edes heittää läpileikkauskuvaa tuosta tolpan ja sen yläpään rakenteesta? Olen sellaisen joskus jossain nähnyt, mutta en nyt löydä mistään. Kai se purkamallakin selviäisi, mutta kun nuo tallin sähkömiehet antavat odotuttaa itseään ja auto makaa pihalla! PS. Olen aina luullut, että BX:n tolpan yläpäät olisivat idioottivarmoja, mutta nyt löysin tällaisen kuumottavan kuvan Australian Patongista... Eli noinko tosiaan voi BX:stäkin pompata tuo tolpan yläpää läpi? Voi kuinka naiivi olen ollutkaan. 
Liitteet: |

photo.jpg [ 95.09 KiB | Katsottu 14683 kertaa ]
|
Xantia 1.8i, C5 2.0i, BX 16 TRS, BX 16 GTI
|
|
|
|
 |
XM-Hannu
|
Viestin otsikko: Re: BX paukkuu! Lähetetty: 01.08.2015 13:51 |
Viestit: 2764 Paikkakunta: Koria
|
Minulla XM:ssä oli joku vuosi sitten myös outoa kolahtelua vasemmasta etukulmasta. Pitkään, melkein pari vuotta aina silloin tällöin etsin syytä, lukuisat alapallojen ja koiranluiden vaihdot eivät tuota kolahtelua poistaneet. Kerran sitten sattumalta huomasin, että etupään ollessa ilmassa sivuttainen ravistus sai jousipallon heilumaan oudon paljon. Vulkanoinnista 10% oli enää kiinni ulkokartiossa. Tuo yläpään rakenne on yksinkertaisesti kaksi sisäkkäistä kartiota, jotka on vulkanoitu yhteen n. 15 mm kumimassalla. Kun yleensä ulompi kartio alkaa ruostua sisäpinnaltaan, niin kumi jää ruostekerrokseen kiinni, ja irtoaa teräksestä. Kun vielä teräskartio ruostuessaan heikkenee, niin riittävän pahaksi edetessään sisäkartio voi rajulla iskulla tulla ulkokartion yläpäästä läpi.  Xantioissa tyypillisesti ruoste alkaa ulkokartion alapuolen kiinnityslaipasta, XM:ssä olen nähnyt osittain tai kokonaan irronneita tai rikkirevenneitä vulkanointeja. REO on omiin ketjuihinsa laittanut hyviä kuvia, lähinnä XM:ien tolppiem yläpäistä.
|
|
|
|
 |
avbx
|
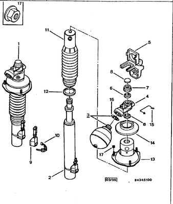
Viestin otsikko: Re: BX paukkuu! Lähetetty: 02.08.2015 20:59 |
Viestit: 1128
|
Beksissä pallon jalka ei ole kiinni siinä yläpäässä, joten ei se kolina luultavasti tule kumivulkanoinnin pettämisestä. Ennenminkin voisi olla tolpan yläpää löysällä (36 mm mutteri) tai sitten ne kolme pienempää pulttia. Ohessa räjäytyskuva siitä yläpäästä. Purkamallahan se selviää, varsinkin kun kolinan on ilmeisesti löytynyt.
Liitteet: |

tolppa.png [ 42.03 KiB | Katsottu 14474 kertaa ]
|
BX 1.9 Gti 16V, BX 1.6 Gti, Xantia 1.6i SX berline, C5 2.0 SX Break, Berlingo 1.6 Multispace
|
|
|
|
 |
Bumper
|
Viestin otsikko: Re: BX paukkuu! Lähetetty: 06.08.2015 21:46 |
Viestit: 874 Paikkakunta: Uusikaupunki
|
Kiitos avbx selventävästä viestistä! Tolpan yläpään rakenne selvisi myös käytännössä, kun kävin r_a_n_u:lta hakemassa yhden sellaisen. (Ja paljon muutakin, kiitos!) En ole vielä(kään) BX:ää alkanut purkamaan, mutta vulkanoinnit tosiaan vaikuttavat melkolailla ehjiltä. Myös kaikki mutterit (iso ja pienet) olivat hyvin tiukalla, joten mitään selvää ratkaisua tuohon kolinaan ei vieläkään löytynyt. Sen huomasin, että kun palloa kiskoo ylöspäin pystysuunnassa, tuntuu siinä pieni välys tuon kolahtelun kera. Sivusuunnassa heiluttelu ei tuota ääntä. Mystiseltä siis vaikuttaa, varsinkin kun nuo mutterit tuntuvat olevan tosi piukassa. Palataan astialle kun vihdoin saan tuon hässäkän purettua. 
Xantia 1.8i, C5 2.0i, BX 16 TRS, BX 16 GTI
|
|
|
|
 |
Bumper
|
Viestin otsikko: Re: BX paukkuu! Lähetetty: 11.05.2016 13:49 |
Viestit: 874 Paikkakunta: Uusikaupunki
|
BX on taas telakalla, ja sitä on hiljalleen tullut ehjäiltyä. Epäilin tolppien yläpäitä vialliseksi viime kesänä, mutta ei niistä sitten loppujen lopuksi mitään vikaa tuntunut löytyvän... avbx kirjoitti: Hammastangon päätypusla väljistyessään kolistaa vasemmalle kääntyessä. Ei pauku, mutta tuntuu ratissa ja ääni on naputusta. Yleensä se on oikeanpuoleinen pääty. Tämä hammastangon oikea pääty mulla on pystysuunnassa hyvinkin väljän oloinen. Enpä tiedä miten sen olen aiemmin näin jättänyt diagnoositta. Hammastanko itsessään on tiukasti kiinni ja raidetankojen sisäpäätkin ovat kyllä tiukat. Mikä olisi hammastankoon helpoin korjaus? Saako niitä päätypuslia jostain (valmiina) uusia vai kannattaako vaan etsiä jostain ehjänä koko hammastanko?
Xantia 1.8i, C5 2.0i, BX 16 TRS, BX 16 GTI
|
|
|
|
 |
kokemjne
|
Viestin otsikko: Re: BX paukkuu! Lähetetty: 11.05.2016 15:05 |
Viestit: 4695 Paikkakunta: 05460 Hyvinkää
|
heh heh. ja niimpä niin . kun ei oo rasvausmahdollisuutta ,niin hela kuluu väljäksi . silti on konsti jolla välys saadaan pois. poraa 7mm reikä siihen oikeanpuoleiseen kiinnikkeeseen kohti sitä hammastankoa . tee 8mm kierre ja aivan ekaksi rasvanippa ja reilusti vaseliinia sisään . sitten M8 kierteinen lyhyt pultti jolla poistetaan välys mutta ei yhtään kireämmälle . sinä se ja toimii. homman jälkeen kannattaa käännellä pyöriä ,etei tunnu mitään tarttumista .
|
|
|
|
 |
|
|