|
| Kirjoittaja |
Viesti |
|
Ropeliz
|
Viestin otsikko: Irroitettu eber tehot puhaltimesta hukassa Lähetetty: 06.10.2011 09:05 |
Viestit: 238 Paikkakunta: Orivesi
|
|
Puhaltimesta on tehot aikalailla vajavaiset, autosta on irroitettu bensa eber. Onko puhaltimen kotelossa jokin paikka sille eberille joka veisi nyt tehot puhalluksesta pois jos kanava on auki??
1.8 16V -99 exlusive break ilmastoitu eber meni edellisen omistajan volvoon jos joku ihmettelee miksi otettu pois.
Ihmettelin myös kun puhallin oli löysästi kahdella ruuvilla kiinni.
C5 2.0 16v -05 berline kaasuvaiva
|
|
|
|
 |
|
jaakkovaakko
|
Viestin otsikko: Re: Irroitettu eber tehot puhaltimesta hukassa Lähetetty: 06.10.2011 09:54 |
Viestit: 709
|
|
Puhaltimella tarkoitat varmaankin lämmityslaitteen puhallinta. Eber lämmittää jäähdytysnestettä ja on sijainnut vasemman lokasuojan sisällä, joten asiayhteyttä näillä ei ole. Tarkastappa raitisilmasuodattimen kunto.
|
|
|
|
 |
|
Eki
|
Viestin otsikko: Re: Irroitettu eber tehot puhaltimesta hukassa Lähetetty: 06.10.2011 13:52 |
Viestit: 869 Paikkakunta: Janakkala
|
Toimiiko puhaltimen nopeussäätö läpi koko skaalan? 
Ducato 3.0 ComfortMatic '08 Kadjar 1.5 dCi '16 Clio TCe 90 Dynamique '13 207 1.6 16V '07 Xantia 2.0i16V Automatique Exclusive Br. '00 Xantia 2.0i16V Automatique Exclusive Bl. '00 Visa 1.4 GT '83 AX First 1.4 Diesel '93
|
|
|
|
 |
|
svc
|
Viestin otsikko: Re: Irroitettu eber tehot puhaltimesta hukassa Lähetetty: 06.10.2011 14:18 |
Viestit: 4073 Paikkakunta: Eteläkärki
|
|
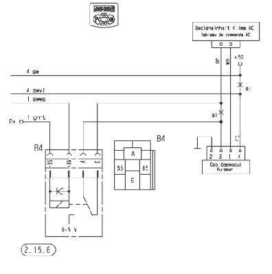
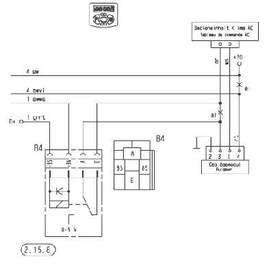
Eberin kelloasennuksen yhteydessä puhaltimen ohjaukseen liitetään rele, joka pyörittää puhallinta pienellä nopeudella, sillon, kun Eberi pyörii kello-ohjauksella. Onkohan se rele muistettu poistaa Eberin poiston yhteydessä? Rele on asennettu yleensä sinne puhaltimen moottorin kieppeille repsikan jalkatilaan.
| Liitteet: |

Eberin rele.png [ 20.52 KiB | Katsottu 14868 kertaa ]
|
"Pitäähän miehellä leluja olla..." C5 2.0 HDi -11, Seat León eHybrid -21
|
|
|
|
 |
|
Ropeliz
|
Viestin otsikko: Re: Irroitettu eber tehot puhaltimesta hukassa Lähetetty: 07.10.2011 07:53 |
Viestit: 238 Paikkakunta: Orivesi
|
Pitää tarkastaa tuo raitisilmasuodatin ja katsoa niitä liitoksia vielä läpi, muistaakseni ihmettelin kiinnittäessäni sitä puhallinta kunnolla että johtoja oli jotenkin räplätty ja liitetty uudelleen varmaankin juuri ollut se rele siellä. Puhallin toimii ihan normaalisti mutta puhallus on vain vaisu, ihan kuin kojelaudan sisään jostain liitoksesta vuotaisi kun siellä on kohina niin kova. Ajattelin että jos eberillä on joku oma kennoratkaisu ja vuotaisi nyt vaikka sen kohdalta mutta mikäli ei ole niin erinomaista. Kiitos nopeista vastauksista 
C5 2.0 16v -05 berline kaasuvaiva
|
|
|
|
 |
|
laakeri
|
Viestin otsikko: Re: Irroitettu eber tehot puhaltimesta hukassa Lähetetty: 07.10.2011 08:14 |
Viestit: 7490 Paikkakunta: Taipalsaari
|
Ropeliz kirjoitti: Pitää tarkastaa tuo raitisilmasuodatin ja katsoa niitä liitoksia vielä läpi, muistaakseni ihmettelin kiinnittäessäni sitä puhallinta kunnolla että johtoja oli jotenkin räplätty ja liitetty uudelleen varmaankin juuri ollut se rele siellä. Kyllä se yksi "ylimääräinen" johto abikoliitoksella on ihan asiaankuuluva, jos sitä tarkoitat. Jostain syystä itsellä on tullut vastaan puhallinta kulkineesta toiseen siirtäessä se, että johtosarjan ja puhaltimen puolella liittimet ovat vaihtaneet paikkaansa, ja on joutunut sen pätkäisemään ja liittimään. Vastaavaa jos on käynyt, niin näyttää toki vähän rakennellulta.
VW Passat B7
|
|
|
|
 |
|
Jankos
|
Viestin otsikko: Re: Irroitettu eber tehot puhaltimesta hukassa Lähetetty: 07.10.2011 08:44 |
Viestit: 1230 Paikkakunta: Jokioinen
|
|
Yksi mikä aiheuttaa kovaa kohinaa lämppärisysteemissä on sisäilmankierto, ja puhallustehokin on heikko.
Saxo vts v1600, Peugeot 2008 E-hdi 115 allure, Ducato 2.3jtd retkis, Ducato 180 multijet huoltoautona, Saxo TU5JP4T projekti.
|
|
|
|
 |
|
Ropeliz
|
Viestin otsikko: Re: Irroitettu eber tehot puhaltimesta hukassa Lähetetty: 21.11.2011 13:42 |
Viestit: 238 Paikkakunta: Orivesi
|
|
Ei se mokoma jaksa kunnolla puhaltaa, vaikka raitisilmasuodatinta ei ole ollenkaan paikallaan ja lehtiä ei ole tukkeena. En ymmärrä mistä johtuu puhaltimen laiskuus, kestää liian kauan että lähtee lasi huurteesta, kohina on normaali tai ehkä vähän kovempikin. Puhallin toimii ihan normaalinoloisesti ja lehtiä siellä en nähnyt, voisiko olla että jokin kanava on jäänyt auki tai kanavaan olisi mennyt jotain törkyä. Sitä en osaa sanoa olisiko tähän vaihdettu lämppärin kennoa, josko jokin liitos voisi olla huonosti ja fuskata kojelaudan sisällä? missä niitä on ja pääseekö sitä jostakin tarkastamaan helposti?
C5 2.0 16v -05 berline kaasuvaiva
|
|
|
|
 |
|
laakeri
|
Viestin otsikko: Re: Irroitettu eber tehot puhaltimesta hukassa Lähetetty: 21.11.2011 18:40 |
Viestit: 7490 Paikkakunta: Taipalsaari
|
Ropeliz kirjoitti: Ei se mokoma jaksa kunnolla puhaltaa, vaikka raitisilmasuodatinta ei ole ollenkaan paikallaan ja lehtiä ei ole tukkeena. Pelaakos suuntauksen säätö hyvin? Ja onhan se kaukalo tarkistetut, ettei ole imupuoli tukkeessa? Pyörittääkö sisäkierrolla ilmaa yhtä huonosti?
VW Passat B7
|
|
|
|
 |
|
Ropeliz
|
Viestin otsikko: Re: Irroitettu eber tehot puhaltimesta hukassa Lähetetty: 22.11.2011 13:32 |
Viestit: 238 Paikkakunta: Orivesi
|
|
Joo läppä kolahtaa aina kun siirtää deffiltä toiseen laitaan eli pitäisi olla kunnossa, imupuolen päässä ei ole tuketta. Kävi tuossa yksi harrastaja ostamassa raidetangon ja hänellä muuten samanlainen auto paitsi berline, oli puhallus paljon kovempi. Ajattelin tänään ottaa puhaltimen vielä kertaalleen irti ja yrittää tähyillä sinne sisään josko jossain jotain löytyisi, en kyllä yhtään tiedä mitä etsiä. Ottaa ihan tajuttomasti pannuun kun ei ikkunoista lähde huurre millään, ja ei hukkaa sitten glygolia eikä haise sitä epäileville. Joten puhaltimen kanavissa on nyt jotain sinne kuulumatonta tai yhteys poikki.
C5 2.0 16v -05 berline kaasuvaiva
|
|
|
|
 |
|
Ropeliz
|
Viestin otsikko: Re: Irroitettu eber tehot puhaltimesta hukassa Lähetetty: 22.11.2011 15:39 |
Viestit: 238 Paikkakunta: Orivesi
|
No nyt on yksi "pieni" vika korjattu vaan puhallus edelleen aika heiveroinen, tässä kuvat operaatiosta. Eipä olisi ihan heti arvannut mitä tulee vastaan "volvomiehen" ropauksien jälkeen.    Tässä toimi korjauksena vahva 3M alumiiniteippi.
C5 2.0 16v -05 berline kaasuvaiva
|
|
|
|
 |
|
Ropeliz
|
Viestin otsikko: Re: Irroitettu eber tehot puhaltimesta hukassa Lähetetty: 22.11.2011 15:54 |
Viestit: 238 Paikkakunta: Orivesi
|
Saako tuon raitisilmasuodattimen ihan vain kampeamalla pois kolostaan kun meinasin leikata sen nyt talveksi pois ja laittaa vain kehyksen takaisin josko se auttaa tilapäisesti. edit, tuosta raitisilmasuodattimen paikastahan saisi hienosti patentoitua tilapäiselle lämppärinkennolle paikan vaikka virtausta kuristamalla 
Viimeksi muokannut Ropeliz päivämäärä 22.11.2011 15:59, muokattu yhteensä 1 kerran
C5 2.0 16v -05 berline kaasuvaiva
|
|
|
|
 |
|
kokemjne
|
Viestin otsikko: Re: Irroitettu eber tehot puhaltimesta hukassa Lähetetty: 22.11.2011 15:56 |
Viestit: 4706 Paikkakunta: 05460 Hyvinkää
|
|
tuosta oisit selvinny helpommalllakin. hyppylanka relekannan 30 ja 87a: väliin
|
|
|
|
 |
|
kokemjne
|
Viestin otsikko: Re: Irroitettu eber tehot puhaltimesta hukassa Lähetetty: 22.11.2011 15:59 |
Viestit: 4706 Paikkakunta: 05460 Hyvinkää
|
|
jos tohinaa kuulu reilusti ,niin jostain puhaltaa ohi tai lämppärin moottorin kytkentä on väärinpäin
|
|
|
|
 |
|
Ropeliz
|
Viestin otsikko: Re: Irroitettu eber tehot puhaltimesta hukassa Lähetetty: 22.11.2011 16:00 |
Viestit: 238 Paikkakunta: Orivesi
|
kokemjne kirjoitti: tuosta oisit selvinny helpommalllakin. hyppylanka relekannan 30 ja 87a: väliin Kun minä en ole muuta tehnyt kuin tuon teippauksen ja laitoin sen föönin takaisin. Se eber-rosvo laittoi nuo piuhat.
C5 2.0 16v -05 berline kaasuvaiva
|
|
|
|
 |
|
Ropeliz
|
Viestin otsikko: Re: Irroitettu eber tehot puhaltimesta hukassa Lähetetty: 22.11.2011 16:02 |
Viestit: 238 Paikkakunta: Orivesi
|
kokemjne kirjoitti: jos tohinaa kuulu reilusti ,niin jostain puhaltaa ohi tai lämppärin moottorin kytkentä on väärinpäin Ei kai se sitten puhaltaisi sisälle ollenkaan, vai? oikeasta kytkennästä kuva olisi kyllä aika poikaa. edit, onko tuolla se jalkatilanvalon liitin missä kun ei meinaa löytää mistään? vai onko -99 exlusivessa jalkatilanvalo? tuossa ostamassani verhoilussa se kyllä on.
C5 2.0 16v -05 berline kaasuvaiva
|
|
|
|
 |
|
kokemjne
|
Viestin otsikko: Re: Irroitettu eber tehot puhaltimesta hukassa Lähetetty: 22.11.2011 16:05 |
Viestit: 4706 Paikkakunta: 05460 Hyvinkää
|
|
kyllä puhaltaa ,mutta tosi heiveröisesti riippumatta kierroksista
|
|
|
|
 |
|
kokemjne
|
Viestin otsikko: Re: Irroitettu eber tehot puhaltimesta hukassa Lähetetty: 22.11.2011 16:10 |
Viestit: 4706 Paikkakunta: 05460 Hyvinkää
|
|
tuo HDI:n kaava on ihan oikein. siinä vaan ei ole kuvattu kaikkia pinnoja . sitten siellä näkyy se katkaistu alkuperäinen kytkentä. riittää kun teet sen hyppykytkennän. välille ( kuvassa ) A-E ( ovat normaalisti pinnat 30-87 )
|
|
|
|
 |
|
kokemjne
|
Viestin otsikko: Re: Irroitettu eber tehot puhaltimesta hukassa Lähetetty: 22.11.2011 16:13 |
Viestit: 4706 Paikkakunta: 05460 Hyvinkää
|
|
ja kun oot saanut tohon noinkin näkyville ja imupään varsinkin , niin miksi et varmistais oikeaa pyörintäsuuntaa. lyö töpseli kiinni ja käännä virrat päälle avaimesta ja sitten vaan hitaalle pyörinnälle ja kato että siipi pyörii siihen suuntaa mistä ilman pitäis painua pois kotelosta . ja se EI ole se mistä katot siiven pyörimistä
|
|
|
|
 |
|
Ropeliz
|
Viestin otsikko: Re: Irroitettu eber tehot puhaltimesta hukassa Lähetetty: 22.11.2011 16:23 |
Viestit: 238 Paikkakunta: Orivesi
|
C5 2.0 16v -05 berline kaasuvaiva
|
|
|
|
 |
|
laakeri
|
Viestin otsikko: Re: Irroitettu eber tehot puhaltimesta hukassa Lähetetty: 23.11.2011 21:18 |
Viestit: 7490 Paikkakunta: Taipalsaari
|
Ropeliz kirjoitti: Saako tuon raitisilmasuodattimen ihan vain kampeamalla pois kolostaan kun meinasin leikata sen nyt talveksi pois ja laittaa vain kehyksen takaisin josko se auttaa tilapäisesti. Se suodatin tipahtaa mielestäni melko lailla itsekseen pois sieltä paikoiltaan sen jälkeen, kun sen pidikkeenä olevan pohjan on liu'uttanut pois paikoiltaan. Suodatinta ei kannata kuitenkaan ottaa pois suotta, Xantiassa on sen verran hyvin suunniteltu, että ilmaa mahtuu talvellakin riittävästi läpi. Se siulla oleva vika täytyisi kyllä ensin korjata. Tulikos se pyörimissuunta jo varmistettua? Ropeliz kirjoitti: tuosta raitisilmasuodattimen paikastahan saisi hienosti patentoitua tilapäiselle lämppärinkennolle paikan vaikka virtausta kuristamalla  Alkuperäisen kennon paikka on ihan hyvä käytön kannalta kyllä... vaikkakaan ei huollon kokemjne kirjoitti: ja kun oot saanut tohon noinkin näkyville ja imupään varsinkin , niin miksi et varmistais oikeaa pyörintäsuuntaa. lyö töpseli kiinni ja käännä virrat päälle avaimesta ja sitten vaan hitaalle pyörinnälle Ei lähde kylläkään pelkästään "virrat päällä" pyörimään. Täytyy laturinkin ladata --> moottori käyntiin.
VW Passat B7
|
|
|
|
 |
|
Croisette
|
Viestin otsikko: Re: Irroitettu eber tehot puhaltimesta hukassa Lähetetty: 23.11.2011 21:42 |
Viestit: 2006 Paikkakunta: Tampere
|
Kyllähän se puhallinvoima kasvoi kun otti sen raitisilmasuodattimen vallan pois, oli se melko tukossa (tosin paljon pahempia näen töissä todella usein). Ja lisäksi on syytä huomioida, että vaikka puhallus on tuulilasille, niin niistä kojelaudan suulakkeista, joissa on erikseen säätö, tulee ilmaa, eli jos ne kaikki on täysillä auki, niin ei tuulilasille riitä ilmaa  .
|
|
|
|
 |
|
Lauri
|
Viestin otsikko: Re: Irroitettu eber tehot puhaltimesta hukassa Lähetetty: 24.11.2011 09:50 |
Viestit: 1501
|
laakeri kirjoitti: Ropeliz kirjoitti: Saako tuon raitisilmasuodattimen ihan vain kampeamalla pois kolostaan kun meinasin leikata sen nyt talveksi pois ja laittaa vain kehyksen takaisin josko se auttaa tilapäisesti. Se suodatin tipahtaa mielestäni melko lailla itsekseen pois sieltä paikoiltaan sen jälkeen, kun sen pidikkeenä olevan pohjan on liu'uttanut pois paikoiltaan. Joskus on sattunut kohdalle niin tiukalla sovituksella olevia suodattimia, etteivät suosiolla tule kotelostaan ulos. Kuten laakeri mainitsi, niin suojakansi liu'utetaan sivuun ja sen jälkeen suodatin tulee kotelostaan alaspäin vetämällä. Yleensä sen saa paljain käsin kiskottua ulos. Kaikkihan varmasti tietää, että se paperinen raitisilmasuodatin menee mustaksi jo 10 000 km ajon jälkeen. Kerran vuoteen vaihto on monelle liian harvoin.
|
|
|
|
 |
|
Ropeliz
|
Viestin otsikko: Re: Irroitettu eber tehot puhaltimesta hukassa Lähetetty: 24.11.2011 14:49 |
Viestit: 238 Paikkakunta: Orivesi
|
Vika selvisi kun tuo Croise tuli ojentamaan auttavan kätensä kun kerran samassa talossa asustellaan. Raitisilmasuodatin oli tosiaan aikamoisen tukossa, nyt sitten ajellaan hetki ilman filtteriä ja sitten hakemaan uutta kun joutaa. helppo homma kun tietää mitä tekee, alfamerissä oli ohjeena että ota elementti pois alas vetämällä (vanha opas)  . Onneksi en särkenyt koko systeemiä Ensi kerralla vähän "viisaampana" helpompi. Kiitos kaikille pähkäilyyn osallistuneille.
C5 2.0 16v -05 berline kaasuvaiva
|
|
|
|
 |
|
|