|
| Kirjoittaja |
Viesti |
|
Teuski
|
Viestin otsikko: Xantian vilkut ei toimi Lähetetty: 07.10.2010 08:07 |
Viestit: 7867 Paikkakunta: Eurajoki
|
|
Xantussa (facelift) on nyt kolme kertaa ilmennyt mystinen vilkkuvika.
Vilkut ei reagoi viikseen mitenkään, ei siis tunnu tyypilliseltä viiksivialta joka onkin korjatu 2 vuotta sitten uudella viiksellä. Viiksi toimii muuten normaalisti, ja vilkutkin toimivat kaukolukon kanssa sekä hätävilkuilla.
Kahdella aikaisemmalla kerralla vika on mennyt itsestään ohi parissa minuutissa, mutta tänään oli yli puoli tuntia mykkänä ja siinä tilassa tonne työmaan parkkikselle jäi. Sulakkeet tarkistin päällisin puolin, muistaakseni F26 (hätävilkku) ja F28 (suuntavalot ym.) ja näyttäisivät ehjiltä.
Mitä kannattaisi seuraavaksi koittaa? Virratkin oli minuutin-pari pois päältä välissä mutta ei auttanut. Inhottava vika kun yleensä toimii ja iskee sitten yhtäkkiä tien päällä.
-=Citroën - Yhtä mukava kuin hyvä nojatuoli. Mutta parempi ajaa.=- -=C-Crosser 2.2HDi '07|C4 Cactus BlueHDi100 ETG '16=-
|
|
|
|
 |
|
laakeri
|
Viestin otsikko: Re: Xantian vilkut ei toimi Lähetetty: 07.10.2010 08:25 |
Viestit: 7490 Paikkakunta: Taipalsaari
|
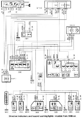
Teuski kirjoitti: Xantussa (facelift) on nyt kolme kertaa ilmennyt mystinen vilkkuvika. Ilmeisesti 98-, eikä 94-? Liitteenä kytkis siihen. Liitteet:
Tiedoston kommentti: Xantian vilkkukytkis
xantia_vilkut.jpg [ 105.65 KiB | Katsottu 20032 kertaa ]
VW Passat B7
|
|
|
|
 |
|
Teuski
|
Viestin otsikko: Re: Xantian vilkut ei toimi Lähetetty: 07.10.2010 08:26 |
Viestit: 7867 Paikkakunta: Eurajoki
|
Haynesin kuvaa tihrustamalla tulin tulokseen, että vikaa voisi kannattaa etsiä hätävilkun katkaisijasta. Tietäiskö joku onko I- ja II korisen hätävilkun katkaisijat samanlaiset (edes liittimen osalta)? Olis sopivasti tuon kojelaudan listan irrotus ohjelmassa kun uusi kello pitäisi vaihtaa  jaahas, sieltä se sama kuva tulikin 
-=Citroën - Yhtä mukava kuin hyvä nojatuoli. Mutta parempi ajaa.=- -=C-Crosser 2.2HDi '07|C4 Cactus BlueHDi100 ETG '16=-
|
|
|
|
 |
|
laakeri
|
Viestin otsikko: Re: Xantian vilkut ei toimi Lähetetty: 07.10.2010 08:32 |
Viestit: 7490 Paikkakunta: Taipalsaari
|
Teuski kirjoitti: Tietäiskö joku onko I- ja II korisen hätävilkun katkaisijat samanlaiset (edes liittimen osalta)? Ulkomuistista väittäisin, että ovat erimalliset ainakin I:ssä ja II:ssa. Vähän huonosti skannattu Haynes meikäläisellä, eikä paperiversio ole justiinsa tässä käsillä, mutta tuossa kuvassa lukee kuitenkin hätävilkun katkaisijalla 9V GR. I:n kytkiksessä sattuu olemaan sillä kohtaa huonompi skannaus, mutta väittäisin siinä lukevan 8V NR. Kytkiksestä vilkuiltuna näyttäisi se LED tulleen "uutuutena" II:een.
VW Passat B7
|
|
|
|
 |
|
Teuski
|
Viestin otsikko: Re: Xantian vilkut ei toimi Lähetetty: 07.10.2010 08:50 |
Viestit: 7867 Paikkakunta: Eurajoki
|
Meillä on varmaan jostain kumman syystä ihan yhtä huonosti skannatut versiot  Tuskinpa se liitin sitten sopii, mutta helppohan tuo on tarkistaa kun sellainen vanhanmallinen katkaisija löytyy Temen varaosaxantusta... edit: nyt vasta hoksasin missä se vilkkukatkaisija tuossa kuvassa on, sehän on tossa 0002-laatikossa, jonka luulin esittävän mittariston valoja. Etsin vaan numeroa 2310 jonka piti olla vilkkukatkaisija. Missäs tuo möykky 2305 sijaitsee eli vissiinkin vilkkurele tai vastaava on kyseessä? Kuvien mukaan on erilainen I- ja II-mallissa, mutta piuhat mene samoihin paikkoihin. Vissiinkin rele korvataan 98 eteenpäin jollain mikropiirivirityksellä?
-=Citroën - Yhtä mukava kuin hyvä nojatuoli. Mutta parempi ajaa.=- -=C-Crosser 2.2HDi '07|C4 Cactus BlueHDi100 ETG '16=-
|
|
|
|
 |
|
laakeri
|
Viestin otsikko: Re: Xantian vilkut ei toimi Lähetetty: 07.10.2010 11:26 |
Viestit: 7490 Paikkakunta: Taipalsaari
|
Teuski kirjoitti: ...ja äsken toimi taas kun kävin koittamassa.  Ensiapuna röppöä hätävilkkunamiskan suunnalle?
VW Passat B7
|
|
|
|
 |
|
Teuski
|
Viestin otsikko: Re: Xantian vilkut ei toimi Lähetetty: 07.10.2010 11:34 |
Viestit: 7867 Paikkakunta: Eurajoki
|
laakeri kirjoitti: Teuski kirjoitti: ...ja äsken toimi taas kun kävin koittamassa.  Ensiapuna röppöä hätävilkkunamiskan suunnalle? Jep, olis tarkoitus ainakin tuo tehdä samalla kun vaihdan sen kellon. Vielä kun sais selville missä tuo vilkun ohjausyksikkö on niin voisi sinnekin suihkia.
-=Citroën - Yhtä mukava kuin hyvä nojatuoli. Mutta parempi ajaa.=- -=C-Crosser 2.2HDi '07|C4 Cactus BlueHDi100 ETG '16=-
|
|
|
|
 |
|
laakeri
|
Viestin otsikko: Re: Xantian vilkut ei toimi Lähetetty: 07.10.2010 11:53 |
Viestit: 7490 Paikkakunta: Taipalsaari
|
Teuski kirjoitti: missä tuo vilkun ohjausyksikkö on Ääntä seuraamalla löytynee?
VW Passat B7
|
|
|
|
 |
|
Teuski
|
Viestin otsikko: Re: Xantian vilkut ei toimi Lähetetty: 07.10.2010 12:08 |
Viestit: 7867 Paikkakunta: Eurajoki
|
laakeri kirjoitti: Teuski kirjoitti: missä tuo vilkun ohjausyksikkö on Ääntä seuraamalla löytynee? No niinpä tietenkin! 
-=Citroën - Yhtä mukava kuin hyvä nojatuoli. Mutta parempi ajaa.=- -=C-Crosser 2.2HDi '07|C4 Cactus BlueHDi100 ETG '16=-
|
|
|
|
 |
|
Jankos
|
Viestin otsikko: Re: Xantian vilkut ei toimi Lähetetty: 07.10.2010 12:17 |
Viestit: 1230 Paikkakunta: Jokioinen
|
|
Onko se nyt varma ettei ole kyse siitä kulumisesta ja rasvan jäykkyydestä? Nyt kuitenkin ilmat on alkanut kylmenemään...
Meikäläisen ex xanttu kun ei vilkutellut kylmillä ilmoilla niin putsasin viiksen mekanismista paksut rasvat pois ja laitoin notkeampaa tilalle niin pelasi useamman vuoden ja pelaa vieläkin. Varmaan 5 vuotta tuosta aikaa ja ajettukin yli 100 tkm...
Saxo vts v1600, Peugeot 2008 E-hdi 115 allure, Ducato 2.3jtd retkis, Ducato 180 multijet huoltoautona, Saxo TU5JP4T projekti.
|
|
|
|
 |
|
Teuski
|
Viestin otsikko: Re: Xantian vilkut ei toimi Lähetetty: 07.10.2010 12:24 |
Viestit: 7867 Paikkakunta: Eurajoki
|
Jankos kirjoitti: Onko se nyt varma ettei ole kyse siitä kulumisesta ja rasvan jäykkyydestä? Nyt kuitenkin ilmat on alkanut kylmenemään...
Meikäläisen ex xanttu kun ei vilkutellut kylmillä ilmoilla niin putsasin viiksen mekanismista paksut rasvat pois ja laitoin notkeampaa tilalle niin pelasi useamman vuoden ja pelaa vieläkin. Varmaan 5 vuotta tuosta aikaa ja ajettukin yli 100 tkm... 99,9% varma olen että ei johdu viiksestä. Se on vain 2 vuotta vanha eikä täällä edes ole ollut kylmää  Yöt on pysynyt 6 asteen tienoilla ja tänäänkin tuo vika iski vasta reilun 20km ajon jälkeen. Jos olisi viiksen vika niin eiköhän sieltä jotain saisi ulos kun vähän painaa. Tässä tapauksessa viiksi on täysin kuollut molempiin suuntiin.
-=Citroën - Yhtä mukava kuin hyvä nojatuoli. Mutta parempi ajaa.=- -=C-Crosser 2.2HDi '07|C4 Cactus BlueHDi100 ETG '16=-
|
|
|
|
 |
|
jasu
|
Viestin otsikko: Re: Xantian vilkut ei toimi Lähetetty: 07.10.2010 12:27 |
Viestit: 3161 Paikkakunta: Korpilahti
|
|
Poistuukos vika kun painaa varovasti hätävilkkunappulaa samaan aikaan kun viiksestä on toive vilkulle..?
Tällaista on ollut joskus Bx:ien kanssa havaittuna, käytönpuutteesta tullutta kosketusvikaa hätävilkkukatkaisijalle...
Dyane 4x4 IE, Sm 2.7, Dyane IE, C8 2.2 Series -LantikanPätkä
|
|
|
|
 |
|
Teuski
|
Viestin otsikko: Re: Xantian vilkut ei toimi Lähetetty: 07.10.2010 12:52 |
Viestit: 7867 Paikkakunta: Eurajoki
|
jasu kirjoitti: Poistuukos vika kun painaa varovasti hätävilkkunappulaa samaan aikaan kun viiksestä on toive vilkulle..?
Tällaista on ollut joskus Bx:ien kanssa havaittuna, käytönpuutteesta tullutta kosketusvikaa hätävilkkukatkaisijalle... Ihan noin en ole kyllä kokeillut, mutta hätävilkut päällä on viikseä vemputellut. Siitä paskamainen homma että vika ilmaantuu yhtäkkiä ja häipyy yhtä yllättäen. Pitää muistaa koittaa tuota jos vielä osuu kohdalle...
-=Citroën - Yhtä mukava kuin hyvä nojatuoli. Mutta parempi ajaa.=- -=C-Crosser 2.2HDi '07|C4 Cactus BlueHDi100 ETG '16=-
|
|
|
|
 |
|
Jankos
|
Viestin otsikko: Re: Xantian vilkut ei toimi Lähetetty: 07.10.2010 13:20 |
Viestit: 1230 Paikkakunta: Jokioinen
|
|
Jos kerran hätävilkut toimii niin vika on pakko olla viiksessä tai sinne menevässä johdotuksessa. Koska ainakin tuon kuvan mukaisessa johdotuksessa vilkkuviiksi on ihan puhtaasti hätävilkkujen rinnalla. Voit testata kytkemällä viiksen johdot 231 ja 233/234 oikkariin ja jos sitten toimii niin viiksivika. Saman voi tehdä myös hätävilkkujen johdoista 232 ja 2330/2340.
Mutta tuo kytkentäkuva ei ole oikea, siinä ei ole mitään kytkentöjä ovienaukaisuvilkutukselle. Mutta onko se yleensäkään orkkistoiminto? Eli onko sulla siinä hälytin sen oman kauko-ohjaimen kanssa ohjattuna?
Saxo vts v1600, Peugeot 2008 E-hdi 115 allure, Ducato 2.3jtd retkis, Ducato 180 multijet huoltoautona, Saxo TU5JP4T projekti.
|
|
|
|
 |
|
laakeri
|
Viestin otsikko: Re: Xantian vilkut ei toimi Lähetetty: 07.10.2010 13:46 |
Viestit: 7490 Paikkakunta: Taipalsaari
|
Jankos kirjoitti: Jos kerran hätävilkut toimii niin vika on pakko olla viiksessä tai sinne menevässä johdotuksessa. Koska ainakin tuon kuvan mukaisessa johdotuksessa vilkkuviiksi on ihan puhtaasti hätävilkkujen rinnalla. Kuvan kytkiksestä katsottuna voi vähän hintsusti tulla sähköä vilkkuviikselle, jos hätävilkkujen kytkimen nappaa irti. Kun näyttäisi menevän F28 -> 2300:9V GR:3 -> N/C-kosketin -> 2300:9V GR:1 -> 2305:5V GR:2 ja sieltä edelleen 2305:5V GR:5 -> 0002:9V NR:5A/2300:9V GR:8, kun hätävilkkukytkin on lepotilassa. Toivottavasti meni nopealla silmäyksellä oikein. Eli eivät ole rinnakkain vaan aivan normaaliin citikan tapaan.
VW Passat B7
|
|
|
|
 |
|
Teuski
|
Viestin otsikko: Re: Xantian vilkut ei toimi Lähetetty: 07.10.2010 14:11 |
Viestit: 7867 Paikkakunta: Eurajoki
|
|
Kyllähän tuon kuvan mukaan se suuntavilkkujen sähkö tulee sen hätävilkkukatkaisijan kautta. Näin minäkin sen ainakin tulkitsen.
Olettaisin että tuo oven kuva alhaalla keskellä itse vilkkujen yläpuolella on se kaukolukon vilkautus. Ihan orkkis kaukolukko on ilman hälyjä.
-=Citroën - Yhtä mukava kuin hyvä nojatuoli. Mutta parempi ajaa.=- -=C-Crosser 2.2HDi '07|C4 Cactus BlueHDi100 ETG '16=-
|
|
|
|
 |
|
Jankos
|
Viestin otsikko: Re: Xantian vilkut ei toimi Lähetetty: 07.10.2010 15:08 |
Viestit: 1230 Paikkakunta: Jokioinen
|
|
Niin joo sähköt tulee hätävilkkukätkaisijan kautta releelle eli sitä ei voi ottaa pois mutta oikkaria voi kokeilla noiden väliin. Varsinaisesti viiksi on hätävilkkukatkaisijan rinnalla. Mutta kun tarkistaa että hätävilkkukatkaisijalta tarkistaa 230 johdosta että sähkö lähtee molemmissa asennoissa, niin sitten saa varmalla todettua onko vika viiksessä vai ei. Eihän nuo nyt näin vaikeita ole, kuva toiseen käteen, yleismittari toiseen käteen ja autoon mittaamaan ja oikkareita tekemään.
Viiksen kääntely hätärit päällä ei vaikuta mihinkään.
Joo toi oven kuva on pakko olla se vilkkujen vilkauttaja ovia lukittaessa... Eli ei vaikut vilkkujen toimintaan, on rinnalla.
Saxo vts v1600, Peugeot 2008 E-hdi 115 allure, Ducato 2.3jtd retkis, Ducato 180 multijet huoltoautona, Saxo TU5JP4T projekti.
|
|
|
|
 |
|
ealab
|
Viestin otsikko: Re: Xantian vilkut ei toimi Lähetetty: 07.10.2010 15:46 |
Viestit: 4467 Paikkakunta: Paimio
|
|
Ja tuleeko häppä viikselle keskiliittimeen 231. Se haarautuu jossain hätävilkulle 232:een. Viiksen kokeilu yhdistämällä sen 231, 233:een ja/tai 234:ään. Siis tulevaa vilkkuvaa plussaa vilkulta lähteviin. Vilkkurele alkaa toimia, kun se saa maita/miinusta vilkkupolttimoiden kautta.
|
|
|
|
 |
|
Teuski
|
Viestin otsikko: Re: Xantian vilkut ei toimi Lähetetty: 09.10.2010 17:42 |
Viestit: 7867 Paikkakunta: Eurajoki
|
Vikapaikka on todennäköisesti löytynyt. Kun kelloa vaihtaessa irroittelin sitä listaa jossa hätävilkun katkaisija on, irtosi sen johto itsestään. Ei ollut siis kunnolla lukituksessaan joten siellä oli varmaan pientä kontaktiongelmaa 
-=Citroën - Yhtä mukava kuin hyvä nojatuoli. Mutta parempi ajaa.=- -=C-Crosser 2.2HDi '07|C4 Cactus BlueHDi100 ETG '16=-
|
|
|
|
 |
|
laakeri
|
Viestin otsikko: Re: Xantian vilkut ei toimi Lähetetty: 09.10.2010 18:41 |
Viestit: 7490 Paikkakunta: Taipalsaari
|
Halpa remontti siis onneksi 
VW Passat B7
|
|
|
|
 |
|
Xantippa
|
Viestin otsikko: Re: Xantian vilkut ei toimi Lähetetty: 11.10.2010 15:49 |
Viestit: 1709 Paikkakunta: Kuopio
|
Teuski kirjoitti: Vikapaikka on todennäköisesti löytynyt. Kun kelloa vaihtaessa irroittelin sitä listaa jossa hätävilkun katkaisija on, irtosi sen johto itsestään. Ei ollut siis kunnolla lukituksessaan joten siellä oli varmaan pientä kontaktiongelmaa  Heh, mulla käyttäytyi samoin kun opetuspolkimen vaijeri pääsi vähän painamaan tuota hätävilkkunappia. 
C5 HDi 240 Tourer
|
|
|
|
 |
|
Lauri
|
Viestin otsikko: Re: Xantian vilkut ei toimi Lähetetty: 23.11.2011 10:00 |
Viestit: 1501
|
Minulla tuli otsikon mukainen vilkkuvika vuosimallin 1997 V6 Xantiaan. Vika on ilmennyt muutamana aamuna. Startin jälkeen vilkut eivät toimi viiksestä eikä hätävilkkunapista. Hetken kun ajelee, niin vilkut alkavat pelaamaan normaalisti. Miten nuo "ykköskoppasen" nappulat lähtevät siitä koristelistasta helpoiten irti? Ruuvitaltalla kampeamalla vai? Vilkkuviikseä ei taida saada ilman ratin irroitusta pois? Tällä autolla ajetaan vähän, joten hapettumista johtuvat ongelmat ovat olleet varsin yleisiä tässä kiesissä. Autohan tykkää kun sillä ajetaan  .
|
|
|
|
 |
|
Tapsa 63
|
Viestin otsikko: Re: Xantian vilkut ei toimi Lähetetty: 23.11.2011 11:40 |
Viestit: 2525 Paikkakunta: Pieksämäki
|
Lauri kirjoitti: Minulla tuli otsikon mukainen vilkkuvika vuosimallin 1997 V6 Xantiaan. Vika on ilmennyt muutamana aamuna. Startin jälkeen vilkut eivät toimi viiksestä eikä hätävilkkunapista. Hetken kun ajelee, niin vilkut alkavat pelaamaan normaalisti. Miten nuo "ykköskoppasen" nappulat lähtevät siitä koristelistasta helpoiten irti? Ruuvitaltalla kampeamalla vai? Vilkkuviikseä ei taida saada ilman ratin irroitusta pois? Tällä autolla ajetaan vähän, joten hapettumista johtuvat ongelmat ovat olleet varsin yleisiä tässä kiesissä. Autohan tykkää kun sillä ajetaan  . Hätävilkun katkaisia vialla,kyllä se pitäs tulla kampeelalla ala ja ylälaidasta.Kaverilla oli samanlainen vika,vaihtoivat korjaamolla vilkkuviiksen särkivät johtokierrukan ratin alta vika oli hätävilkun kytkimessä,Tapsalta löytyy ehjä kytkin..
|
|
|
|
 |
|
Xantippa
|
Viestin otsikko: Re: Xantian vilkut ei toimi Lähetetty: 23.11.2011 20:20 |
Viestit: 1709 Paikkakunta: Kuopio
|
|
Mulla on ollut tuota vilkkuongelmaa kylmänä jo parina talvena, 20 asteen pakkasessa ei ole välttämättä ekassa risteyksessä toiminut. Nyt on temppuillut satunnaisesti myös kesällä, mutta lähtee kyllä vilkuttamaan jos vilkkuviikseä painaa kovemmin pykäläänsä. Veikkaisin että itse viiksi alkaa olla kulunut ja pitäisi tuo varaviiksi vaihtaa tilalle kun jaksaisi.
C5 HDi 240 Tourer
|
|
|
|
 |
|
|