|
Missähän kohdin voisi poljin hässäkässä olla kytkinpoljinta haisteleva katkaisija?
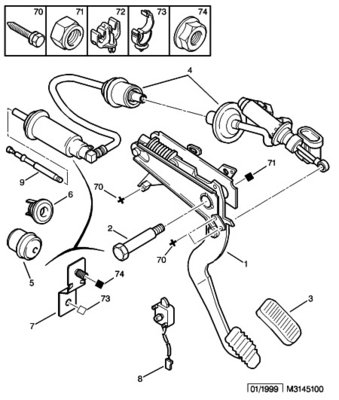
Kyseessä siis XM 2,5 Td ja varmaankin jonkinlainen jälkiasennus. Tosin ei kai tarvitse toimiakseen muuta kuin kytkimet jarru- sekä kytkinpolkimille ja viiksen. Muuten on kai Ecussa sisäisesti?? Nyt vaan lopetti toimintansa kovempien pakkasten jälkeen ja ajattelin katsella tuon kytkinpolkimen tunnustelijan, josko ei tee kontaktia kytkin ylhäällä? Jarruvalot ainakin toimii normaalisti ja sen tunnustelu on kai jarruvalokatkaisijalta polkimessa. Kuvassa on osa no. 8, mutten onnistunut ihan pienellä purkamisella löytämään mitään vastaavaa tai oikein edes paikkaa mihin johdot menisivät...
| Liitteet: |

kytkinpoljin2.5.jpg [ 65.39 KiB | Katsottu 2102 kertaa ]
|
|