|
| Kirjoittaja |
Viesti |
|
Plagu
|
Viestin otsikko: Re: C5 II HDi 136 ongelmanratkontaa Lähetetty: 08.06.2016 20:30 |
Viestit: 945 Paikkakunta: Vihti
|
|
Joko purit ne webaston räpellykset ja korjasit kaikki liitokset alkuperäisen kaltaiseksi?
|
|
|
|
 |
|
Teuski
|
Viestin otsikko: Re: C5 II HDi 136 ongelmanratkontaa Lähetetty: 08.06.2016 21:16 |
Viestit: 7850 Paikkakunta: Eurajoki
|
|
Kokeiltu on.
-=Citroën - Yhtä mukava kuin hyvä nojatuoli. Mutta parempi ajaa.=- -=C-Crosser 2.2HDi '07|C4 Cactus BlueHDi100 ETG '16=-
|
|
|
|
 |
|
citroen for ever
|
Viestin otsikko: Re: C5 II HDi 136 ongelmanratkontaa Lähetetty: 08.06.2016 21:26 |
Viestit: 511
|
|
eiks noissa oo esiintynyt jotain häikkää konehuoneen sulakeboksin pohjissa? Se muistaakseni nimen omaan aiheutti mysteerivikoja joita metsästetty kalliilla v..o korjaamoilla expertit löytänyt helposti. Aina ei kannata jämähtää siihen, että se on jkossain elektroniikassa se vika voi olla myös ihan "normi" sähköissä.
|
|
|
|
 |
|
Teuski
|
Viestin otsikko: Re: C5 II HDi 136 ongelmanratkontaa Lähetetty: 08.06.2016 21:30 |
Viestit: 7850 Paikkakunta: Eurajoki
|
|
Mitä tarkoitat "konehuoneen sulakeboksin pohjalla"? BSMää? Se on aika pitkälti elektroniikkaa ja sen vaihto on kokeiltu.
Vaiko sen alla olevaa maxisulakerivistöä?
-=Citroën - Yhtä mukava kuin hyvä nojatuoli. Mutta parempi ajaa.=- -=C-Crosser 2.2HDi '07|C4 Cactus BlueHDi100 ETG '16=-
|
|
|
|
 |
|
Teuski
|
Viestin otsikko: Re: C5 II HDi 136 ongelmanratkontaa Lähetetty: 09.06.2016 06:39 |
Viestit: 7850 Paikkakunta: Eurajoki
|
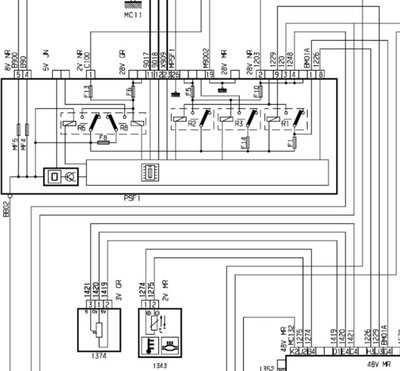
Kuvan brosyyri löytyy kokonaisuudessaan täältä. Tiedossa siis on, että tuon BSM:n "28V NR"-liittimen pinnin 4 johto 1248 on +12V ja se pätkii. Tuosta on otettu se lämppärin ohjaus. ECUn "48V MR"-liittimen nasta J3 ohjaa maadoittamalla virransyöttöä noille releille ja tuo maadoitus pätkii. Johto 1229 vaikuttaisi kyllä olevan ehjä. Tuon johdon 1229 jatkuva maadoittaminen käynnistelee flektejä ja muuta kivaa, mutta ei auta itse ongelmaan. ECUn virrat siis katkeilee ja nuo Webaston ja lämppärin kytkennät vain kärsivät seurauksista. Tuossa kuvassa kun ei kaikki nastoja ole kerrottu niin mistäköhän ne saisi selville? F1 on moottorinohjauksen sulake ja siitä menee virta ECUlle BSM:n "28V NR"-liittimen kautta mutta nastaa/johtoa ei ole kerrottu. Mistä tarkemmat kuvat vai pitääkö alkaa mittailemaan? Ja tosiaan Lexiallakin on havaittavissa, että ECUN virrat pätkii ja katkoo yhteyttä, muut yhteydet toimii.
| Liitteet: |

C5_bsm.jpg [ 92.93 KiB | Katsottu 13437 kertaa ]
|
-=Citroën - Yhtä mukava kuin hyvä nojatuoli. Mutta parempi ajaa.=- -=C-Crosser 2.2HDi '07|C4 Cactus BlueHDi100 ETG '16=-
|
|
|
|
 |
|
jasu
|
Viestin otsikko: Re: C5 II HDi 136 ongelmanratkontaa Lähetetty: 09.06.2016 10:40 |
Viestit: 3158 Paikkakunta: Korpilahti
|
Teuski kirjoitti: Kuvan brosyyri löytyy kokonaisuudessaan täältä. Tiedossa siis on, että tuon BSM:n "28V NR"-liittimen pinnin 4 johto 1248 on +12V ja se pätkii. Tuosta on otettu se lämppärin ohjaus. Tämä nyt vain "yleisluontoisena heittona", mutta oletko tullut mitanneeksi samaisen liittimen pinneistä 3 ja 6 mitä niissä tapahtuu pätkimisen aikana? Ehkä myös kuvassa näkyvät "numeroimattomat", ilmeisesti numerot 1 ja 5 (jotka eivät ole käytössä, mutta niihin siirtämällä ongelmapaikan vika saattaisi korjaantua, vähän vastaava kuin Xm Y4:n konehuoneen sulakerasian muutos)..? Jos pätkimistä tapahtuu kaikissa noissa liittimissä, vika on "syvemmällä", jos taas vain pinnissä 4 niin silloin vika on piirikortilla, liittimessä tai sen juotoksessa... Tämänkertainen arvelu vain tuohon kuvaan ja tarinaan liittyen. Yhtään en yllättyisi vaikka olisi nuokin mittailtu ja päätelty, mutta tuommoisista lähtisin vikaa hakemaan...
Dyane 4x4 IE, Sm 2.7, Dyane IE, C8 2.2 Series -LantikanPätkä
|
|
|
|
 |
|
jean-michel
|
Viestin otsikko: Re: C5 II HDi 136 ongelmanratkontaa Lähetetty: 09.06.2016 10:53 |
Viestit: 1293 Paikkakunta: Espoo
|
|
Enkä kainostele muistuttaa että "kehittyessään" vika korreloi ulkolämpötilan kansa siten että jos yli + 10 c tai lämmin talli, lähti auto kuin palmun alta ja vikaa ei ollut. 0 lähestyttäessä starttailuaika lisääntyi ja pakkaskelillä se oli 10-15 min, käytännössä siihen saakka kun termari aukesi ensikerran.
"Viisas ihminen ei joudu tilanteisiin, joista älykäs selviytyy, mutta kummalla on kivempaa?"
Cx 25 Gti turbo, 2 X XM V6-24 3 x XM V6-12, C5 2,0 16v Exc. T., C6 2,7 exc. , renault midliner 1991, renault master Maxi 2008
|
|
|
|
 |
|
Teuski
|
Viestin otsikko: Re: C5 II HDi 136 ongelmanratkontaa Lähetetty: 09.06.2016 11:45 |
Viestit: 7850 Paikkakunta: Eurajoki
|
jasu kirjoitti: Tämänkertainen arvelu vain tuohon kuvaan ja tarinaan liittyen. Yhtään en yllättyisi vaikka olisi nuokin mittailtu ja päätelty, mutta tuommoisista lähtisin vikaa hakemaan... Et siis ylläty kun kerron, että pätkii myös sulakkeilta F5 ja F10 mitattuna Joten R2 tai pikemminkin sitä ohjaava R1 pätkii, koska ECUlta tuntuisi katkeavan virrat myös. F1 ei pätki, joten oletan vian tulevan ECUn suunnasta johdosta 1229 joka ohjaa relettä R1. maasturisti kirjoitti: Enkä kainostele muistuttaa että "kehittyessään" vika korreloi ulkolämpötilan kansa siten että jos yli + 10 c tai lämmin talli, lähti auto kuin palmun alta ja vikaa ei ollut. 0 lähestyttäessä starttailuaika lisääntyi ja pakkaskelillä se oli 10-15 min, käytännössä siihen saakka kun termari aukesi ensikerran. Näinhän se toimi, mutta kuten eilen totesin, ei ulkoilman tai moottorin lämpötilalla saati vikojen poistolla ole enää mitään vaikutusta asiaan  Kyllähän ennen ECUn vaihtoa ihan selkeästi vika poistui, kun ecua lämmitti. Kaksi kertaa kokeilin onnistuneesti ja sen jälkeen päädyin vaihtamaan ECUa tuloksetta...
-=Citroën - Yhtä mukava kuin hyvä nojatuoli. Mutta parempi ajaa.=- -=C-Crosser 2.2HDi '07|C4 Cactus BlueHDi100 ETG '16=-
|
|
|
|
 |
|
Plagu
|
Viestin otsikko: Re: C5 II HDi 136 ongelmanratkontaa Lähetetty: 09.06.2016 12:05 |
Viestit: 945 Paikkakunta: Vihti
|
|
Purappa ne ecun pään liittimet ja kato mitä ovat syöneet.
|
|
|
|
 |
|
toiras
|
Viestin otsikko: Re: C5 II HDi 136 ongelmanratkontaa Lähetetty: 09.06.2016 13:19 |
Viestit: 150
|
|
Autosähköistä en mitään ymmärrä paitsi että noin käyttäytyy kun jossain juotoksissa on vikaa.
|
|
|
|
 |
|
Teuski
|
Viestin otsikko: Re: C5 II HDi 136 ongelmanratkontaa Lähetetty: 09.06.2016 13:40 |
Viestit: 7850 Paikkakunta: Eurajoki
|
toiras kirjoitti: Autosähköistä en mitään ymmärrä paitsi että noin käyttäytyy kun jossain juotoksissa on vikaa. Miten se huono juotos osaa pätkäistä sähköt juuri samanmittaiseksi ajaksi aina neljän sekunnin välein ja kaiken lisäksi seitsemän kertaa ennen kuin loppuu ja auto lakkaa käynnistymästä?  Tuo logiikka tossa vian ilmenemisessä mietityttää, joku toiminto siellä tökkii, mutta mikä? Onko ECUssa joku turvatoiminto joka viheltää pelin poikki sähköjen pätkiessä? Virtoja täytyy pitää tovi pois jotta palautuu, akun irrotus auttaa heti.
-=Citroën - Yhtä mukava kuin hyvä nojatuoli. Mutta parempi ajaa.=- -=C-Crosser 2.2HDi '07|C4 Cactus BlueHDi100 ETG '16=-
|
|
|
|
 |
|
jean-michel
|
Viestin otsikko: Re: C5 II HDi 136 ongelmanratkontaa Lähetetty: 09.06.2016 13:49 |
Viestit: 1293 Paikkakunta: Espoo
|
|
Sähkönjakelun avolinjoissa käytetään uudelleenkytkentää, jolla saadaan pienemmät risut poltettua pois syöttöä haittaamasta.
Voisiko vastaava logiikka olla kopioituna tähän mysteerioon sovellettuna viestien liikkumiseen?
Jotenkin mielenpäällä olisi auto-restart, kun anturitieto on jäänyt saamatta tai mennyt katolleen, siksi loogisesti tuo virhe aikanaan toistui.
"Viisas ihminen ei joudu tilanteisiin, joista älykäs selviytyy, mutta kummalla on kivempaa?"
Cx 25 Gti turbo, 2 X XM V6-24 3 x XM V6-12, C5 2,0 16v Exc. T., C6 2,7 exc. , renault midliner 1991, renault master Maxi 2008
|
|
|
|
 |
|
Plagu
|
Viestin otsikko: Re: C5 II HDi 136 ongelmanratkontaa Lähetetty: 09.06.2016 14:05 |
Viestit: 945 Paikkakunta: Vihti
|
|
Irroitappa kaikki hehkuun liittyvät, releet yms... Tuo alkuperäinen lämpötila korrelaatio voisi viitata sinne suuntaan. Ja jos esim hehkujen relelähtö ecun päässä on oikosessa saattais tehdä just tollasta temppuilua... Arvauksesi ecun "suojatoiminnosta" kuullostaisi loogiselta.
edit: kannattanee kaikki ecun lähdöt käydä läpi irroittamalla toimilaitteita yksikerrallaan, perus lämpöantureita nyt ei mutta kaikki jotka tarvitsevat toimiakseen virtaa, egr-venttiilit, ahtimen, flektin ohjaukset jne. Kunnes vikojen räpsintä lakkaa, jossei niinkään löydy sitten purkaa sen ecun pään liittimen ja irroittaa sieltä vastaavat pinni kerrallaan.
|
|
|
|
 |
|
betaromeo
|
Viestin otsikko: Re: C5 II HDi 136 ongelmanratkontaa Lähetetty: 09.06.2016 14:12 |
Viestit: 2164
|
Tervehdys Teuski! Mielenkiinnolla seurannut tuota ongelman ratkontaasi ja toivonut, joko nyt ratkennut? Tuli mieleeni, olisiko Citikka viljellyt johonkin automaatti sulakkeita, joihin törmännyt Mersuissa? Tekevät kutakuinkin noin, jos jossakin häiriö, että katkovat virran ja yrittävät tasaisin ajoin uudelleen kytkentää, tai jokin lisälaitteista? Uskalsin ehdottaa, kun taidat ottaa jo hullujakin ideoita vastaan! 
BX16Valve88 C5V6-02 CEE-5 C62.7Hdi06ja07 CX2000 Pallas-79 CX25Prestige-87,Turbo-87 4xD-malli68 Pallas,DSuper70,DS23IE73,D-Super5-74 Dyane4-72 museo,2CV4-74 GSA Spesial-83aj.13tkm museo Jumpy2.0Hdi 80kw pitkä XM V6 12V 156tkm,2.0iBreakY4-96 ZX1.9Vol-92 ym.
|
|
|
|
 |
|
Teuski
|
Viestin otsikko: Re: C5 II HDi 136 ongelmanratkontaa Lähetetty: 09.06.2016 14:31 |
Viestit: 7850 Paikkakunta: Eurajoki
|
Plagu kirjoitti: Irroitappa kaikki hehkuun liittyvät, releet yms... Tuo alkuperäinen lämpötila korrelaatio voisi viitata sinne suuntaan. Ja jos esim hehkujen relelähtö ecun päässä on oikosessa saattais tehdä just tollasta temppuilua... Arvauksesi ecun "suojatoiminnosta" kuullostaisi loogiselta.
edit: kannattanee kaikki ecun lähdöt käydä läpi irroittamalla toimilaitteita yksikerrallaan, perus lämpöantureita nyt ei mutta kaikki jotka tarvitsevat toimiakseen virtaa, egr-venttiilit, ahtimen, flektin ohjaukset jne. Kunnes vikojen räpsintä lakkaa, jossei niinkään löydy sitten purkaa sen ecun pään liittimen ja irroittaa sieltä vastaavat pinni kerrallaan. Ilman hehkurelettä on tullut kokeiltua, samoin yksitellen lähes kaikki konehuoneen liittimet nyppimällä. Räpsintää ei tapahdu kun ECUn musta tai ruskea liitin on irrotettuna. Mutta eipä tapahdu paljon muutakaan :/ Katsotaan jos tänään taas viitsisi käydä mittarin kanssa auton kimppuun...
-=Citroën - Yhtä mukava kuin hyvä nojatuoli. Mutta parempi ajaa.=- -=C-Crosser 2.2HDi '07|C4 Cactus BlueHDi100 ETG '16=-
|
|
|
|
 |
|
toiras
|
Viestin otsikko: Re: C5 II HDi 136 ongelmanratkontaa Lähetetty: 09.06.2016 16:29 |
Viestit: 150
|
|
Eipä sitten ole kosketusvika jos katkoo sähköjä tasaisesti,ecu katkoo virtoja siltäosin ainakin kun havaitsee vikoja polttoaineseoksissa mutta uudelleenkäynnistys palauttaa virrat takaisin.
|
|
|
|
 |
|
Teuski
|
Viestin otsikko: Re: C5 II HDi 136 ongelmanratkontaa Lähetetty: 12.06.2016 22:46 |
Viestit: 7850 Paikkakunta: Eurajoki
|
|
ECUn ja BSM:n isot liittimet syynätty läpi, johtosarjaa auottu paksun, putkitetun nipun alkuun asti. Yksi nirhautunut lämpöanturin johto löytyi, ei auttanut korjaus.
Mittailtu sitä sun tätä ja tulin siihen tulokseen, että R1 pakottaminen päälle maadoittamalla johto 1229 ei auta, pätkii tuo releen R2 ohjaus BSM:n älyn päästä. Kokeilin vielä syöttää tuon R2 ohjaaman +12V suoraan F10:lle, mutta ei auttanut sammuilluun. Lämppärin pätkiminen tuki loppui. Eli jokin saa tuon BSM:n sekoilemaan, mutta mikä? Toista BSMää on kokeiltu eikä auttanut.
-=Citroën - Yhtä mukava kuin hyvä nojatuoli. Mutta parempi ajaa.=- -=C-Crosser 2.2HDi '07|C4 Cactus BlueHDi100 ETG '16=-
|
|
|
|
 |
|
Teuski
|
Viestin otsikko: Re: C5 II HDi 136 ongelmanratkontaa Lähetetty: 13.06.2016 07:57 |
Viestit: 7850 Paikkakunta: Eurajoki
|
jaahas, tuo aiempi linkki on lakannut toimimasta. Latasin pdfän uudelleen sinne: http://www.filedropper.com/enginemgmtBSM:n ruskea liiitin (28V MR) irrotettuna auto ei käynnisty, starttaa kyllä. Tuon kuvan mukaan siinä ei kuitenkaan olisi mitään moottorinohjaukseen liittyvää. Sama liitin irrotettuna ei myöskään räpsimistä tunnu tapahtuvan. Mistä löytyisi tarkemmat kuvat?
-=Citroën - Yhtä mukava kuin hyvä nojatuoli. Mutta parempi ajaa.=- -=C-Crosser 2.2HDi '07|C4 Cactus BlueHDi100 ETG '16=-
|
|
|
|
 |
|
Teuski
|
Viestin otsikko: Re: C5 II HDi 136 ongelmanratkontaa Lähetetty: 20.06.2016 08:20 |
Viestit: 7850 Paikkakunta: Eurajoki
|
|
Nostellaas tätä kun ei homma etene.
Johtosarjaa auottu lisää, kokeiltu irrotella yksittäisiä sulakkeita vian poistumisen toivossa mutta ei edistystä.
F1 kun ottaa irti ei pätki, mutta eipä edes starttaa.
Edelleen mietityttää mikä toiminto voisi olla kyseessä kun säännöllisesti räpsyy ja seitsemän kerran jälkeen menee jumiin?
-=Citroën - Yhtä mukava kuin hyvä nojatuoli. Mutta parempi ajaa.=- -=C-Crosser 2.2HDi '07|C4 Cactus BlueHDi100 ETG '16=-
|
|
|
|
 |
|
zemial
|
Viestin otsikko: Re: C5 II HDi 136 ongelmanratkontaa Lähetetty: 20.06.2016 08:41 |
Viestit: 182
|
|
Alussahan oli tuolla maininta, että myös ABS / ESP -vikaa oli päällä? Onko tuon purkin irrottaminen testattu, että se ei ole nyt vaan rikki? Volkkareissahan on sellaista, että kun ABS yksikkö vioittuu, niin ECU:lta ei saa enää luotettavisti vikakoodeja ulos, tai ei saa yhteyttä ollenkaan testerillä ECUun ja se on ainoa indikaatio siitä, että ABS purkki on oikeasti rikki (niissä on joku juotos minkä vekatronics osaa ainakin korjata hetkessä ja se hajoaa melkein kaikista purkeista).
C5:ssähän on kaiketi myös niitä automaattisia jarrutuksia ABS:llä, että se käyttää jarruja välillä itsestäänkin kuivattaakseen jarrulevyt/palat. Tuo ominaisuus perustuu johonkin lämpötilaan ainakin.
|
|
|
|
 |
|
Teuski
|
Viestin otsikko: Re: C5 II HDi 136 ongelmanratkontaa Lähetetty: 20.06.2016 10:26 |
Viestit: 7850 Paikkakunta: Eurajoki
|
|
Kyllä muistaakseni olen kokeillut liitin irrotettuna. Sulakkeen irrotin eilen ainakin ja se ei muuttanut mitään.
-=Citroën - Yhtä mukava kuin hyvä nojatuoli. Mutta parempi ajaa.=- -=C-Crosser 2.2HDi '07|C4 Cactus BlueHDi100 ETG '16=-
|
|
|
|
 |
|
jean-michel
|
Viestin otsikko: Re: C5 II HDi 136 ongelmanratkontaa Lähetetty: 21.06.2016 07:03 |
Viestit: 1293 Paikkakunta: Espoo
|
|
Abs/ESP virhe oli harvinaisempi vieras ja ei toistunut samanlaisella järjestelmällisyydellä tuon käynnistysongelman kanssa, ESP jne esiintyi lähinnä tilanteissa joissa vakionopeussäädin ei jaksanut pitää säädettyä vauhtia kun väännön/tehon rajoitus oli kytkettynä mysteeriovian ansiosta aiemmin.
"Viisas ihminen ei joudu tilanteisiin, joista älykäs selviytyy, mutta kummalla on kivempaa?"
Cx 25 Gti turbo, 2 X XM V6-24 3 x XM V6-12, C5 2,0 16v Exc. T., C6 2,7 exc. , renault midliner 1991, renault master Maxi 2008
|
|
|
|
 |
|
Teuski
|
Viestin otsikko: Re: C5 II HDi 136 ongelmanratkontaa Lähetetty: 21.06.2016 07:05 |
Viestit: 7850 Paikkakunta: Eurajoki
|
maasturisti kirjoitti: Abs/ESP virhe oli harvinaisempi vieras ja ei toistunut samanlaisella järjestelmällisyydellä tuon käynnistysongelman kanssa, ESP jne esiintyi lähinnä tilanteissa joissa vakionopeussäädin ei jaksanut pitää säädettyä vauhtia kun väännön/tehon rajoitus oli kytkettynä mysteeriovian ansiosta aiemmin. Joo, ei ollut yleistä, mutta ESP- ja vakkarivika menivät samaan aikaan päälle. ABSit toimi kuitenkin. Tän kanssa alkaa ideat loppumaan, välillä aina tulee jotain mieleen ja tulee käytyä kokeilemassa, mutta aika rauhassa on saanut femma tallissa loikoilla...
-=Citroën - Yhtä mukava kuin hyvä nojatuoli. Mutta parempi ajaa.=- -=C-Crosser 2.2HDi '07|C4 Cactus BlueHDi100 ETG '16=-
|
|
|
|
 |
|
|