|
| Kirjoittaja |
Viesti |
|
Tarksu
|
Viestin otsikko: Re: Hydrauliputkityökalu Lähetetty: 02.12.2009 00:24 |
Viestit: 14
|
|
Ja loput. Näitäkin olisi tietenkin voinut ryhmitellä muutamaan tiedostoon jotenkin ettei olisi viittä erillistä kuvaa...
| Liitteet: |

rmattila_putkityokalu_lyontiosa.png [ 32.27 KiB | Katsottu 17454 kertaa ]
|

rmattila_putkityokalu_keskiosa.png [ 53.83 KiB | Katsottu 17442 kertaa ]
|
|
|
|
|
 |
|
Croisette
|
Viestin otsikko: Re: Hydrauliputkityökalu Lähetetty: 02.12.2009 00:40 |
Viestit: 2006 Paikkakunta: Tampere
|
Joopa jooh on pitänyt tähänkin aiheeseen puuttua, mutta kun en ole itse mitään asian suhteen muistanut tehdä, niin on se sitten jäänyt  . Mutta pakko kommentoida sen verran, että miksi aletaan suunnittelemaan pyörää uusiksi? eli kerran keksitty hyvä rakenne on jo olemassa, kukaan ei vaan tunnu olevan moisesta tietoinen? Kuvat oli pieniä linkissä, se ehkä syynä? Otan viimeistään viikonloppuna kunnon kuvat kunnollisesta putkien tekovärkistä, tässä ketjussa tehtyjä/piirrustuksissa kuvattuja minä en ainakaan kaipaa, eli turhan vaikea käyttöisiä. Itsellä kuviakin on hiukan piirreltynä koneella, mutta en niitä tule julkaisemaan, ennen kuin saan jonkun tutun sorvarin hienosäätämään mitat kohdilleen, eli ei se ole niin helppoa, kuvia on kiva piirtää, mutta koneistajakin pitää olla, jotta voi tehdä koekappaleet, ja sitten taas kokeillaan uudestaan jne... 
|
|
|
|
 |
|
rmattila
|
Viestin otsikko: Re: Hydrauliputkityökalu Lähetetty: 02.12.2009 00:51 |
Viestit: 852 Paikkakunta: VT 2
|
Croisette kirjoitti: Mutta pakko kommentoida sen verran, että miksi aletaan suunnittelemaan pyörää uusiksi? eli kerran keksitty hyvä rakenne on jo olemassa, kukaan ei vaan tunnu olevan moisesta tietoinen? Muiden puolesta en osaa vastata; itsellä on syynä se, että kun ei tekijöitä ole ilmaantunut ja tarvetta on, pitää suunnitella sellainen vehjes, minkä saa omilla työkaluilla aikaiseksi. Viittaamassasi kalussa pitäisi saada porattua pitkä 3,5 mm reikä suoraan puolikkaiden keskilinjaa pitkin - pelkään, ettei oman poran tarkkuus riittäisi moiseen, vaikka puolikkaat muuten jyrsittyä saisikin. Tuossa omassa vehkeessä kaikki tarkat reiät tehdään sorvilla, jolloin ne saa harrastelijakoneillakin varmasti linjaan. Päätavoite omassa yritelmässäni oli se, että joulun ja loppiaisen välillä säännöllisesti tapahtuva putkirikko ei tänä vuonna enää pilaisi vähiä lomapäiviä varaosametsästykseen.
Mitä pahempi paikka, sitä pitempi jenka. http://mattila.puheenvuoro.uusisuomi.fi/ http://alstuttu.org/
|
|
|
|
 |
|
rmattila
|
Viestin otsikko: Re: Hydrauliputkityökalu Lähetetty: 02.12.2009 01:00 |
Viestit: 852 Paikkakunta: VT 2
|
|
Tarksun hienoissa kuvissa on tuohon kyhäelmääni nähden semmoinen ero, että koekappaleessani M20 pultit tulevat holkkimutterin sisällä toisiinsa kiinni asti. Ajatuksena oli, että se reiällinen M20 ruuvi painaisi halkaistua ruuvia aksiaalisuunnassa niin, että kierre kiilaisi ruuvinpuolikkaat tiukemmin hydrauliputkea päin.
En tiedä, onko tuolla todellisuudessa juuri vaikutusta lopputulokseen, mutta kyllä se ainakin väljät ottaa pois.
Mitä pahempi paikka, sitä pitempi jenka. http://mattila.puheenvuoro.uusisuomi.fi/ http://alstuttu.org/
|
|
|
|
 |
|
Croisette
|
Viestin otsikko: Re: Hydrauliputkityökalu Lähetetty: 02.12.2009 01:06 |
Viestit: 2006 Paikkakunta: Tampere
|
rmattila kirjoitti: Croisette kirjoitti: Mutta pakko kommentoida sen verran, että miksi aletaan suunnittelemaan pyörää uusiksi? eli kerran keksitty hyvä rakenne on jo olemassa, kukaan ei vaan tunnu olevan moisesta tietoinen? Muiden puolesta en osaa vastata; itsellä on syynä se, että kun ei tekijöitä ole ilmaantunut ja tarvetta on, pitää suunnitella sellainen vehjes, minkä saa omilla työkaluilla aikaiseksi. Viittaamassasi kalussa pitäisi saada porattua pitkä 3,5 mm reikä suoraan puolikkaiden keskilinjaa pitkin - pelkään, ettei oman poran tarkkuus riittäisi moiseen, vaikka puolikkaat muuten jyrsittyä saisikin. Tuossa omassa vehkeessä kaikki tarkat reiät tehdään sorvilla, jolloin ne saa harrastelijakoneillakin varmasti linjaan. Päätavoite omassa yritelmässäni oli se, että joulun ja loppiaisen välillä säännöllisesti tapahtuva putkirikko ei tänä vuonna enää pilaisi vähiä lomapäiviä varaosametsästykseen. Tämän ymmärrän täysin, eli itse omaan käyttöön tehty laite toiminee siinä tarpeessa mihin se on tehtykin  . Mutta sarjatuotantoa jos jollekin laitteelle aletaan pohtimaan, niin se laite pitäisi olla sitten myöskin melko helppokäyttöinen, ja mahdollisuus tehdä se liitos myös siellä auton alla maaten, se on erittäin tärkeä asia.
|
|
|
|
 |
|
Tarksu
|
Viestin otsikko: Re: Hydrauliputkityökalu Lähetetty: 02.12.2009 14:09 |
Viestit: 14
|
|
Lähdin itsekin siltä kannalta miettimään tätä laitetta että sen saa tehtyä kotona simppeleillä työkaluilla, mutta taisi tuo yksi malli olla turhan järeä ja monimutkainen. Kartion voisi siitäkin vaihtaa tällaiseen yksinkertaisenpaan ja muutenkin parannella. Eiköhän siitäkin jotain saada vielä.
rmattilan tekele sen sijaan oli niin kekseliäs, että siitä oli pakko tehdä piirustukset. Kaikki tarvittavat osat saa lähimmästä rautakaupasta, osien hinta jää reilusti alle 10 euron ja tuosta on helppo tehdä valmis sarja myyntiinkin.
Piirtelen vaikka tänään myöhemmin tuon Croisetten mainitseman laitteen. On pitänyt jo pidemmän aikaa tehdä siitäkin kunnon malli.
Liitteenä uusi kokoonpano. Ohjuritappeja en saanut kovin havainnollisesti lisättyä tuohon aiempaan piirustukseen, joten jätin kokonaan pois.
| Liitteet: |

rmattila_putkityokalu_asm3.png [ 78.56 KiB | Katsottu 17522 kertaa ]
|
|
|
|
|
 |
|
Tarksu
|
Viestin otsikko: Re: Hydrauliputkityökalu Lähetetty: 02.12.2009 21:48 |
Viestit: 14
|
|
|
|
 |
|
Tarksu
|
Viestin otsikko: Re: Hydrauliputkityökalu Lähetetty: 02.12.2009 22:54 |
Viestit: 14
|
|
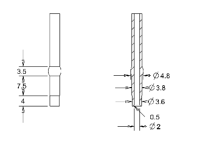
Ja löyntipala vielä.
Ajattelin että pitäisiköhän tuota putken päätä muotoilla enemmänkin? Kokeilin ylimääräiseen Xantun korkeudensäätimeen ja sopi siihen oikein nätisti tuo valmis putken pätkä 3,6 mm halkaisijalla. 3,8 mm on liian iso jo, joten putki menee sisään vain tuon 4 mm. Sitä vaan ettei mene vahingossa putki liian syvälle ilman tuota porrastusta? Toki se tiivistekin sinne väliin vielä jää.
Ja Sitrosen jäljiltä tosiaan tuo. Näyttäisi tuon ranskalaisen sivun alin laite tekevän myös vastaavaa porrastettua päätä?
| Liitteet: |

putkityokalu5_lyontiosa.png [ 40.54 KiB | Katsottu 17440 kertaa ]
|

hydrauliputki.png [ 48.01 KiB | Katsottu 17427 kertaa ]
|
|
|
|
|
 |
|
Sitruunaseppä
|
Viestin otsikko: Re: Hydrauliputkityökalu Lähetetty: 03.12.2009 01:28 |
Viestit: 1242
|
|
Kyl mää nyt oon kauhian hämmästynyt. Jos sen putken halkaisija on 3,5 mm, seinämä 0,71 mm, saadaan aika pieni poikkipinta-ala. 3,14 x (1,75x1,75) - 3,14 x ( 1x1) = n. 6,5 neliömilliä.
Kun kyseessä on pehmeä, muokattava rakenneteräs (jarruputkissa vielä helpompi, kupari tai vastaava) myötörajat R2 alkaa 600 N/mm2 :sta, muokattua saa vähemmällä, pannaan vaikka 400 N/mm2 x 6,5 mm2 = 2600 N, reilut parisataa kiloa.
Kiinnnitän arvon yleisön huomiota ratkaisuihin, missä putkeen tartutaan pyöreällä kartioholkilla. Kartioholkki puristaessaan aloittaa "helmen" muodostumisen ja synnyttää putken nurjahtamiselle sopivan epäjatkuvuuskohdan. Sen valmistaminen sorvissa on yksinkertaista ja oikean sisähalkaisijan poraaminen helppoa - poria myydään 0,1 mm:n välein. Puristinholkin ulkopinnalle voi tehdä uran jousilangalle, joka pitää kolmeen halkaistun holkin kasassa. Holkkia ei ole pakko edes sahata kokonaan palasiksi (vertaa jyrsimen holkit).
Holkki kiristyy sitä tiukemmaksi, mitä suurempi helmen puristamiseen tarvittava voima on - putken materiaali tai pinnan epätasaisuudet eivät vaikuta kiinni pysymiseen.
Työkalu voi olla myöskin pyörähdyskappale; hylsy, jonka pohjalla on puristinholkin vastakartio-reikä ja hylsyyn männäksi se lyöntityökalu.
Mistä sais Sitikan? Ne viedään käsistä?
|
|
|
|
 |
|
rmattila
|
Viestin otsikko: Re: Hydrauliputkityökalu Lähetetty: 03.12.2009 08:20 |
Viestit: 852 Paikkakunta: VT 2
|
Sitruunaseppä kirjoitti: Kiinnitän arvon yleisön huomiota ratkaisuihin, missä putkeen tartutaan pyöreällä kartioholkilla. Kartioholkki puristaessaan aloittaa "helmen" muodostumisen ja synnyttää putken nurjahtamiselle sopivan epäjatkuvuuskohdan. Sen valmistaminen sorvissa on yksinkertaista ja oikean sisähalkaisijan poraaminen helppoa - poria myydään 0,1 mm:n välein. Puristinholkin ulkopinnalle voi tehdä uran jousilangalle, joka pitää kolmeen halkaistun holkin kasassa. Holkkia ei ole pakko edes sahata kokonaan palasiksi (vertaa jyrsimen holkit).
Kyllä tuolla konstilla hyvän helmen saa, mutta saakohan holkkia enää helmen ohi putkesta irti?
Mitä pahempi paikka, sitä pitempi jenka. http://mattila.puheenvuoro.uusisuomi.fi/ http://alstuttu.org/
|
|
|
|
 |
|
rmattila
|
Viestin otsikko: Re: Hydrauliputkityökalu Lähetetty: 06.12.2009 18:49 |
Viestit: 852 Paikkakunta: VT 2
|
|
Asian tiimoilta vielä, hommasin joulunpyhiä odottelemaan 25 m pätkän 3,5 mm putkea (4 euroa/m), 50 kpl junttureita (80 c / kpl), 40 kpl tiivistekumeja (30 c/kpl) sekä 5 kpl jatkosmuhveja (3,5 e / kpl). Noiden viimeksi mainittujen kappalehinta oli mielestäni niin hurja, että melkein kannattaisi sorvailla niitä jonkinlainen erä varastoon.
Mistäköhän saisi muutaman metrin umpinaista kuusiotankoa järkevällä hinnalla?
Mitä pahempi paikka, sitä pitempi jenka. http://mattila.puheenvuoro.uusisuomi.fi/ http://alstuttu.org/
|
|
|
|
 |
|
sitromaksi
|
Viestin otsikko: Re: Hydrauliputkityökalu Lähetetty: 06.12.2009 21:19 |
Viestit: 53 Paikkakunta: joensuu
|
Ajattelin sitä lyöntiä siellä auton alla?Olisko ajatusta? 
|
|
|
|
 |
|
kaselin
|
Viestin otsikko: Re: Hydrauliputkityökalu Lähetetty: 06.12.2009 21:23 |
Viestit: 1593 Paikkakunta: Tampere
|
Tampereelta Soinin romuliikkeestä www.rautasoini.fi
C5 1,8 Break -03 Peugeot Expert TD -00 Honda GL1800 -08 edesmenneet 2CV4 -72 2CV6 -82 Peugeot Satelis 500 -08
|
|
|
|
 |
|
rmattila
|
Viestin otsikko: Re: Hydrauliputkityökalu Lähetetty: 06.12.2009 21:27 |
Viestit: 852 Paikkakunta: VT 2
|
sitromaksi kirjoitti: Ajattelin sitä lyöntiä siellä auton alla?Olisko ajatusta? Justiin tuollaista minäkin olen mielessä pyöritellyt. Pitää varmaan tuollainenkin sorvailla, niin saa käytännössä vertailla eri malleja keskenään. Ensi kokemukset tuosta lyötävästäkin mallista ovat rohkaisevia: möykyssä on aika lailla omaa massaa, joten kevyellä vasaralla naputtelemalla saa helmen aikaiseksi ilman näpeillelyöntiongelmia. Tulee vielä valinnanvaikeuksia, jos kaikki mallit osoittautuvat toimiviksi, kuten vähitellen alkaa tuntua. 
Mitä pahempi paikka, sitä pitempi jenka. http://mattila.puheenvuoro.uusisuomi.fi/ http://alstuttu.org/
|
|
|
|
 |
|
sitromaksi
|
Viestin otsikko: Re: Hydrauliputkityökalu Lähetetty: 08.12.2009 21:23 |
Viestit: 53 Paikkakunta: joensuu
|
|
rmattila kirjoitti
Tarksun hienoissa kuvissa on tuohon kyhäelmääni nähden semmoinen ero, että koekappaleessani M20 pultit tulevat holkkimutterin sisällä toisiinsa kiinni asti. Ajatuksena oli, että se reiällinen M20 ruuvi painaisi halkaistua ruuvia aksiaalisuunnassa niin, että kierre kiilaisi ruuvinpuolikkaat tiukemmin hydrauliputkea päin
kokeilin tuota ajatusta,näyttäs kyllä toimivan.
|
|
|
|
 |
|
Tarksu
|
Viestin otsikko: Re: Hydrauliputkityökalu Lähetetty: 08.12.2009 23:44 |
Viestit: 14
|
|
Hyviä ideoita tullut taas, koitan piirrellä jahka kerkeän. Tenttijakso lähenee ja jotenkin aina päivä tuntuu loppuvan kesken...
Pitää tosiaan tarkistella tuota voiman tarvetta, kuten sitruunaseppä teki erittäin pätevän havainnon pinta-alasta ja myötörajasta. Kyllä tuo 2600N kuulostaa paljon realistisemmalta kuitenkin.
|
|
|
|
 |
|
Croisette
|
Viestin otsikko: Re: Hydrauliputkityökalu Lähetetty: 09.12.2009 02:52 |
Viestit: 2006 Paikkakunta: Tampere
|
|
Onkos joukossamme oikeita metallimiehiä? Eli siis joilla oikean mallisen putkentekovärkin teko onnistuisi? Pelkkä sorvi ei ihan riitä, pitää olla ainakin jyrsinkin. Ajattelin vain, jos moista työkalua ihan myyntiin asti tarjoisi?
Ihan tarkkoja mittoja ei kaiketi ole kellään, eli ekan proton kohdalla pitäisi ne säätää kohdilleen?
|
|
|
|
 |
|
sitromaksi
|
Viestin otsikko: Re: Hydrauliputkityökalu Lähetetty: 10.12.2009 20:57 |
Viestit: 53 Paikkakunta: joensuu
|
|
Metallimiehiä on ja työstölaitteita. mistä aletaan?
|
|
|
|
 |
|
ealab
|
Viestin otsikko: Re: Hydrauliputkityökalu Lähetetty: 11.12.2009 09:27 |
Viestit: 4467 Paikkakunta: Paimio
|
|
Olisiko tyssäysosassa jokin korokekaulus hyvä. Se rajoittaisi liikkeen ja helmi tulisi oikean pituiseksi. Putken kiinnipito-osaston, jos useammasta osasta, lopullisen putkireiän teko vasta, kun osat muuten valmiit. Poraistukkatekniikka tai 2-puoliskokappaleet.? Voihan junttureina käyttää entisiä, hyväkuntoisia?.
|
|
|
|
 |
|
cxtb2
|
Viestin otsikko: Re: Hydrauliputkityökalu Lähetetty: 11.12.2009 10:03 |
Viestit: 1737 Paikkakunta: Korpilahti
|
ju, juntturit on pitkä-ikäisiä / voi käyttää uudelleen, kun pitää ne rasvattuina, ettei ruostu kiinni... taas sitä kuparitahnaa tms. väliin 
CX 25 TRD Turbo2 Break "TummaTRD", CX 25 GTI Turbo2, XM V6 "MustaKuukka", MB EQC-22 Varalla: CX 25 Break "UA2", CX 25 GTI Turbo2, CX 25 TRD Turbo2 Break "UA" Veturi: Discovery2
|
|
|
|
 |
|
rmattila
|
Viestin otsikko: Re: Hydrauliputkityökalu Lähetetty: 11.12.2009 11:31 |
Viestit: 852 Paikkakunta: VT 2
|
ealab kirjoitti: Olisiko tyssäysosassa jokin korokekaulus hyvä. Se rajoittaisi liikkeen ja helmi tulisi oikean pituiseksi. Tuo tuli minullakin mieleen, ja tein viime viikonloppuna kyseisenlaisen lyömäaseen. Kun säädin pituuden säädin sellaiseksi, että lyömäase jäi millin irti pohjasta, helmi alkoi näyttää jo todella hyvältä. Lisäideana pistin lyömätuurnan ( tuossa vanha, kaulukseton malli) kierteeseen mutterin, jonka avulla tuurnan saa vedettyä irti putkesta. Tuppaa nimittäin vähän kanittamaan.
Mitä pahempi paikka, sitä pitempi jenka. http://mattila.puheenvuoro.uusisuomi.fi/ http://alstuttu.org/
|
|
|
|
 |
|
rmattila
|
Viestin otsikko: Re: Hydrauliputkityökaluja Lähetetty: 23.02.2010 01:46 |
Viestit: 852 Paikkakunta: VT 2
|
|
Jokoos ne oikeat metallimiehet on saaneet niitä oikeanlaisia työkaluja aikaan, vai vieläkö pitää pitkään kärvistellä näiden kelvottomien kanssa? (Otin äsken aikaa, 4 min 26 sek meni ratsupaikan tekoon auton alla tuolla väärän metallimiehen tekemällä vääränlaisella vermeellä, kun ei tyylitaju eikä kylmänsietokyky antanut myöten jäädä tienvarteen parempaa kalua vartoilemaan..)
Mitä pahempi paikka, sitä pitempi jenka. http://mattila.puheenvuoro.uusisuomi.fi/ http://alstuttu.org/
|
|
|
|
 |
|
JKiiski
|
Viestin otsikko: Re: Hydrauliputkityökalu Lähetetty: 01.02.2011 10:50 |
Viestit: 235 Paikkakunta: Lempäälä
|
Entäs sellainen vaihtoehto, että ostettaisiin leuat valmiina ja tehtäisiin puristin itse? Nämä leuat maksavat vain noin 50 euroa / pari: http://www.midlock.nl/Adobe_catalogus_M ... .html#7206Puristin yksien leukojen kanssa on jo vähän suolaisempi hinnaltaan. Puristin on kuitenkin paljon helpompi tehdä itse kuin leuat. Kenties tuossa voisi käyttää jopa valmiita halpis koneruuvipuristimia aihioina. Noiden vääntövipujen (vai mitä ne nyt onkaan) tilalle mutterikannat niin mahtuu vähän ahtaampaan paikkaan.
-07 C4 Picasso -04 Xsara Picasso "Moottorimuna" Ex: -02 C5 Break 2.0 -02 Xsara Picasso 2.0 HDI -92 XM V6 Break -96 XM 2,5 td Break -89 XM 2.0i Berline -00 Xantia Break Exclusive -98 Xantia Break Business
|
|
|
|
 |
|
sitikan vanki
|
Viestin otsikko: Re: Hydrauliputkityökalu Lähetetty: 01.02.2011 11:55 |
Viestit: 353
|
|
Terve!
Löysin hollantilaisen CX-kontaktin, joka vihjaisi olevan saatavana hydeputkityökalua 200e hintaan. Selvitän asiaa. Tuo hinta on jo niin sopivalla tasolla, että ei kannattane alkaa ite tekemään.
" Pessimisti on vain huonosti informoitu optimisti"
|
|
|
|
 |
|
|