|
| Kirjoittaja |
Viesti |
|
kari80
|
Viestin otsikko: Re: Etsintäkuulutus Lähetetty: 10.02.2011 18:56 |
Viestit: 103
|
|
Imuventtiili aukeaa 2mm yli kannen ja sylinterin liitoskohdan ( G12 )
|
|
|
|
 |
|
wanhustiina
|
Viestin otsikko: Re: Etsintäkuulutus Lähetetty: 11.02.2011 10:08 |
Viestit: 313 Paikkakunta: Renko
|
Kävin sitten katsomassa tomppelin aikaansaannoksia - saman värinen GSA EKO moottorin kyltti oli myös kulkimessa, mihin kansi oli vaihdettu. Huh helpotus ehkä. EKO moottorillahan maailma pelastuu, jos tosin hukkuu öljyyn. 15 asteen pakkasessa otin vähän lisää kuvia, kenties niistä jotain iloa on. Gs männän laki  Gsa männän laki  Paras mitta minkä löysin - ei hääppönen sori Gs mäntä  Gsa mäntä  Gsa kansi - karkealla mitalla palotila vajaat 2mm syvempi kuin Gs:n  Tomppelin arvonimen kyllä mielestäni ansaitsen. Perusteena on se, miksi jouduin kannen koneeseen vaihtamaan. Kantta purkaessa unohdin poistaa keinuvipuakselin lukituspultin - löin akselia ulos ja valukoroke, mihin lukituspultin kierteet on koneistettu, halkesi.
|
|
|
|
 |
|
Akaile
|
Viestin otsikko: Re: Etsintäkuulutus Lähetetty: 11.02.2011 11:58 |
Viestit: 1977 Paikkakunta: Espoo
|
|
Jos noihin mittoihin nyt on yhtään luottamista niin g12 näyttäisi 64mm korkealta ja g13 67mm korkealta männältä. Jos näin on niin kyllä se niin on, että 2.5mm viisteet tulee mäntiin.
Palotilan syvyydellä ei sinällään ole merkitystä, sillä on merkitystä paljonko on tuosta kannen pinnasta tuohon jyrsittyyn reunapintaan, eli millä etäisyydellä sylinterin vastinpinta on venttiileihin nähden. Tämä mitta oli ainakin omissani sama.
Berlingo 1.9D -04, Xantia V6 Break -00, Xantia 1.8 16v Exclusive Break -00, Xsara 1.6i -00, GS Pallas -77, 2cv6 AK??? -76, 2cv-Super -71, 2cv6 -77, Dyane Super -73, Dyane -68
|
|
|
|
 |
|
citsportsite
|
Viestin otsikko: Re: Etsintäkuulutus Lähetetty: 11.02.2011 13:59 |
Viestit: 157 Paikkakunta: Varsinais-Suomi
|
|
Vahingossa törmäsin tähän dokumenttiin (Korjausmanuaalista 04/1974), laitan sen tähän kun nokka-akseleita on keskustelussa sivuttu:
| Liitteet: |

gs_nokat.jpg [ 41.32 KiB | Katsottu 6093 kertaa ]
|
Harrasteet: Xantia V6 Activa -97, Xantia 2.0i SX -93, GS Pallas -79, BX Sport -85 Käyttikset: C5 2.0i Confort -09, Berlingo XTR -06
|
|
|
|
 |
|
jasu
|
Viestin otsikko: Re: Etsintäkuulutus Lähetetty: 11.02.2011 15:46 |
Viestit: 3162 Paikkakunta: Korpilahti
|
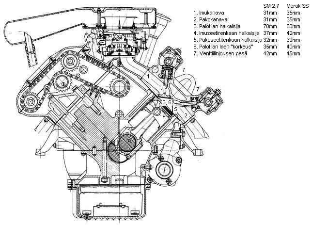
Lissää tietoja..:  Tuollai sanovat jotta mistä tunnistaapi G10/G12 kannet. Uskoisin tosin että tuossa on vasempaan yläkulmaan lipsahtanut "väärä" kuva, sillä se on erehdyttävästi samannäköinen kuin alakuva, kun oikeanpuoleisissa kuvissa taasen on selkeästi nähtävissä G10 -kannessa pyöreämpi imuaukko..? Cikatti kirjoitti: Muuten tuossa oli komea kuva G12 kansista, ne imukanvat ovat MAHTAVAT ja taasen G13 kansien imukanavat ovat naurettavat ja poikkipinta-alaltaan puolet pienemmät Sit Cikatille sellanen huomio kun noita imukanavia/aukkoja kovasti ylistät, niin vastaavat löytyy myös 2cv4/2cv6 -moottorista... Akaile kirjoitti: Palotilan syvyydellä ei sinällään ole merkitystä, sillä on merkitystä paljonko on tuosta kannen pinnasta tuohon jyrsittyyn reunapintaan, eli millä etäisyydellä sylinterin vastinpinta on venttiileihin nähden. Tämä mitta oli ainakin omissani sama. Olisin eri mieltä tuosta..:  Tuo palotilan syvyys nimenomaan määrittää palotilan koon, ja sitä kautta myöskin hyvin pitkälti puristussuhdetta... Tuon kun mittaa (punainen nuoli), niin se voi selittää sen eron G12/G13 venttiilien pituuserolle, kun siis G13 koneelle on tarkoitettu lyhyemmät venttiilit, se uskoakseni tarkoittaa samaten isompaa palotilaa, joka selittäisi myös matalemman puristuksen sekä sen että mäntiä pitää työstää G12 kansia käyttäessä...  Tuli meinaan sama asia vastaan vertaillessa Sm:n ja Merak SS:n kansia keskenään... 
Dyane 4x4 IE, Sm 2.7, Dyane IE, C8 2.2 Series -LantikanPätkä
|
|
|
|
 |
|
citsportsite
|
Viestin otsikko: Re: Etsintäkuulutus Lähetetty: 11.02.2011 16:48 |
Viestit: 157 Paikkakunta: Varsinais-Suomi
|
|
|
|
 |
|
Akaile
|
Viestin otsikko: Re: Etsintäkuulutus Lähetetty: 11.02.2011 17:29 |
Viestit: 1977 Paikkakunta: Espoo
|
jasu kirjoitti: Akaile kirjoitti: Palotilan syvyydellä ei sinällään ole merkitystä, sillä on merkitystä paljonko on tuosta kannen pinnasta tuohon jyrsittyyn reunapintaan, eli millä etäisyydellä sylinterin vastinpinta on venttiileihin nähden. Tämä mitta oli ainakin omissani sama. Olisin eri mieltä tuosta..:  Tuo palotilan syvyys nimenomaan määrittää palotilan koon, ja sitä kautta myöskin hyvin pitkälti puristussuhdetta... Tuon kun mittaa (punainen nuoli), niin se voi selittää sen eron G12/G13 venttiilien pituuserolle, kun siis G13 koneelle on tarkoitettu lyhyemmät venttiilit, se uskoakseni tarkoittaa samaten isompaa palotilaa, joka selittäisi myös matalemman puristuksen sekä sen että mäntiä pitää työstää G12 kansia käyttäessä... Kyllä, tosiaan, mietin ensiksi sen vain vaikuttavan puristussuhteeseen, mutta nyt tarkemmin ajateltuna se voi vaikuttaa myös venttiilin kulmaan männän päähän nähden. Eli jos pallopinta syvenee niin venttiilin kallistuma saattaa kasvaa pystymmäksi keskilinjaan nähden ja samalla suurempi venttiililautanen lähestyy männän korkeampaa lakipistettä. Aiwan! 
Berlingo 1.9D -04, Xantia V6 Break -00, Xantia 1.8 16v Exclusive Break -00, Xsara 1.6i -00, GS Pallas -77, 2cv6 AK??? -76, 2cv-Super -71, 2cv6 -77, Dyane Super -73, Dyane -68
|
|
|
|
 |
|
wanhustiina
|
Viestin otsikko: Re: Etsintäkuulutus Lähetetty: 12.02.2011 21:28 |
Viestit: 313 Paikkakunta: Renko
|
|
Ei sitä ole tullut ajatelleeksikaan, kuin vaikeaa on tehdä moottoriin muutoksia. Vähän jostain tiedän ja jostain en. Muistan lukeneeni jostain joskus, että virittäjät käyttävät jotain vahaa männän laessa, jotta saavat selville ettei venttiili osuu liian lähelle. Nyt on kai niin, että aiotussa toimenpiteessä osuu takuulla, ja silloin ei vahakaan mahdu väliin. Jos minä luovutan yhden männän tuhottavaksi ja koneistettavaksi takuulla niin ohkaiseksi, että muistelemani vahahomma onnistuisi, niin menisikö homma hyvästi näin eteenpäin? Etuna tästä täsmällisestä liikeradan talteensaannista olis tosi tarkat mitat koneistustarpeesta ja kenties, jos männän paksuudet antaa myöten, vielä kannen laskumahikset puristuspaineiden hyväksi.
|
|
|
|
 |
|
Akaile
|
Viestin otsikko: Re: Etsintäkuulutus Lähetetty: 13.02.2011 00:37 |
Viestit: 1977 Paikkakunta: Espoo
|
|
TOKI otan mielelläni vastaan 1222 männän, jotta voin sitä vertailla. 1300 männät on jo tiedossa.
Berlingo 1.9D -04, Xantia V6 Break -00, Xantia 1.8 16v Exclusive Break -00, Xsara 1.6i -00, GS Pallas -77, 2cv6 AK??? -76, 2cv-Super -71, 2cv6 -77, Dyane Super -73, Dyane -68
|
|
|
|
 |
|
Kooma
|
Viestin otsikko: Re: Etsintäkuulutus Lähetetty: 13.02.2011 01:07 |
Viestit: 349 Paikkakunta: Lempäälä
|
|
Muovailuvaha ja sinitarra käy. Niistä näkee että mihin kohtaan mäntää (käsin varovasti pyörittäen) venttiili rupeaa jättämään jälkeä ja sen perusteella voi ottaa tavaraa pois. Toinen vaihtoehto on tuo aikaisemmin mainitsemani venttiilistä kairaustyökalun tekeminen. Kolmas vaihtoehto on piirrustusten mukaan viisteiden tekeminen. Neljäs vaihtoehtokin varmaankin löytyy.
|
|
|
|
 |
|
kari80
|
Viestin otsikko: Re: Etsintäkuulutus Lähetetty: 16.02.2011 23:27 |
Viestit: 103
|
|
Vähän vinkkinä, G10 ja G12 mäntä/pytty sarjoja löytyy AutoArtikkelista..niin olihan siellä ainakin yksi uusi vänkärin puoleilen nokka-akselikin...nokkia oli käytettyjä useampi...21 sylinteri siellä myös, uusi on hän..vihreitä kiveksiä ties kuinka paljon...jne..kysykää Jopelta tai menkää mieluummin käymään. terv. Kari
|
|
|
|
 |
|
Akaile
|
Viestin otsikko: Re: Etsintäkuulutus Lähetetty: 22.02.2011 00:34 |
Viestit: 1977 Paikkakunta: Espoo
|
|
G10, G12, G13, kaikissa palotila kovinkin saman syvyinen ja muotoinen ainakin näissä kansissa mitä pääsin hiplaamaan. 10 ja 12 on samoilla venttiileillä, tosin pituudesta en (vielä) tiedä. G10 ja G12 imu ja pakokanavat samat, ainut mistä helposti erottaa on tuo palotilan reunaviiste, jota ei kymppikannessa ole.
Berlingo 1.9D -04, Xantia V6 Break -00, Xantia 1.8 16v Exclusive Break -00, Xsara 1.6i -00, GS Pallas -77, 2cv6 AK??? -76, 2cv-Super -71, 2cv6 -77, Dyane Super -73, Dyane -68
|
|
|
|
 |
|
Akaile
|
Viestin otsikko: Re: Etsintäkuulutus Lähetetty: 01.03.2011 19:59 |
Viestit: 1977 Paikkakunta: Espoo
|
|
G10 nokasta akseliin koneistettuun pintaan (jasun oikeanpuolinen kuva tuolla ylhäällä) imu 8mm pako 8mm G12 -//- imu 7,4mm, pako 7,6mm G13 -//- imu 7,6mm, pako 7,3mm
Kaikki mitat ovat käytetyistä nokista, joten eivät ole välttämättä kovin eksakteja. Eniten eroa näytti olevan nokan pään muodossa, mutta sitä on vaikea tähän mitenkään mitallisesti erotella.
Berlingo 1.9D -04, Xantia V6 Break -00, Xantia 1.8 16v Exclusive Break -00, Xsara 1.6i -00, GS Pallas -77, 2cv6 AK??? -76, 2cv-Super -71, 2cv6 -77, Dyane Super -73, Dyane -68
|
|
|
|
 |
|
Akaile
|
Viestin otsikko: Re: Etsintäkuulutus Lähetetty: 01.03.2011 20:16 |
Viestit: 1977 Paikkakunta: Espoo
|
|
Ja jos en ihan täysin metsässä ole niin asteet ovat seuraavat: G10 imu 216, pako 216, G12 tiukempi: imu 219, pako 216, G13 Eco: imu 213 pako 223 ast.
Berlingo 1.9D -04, Xantia V6 Break -00, Xantia 1.8 16v Exclusive Break -00, Xsara 1.6i -00, GS Pallas -77, 2cv6 AK??? -76, 2cv-Super -71, 2cv6 -77, Dyane Super -73, Dyane -68
|
|
|
|
 |
|
|