| 
    
	
	
		
			| Kirjoittaja | 
			Viesti | 
		 
	
			| 
				
				pvalila
			 | 
				
					 Viestin otsikko: Webastolle kello joululahjaksi  Lähetetty: 10.12.2021 18:18   | 
		 
		
		
			
				
				
					 Viestit: 4013
				 
				
			 | 
			
				
				
					| 
					
						
						 Mulla on tähän asti ollut ceevitosessa ns. puoliwebasto, eli kelloton malli ilman kiertovesipumppua. Tuo on siis vain nopeuttanut X7:n lämpenemistä, kiertovesipumpun puuttumisen takia moottorin on pakko käydä jos Webasto puhkuu lämmintä.
  Nyt kun laite sanoi sopimuksensa irti, ostin tori.fiin kautta uuden käytetyn. Mukava yllätys oli se, että samalla myyjällä oli myydä mulle iskemätön PSA:n kellosarja, jonka mukana tuli myös kiertovesipumppu.
  Kuinkahan paha rasti noiden asennus on? Jos tuo on orkkissarja, niin luulisi, ettei rintapellin läpi tarvitse mitään johtoja vedellä (tyyliin ei-merkkikohtainen Webasto). Autolle tarvinnee näyttää Lexiaa/Diagboxia, ei kai se muuten tuollaista sisäänsä hyväksy?
  Itse tuota ei ehkä kannata lähteä tekemään, homma sujuu paljon nopeammin sellaiselta, joka on tuon tehnyt parikin kertaa aiemmin.
  Mulla on muuten jo vaihdettu se Webastolle menevä putki, joka noissa kaikissa jossain vaiheessa ruostuu puhki. 
					
  
					 | 
				 
				 
			 | 
		 
        
        
			
            
			 
			
             | 
			 
		  
            
             | 
	
	 
	
		  | 
	 
	 
	
	
			| 
				
				Larsanjus
			 | 
				
					 Viestin otsikko: Re: Webastolle kello joululahjaksi  Lähetetty: 11.12.2021 10:19   | 
		 
		
		
			
				
				
					 Viestit: 112 Paikkakunta: Riihimäki
				 
				
			 | 
			
				
				
					| 
					
						
						 Ai se olit sinä joka ehti ensin. Koitin ostaa samaa settiä omaani mutta myöhästyin. Täytynee rakentaa metritavarasta oma ohjaus, kellonkin voi sitten suoraa korvata GSM-ohjauksella.
  Rintapellin läpi tarvitsee viedä kellon ja IPCU:n johdot, muut saa pysymään konehuoneessa.  Puhaltimen ohjaus on X7:ssa vähän kotikutoinen viritelmä kaikkineen, mutta ei siihen taida parempaakaan vaihtoehtoa olla.  Pitäisi jaksaa perehtyä osaisiko esim. Joku CAN-controller jo tehdä asian jotenkin fiksummin väylän kautta.  Toki näissä tahtoo hinta karata sen verran, ettei kannata tonnin autoon enää investoida.
  Diagboxia en usko että tarvitsee, jollei halua poistaa automaattitoimintoa käytöstä. 
  Ohjeen kytkiksen lisäksi suosittelen lämpimästi lisäämään "kesä/talvi" kytkimen.  Mulla oli edellisessä femmassa samanlainen ja tuo webastoasennus aiheuttaa sen, ettei ilmastoinnin asetukset enää tallennu muistipenkkien kanssa.  Ainakin asennusvaiheessa kannattaa varmistaa, että muistipaikoilla olevat asetukset on mieleiset, jatkossa ne on aina ne. Siis ilman kesäkytkintä joka normalisoi kytkennän (ja rampauttaa webaston sisäpuhalluksen). 
					
  
						 C4 1.6Hdi -08, C5 136Hdi -08, C4 1.6i -09 ja muita ranskiksia. Ex: C5 2.0 -02, C5 BlueHdi180 -16
					
					 | 
				 
				 
			 | 
		 
        
        
			
            
			 
			
             | 
			 
		  
            
             | 
	
	 
	
		  | 
	 
	 
	
	
			| 
				
				pvalila
			 | 
				
					 Viestin otsikko: Re: Webastolle kello joululahjaksi  Lähetetty: 11.12.2021 17:18   | 
		 
		
		
			
				
				
					 Viestit: 4013
				 
				
			 | 
			
				
				
					
					
						
						Larsanjus kirjoitti: Ai se olit sinä joka ehti ensin. Koitin ostaa samaa settiä omaani mutta myöhästyin. Täytynee rakentaa metritavarasta oma ohjaus, kellonkin voi sitten suoraa korvata GSM-ohjauksella.
  Rintapellin läpi tarvitsee viedä kellon ja IPCU:n johdot, muut saa pysymään konehuoneessa.  Puhaltimen ohjaus on X7:ssa vähän kotikutoinen viritelmä kaikkineen, mutta ei siihen taida parempaakaan vaihtoehtoa olla.  Pitäisi jaksaa perehtyä osaisiko esim. Joku CAN-controller jo tehdä asian jotenkin fiksummin väylän kautta.  Toki näissä tahtoo hinta karata sen verran, ettei kannata tonnin autoon enää investoida.
  Diagboxia en usko että tarvitsee, jollei halua poistaa automaattitoimintoa käytöstä. 
  Ohjeen kytkiksen lisäksi suosittelen lämpimästi lisäämään "kesä/talvi" kytkimen.  Mulla oli edellisessä femmassa samanlainen ja tuo webastoasennus aiheuttaa sen, ettei ilmastoinnin asetukset enää tallennu muistipenkkien kanssa.  Ainakin asennusvaiheessa kannattaa varmistaa, että muistipaikoilla olevat asetukset on mieleiset, jatkossa ne on aina ne. Siis ilman kesäkytkintä joka normalisoi kytkennän (ja rampauttaa webaston sisäpuhalluksen). Sorry! Vakuutan, ettei tapanani normaalisti ole olla nopea yhtään missään. Saati sitten eka. Niin, mulle tärkeää oli tuossa paketissa myös se itse Webasto. Vanhaa ei kannata korjata, jos vaihto-osa tipahtaa syliin 150 egen hinnalla. Minä kyllä uskoin sinisilmäisesti, että tehtaan alkuperäissarja istuisi autoon nätimmin kuin geneerinen jokamerkin Webasto. Uskoin, että tökitään vain piuhat johtosarjan liittimiin ja ehkä vähän Lexiaa naputellaan. Jos joku osti tällaisen sarjan uuteen autoon, niin eikö häneltä palanut päreet, jos penkkien asentomuisti simahtaa Webaston takia?                   Kyllähän sitä äkkiseltään luulisi, että tehtaan oma setti laittaa sisäpuhaltimen päälle CAN-väylän kautta! Eikä tuota sisäpuhallinta oikeastaan pitäisi heti päälle kytkeä, vaan vasta sitten, kun Webasto on saanut litkut joltiseen lämpötilaan.  Voi tosin tuulilasi olla vaarassa, jos sinne aletaan äkkiseltään puhkua tulikuumaa ilmaa. Ehkä se onkin ihan ok, että puhkuminen aloitetaan jo silloin, kun vesi on vielä kylmää. ***************** Huomasitko, että toisessa ketjussa kerroin ostaneeni Saksasta postikuluineen 129 egen sisätilalämppärin? Sellaisen saa viitisen kymppiä kalliimmalla GSM-ohjattuna. Laite on tosi helppo asentaa vaikka takaluukkuun (ja helppo ottaa kesäksi pois tieltä), ainoa asennushomma on pakoputken läpiviennin tekeminen sopivaan paikkaan. Tehoa tuosta löytyy 2-8 kW eli tarvittaessa auto lämpenee todella nopeasti. Vakutusyhtiöt vaativat, että autoon asennettavat lämppärit ovat autokäyttöön tarkoitettuja. Sellainen tuo "irtolämmitinkin" on, varsinkin pakuihin sitä tyrkyttävät.  
					
  
					 | 
				 
				 
			 | 
		 
        
        
			
            
			 
			
             | 
			 
		  
            
             | 
	
	 
	
		  | 
	 
	 
	
	
			| 
				
				Larsanjus
			 | 
				
					 Viestin otsikko: Re: Webastolle kello joululahjaksi  Lähetetty: 11.12.2021 20:44   | 
		 
		
		
			
				
				
					 Viestit: 112 Paikkakunta: Riihimäki
				 
				
			 | 
			
				
				
					| 
					
						
						 Ostin itse tuollaisen uuteen autoon veholla asennettuna ja kyllä, hivenen hermostuin kun eivät muistaneet asiasta mainita kauppoja tehdessä. Heti jo kolmannella asennuskerralla saivat sitten viimein tuon kesäkytkimen toimintaan ja asiakkaan lähes tyytyväiseksi.  Penkkien muisti siis säilyy kyllä, mutta ilmastoinnin asetukset ei tallennu samaan tahtiin. 
  Tuo kellosarjahan ei siis varsinainen citroen-varaosa, vaan webaston kasaama lisäpalikka alkuperäiseen lisälämmittimeen.  Ebereissä (ja Binareissa) on sen osalta enemmän älyä, että lämmittää veden ennen sisäpuhaltimen käynnistämistä, sähköäkin säästyy. 
  Oma savukone onneksi vielä itsessään toimii, vain tuo esilämmitys pitäisi lisätä. 
  Asensin viime talvena emännän neloseen uuden  binarin lämppärin, eberin lisäosilla ja webaston ohjeilla, mielenkiintoinen projekti..  Siinä on gsm ohjaus kellon kaverina, eikä ajastinta ole kyllä tullut käytettyä lainkaan. Tekstarin voi androidilla ajastaa jos jotain haluaa ennakkoon tehdä. Yleensä tarvittavan 20min pystyy ennakoimaan ennen lähtöä. Eikä edes pihalle tarvitse mennä käymään kun voi sohvalta tekstata auton lämpimäksi. 
					
  
						 C4 1.6Hdi -08, C5 136Hdi -08, C4 1.6i -09 ja muita ranskiksia. Ex: C5 2.0 -02, C5 BlueHdi180 -16
					
					 | 
				 
				 
			 | 
		 
        
        
			
            
			 
			
             | 
			 
		  
            
             | 
	
	 
	
		  | 
	 
	 
	
	
			| 
				
				pvalila
			 | 
				
					 Viestin otsikko: Re: Webastolle kello joululahjaksi  Lähetetty: 11.12.2021 22:14   | 
		 
		
		
			
				
				
					 Viestit: 4013
				 
				
			 | 
			
				
				
					
					
						
						Larsanjus kirjoitti: Ostin itse tuollaisen uuteen autoon veholla asennettuna ja kyllä, hivenen hermostuin kun eivät muistaneet asiasta mainita kauppoja tehdessä. Heti jo kolmannella asennuskerralla saivat sitten viimein tuon kesäkytkimen toimintaan ja asiakkaan lähes tyytyväiseksi.  Penkkien muisti siis säilyy kyllä, mutta ilmastoinnin asetukset ei tallennu samaan tahtiin. 
  Tuo kellosarjahan ei siis varsinainen citroen-varaosa, vaan webaston kasaama lisäpalikka alkuperäiseen lisälämmittimeen.  Ebereissä (ja Binareissa) on sen osalta enemmän älyä, että lämmittää veden ennen sisäpuhaltimen käynnistämistä, sähköäkin säästyy. 
  Oma savukone onneksi vielä itsessään toimii, vain tuo esilämmitys pitäisi lisätä. 
  Asensin viime talvena emännän neloseen uuden  binarin lämppärin, eberin lisäosilla ja webaston ohjeilla, mielenkiintoinen projekti..  Siinä on gsm ohjaus kellon kaverina, eikä ajastinta ole kyllä tullut käytettyä lainkaan. Tekstarin voi androidilla ajastaa jos jotain haluaa ennakkoon tehdä. Yleensä tarvittavan 20min pystyy ennakoimaan ennen lähtöä. Eikä edes pihalle tarvitse mennä käymään kun voi sohvalta tekstata auton lämpimäksi. Kuinka sait tuon Binarin mahtumaan emännän autoon? Eikö se ole vähän isompi kuin Webasto ja vähintäänkin eri muotoinen? Yksi kombinaatio olisi sellainen, että Webasto lämmittää ennakoon vain moottorin ja sisäpuhallin lähtee käyntiin vasta, kun auton starttaa. Kun käy koiran kusettamassa ja sitten vietyä takaisin kotiin, niin auto saa 2-4 minuuttia aikaa lämmittää sisätilaa (ja penkinlämmitin ehtii sekin tehdä jotain, mulla on täysnahkapenkit). Jos pitää vielä ikkunat raapia auki, niin auto saa pari minuuttia lisää lämpenemisaikaa. Köyhä kun olen, niin mietin ihan vain simppeliä kytkentää, joka saisi Webaston käyntiin, jos auton valoja väläytetään. Niitähän saa väläytettyä kaukosäätimellä. Vähän pitäisi pohtia, kuinka Webaston tarpeeton käynnistyminen estetään ajon aikana, valoja roplatessa. Tuollainen takaluukkuun asennettava irtolämppäri on sikahelppo ratkaisu varsinkin farmarissa: farkun kontissa on jopa tupakansytkäpistorasia, jossa on 12 volttia aina kuumana. Ihan vain pakoputki lattian läpi auton alle ja that's it. Huomaa, että noissa irtolämppäreissä on sekä GSM- että kaukosäädinkäynnistys. Tosin en tiedä, josko se kake toimii radiolla vai IR:llä. - Mä ostin itselleni karvalakkimallin eikä sen kanssa ole siis tulossa sen enempää kakea kuin gesmiäkään. Lämppäri on mulle tulossa omakotitalon varalämppäriksi, ei autoon.  
					
  
					 | 
				 
				 
			 | 
		 
        
        
			
            
			 
			
             | 
			 
		  
            
             | 
	
	 
	
		  | 
	 
	 
	
	
			| 
				
				Teuski
			 | 
				
					 Viestin otsikko: Re: Webastolle kello joululahjaksi  Lähetetty: 11.12.2021 23:32   | 
		 
		
		
			
				
				
					 Viestit: 7836 Paikkakunta: Eurajoki
					
  
					    
				 
				
			 | 
			
				
				
					| 
					
						
						 GSM-releen saa about parillakympillä, eipä sitä köyhänkään kannata sen kummempia virityksiä miettiä... 
					
  
						 -=Citroën - Yhtä mukava kuin hyvä nojatuoli. Mutta parempi ajaa.=- -=C-Crosser 2.2HDi '07|C4 Cactus BlueHDi100 ETG '16=-
					
					 | 
				 
				 
			 | 
		 
        
        
			
            
			 
			
             | 
			 
		  
            
             | 
	
	 
	
		  | 
	 
	 
	
	
			| 
				
				pvalila
			 | 
				
					 Viestin otsikko: Re: Webastolle kello joululahjaksi  Lähetetty: 11.12.2021 23:51   | 
		 
		
		
			
				
				
					 Viestit: 4013
				 
				
			 | 
			
				
				
					
					
						
						Teuski kirjoitti: GSM-releen saa about parillakympillä, eipä sitä köyhänkään kannata sen kummempia virityksiä miettiä... Totta, mutta olisi ihan kiva saada poltin tulille ihan vain orkkiskaken napista. Mullahan auto on ikkunan alla, ei tarvitsisi kännykkää esille kaivaa. Eikä tarvitsisi hankkia yhtä simmikorttia lisää.  
					
  
					 | 
				 
				 
			 | 
		 
        
        
			
            
			 
			
             | 
			 
		  
            
             | 
	
	 
	
		  | 
	 
	 
	
	
			| 
				
				Larsanjus
			 | 
				
					 Viestin otsikko: Re: Webastolle kello joululahjaksi  Lähetetty: 12.12.2021 00:27   | 
		 
		
		
			
				
				
					 Viestit: 112 Paikkakunta: Riihimäki
				 
				
			 | 
			
				
				
					
					
						
						pvalila kirjoitti: Kuinka sait tuon Binarin mahtumaan emännän autoon? Eikö se ole vähän isompi kuin Webasto ja vähintäänkin eri muotoinen?. Hyvin mahtui, etupuskurin takana on about 40cm tyhjää ennen syyläriä. Siellä orkkiswebakin olisi jos sellainen olisi.  Binari on hyvin kompakti paketti esim eberiin verrattuna, saattaa olla tt-evoakin vähän pienempi, ei ainakaan isompi.  Jos weban kanssa tarvii ikkunoita raapia, niin sitten se ei tee työtään.     
					
  
						 C4 1.6Hdi -08, C5 136Hdi -08, C4 1.6i -09 ja muita ranskiksia. Ex: C5 2.0 -02, C5 BlueHdi180 -16
					
					 | 
				 
				 
			 | 
		 
        
        
			
            
			 
			
             | 
			 
		  
            
             | 
	
	 
	
		  | 
	 
	 
	
	
			| 
				
				Macinaggio
			 | 
				
					 Viestin otsikko: Re: Webastolle kello joululahjaksi  Lähetetty: 13.12.2021 15:46   | 
		 
		
		
			
				
				
					 Viestit: 85 Paikkakunta: Espoo
				 
				
			 | 
			
				
				
					
					
						
						pvalila kirjoitti: Mulla on tähän asti ollut ceevitosessa ns. puoliwebasto, eli kelloton malli ilman kiertovesipumppua. Tuo on siis vain nopeuttanut X7:n lämpenemistä, kiertovesipumpun puuttumisen takia moottorin on pakko käydä jos Webasto puhkuu lämmintä.
  Nyt kun laite sanoi sopimuksensa irti, ostin tori.fiin kautta uuden käytetyn. Mukava yllätys oli se, että samalla myyjällä oli myydä mulle iskemätön PSA:n kellosarja, jonka mukana tuli myös kiertovesipumppu.
  Kuinkahan paha rasti noiden asennus on? Jos tuo on orkkissarja, niin luulisi, ettei rintapellin läpi tarvitse mitään johtoja vedellä (tyyliin ei-merkkikohtainen Webasto). Autolle tarvinnee näyttää Lexiaa/Diagboxia, ei kai se muuten tuollaista sisäänsä hyväksy?
  Itse tuota ei ehkä kannata lähteä tekemään, homma sujuu paljon nopeammin sellaiselta, joka on tuon tehnyt parikin kertaa aiemmin.
  Mulla on muuten jo vaihdettu se Webastolle menevä putki, joka noissa kaikissa jossain vaiheessa ruostuu puhki. En tiedä miten helposti tuo lämmittimen auton väylään liittäminen Citikoissa onnistuu, mutta yleisesti tarvitsee vain tietää mikä johto on lämmityslaitteen ohjausyksikön virransyöttö. Se johto kierrätetään Webaston releen kautta niin Webasto käynnistää auton oman lämmityslaitteen ohjauspanelin hetken lämmittyään. Mielestäni muusta Webaston ja auton yhteistoiminnasta ei ole mitään hyötyä, kenties päin vastoin. Kellosta ei myös ole mitään iloa kännykkäohjaukseen verrattuna ellet tosiaan säilytä kännykkääsi erittäin hankalassa paikassa. Kaksi Webastoa olen tuolta ostanut ja asentanut Xsaraan ja Bemariin.  https://www.standheizungs-shop.de/stand ... -universal 
					
  
					 | 
				 
				 
			 | 
		 
        
        
			
            
			 
			
             | 
			 
		  
            
             | 
	
	 
	
		  | 
	 
	 
	
	
			| 
				
				pvalila
			 | 
				
					 Viestin otsikko: Re: Webastolle kello joululahjaksi  Lähetetty: 13.12.2021 16:07   | 
		 
		
		
			
				
				
					 Viestit: 4013
				 
				
			 | 
			
				
				
					
					
						
						Macinaggio kirjoitti: pvalila kirjoitti: Mulla on tähän asti ollut ceevitosessa ns. puoliwebasto, eli kelloton malli ilman kiertovesipumppua. Tuo on siis vain nopeuttanut X7:n lämpenemistä, kiertovesipumpun puuttumisen takia moottorin on pakko käydä jos Webasto puhkuu lämmintä.
  Nyt kun laite sanoi sopimuksensa irti, ostin tori.fiin kautta uuden käytetyn. Mukava yllätys oli se, että samalla myyjällä oli myydä mulle iskemätön PSA:n kellosarja, jonka mukana tuli myös kiertovesipumppu.
  Kuinkahan paha rasti noiden asennus on? Jos tuo on orkkissarja, niin luulisi, ettei rintapellin läpi tarvitse mitään johtoja vedellä (tyyliin ei-merkkikohtainen Webasto). Autolle tarvinnee näyttää Lexiaa/Diagboxia, ei kai se muuten tuollaista sisäänsä hyväksy?
  Itse tuota ei ehkä kannata lähteä tekemään, homma sujuu paljon nopeammin sellaiselta, joka on tuon tehnyt parikin kertaa aiemmin.
  Mulla on muuten jo vaihdettu se Webastolle menevä putki, joka noissa kaikissa jossain vaiheessa ruostuu puhki. En tiedä miten helposti tuo lämmittimen auton väylään liittäminen Citikoissa onnistuu, mutta yleisesti tarvitsee vain tietää mikä johto on lämmityslaitteen ohjausyksikön virransyöttö. Se johto kierrätetään Webaston releen kautta niin Webasto käynnistää auton oman lämmityslaitteen ohjauspanelin hetken lämmittyään. Mielestäni muusta Webaston ja auton yhteistoiminnasta ei ole mitään hyötyä, kenties päin vastoin. Kellosta ei myös ole mitään iloa kännykkäohjaukseen verrattuna ellet tosiaan säilytä kännykkääsi erittäin hankalassa paikassa. Kaksi Webastoa olen tuolta ostanut ja asentanut Xsaraan ja Bemariin.  https://www.standheizungs-shop.de/stand ... -universalTarkoitatko, että varsinainen käsky käynnistää flekti tulee ohjausyksikölle CAN-väylän kautta ja tuo relesysteemi vain huolehtii siitä, että fletiä ohjaavalla yksiköllä on oikealla hetkellä virrat päällä ja kyky totella käskyjä? Vanhaan aikaan rele ohjasi suoraan flektin virtaa. Piti jopa muistaa jättää flekti oikeaan asentoon, sopivalle nopeudelle.  
					
  
					 | 
				 
				 
			 | 
		 
        
        
			
            
			 
			
             | 
			 
		  
            
             | 
	
	 
	
		  | 
	 
	 
	
	
			| 
				
				Teuski
			 | 
				
					 Viestin otsikko: Re: Webastolle kello joululahjaksi  Lähetetty: 13.12.2021 16:14   | 
		 
		
		
			
				
				
					 Viestit: 7836 Paikkakunta: Eurajoki
					
  
					    
				 
				
			 | 
			
				
				
					| 
					
						
						 Kun se webasto on väylässä kiinni, niin tietyistä malleista pääsee Lexialla lukemaan viat ja ajamaan testejä, taisi saada jotain säädettyäkin. Noin oli mulla jo '01 Jumpyssä, tai siis Scudossa. 
					
  
						 -=Citroën - Yhtä mukava kuin hyvä nojatuoli. Mutta parempi ajaa.=- -=C-Crosser 2.2HDi '07|C4 Cactus BlueHDi100 ETG '16=-
					
					 | 
				 
				 
			 | 
		 
        
        
			
            
			 
			
             | 
			 
		  
            
             | 
	
	 
	
		  | 
	 
	 
	
	
			| 
				
				Macinaggio
			 | 
				
					 Viestin otsikko: Re: Webastolle kello joululahjaksi  Lähetetty: 13.12.2021 17:52   | 
		 
		
		
			
				
				
					 Viestit: 85 Paikkakunta: Espoo
				 
				
			 | 
			
				
				
					
					
						
						pvalila kirjoitti: Macinaggio kirjoitti: pvalila kirjoitti: ..... Tarkoitatko, että varsinainen käsky käynnistää flekti tulee ohjausyksikölle CAN-väylän kautta ja tuo relesysteemi vain huolehtii siitä, että fletiä ohjaavalla yksiköllä on oikealla hetkellä virrat päällä ja kyky totella käskyjä?
  Vanhaan aikaan rele ohjasi suoraan flektin virtaa. Piti jopa muistaa jättää flekti oikeaan asentoon, sopivalle nopeudelle. Niin se juuri toimii Bemarissa, kun ohjauspanelin ohjausvirransyöttöön tulee virta, paneeli herää henkiin niillä lämpötila-asetuksilla ja puhaltimen nopeuksilla jotka on ollut säädettynä kun auto sammutettiin. Webastosta saa läppäriin ladatuksi ilmaisen diagnostiikkaohjelman, Thermotest, jolla voi hakea normaalisti vikoja jos niitä on. Sillä voi myös asennuksen yhteydessä käyttää pelkkää polttoainepumppua, mikä on kätevää kun linjat ovat tyhjät. Se säästää hehkutulppaa, akkua ja aikaa, eikä tule heti vikakoodeja nollattavaksi usean tuloksettoman käynnistysyrityksen vuoksi. Webaston ja läppärin väliin tietysti obd välikappale, jonka tein muistaakseni jostakin Fiatin kapulasta netistä löytyvien ohjeiden mukaan.  
					
  
					 | 
				 
				 
			 | 
		 
        
        
			
            
			 
			
             | 
			 
		  
            
             | 
	
	 
	
		  | 
	 
	 
	
	
			| 
				
				Macinaggio
			 | 
				
					 Viestin otsikko: Re: Webastolle kello joululahjaksi  Lähetetty: 13.12.2021 18:03   | 
		 
		
		
			
				
				
					 Viestit: 85 Paikkakunta: Espoo
				 
				
			 | 
			
				
				
					| 
					
						
						 Ja vielä, tietysti kännykkäohjausta varten saa ilmaisen Thermocall sovelluksen, jolla on kätevä käynnistää tai sammuttaa lämmitin mistä ja koska vain. Samoin auton vastaanottimen puhelinnumero on kätevä syöttää tuon ohjelman kautta eikä tarvitse kirjoitella mitään koodeja tekstiviestillä. Lämmittimen ohjaukseen voi siellä myös valita käyttääkö ohjelma ohjaukseen tekstiviestiä vai puhelua, kuten senkin kuittaako laite käskyn vai ei. Rupeaa jo vaikuttamaan Webastomainokselta, mutta hyvä vehje on ollut kummassakin autossa ja bensakäyttöinenhän syttyy 15 sekunnissa eikä ole pitkää jälkihehkutusta kuten nokivasaroissa, joten ei akkukaan ole niin kovilla. 
					
  
					 | 
				 
				 
			 | 
		 
        
        
			
            
			 
			
             | 
			 
		  
            
             | 
	
	 
	
		  | 
	 
	 
	
	
			| 
				
				Larsanjus
			 | 
				
					 Viestin otsikko: Re: Webastolle kello joululahjaksi  Lähetetty: 13.12.2021 18:47   | 
		 
		
		
			
				
				
					 Viestit: 112 Paikkakunta: Riihimäki
				 
				
			 | 
			
				
				
					
					
						
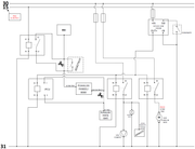
						X7:ssa BSI ohjaa itse lämmitintä wbus väylän kautta, mutta puhaltimen ohjaus totetutetaan niin, että IPCU rele tuuppaa jotain kummallista kanttiaaltoa puhaltimen ohjauspäätteelle joka sitten pyörittää puhallinta.  Läppien oikea asento toteutetaan katkomalla ilmastoinnin ohjaimelta käyttösähkö ennen kuin se ehtii ajaa läpät kiinni moottorin sammuttua. Eli jäävät siihen asentoon jossa sattuvat olemaan moottorin sammuessa.  Piirtelin joutessani yhteiskytkiksen tuohon C-sarjaan joka pvalilalla on. Sarja on siis 407/C5 sopiva, X7 koppaiseen vielä sitten lisätään IPCU ohjaamaan sisäpuhallinta. https://photos.app.goo.gl/4XoazUEhSjduL83V7 Itelle tilasin Unkarista GSM ohjauspalikan joka puhuu myös W-bussia, pelkällä relekytkennällä tuo väyläohjattu  orkkis TT-V ei herää esilämmittämään. Weban oma kello jäisi itsellä kuitenkin käyttämättä kun on tottunut tuohon GSM-ohjaukseen.  Pvalila: tuli mieleen, onko sulla tietoa, onko se IPCU jo ohjelmoitu valmiiksi vai tehdasasetuksilla? Se tarttee tehdä Weban ThermoTest-softalla.  
					
  
						 C4 1.6Hdi -08, C5 136Hdi -08, C4 1.6i -09 ja muita ranskiksia. Ex: C5 2.0 -02, C5 BlueHdi180 -16
					
					 | 
				 
				 
			 | 
		 
        
        
			
            
			 
			
             | 
			 
		  
            
             | 
	
	 
	
		  | 
	 
	 
	
	
			| 
				
				Teuski
			 | 
				
					 Viestin otsikko: Re: Webastolle kello joululahjaksi  Lähetetty: 14.12.2021 10:28   | 
		 
		
		
			
				
				
					 Viestit: 7836 Paikkakunta: Eurajoki
					
  
					    
				 
				
			 | 
			
				
				
					
					
						
						Larsanjus kirjoitti: Itelle tilasin Unkarista GSM ohjauspalikan joka puhuu myös W-bussia, pelkällä relekytkennällä tuo väyläohjattu  orkkis TT-V ei herää esilämmittämään. Weban oma kello jäisi itsellä kuitenkin käyttämättä kun on tottunut tuohon GSM-ohjaukseen. 
  Itse tein tuon niin, että releeltä meni johdot suoraan soikiokellon liekkinapille. Releen pystyi tekstiviestillä käskyttää vetämään 0,5-10s ajan ja sieltä tuli vielä kuittauskin, että tieto on mennyt perille.  
					
  
						 -=Citroën - Yhtä mukava kuin hyvä nojatuoli. Mutta parempi ajaa.=- -=C-Crosser 2.2HDi '07|C4 Cactus BlueHDi100 ETG '16=-
					
					 | 
				 
				 
			 | 
		 
        
        
			
            
			 
			
             | 
			 
		  
            
             | 
	
	 
	
		  | 
	 
	 
	
	
			| 
				
				Larsanjus
			 | 
				
					 Viestin otsikko: Re: Webastolle kello joululahjaksi  Lähetetty: 14.12.2021 18:56   | 
		 
		
		
			
				
				
					 Viestit: 112 Paikkakunta: Riihimäki
				 
				
			 | 
			
				
				
					
					
						
						Teuski kirjoitti: Larsanjus kirjoitti: Itelle tilasin Unkarista GSM ohjauspalikan joka puhuu myös W-bussia, pelkällä relekytkennällä tuo väyläohjattu  orkkis TT-V ei herää esilämmittämään. Weban oma kello jäisi itsellä kuitenkin käyttämättä kun on tottunut tuohon GSM-ohjaukseen. 
  Itse tein tuon niin, että releeltä meni johdot suoraan soikiokellon liekkinapille. Releen pystyi tekstiviestillä käskyttää vetämään 0,5-10s ajan ja sieltä tuli vielä kuittauskin, että tieto on mennyt perille. Jep, samoin ajattelin alunperin toteuttaa jos kello olisi ollut "joutilaana". Nyt en viitsi hommata erikseen Gsm-relettä sekä weban kelloa puukotettavaksi, kun saman toiminnan saa aikaan tuolla valmiilla väyläohjaimella.  https://www.ebay.com/itm/SIM800C-GSM-Mo ... 5170472777Tulee näemmä vielä GPS-träkkeri kylkiäisenä, voi varmistaa että auto tosiaan on pihalla parkissa.     
					
  
						 C4 1.6Hdi -08, C5 136Hdi -08, C4 1.6i -09 ja muita ranskiksia. Ex: C5 2.0 -02, C5 BlueHdi180 -16
					
					 | 
				 
				 
			 | 
		 
        
        
			
            
			 
			
             | 
			 
		  
            
             | 
	
	 
	
		  | 
	 
	 
	
	
	
			| 
				
				Larsanjus
			 | 
				
					 Viestin otsikko: Re: Webastolle kello joululahjaksi  Lähetetty: 15.12.2021 23:08   | 
		 
		
		
			
				
				
					 Viestit: 112 Paikkakunta: Riihimäki
				 
				
			 | 
			
				
				
					
					
						
						Noiden ohjeiden kytkis on kyllä hyvin houkuttelevan yksinkertainen, melkein pitää ihan kokeilla mitä tuon BSIn navan maadoittamisella tapahtuu. Hivenen olen skeptinen toimivuuden osalta.  Kuitenkin samalta saitilta löytyy myös tämä Kaha:n lisäosaohje:  https://webasto-russia.ru/doc-montmanua ... evo-ru.pdfLiitteet:  
					
  
						 C4 1.6Hdi -08, C5 136Hdi -08, C4 1.6i -09 ja muita ranskiksia. Ex: C5 2.0 -02, C5 BlueHdi180 -16
					
					 | 
				 
				 
			 | 
		 
        
        
			
            
			 
			
             | 
			 
		  
            
             | 
	
	 
	
		  | 
	 
	 
	
	
			| 
				
				pvalila
			 | 
				
					 Viestin otsikko: Re: Webastolle kello joululahjaksi  Lähetetty: 17.12.2021 00:41   | 
		 
		
		
			
				
				
					 Viestit: 4013
				 
				
			 | 
			
				
				
					
					
						
						Hetki vain, pojat. Pekka ottaa nyt hatun pois päästä. Aivan upeaa, millaista osaamista tältä saitilta löytyy. Done it, been there. Kokemusta ja luovia uusia pohdintoja. Larsanjus, mulla on vähän huono omatunto siitä, että nappasin koirankeksin kuonosi edestä. Ajattelin, että olisin dokumentoinnut paketin sisällön ja skannannut mukana tulleet paperit sulle. Onko tarkoituksesi tehdä niin paljon poikkeava ratkaisu, ettei noista ole sulle iloa? Vai laitanko skannaten? Mulla ei muuten ole aavistustakaan, mitä papruja ja hiluja tuolla laatikossa on. En ole jaksanut sitä edes takaluukusta kotiin kiikuttaa. Opettajat ovat aina vähän sippi ennen loman alkua...    
					
  
					 | 
				 
				 
			 | 
		 
        
        
			
            
			 
			
             | 
			 
		  
            
             | 
	
	 
	
		  | 
	 
	 
	
	
			| 
				
				Larsanjus
			 | 
				
					 Viestin otsikko: Re: Webastolle kello joululahjaksi  Lähetetty: 19.12.2021 17:20   | 
		 
		
		
			
				
				
					 Viestit: 112 Paikkakunta: Riihimäki
				 
				
			 | 
			
				
				
					
					
						
						pvalila kirjoitti: Ajattelin, että olisin dokumentoinnut paketin sisällön ja skannannut mukana tulleet paperit sulle. Onko tarkoituksesi tehdä niin paljon poikkeava ratkaisu, ettei noista ole sulle iloa? Vai laitanko skannaten? Mulla ei muuten ole aavistustakaan, mitä papruja ja hiluja tuolla laatikossa on. Jalo ajatus, arvostan. Veikkaan, että siinä paketissa on nuo 407 ja Kahan speciaaliohje jotka löysinkin jo nettiä penkomalla. Toki jos siellä on jotain muuta kaverina, niin aina kiinnostaa. pvalila kirjoitti: Opettajat ovat aina vähän sippi ennen loman alkua...   Meillä asuu kanssa yksi ammattikunnan edustaja, olen tehnyt saman suuntaisia havaintoja.  Unkarin pojat ja etenkin suomen Posti yllätti nopeudellaan, perjantaina aamulla piippasi puhelin että "tuu hakeen!".  Tänään kerkesin hetken tutkia pakettia, ja nyt saa ainakin tekstarilla valon syttymään. Enää tarvitsisi rakennella loppukytkentä.  Sattuuko kellään olemaan jotain parempaa versiota Sedrestä tai vastaavasta josta selviäisi orkkis lämmittimen kytkentä auton puolella? Omassa versiossa ei ole koko "additional heater" kategoriaa.  DocBackupista löytyy kyllä kuvat ja mekaaniset asennusohjeet, mutta sähköpuoli on mysteeri.  Lisäksi rupesin miettimään tuota vesipumppua. Pumputtomassa orkkisversiossa on käsittääkseni myös liitin pumpulle, minkähän takia ohjaus on kuitenkin kytkiksessä otettu erilliseltä relekytkennältä?  Viitsisitkö Pvalila jossain välissä kurkata, onko vesipumpun liittimessä pinnit paikoillaan vai onko se vaan blanko reikä?  Eli tuo X4 liitekuvassa. https://lh3.googleusercontent.com/fCyog ... authuser=0 
					
  
						 C4 1.6Hdi -08, C5 136Hdi -08, C4 1.6i -09 ja muita ranskiksia. Ex: C5 2.0 -02, C5 BlueHdi180 -16
					
					 | 
				 
				 
			 | 
		 
        
        
			
            
			 
			
             | 
			 
		  
            
             | 
	
	 
	
		  | 
	 
	 
	
	
			| 
				
				pvalila
			 | 
				
					 Viestin otsikko: Re: Webastolle kello joululahjaksi  Lähetetty: 21.12.2021 17:27   | 
		 
		
		
			
				
				
					 Viestit: 4013
				 
				
			 | 
			
				
				
					
					
						
						Larsanjus kirjoitti: pvalila kirjoitti: Ajattelin, että olisin dokumentoinnut paketin sisällön ja skannannut mukana tulleet paperit sulle. Onko tarkoituksesi tehdä niin paljon poikkeava ratkaisu, ettei noista ole sulle iloa? Vai laitanko skannaten? Mulla ei muuten ole aavistustakaan, mitä papruja ja hiluja tuolla laatikossa on. Jalo ajatus, arvostan. Veikkaan, että siinä paketissa on nuo 407 ja Kahan speciaaliohje jotka löysinkin jo nettiä penkomalla. Toki jos siellä on jotain muuta kaverina, niin aina kiinnostaa. pvalila kirjoitti: Opettajat ovat aina vähän sippi ennen loman alkua...   Meillä asuu kanssa yksi ammattikunnan edustaja, olen tehnyt saman suuntaisia havaintoja.  Unkarin pojat ja etenkin suomen Posti yllätti nopeudellaan, perjantaina aamulla piippasi puhelin että "tuu hakeen!".  Tänään kerkesin hetken tutkia pakettia, ja nyt saa ainakin tekstarilla valon syttymään. Enää tarvitsisi rakennella loppukytkentä.  Sattuuko kellään olemaan jotain parempaa versiota Sedrestä tai vastaavasta josta selviäisi orkkis lämmittimen kytkentä auton puolella? Omassa versiossa ei ole koko "additional heater" kategoriaa.  DocBackupista löytyy kyllä kuvat ja mekaaniset asennusohjeet, mutta sähköpuoli on mysteeri.  Lisäksi rupesin miettimään tuota vesipumppua. Pumputtomassa orkkisversiossa on käsittääkseni myös liitin pumpulle, minkähän takia ohjaus on kuitenkin kytkiksessä otettu erilliseltä relekytkennältä?  Viitsisitkö Pvalila jossain välissä kurkata, onko vesipumpun liittimessä pinnit paikoillaan vai onko se vaan blanko reikä?  Eli tuo X4 liitekuvassa. https://lh3.googleusercontent.com/fCyog ... authuser=0Tuota lh3.googleuser.... kun klikkaa, niin tuloksena on vain mustavalkoinen versio kielletyn ajosuunnan liikennemerkistä.  
					
  
					 | 
				 
				 
			 | 
		 
        
        
			
            
			 
			
             | 
			 
		  
            
             | 
	
	 
	
		  | 
	 
	 
	
	
			| 
				
				Larsanjus
			 | 
				
					 Viestin otsikko: Re: Webastolle kello joululahjaksi  Lähetetty: 21.12.2021 18:33   | 
		 
		
		
			
				
				
					 Viestit: 112 Paikkakunta: Riihimäki
				 
				
			 | 
			
				
				
					| 
					
						
						 Näkyisiköhän nyt? 
					
						
  
						
						
							| Liitteet:  | 
						 
						
							
								
			  
			Screenshot_20211219-161355~2.jpg [ 73.43 KiB | Katsottu 5904 kertaa ]
		
		 
	 | 
							 
						
						 
					
						 C4 1.6Hdi -08, C5 136Hdi -08, C4 1.6i -09 ja muita ranskiksia. Ex: C5 2.0 -02, C5 BlueHdi180 -16
					
					 | 
				 
				 
			 | 
		 
        
        
			
            
			 
			
             | 
			 
		  
            
             | 
	
	 
	
		  | 
	 
	 
	
	
			| 
				
				Larsanjus
			 | 
				
					 Viestin otsikko: Re: Webastolle kello joululahjaksi  Lähetetty: 01.01.2022 22:14   | 
		 
		
		
			
				
				
					 Viestit: 112 Paikkakunta: Riihimäki
				 
				
			 | 
			
				
				
					
					
						
						Huh! Työvoitto - vihdoin.  Kokolailla viikon illat otti kun tätä asennusta taivastelin työpaikan hallissa, mukavasti lämmintä ja kuivaa mutta aina joku tarpeellinen työkalu oli jäänyt kotiin. "Pitkästä tavarasta" johtosarjan vääntäminen ei oikein ikinä ole ollut kivaa, nyt se vastusti vielä tavallista enemmän jostain syystä.  Tuolla "407upgrade" ohjeella ei kyllä lisäohjausta ainakaan kannata asennella, ei toimi. Ehkä sillä virallisella kellosarjalla jostain syystä toimisi, mene ja tiedä. Mulla ei sitä ollut.  Kaha:n C5-lisähje sen sijaan pitää kutinsa, joskin sen kytkis on ikävästi liitännäinen johonkin "alkuperäisen lisäsarjan kytkentäkaavioon" jota mulla ei ollut. Siitä saa vinkit puhallinpaneelin kytkentöihin, kaapelit on siellä eri värisiä kuin 407-ohjeessa.  Sefa.hu puulaakin GSM/W-bus ohjain on vähän köpönen, mutta toimii kuitenkin Webaston omalla äpillä. Joskaan w-bus:in kautta en saanut sitä toimimaan, tuo ThermoTop-V osaa näemmä käynnistyä ihan sujuvasti kun kytkee lämmittimen puoleiseen vihreään johtoon 12V. Ihan jonkin asteista kiusaa ja harmitusta aiheutti se, että Webasto/Citroen välisessä liittimessä värejä vaihtuu ristiin keskenään, eikä missää ohjeessa ollut mainintaa kumpaako väriä saatika pinninumeroa tarkoitetaan.  Tämä on webaston korjausoppaan mukaan "temperature sensor"  mutta niin se vaan siitä käynnistyy. Taitaa olla PSA:lle spesifioitu ohjain kyseessä.  Kirjoitteluiden perusteella vikoja aiheuttanut kolmihaaraliitos on jostain syystä noissa ohjeissa haluttu työntää kuskin jalkatilaan oikein vimpan päälle inhottavaan paikkaan. Vähän sovelsin ja tein sen konehuoneen sulakerasialla (PSF1) saman piuhan toisessa päässä. Huomattavasti mukavampi paikka kytkeä - ja syöttävä relekin on siinä ihan hollilla jo valmiina.  Linkissä kytkis jonka piirsin kun olin löytänyt trial/error menetelmillä toimivan kokonaisuuden.  Olisi siinäkin paranneltavaa, mutta tuolla ainakin toimii, enkä aio enää korjata ehjää. Kytkis lisäohjaukseen https://drive.google.com/file/d/1PdJKZq ... sp=sharing PSA-Kytkis ilmastoinnin osalta https://drive.google.com/file/d/1fsSOva ... sp=sharingPSA-Kytkis latausjärjestelmän osalta https://drive.google.com/file/d/1RN4_Ep ... sp=sharing 407-upgrade ohje https://drive.google.com/file/d/1wYnpsm ... sp=sharingC5x7 Kaha:n lisäohje https://drive.google.com/file/d/1nRqZ3b ... sp=sharing Toivottavasti näistä on jollekulle hyötyä jatkossa.  Kokonaiskustannukset oli ehkä about 150, tuo gsm ohjain maksoi 96e, IPCU-rele torista 40e ja  sitten vähän releitä, johtoja, liittimiä, klemmareita ja vesipumppu jotka oli jo olemassa aiemmista harrasteista.  
					
  
						 C4 1.6Hdi -08, C5 136Hdi -08, C4 1.6i -09 ja muita ranskiksia. Ex: C5 2.0 -02, C5 BlueHdi180 -16
					
					 | 
				 
				 
			 | 
		 
        
        
			
            
			 
			
             | 
			 
		  
            
             | 
	
	 
	
		  | 
	 
	 
	
	
			| 
				
				pvalila
			 | 
				
					 Viestin otsikko: Re: Webastolle kello joululahjaksi  Lähetetty: 02.01.2022 02:11   | 
		 
		
		
			
				
				
					 Viestit: 4013
				 
				
			 | 
			
				
				
					
					
						
						Larsanjus kirjoitti: Huh! Työvoitto - vihdoin. 
  Pekka ottaa hatun pois päästä, olet ollut kunnioitettavan ahkera joulupyhinä! Ja kiitos siitä, että jaksoit dokumentoida työsi muita varten!  
					
  
					 | 
				 
				 
			 | 
		 
        
        
			
            
			 
			
             | 
			 
		  
            
             | 
	
	 
	
		  | 
	 
	 
	
 | 
     |