Kaikki ajat ovat UTC + 2 tuntia [ DST ]




 Sivu 1/1 [ 19 viestiä ] 
Kirjoittaja Viesti
 Viestin otsikko: Xantian jarrujumit
ViestiLähetetty: 20.03.2013 21:53 

Viestit: 330
Moi,
havaitsinpa että syystä X välillä xantian jarrupoljin jää jarrutuksen jäljiltä jumiin, eli jarrut päälle ja poljin pomppaa itsekseen takaisin tai jalalla avittamalla. Ilmenee "kovassa" jarrutuksessa. Onkohan oman käden tietoa kellään, onko kyseessä ihan mekaaninen jumitus minkä voi korjailla omissa nurkissa vai onko jarrumännän kanssa jotain probleemaa? en ole vielä uskaltanut vilkaista missä vois syy olla... Vasen etujarrusylinteri on herkistelty männältään ja aiempi jumitus katosi onneksi, nyt vain poljin kenkkuilee.


Poissa
   
 
 Viestin otsikko: Re: Xantian jarrujumit
ViestiLähetetty: 20.03.2013 22:19 
Käyttäjän avatar

Viestit: 7490
Paikkakunta: Taipalsaari
Nickroen kirjoitti:
havaitsinpa että syystä X välillä xantian jarrupoljin jää jarrutuksen jäljiltä jumiin, eli jarrut päälle ja poljin pomppaa itsekseen takaisin tai jalalla avittamalla. Ilmenee "kovassa" jarrutuksessa. Onkohan oman käden tietoa kellään, onko kyseessä ihan mekaaninen jumitus minkä voi korjailla omissa nurkissa vai onko jarrumännän kanssa jotain probleemaa?
No jarrumäntäongelma se tuskin on, kun ainoat männät ovat työsylintereissä - Xantiassa kun ei ole pääsylinteriä vaan se poljinventtiili vain. Kurkkaappas sieltä jalkatilasta varmuudeksi (ihan sen verhoiluläpyskän takaakin), ettei mikään jumita ihan polkimessa tai ole matto karannut jotenkin väliin. Olikohan siellä jotain liukukappaletta polkimen ja venttiilin välillä, joka voisi takerrella? Ei pysty muistamaan.
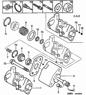
Liitteet:
poljinventtiili.jpg
poljinventtiili.jpg [ 116.84 KiB | Katsottu 11186 kertaa ]



VW Passat B7
Poissa
   
 
 Viestin otsikko: Re: Xantian jarrujumit
ViestiLähetetty: 21.03.2013 09:07 

Viestit: 4467
Paikkakunta: Paimio
Onhan LHM:t riittävän tuoreet? Takajarruja varsinkin, kyllä jumittelee pitkäaikainen huoltamattomuus. Näitähän ei sitikkakuskeilta löydy.


Poissa
   
 
 Viestin otsikko: Re: Xantian jarrujumit
ViestiLähetetty: 21.03.2013 10:54 

Viestit: 330
lehmät on vaihdettu 7tkm sitten, jarrut herkistelty ja uusi varaajapallo, uudet takapallot ja vajoamisenesto pallo. Täytyy katella lattian suunnalta oisko polkimen mekanismissa jotain häikkää, rintapellin eristematto ainoa mikä siellä voi olla välissä tai esteenä, tavallista kumimattoa ei ole...eiköhän tuo ongelma selviä kun vaan päiväsaikaan ehtis autoa katselemaan.


Poissa
   
 
 Viestin otsikko: Re: Xantian jarrujumit
ViestiLähetetty: 21.03.2013 11:02 
Käyttäjän avatar

Viestit: 7490
Paikkakunta: Taipalsaari
Katsaus kervisestä auttoi muistamaan rakennetta. Onhan siellä tosiaan se palikka venttiilin ja polkimen välillä. Sen karaanhan voisi kokeilla voitelua työntää siellä möyriessä. Saikos sen jopa käsiinsä, kun avasi ne venttiilin kaksi pulttia ja ottaa sen polkimeen kiinnityksen tapin+sokan pois? Sen jälkeenhän olisi hyvä kokeilla sen liikkumista ja heilutella poljinta vapaasti.



VW Passat B7
Poissa
   
 
 Viestin otsikko: Re: Xantian jarrujumit
ViestiLähetetty: 21.03.2013 11:52 
Käyttäjän avatar

Viestit: 7817
Paikkakunta: Eurajoki

Profiili WWW
laakeri kirjoitti:
Onhan siellä tosiaan se palikka venttiilin ja polkimen välillä.

Mutta onko siellä joku jousi vaiko eikö?
Monessa lähteessä sanotaan että polkimen ja jarruventtiilin välissä on jousi mutta mistään ei löydy selvää kuvaa. Oikealta ohjattavissa on joku yksinkertaisempi tapaus joka on helppo korvata holkilla. En tarkoita siis tuota servicessäkin näkyvää palautusjousta.



-=Citroën - Yhtä mukava kuin hyvä nojatuoli. Mutta parempi ajaa.=-
-=C-Crosser 2.2HDi '07|C4 Cactus BlueHDi100 ETG '16=-
Paikalla
   
 
 Viestin otsikko: Re: Xantian jarrujumit
ViestiLähetetty: 21.03.2013 11:55 
Käyttäjän avatar

Viestit: 7490
Paikkakunta: Taipalsaari
Teuski kirjoitti:
laakeri kirjoitti:
Onhan siellä tosiaan se palikka venttiilin ja polkimen välillä.

Mutta onko siellä joku jousi vaiko eikö?
Paha kysymys... minä en kyllä muista jousta sieltä, mutta joku varmemmin tietävä kertokoot. Jossain miulla pitäisi olla yksi poljinventtiili ja tuo välikäikäle irrallaan. Jos viikonloppuna muistaisi katsoa, niin sittenhän tuo selviäisi. Toisaalta selviäähän se sittenkin, jos Nickroen tuon omastaan irrottaa ja kurkkaa.



VW Passat B7
Poissa
   
 
 Viestin otsikko: Re: Xantian jarrujumit
ViestiLähetetty: 21.03.2013 19:02 

Viestit: 330
Ensinnä siirretty kovamuovista kaukalomattoa taaksepäin, se saattaa olla syypää polkimen jumitteluun. Jos vika korjaantuu tuolla niin hyvä :)


Poissa
   
 
 Viestin otsikko: Re: Xantian jarrujumit
ViestiLähetetty: 21.03.2013 19:38 
Käyttäjän avatar

Viestit: 7490
Paikkakunta: Taipalsaari
Nickroen kirjoitti:
Ensinnä siirretty kovamuovista kaukalomattoa taaksepäin, se saattaa olla syypää polkimen jumitteluun. Jos vika korjaantuu tuolla niin hyvä :)
Rensi? Niistä on ainakin enemmän haittaa kuin hyötyä...



VW Passat B7
Poissa
   
 
 Viestin otsikko: Re: Xantian jarrujumit
ViestiLähetetty: 21.03.2013 21:46 

Viestit: 5125
Tuolta löytyy mukavat kuvat ko. käikäleen sisuksista (ja ohjeet, jos haluaa perinteisemmän kaltaiset jarrut (siis citikan perinteen... :) ) ja korvaa jousen kovalla osalla -> poljin ei juuri liiku, jalan paine polkimella vaan muuttuu )
http://www.aussiefrogs.com/forum/showth ... post175309

vai onko se tuollainen vain oikealta ohjattavissa?


Poissa
   
 
 Viestin otsikko: Re: Xantian jarrujumit
ViestiLähetetty: 21.03.2013 22:13 
Käyttäjän avatar

Viestit: 7490
Paikkakunta: Taipalsaari
olli__o kirjoitti:
vai onko se tuollainen vain oikealta ohjattavissa?
En mie kyllä muista tuommoista Xantiasta purkaneeni ja kyllä kervinenkin tuon vain RHD-malliin näyttää. LHD:ssä on tuon jousipatentin tilalla se välikäikäle, jonka kara tulee ihan tapilla kiinni polkimeen.



VW Passat B7
Poissa
   
 
 Viestin otsikko: Re: Xantian jarrujumit
ViestiLähetetty: 21.03.2013 22:17 
Käyttäjän avatar

Viestit: 2006
Paikkakunta: Tampere
Ja se jousi on sen välikäikäleen sisällä, mutta on jousi kuitenkin.


Poissa
   
 
 Viestin otsikko: Re: Xantian jarrujumit
ViestiLähetetty: 22.03.2013 11:27 

Viestit: 1219
Paikkakunta: Ulvila
Täällä ilmenee aivan outoja sanoja, joita ei meinaa oikein tajuta. kerviisi käikäle välikäikäle ym ym. Voisko joku suomentaa kun ei edes vikipediasta moisia sanoja löydy googlekaan ei auta. Ois vaan helpompi seurata problemaa ja sen ratkeamista jos osaisi samaa längvitsia. :lol:


Poissa
   
 
 Viestin otsikko: Re: Xantian jarrujumit
ViestiLähetetty: 22.03.2013 12:10 
Käyttäjän avatar

Viestit: 200
Paikkakunta: Turku
Muistelisin lukeneeni, että alkupään Xantioissa ei vielä ollut tuota jousta. Olivat sitten jossain kohtaa Xantian tuotantoa lisäneet "oikean auton" fiilistä laittamalla tuon jousen väliin.



BX 16 Valve -89 Gris Axinite, BX GTi 4WD -91 Rouge Furio, ZX 1.8i Tonic -95 Rouge Griotte Nacre
Poissa
   
 
 Viestin otsikko: Re: Xantian jarrujumit
ViestiLähetetty: 22.03.2013 12:19 
Käyttäjän avatar

Viestit: 7817
Paikkakunta: Eurajoki

Profiili WWW
Onko se kyseinen jousi tuo Servicen jarruventtiilin kuvassa olevan osan 2 sisällä? Onko se poistettavissa sieltä ja saako tuon osan irti jalkatilan puolelta ilman suurempaa purkamista?



-=Citroën - Yhtä mukava kuin hyvä nojatuoli. Mutta parempi ajaa.=-
-=C-Crosser 2.2HDi '07|C4 Cactus BlueHDi100 ETG '16=-
Paikalla
   
 
 Viestin otsikko: Re: Xantian jarrujumit
ViestiLähetetty: 22.03.2013 19:02 
Käyttäjän avatar

Viestit: 7490
Paikkakunta: Taipalsaari
idefix kirjoitti:
välikäikäle
Anteeksi, DOSER SPACER on oikea nimi.
Teuski kirjoitti:
Onko se kyseinen jousi tuo Servicen jarruventtiilin kuvassa olevan osan 2 sisällä? Onko se poistettavissa sieltä ja saako tuon osan irti jalkatilan puolelta ilman suurempaa purkamista?
Juu se. En muista ihan varmasti, onko noilla pitkillä (73) kiinni ihan vaan. Voihan sitä kokeilla ainakin kääntää ne auki, jos ei kukaan muista. Polkimen puolelta pitää toki irrotella (3/11).
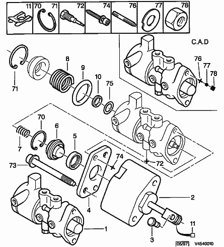
Liitteet:
poljinventtiili.png
poljinventtiili.png [ 18.69 KiB | Katsottu 10852 kertaa ]



VW Passat B7
Poissa
   
 
 Viestin otsikko: Re: Xantian jarrujumit
ViestiLähetetty: 23.03.2013 20:13 

Viestit: 203
Paikkakunta: Asuinpaikka ja ammatti sama
Eihän tämä juttu tietysti suoraan Sitikkoihin kuulu. Kaveri perheineen teki takavuosina hiihtolomareissun lappiin jostain Tamperen seudulta. Eka pysähdyksen jälkeen Vonksvaageni ei suostunut ylittämään seitsemääkymmentä kilometriä tunnissa. Sujuihan se reissu kuitenkin vähäisillä polttoainekustannuksilla ja pitemmällä matka-ajalla. Korjaamolla ottivat sitten lomaviikon jälkeen kumimaton pois kaasupedalin alta.


Poissa
   
 
 Viestin otsikko: Re: Xantian jarrujumit
ViestiLähetetty: 24.03.2013 00:56 

Viestit: 5125
idefix kirjoitti:
Täällä ilmenee aivan outoja sanoja, joita ei meinaa oikein tajuta. kerviisi käikäle välikäikäle ym ym. Voisko joku suomentaa kun ei edes vikipediasta moisia sanoja löydy googlekaan ei auta. Ois vaan helpompi seurata problemaa ja sen ratkeamista jos osaisi samaa längvitsia. :lol:

käikäle = Epämääräinen tavara/esine jonka käyttötarkoitusta ei tiedä. (google ja urbaanisanakirja)
(kervinen oli tainnut jo auetakin, kun oli muutettu muotoon kerviisi, eli taidetaan tarkoittaa serviisiä: service.citroen.com)

Ja itse käytän käikälettä myös esineistä joiden käyttötarkoitus on jotenkin tiedossa, mutta joille ei ole vakiintunutta nimeä (tai silloin kun minä en tiedä sitä).

(Zen ja auton kunnossapito: Buddhalaisen filosofian Sutra-koulukunnan mukaan eräs ominaisuus, joka tekee asioista todella olemassa olevia, on se, että niitä ei voi kuvata sanoin. - minun autossa noita on roppakaupalla)


Poissa
   
 
 Viestin otsikko: Re: Xantian jarrujumit
ViestiLähetetty: 24.03.2013 02:25 
Käyttäjän avatar

Viestit: 2006
Paikkakunta: Tampere
Teuski kirjoitti:
Onko se kyseinen jousi tuo Servicen jarruventtiilin kuvassa olevan osan 2 sisällä? Onko se poistettavissa sieltä ja saako tuon osan irti jalkatilan puolelta ilman suurempaa purkamista?


Konetilan puolelta purettava, eli ei sa jalkatilan kautta. Ja en ole perehtynyt siihen kuinka jousi olis korvattavissa kiinteällä palikalla?


Poissa
   
 
Näytä viestit ajalta:  Järjestä  
 Sivu 1/1 [ 19 viestiä ] 


Paikallaolijat

Käyttäjiä lukemassa tätä aluetta: Ei rekisteröityneitä käyttäjiä ja 6 vierailijaa


Kaikki ajat ovat UTC + 2 tuntia [ DST ]


Et voi kirjoittaa uusia viestejä
Et voi vastata viestiketjuihin
Et voi muokata omia viestejäsi
Et voi poistaa omia vestejäsi
Et voi lähettää liitetiedostoja.

Etsi tätä:
Hyppää:  

cron