Kaikki ajat ovat UTC + 2 tuntia [ DST ]




 Sivu 1/1 [ 7 viestiä ] 
Kirjoittaja Viesti
 Viestin otsikko: öljyä tippuu reippaanlasesti
ViestiLähetetty: 31.03.2014 18:08 

Viestit: 35
Paikkakunta: Alvesta Ruotsi
Niin nyt apuja töistä lähtiessä huomasin että oli reilu öljylammikko takarenkaan edessä ja auton alle ryömiessä huomasin että tulloo reippaalaisesti hydrauli öljyä siitä taka vasen painekellon juuresta sanokaas viisammat mitä vois olla vialla. Ja niin auto on C5 -07 farmari.


Poissa
   
 
 Viestin otsikko: Re: öljyä tippuu reippaanlasesti
ViestiLähetetty: 31.03.2014 18:48 

Viestit: 1230
Paikkakunta: Jokioinen
Jousisylinterin ohivuoto niin reilu että vuotaa. Ja koko poikittainen akseliputki on kostea?. Uudet tiivisteet sylinteriin auttaa yleensä. Asiansa osaava korjaaja hoitaa sinne uudet tiivisteet alle tunnissa.

jostain syystä kakkoskoppaisessa näitä on enemmän.



Saxo vts v1600, Peugeot 2008 E-hdi 115 allure, Ducato 2.3jtd retkis, Ducato 180 multijet huoltoautona, Saxo TU5JP4T projekti.
Poissa
   
 
 Viestin otsikko: Re: öljyä tippuu reippaanlasesti
ViestiLähetetty: 31.03.2014 19:00 

Viestit: 35
Paikkakunta: Alvesta Ruotsi
Jankos kirjoitti:
Jousisylinterin ohivuoto niin reilu että vuotaa. Ja koko poikittainen akseliputki on kostea?. Uudet tiivisteet sylinteriin auttaa yleensä. Asiansa osaava korjaaja hoitaa sinne uudet tiivisteet alle tunnissa.

jostain syystä kakkoskoppaisessa näitä on enemmän.


No ei se enään vuoda :lol: kaikki öljyt on jo pihalla astiassa auton alla ja nyt otin renkaan irti ja oikein puhdistin sen niin se vuoto on siitä juosisylinterin ja painekellon (onko se paine vai jousikello) kierteen välistä. :evil:


Poissa
   
 
 Viestin otsikko: Re: öljyä tippuu reippaanlasesti
ViestiLähetetty: 31.03.2014 19:06 

Viestit: 1230
Paikkakunta: Jokioinen
Ai sieltä vuotaa. Pallo pois ja jos tiivistepinta on ehjä niin uusi tiiviste ja pallo takaisin. Todennäköisempää on että sylinteri syöpynyt rikki ja vaatii uusimisen.



Saxo vts v1600, Peugeot 2008 E-hdi 115 allure, Ducato 2.3jtd retkis, Ducato 180 multijet huoltoautona, Saxo TU5JP4T projekti.
Poissa
   
 
 Viestin otsikko: Re: öljyä tippuu reippaanlasesti
ViestiLähetetty: 31.03.2014 19:50 

Viestit: 35
Paikkakunta: Alvesta Ruotsi
Jankos kirjoitti:
Ai sieltä vuotaa. Pallo pois ja jos tiivistepinta on ehjä niin uusi tiiviste ja pallo takaisin. Todennäköisempää on että sylinteri syöpynyt rikki ja vaatii uusimisen.



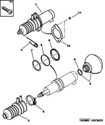
Löytyykö mistään räjäytyskuvaa kyseisestä paketista ja onko se jokin erikoinen tiiviste vai normaali o-rengas. Toisekseen onko se pallo yleensä lujassa kiinni ja mikä on työjårjestys sen pallomn irroittamisessa.


Poissa
   
 
 Viestin otsikko: Re: öljyä tippuu reippaanlasesti
ViestiLähetetty: 31.03.2014 21:14 
Käyttäjän avatar

Viestit: 710
Kuva:


Liitteet:
jousitus.jpg
jousitus.jpg [ 43.49 KiB | Katsottu 6023 kertaa ]

C5II 2.0 HDI break automatic AM6
C5II 2.0 HDI berline automatic AM6
C5II 2.0 16v berline man.
C4 I 1.6 16V
ex. C5I 2.0 16v berline man, C5I 2.0 16v break man, Xantia berline 1.8 16v man
Poissa
   
 
 Viestin otsikko: Re: öljyä tippuu reippaanlasesti
ViestiLähetetty: 01.04.2014 08:33 

Viestit: 35
Paikkakunta: Alvesta Ruotsi
powerage kirjoitti:
Kuva:



Kiitoksia että tommoinen systeemi. Mutta tulipa tuossa illalla selattua mitä kaikkea vakuutuksia olen maksanut monta vuotta niin olihan siellä stor bil exrtakin että hakekoot auton verstalle ja toimittakoot laina-auton tilalle. Mitä muuten tapahtuu jos ajaa ilman hydrauliöljyjä tulipahan mieleen näin uteliaisuuttaan, ja oli muuten ensimmäinen Citroen joka lähtee hinurin kyytillä aina on päässyt nilkuttelemaan kotia aikaisemmin ja tämä on 8:sas Citroen joka minulla on.


Poissa
   
 
Näytä viestit ajalta:  Järjestä  
 Sivu 1/1 [ 7 viestiä ] 


Paikallaolijat

Käyttäjiä lukemassa tätä aluetta: Ei rekisteröityneitä käyttäjiä ja 12 vierailijaa


Kaikki ajat ovat UTC + 2 tuntia [ DST ]


Et voi kirjoittaa uusia viestejä
Et voi vastata viestiketjuihin
Et voi muokata omia viestejäsi
Et voi poistaa omia vestejäsi
Et voi lähettää liitetiedostoja.

Etsi tätä:
Hyppää: