Kaikki ajat ovat UTC + 2 tuntia [ DST ]




 Sivu 1/1 [ 3 viestiä ] 
Kirjoittaja Viesti
 Viestin otsikko: Xantian putket
ViestiLähetetty: 25.04.2011 01:54 

Viestit: 7
Etsin 2 päivää putken toista päätä(takajarruilta etupään jarruventtiilille), kun ymmärtääkseni fiksumpi veto olisi ollut kysyä viisaammilta.
Onko siis mahdollista että Xantiasta löytyisi putkikartta tyyliin "tästä tähän", eikä tyyliin "takakorjaalta etuventtiilille"?
Samanlainen kartta minulla on bexille.


Poissa
   
 
 Viestin otsikko: Re: Xantian putket
ViestiLähetetty: 25.04.2011 09:12 
Käyttäjän avatar

Viestit: 7490
Paikkakunta: Taipalsaari
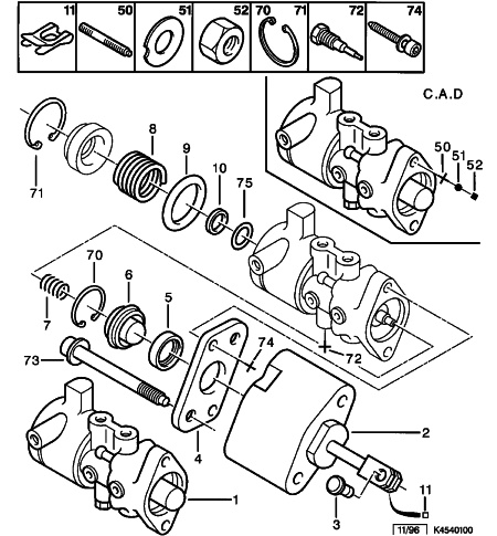
ABS:ittomasta mallista lienee nyt puhe. Karttaa ei ole tarjota, mutta Servicehän tarjoaa tämmöisen karkean piirroksen jarruputkista ja lisäksi kuvan poljinventtiilistä. Itse en käy veikkaamaan aavistuksen perusteella, mihin liitäntään tuossa takajarrujen paineputki tulee, kun en ole moista ikinä joutunut vaihtamaan. Sanokoot sen siis joku asian varmasti tietävä. Tässä on kuitenkin materiaali käytettäväksi.
Liitteet:
xantia_ei_abs_ei_HA_jarruputket.jpg
xantia_ei_abs_ei_HA_jarruputket.jpg [ 33.55 KiB | Katsottu 3467 kertaa ]

Liitteet:
xantia_poljinventtiili.jpg
xantia_poljinventtiili.jpg [ 79.79 KiB | Katsottu 3446 kertaa ]



VW Passat B7
Poissa
   
 
 Viestin otsikko: Re: Xantian putket
ViestiLähetetty: 25.04.2011 12:43 

Viestit: 7
laakeri kirjoitti:
ABS:ittomasta mallista lienee nyt puhe.

:D juuri siitä.
[
Saman kuvan saan omaltakin koneeltani aikaan..mielestäni se ei kuitenkaan kerro juuri mitään. Kuvassa putki menee takapäästä etupäähän, jostakin johonkin..
Olen huono kysymään(ehkä tässäkin kohtaa olisi säästynyt jokunen tunti hakemista) ja kaltaisiani varmasti löytyy. Tällaiset tekniikkafoorumit toimisi tietopankkina meille näpertelijöille, jos/kun se tieto olisi helposti saatavilla.
Mitä siis ajan takaa..kun olen antanut itselleni ymmärtää, että täälläkin on toveri joka vaihtanut >tuhanteen autoon putket, tahi parikymmentä alapalloa päivään, niin miksi vtussa nämä ihmiset eivät jaa tietotaitoaan ihan vapaaehtoisesti ja pyytämättä ja laita niitä teko-ohjeita meidän tavisten saataville.
Itseltäni riittää respectiä esim rmattilan kaltaisille jotka kuvaavat tekemisensä ja ohjeistavat sen asiallisesti.

Oli miten oli..joku toki kysyy, miksen itse sitten tee mitään, vaan "vingun" vaan..omat korjaukseni tuskin olisi mikään edustava "tee näin ja näin"-otos, vaan mieluummin "älä tee näin, jos haluat korjata autosi".
Jos siis itse saisin päättää, niin näkisin tälläkin foorumilla stickynä/linkkinä eri sitikoiden putkien menot/tulot, venttiilien/jakokappaleiden/satuloiden yms. paikat/sijainnit/eri osien nimet ja mielellään vielä kuvien kanssa ja kotimaaksi..kuulostaako vaikealta?

Oma projekti edistyy..eli vaihdoin taakse jarruputket, pitkä putki eteen jarruventtiilille(?)..tänään sitten ohjelmassa lhm-pönton laitto takaisin ja niiden putkien kiinnitys..taakse oikealle jarrulevy, -palat. Sitten katsastukseen uudestaan.

Hmm, pitänee vissiin tähän laittaa kanssa hieman perustietoa, niin mahdollinen lukija pysyy kärryillä..
Joku hetki sitten loppui edellisen xantiani(-94 2.0 8v) leima, ja viat(tuulilasi särki/hitsattavaa/takapään korkeussäädin jnejne) olivat mielestäni sellaiset ettei sitä kannattanut enää ehjätä. Kattelin foorumeita ja joko täältä tahi joku toinen sitikkafoorumi löysin -96 breikin hintaan 250erkkiä. Kuulosti hyvältä. No, kuvien perusteella sitten melko surkeassa kunnossa..
Siltikin, halpuus houkuttelee näin työttömän tiliä tutkiessa. Pari spostiviestiä omistajan kanssa, ajo paikalle(150km :D )rahat(150€) käteen ja menoksi.
Olihan tossa matkalla hieman draamaa, eli ajoauton lämppärin kennon muoviputki päätti jostain syystä murtua juuri tässä kohtaa(kukaan ei siihen koskenut). Vedet tuli ulos koneesta..onneksi oltiin vielä myyjän tontilla ja myyjällä autokorjaamo ja sitä kautta ymmärrys. Laitettiin kennolle menevät letkut poikki, väliin putken pätkä letkuklemmareilla..lämmitys ei toimi, mutta se oli pieni ongelma siinä kohtaa.

Kotiin sitten päästiin..isompia reikiä hitsattiin>mentiin katsastukseen>ei läpi. Jarrut otti hienosti ja tasan puoliltaan..mutta takalevyt oli ruosteessa>vaihtoon..pari reikää löysi lisää helmasta..olin laittanut puolikkaan helman uusiksi..olisi pitänyt laittaa koko helma samantien(oma vika)..hieman pska hitsattava..bensatankin puolella, ei haluaisi vielä lopettaa maallista vaellustaan..
No nyt on hitsaukset/putkitukset tehty..oikeelle puolelle(apparin) vielä levy ja satula/jarruputki paikalleen..Sitten ens viikosta katastukseen.

Sitten mielipiteitä(koeajon toki teen)..jarrusatula menee tukivarteen yläpuolelta läpipultilla, jarrusatulan ilmaruuvi poikki>tukittu hitsillä..
PS ostan toki sen tukivarren/jarrusatulan, kunhan joku vaan sellaisia tarjoaa asialliseen hintaan.


Poissa
   
 
Näytä viestit ajalta:  Järjestä  
 Sivu 1/1 [ 3 viestiä ] 


Paikallaolijat

Käyttäjiä lukemassa tätä aluetta: Ei rekisteröityneitä käyttäjiä ja 10 vierailijaa


Kaikki ajat ovat UTC + 2 tuntia [ DST ]


Et voi kirjoittaa uusia viestejä
Et voi vastata viestiketjuihin
Et voi muokata omia viestejäsi
Et voi poistaa omia vestejäsi
Et voi lähettää liitetiedostoja.

Etsi tätä:
Hyppää: