laakeri kirjoitti:
ABS:ittomasta mallista lienee nyt puhe.

juuri siitä.
[
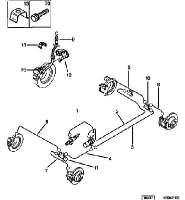
Saman kuvan saan omaltakin koneeltani aikaan..mielestäni se ei kuitenkaan kerro juuri mitään. Kuvassa putki menee takapäästä etupäähän, jostakin johonkin..
Olen huono kysymään(ehkä tässäkin kohtaa olisi säästynyt jokunen tunti hakemista) ja kaltaisiani varmasti löytyy. Tällaiset tekniikkafoorumit toimisi tietopankkina meille näpertelijöille, jos/kun se tieto olisi helposti saatavilla.
Mitä siis ajan takaa..kun olen antanut itselleni ymmärtää, että täälläkin on toveri joka vaihtanut >tuhanteen autoon putket, tahi parikymmentä alapalloa päivään, niin miksi vtussa nämä ihmiset eivät jaa tietotaitoaan ihan vapaaehtoisesti ja pyytämättä ja laita niitä teko-ohjeita meidän tavisten saataville.
Itseltäni riittää respectiä esim rmattilan kaltaisille jotka kuvaavat tekemisensä ja ohjeistavat sen asiallisesti.
Oli miten oli..joku toki kysyy, miksen itse sitten tee mitään, vaan "vingun" vaan..omat korjaukseni tuskin olisi mikään edustava "tee näin ja näin"-otos, vaan mieluummin "älä tee näin, jos haluat korjata autosi".
Jos siis itse saisin päättää, niin näkisin tälläkin foorumilla stickynä/linkkinä eri sitikoiden putkien menot/tulot, venttiilien/jakokappaleiden/satuloiden yms. paikat/sijainnit/eri osien nimet ja mielellään vielä kuvien kanssa ja kotimaaksi..kuulostaako vaikealta?
Oma projekti edistyy..eli vaihdoin taakse jarruputket, pitkä putki eteen jarruventtiilille(?)..tänään sitten ohjelmassa lhm-pönton laitto takaisin ja niiden putkien kiinnitys..taakse oikealle jarrulevy, -palat. Sitten katsastukseen uudestaan.
Hmm, pitänee vissiin tähän laittaa kanssa hieman perustietoa, niin mahdollinen lukija pysyy kärryillä..
Joku hetki sitten loppui edellisen xantiani(-94 2.0 8v) leima, ja viat(tuulilasi särki/hitsattavaa/takapään korkeussäädin jnejne) olivat mielestäni sellaiset ettei sitä kannattanut enää ehjätä. Kattelin foorumeita ja joko täältä tahi joku toinen sitikkafoorumi löysin -96 breikin hintaan 250erkkiä. Kuulosti hyvältä. No,
kuvien perusteella sitten melko surkeassa kunnossa..
Siltikin, halpuus houkuttelee näin työttömän tiliä tutkiessa. Pari spostiviestiä omistajan kanssa, ajo paikalle(150km

)rahat(150€) käteen ja menoksi.
Olihan tossa matkalla hieman draamaa, eli ajoauton lämppärin kennon muoviputki päätti jostain syystä murtua juuri tässä kohtaa(kukaan ei siihen koskenut). Vedet tuli ulos koneesta..onneksi oltiin vielä myyjän tontilla ja myyjällä autokorjaamo ja sitä kautta ymmärrys. Laitettiin kennolle menevät letkut poikki, väliin putken pätkä letkuklemmareilla..lämmitys ei toimi, mutta se oli pieni ongelma siinä kohtaa.
Kotiin sitten päästiin..isompia reikiä hitsattiin>mentiin katsastukseen>ei läpi. Jarrut otti hienosti ja tasan puoliltaan..mutta takalevyt oli ruosteessa>vaihtoon..pari reikää löysi lisää helmasta..olin laittanut puolikkaan helman uusiksi..olisi pitänyt laittaa koko helma samantien(oma vika)..hieman pska hitsattava..bensatankin puolella, ei haluaisi vielä lopettaa maallista vaellustaan..
No nyt on hitsaukset/putkitukset tehty..oikeelle puolelle(apparin) vielä levy ja satula/jarruputki paikalleen..Sitten ens viikosta katastukseen.
Sitten mielipiteitä(koeajon toki teen)..jarrusatula menee tukivarteen yläpuolelta läpipultilla, jarrusatulan ilmaruuvi poikki>tukittu hitsillä..
PS ostan toki sen tukivarren/jarrusatulan, kunhan joku vaan sellaisia tarjoaa asialliseen hintaan.