|
| Kirjoittaja |
Viesti |
|
Oldis
|
Viestin otsikko: C5 Takapyöränlaakeri Lähetetty: 11.04.2010 11:58 |
Viestit: 832 Paikkakunta: Imatra
|
|
Rupesi lonksumaan, eli vaihtokunnossa, millanen laakeri siellä mahtaa olla? Kuinka saa pois, joutuko navan ottamaan kanssa pois? edellinen laakeri jonka taakse vaihdoin oli vuonna 1985 ja silloin oli kyseessä saab 99 vm 76. Nyt siis 02 mallinen farkku C5.
Ei enää C5 farkkua. Minulla 02 mallinen 206 pösö. Vaimolla 207 Peugeot Sport vm 06
|
|
|
|
 |
|
JC5IEDM
|
Viestin otsikko: Re: C5 Takapyöränlaakeri Lähetetty: 11.04.2010 12:22 |
Viestit: 77 Paikkakunta: Pirkanmaa
|
|
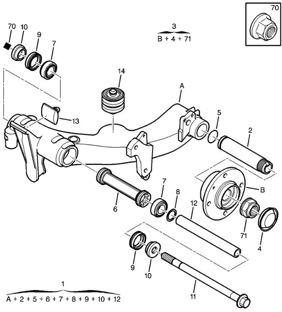
Yritänpä liittää tähän viestiin kuvan C5:n takatuennan osista, jos kuvasta vaikka jotain apua olisi.
Kuvassa kirjaimella B on merkitty laakerin ja pyörännavan yhdistelmä.
| Liitteet: |

C5 takatuenta.jpg [ 56.15 KiB | Katsottu 20044 kertaa ]
|
2005 - 2008 C5 Break 2.0i AT 2002 (100 - 170 tkm) 2008 - 2017 C5 Berline 2.0i AT 2005 (70 - 298 tkm) 2017 - 20__ C5 Berline 2.0i AT 2005 (113 tkm -)
|
|
|
|
 |
|
Oldis
|
Viestin otsikko: Re: C5 Takapyöränlaakeri Lähetetty: 11.04.2010 15:19 |
Viestit: 832 Paikkakunta: Imatra
|
|
kiitos, tuo kuva selvitti asian.
Ei enää C5 farkkua. Minulla 02 mallinen 206 pösö. Vaimolla 207 Peugeot Sport vm 06
|
|
|
|
 |
|
dieselflosse
|
Viestin otsikko: Re: C5 Takapyöränlaakeri Lähetetty: 04.06.2013 11:51 |
Viestit: 755 Paikkakunta: Nurmijärvi
|
|
Terve!
Lähteekö tuo "B" helposti irti? On ilmiintynyt pieni klappi oikeaan takakulmaan...
Mjotonetin varaosahinnan perusteella laakeripakettiin kuuluu koko napa. Onko joku sovitellut vanhaan napaan uutta laakeria?
Terveisin Tero, Taaborin tuunaaja, vintage-autoilija
|
|
|
|
 |
|
Tulsku
|
Viestin otsikko: Re: C5 Takapyöränlaakeri Lähetetty: 04.06.2013 12:16 |
Viestit: 1590 Paikkakunta: Lappeenranta
|
|
Tarpeeksi isolla ulosvetäjällä lähtee. Takanapa tulee kokonaisena laakerin kanssa.
C6 3.0 HDi ('09), C5 2.0 HDi Break ('05), CX 20 Pallas ('83)
|
|
|
|
 |
|
dieselflosse
|
Viestin otsikko: Re: C5 Takapyöränlaakeri Lähetetty: 04.06.2013 12:29 |
Viestit: 755 Paikkakunta: Nurmijärvi
|
|
Saako laakerin kaivettua navasta pois? Meinaan, jos nyt vaihdan oikealle uuden navan, niin irroitetusta voisi saada toimivan vasuriin pelkän laakerin vaihtamalla...
Terveisin Tero, Taaborin tuunaaja, vintage-autoilija
|
|
|
|
 |
|
Tapsa 63
|
Viestin otsikko: Re: C5 Takapyöränlaakeri Lähetetty: 04.06.2013 13:04 |
Viestit: 2525 Paikkakunta: Pieksämäki
|
|
Sisäkooli navasta myös vaihtoon muuten ei tule oikea tiukkuus/väljyys.
|
|
|
|
 |
|
jasu
|
Viestin otsikko: Re: C5 Takapyöränlaakeri Lähetetty: 04.06.2013 13:11 |
Viestit: 3161 Paikkakunta: Korpilahti
|
dieselflosse kirjoitti: Saako laakerin kaivettua navasta pois? Meinaan, jos nyt vaihdan oikealle uuden navan, niin irroitetusta voisi saada toimivan vasuriin pelkän laakerin vaihtamalla... Usko jo, et saa vaihdettua, kun laakerin ulkokooli on se pyörännapa... Tai saa, jos koneistaa sisäpinnan sellaiseksi että sinne saa irtolaakerin, kuten Rmattila eräässä sovelluksessaan, mutta se sovellus ei tullut tieliikenteeseen... 
Dyane 4x4 IE, Sm 2.7, Dyane IE, C8 2.2 Series -LantikanPätkä
|
|
|
|
 |
|
dieselflosse
|
Viestin otsikko: Re: C5 Takapyöränlaakeri Lähetetty: 04.06.2013 13:36 |
Viestit: 755 Paikkakunta: Nurmijärvi
|
jasu kirjoitti: dieselflosse kirjoitti: Saako laakerin kaivettua navasta pois? Meinaan, jos nyt vaihdan oikealle uuden navan, niin irroitetusta voisi saada toimivan vasuriin pelkän laakerin vaihtamalla... Usko jo, et saa vaihdettua, kun laakerin ulkokooli on se pyörännapa... Tai saa, jos koneistaa sisäpinnan sellaiseksi että sinne saa irtolaakerin, kuten Rmattila eräässä sovelluksessaan, mutta se sovellus ei tullut tieliikenteeseen...  Ok, ei sit mitään kivaa ikinä.. 
Terveisin Tero, Taaborin tuunaaja, vintage-autoilija
|
|
|
|
 |
|
kaselin
|
Viestin otsikko: Re: C5 Takapyöränlaakeri Lähetetty: 04.06.2013 14:23 |
Viestit: 1593 Paikkakunta: Tampere
|
Tuolta edullisemmin kuin Motonetistä http://autopartsmarket.fi/
C5 1,8 Break -03 Peugeot Expert TD -00 Honda GL1800 -08 edesmenneet 2CV4 -72 2CV6 -82 Peugeot Satelis 500 -08
|
|
|
|
 |
|
Janne L
|
Viestin otsikko: Re: C5 Takapyöränlaakeri Lähetetty: 04.06.2013 22:56 |
Viestit: 725
|
|
Ja mitään pingpong laakeriahan ei sitten kannata laittaa. Ym. linkissä ainakin kolmea vaihtoehtoa taakse laakeriksi. Itse taidan ostaa SNR:n vaihtoehdon, on siis sama rumba edessä...
|
|
|
|
 |
|
kaselin
|
Viestin otsikko: Re: C5 Takapyöränlaakeri Lähetetty: 05.06.2013 08:14 |
Viestit: 1593 Paikkakunta: Tampere
|
|
Ja mitään pingpong laakeriahan ei sitten kannata laittaa. Minkäs maalaisia noi on? Tehdään skfääkin kiinassa.
C5 1,8 Break -03 Peugeot Expert TD -00 Honda GL1800 -08 edesmenneet 2CV4 -72 2CV6 -82 Peugeot Satelis 500 -08
|
|
|
|
 |
|
powerage
|
Viestin otsikko: Re: C5 Takapyöränlaakeri Lähetetty: 05.06.2013 09:09 |
Viestit: 710
|
Omassa vitosessa on Motonetista ostettu takapyörän laakeri, valmistaja oli sillä kertaa SNR... Toisella puolella vielä alkuperäinen laakeri ja mittarissa 360tkm. 
C5II 2.0 HDI break automatic AM6 C5II 2.0 HDI berline automatic AM6 C5II 2.0 16v berline man. C4 I 1.6 16V ex. C5I 2.0 16v berline man, C5I 2.0 16v break man, Xantia berline 1.8 16v man
|
|
|
|
 |
|
dieselflosse
|
Viestin otsikko: Re: C5 Takapyöränlaakeri Lähetetty: 05.06.2013 09:20 |
Viestit: 755 Paikkakunta: Nurmijärvi
|
powerage kirjoitti: Toisella puolella vielä alkuperäinen laakeri ja mittarissa 360tkm.  Vanhaan hyvään aikaan, pyöränlaakerin tullessa tiensä päähän kannatti vaihtaa molemmille puolille samaan aikaan. Nykyautoissa tuo ei enää näytä kannattavan. Liekö sitten rakenteet huonontuneet ja sopiva vesilätäkköön ajo roiskauttaa laakerista rasvat... On ihan säkästä kiinni, mihin laakeriin kulloinkin vesi loiskuu. Ostin sitten mjotonjet-laakerin. Ensiviikolle on varattu vaihto. Monttööri ennusti selviävänsä alle tunnissa. En siis viitsi itse alkaa tuon takia turaamaan. Pitäisi lainata ulosvetäjäkin.
Terveisin Tero, Taaborin tuunaaja, vintage-autoilija
|
|
|
|
 |
|
laakeri
|
Viestin otsikko: Re: C5 Takapyöränlaakeri Lähetetty: 05.06.2013 11:50 |
Viestit: 7490 Paikkakunta: Taipalsaari
|
kaselin kirjoitti: Minkäs maalaisia noi on? Tehdään skfääkin kiinassa. Ja se SKF kannattaakin jättää sinne Kiinaan tai viimeistään kaupan hyllyyn. kaselin kirjoitti: Tuolta edullisemmin kuin Motonetistä http://autopartsmarket.fi/Ainakin Xantiaan SNR:n sai siedettävään hintaan AD:sta. Tuolla näkyy olevan jonkin verran kalliimpi.
VW Passat B7
|
|
|
|
 |
|
kaselin
|
Viestin otsikko: Re: C5 Takapyöränlaakeri Lähetetty: 05.06.2013 14:53 |
Viestit: 1593 Paikkakunta: Tampere
|
http://autopartsmarket.fiTuolla mynnissä oleva edullisin Optimal näkyy olevan saksalainen tuote kyseinen pulju tekee melko laajan valikoiman osia eri automerkeille eli ei se ny ihan paska voi olla.
C5 1,8 Break -03 Peugeot Expert TD -00 Honda GL1800 -08 edesmenneet 2CV4 -72 2CV6 -82 Peugeot Satelis 500 -08
|
|
|
|
 |
|
ealab
|
Viestin otsikko: Re: C5 Takapyöränlaakeri Lähetetty: 06.06.2013 08:15 |
Viestit: 4467 Paikkakunta: Paimio
|
|
Mikään ei estä tekemästä rasvalisäystä laakeria/napaa uusittaessa. Koska näyttäisi olevan melko minimaalisesti alunperin. Rasva maksaa. Hajoituskuvassa osa 2, akseli on tavallaan piirretty "väärälle" puolelle, koska akseli tyrkätään toiselta puolelta...
|
|
|
|
 |
|
laakeri
|
Viestin otsikko: Re: C5 Takapyöränlaakeri Lähetetty: 06.06.2013 08:47 |
Viestit: 7490 Paikkakunta: Taipalsaari
|
ealab kirjoitti: Mikään ei estä tekemästä rasvalisäystä laakeria/napaa uusittaessa. Koska näyttäisi olevan melko minimaalisesti alunperin. Rasva maksaa. Hajoituskuvassa osa 2, akseli on tavallaan piirretty "väärälle" puolelle, koska akseli tyrkätään toiselta puolelta... Ainakin Xantian takapyöränlaakerissa oli rasvaa valmiiksi niin vähän, että sitä on ilmeisesti ihan tarkoitettu lisättävän asennusvaiheessa. Ja takapyöränlaakerien rasvamäärän tarkastushan olisi muutenkin hyvä tehdä vuosittain.
VW Passat B7
|
|
|
|
 |
|
kaselin
|
Viestin otsikko: Re: C5 Takapyöränlaakeri Lähetetty: 06.06.2013 08:53 |
Viestit: 1593 Paikkakunta: Tampere
|
|
C5sen laakerin poskilevyistä toinen on magneettinen en menis sitä ainakaan ronkkiin auki jos vioittuu voi olla ettei ABS toimi.
C5 1,8 Break -03 Peugeot Expert TD -00 Honda GL1800 -08 edesmenneet 2CV4 -72 2CV6 -82 Peugeot Satelis 500 -08
|
|
|
|
 |
|
dieselflosse
|
Viestin otsikko: Re: C5 Takapyöränlaakeri Lähetetty: 18.06.2013 15:08 |
Viestit: 755 Paikkakunta: Nurmijärvi
|
|
Tuli keskiö vahdettua. Pulma meinasi syntyä satulan reilun 10cm kiinnityspulteista. Toinen ei meinannut aueta millään. Lämpöä ja koputtelua, niin saatiin sen verran auki, että satula kääntyi tarpeeksi levyn irroittamiseksi. Olisi pitänyt alkaa WD-40:sen roiskuttelu muutamaa päivää aiemmin...
Vai onko jollakulla muita hyviä kikkoja tiedossa pulttien katkeamisen estoon?
Terveisin Tero, Taaborin tuunaaja, vintage-autoilija
|
|
|
|
 |
|
svc
|
Viestin otsikko: Re: C5 Takapyöränlaakeri Lähetetty: 18.06.2013 15:14 |
Viestit: 4073 Paikkakunta: Eteläkärki
|
dieselflosse kirjoitti: Vai onko jollakulla muita hyviä kikkoja tiedossa pulttien katkeamisen estoon? Ne pultit on liimattu kiinni siihen satulaan, eli lämpöä vaan. Samoin ne pitäisi myös liimata takaisin asennuksen jälkeen. Korjaamomanuaali taisi antaa tarkan liimatyypinkin. Kuivatus vaati useamman tunnin lämpölampun kanssa.
"Pitäähän miehellä leluja olla..." C5 2.0 HDi -11, Seat León eHybrid -21
|
|
|
|
 |
|
dieselflosse
|
Viestin otsikko: Re: C5 Takapyöränlaakeri Lähetetty: 18.06.2013 15:57 |
Viestit: 755 Paikkakunta: Nurmijärvi
|
svc kirjoitti: Ne pultit on liimattu kiinni siihen satulaan, eli lämpöä vaan. Siis oikeasti satulaan, koko pultin matkalta? Vai pelkästään kierteen osalta satulan taakse?
Terveisin Tero, Taaborin tuunaaja, vintage-autoilija
|
|
|
|
 |
|
kaselin
|
Viestin otsikko: Re: C5 Takapyöränlaakeri Lähetetty: 18.06.2013 16:48 |
Viestit: 1593 Paikkakunta: Tampere
|
|
Ne pultit on liimattu kiinni siihen satulaan, eli lämpöä vaan. Samoin ne pitäisi myös liimata takaisin asennuksen jälkeen.
Ja minkähän takia ? senkö että sais ostaa uudet kamppeet aina irrotusen jälkeen? kyllä tommonen mötti pysyy kiinni ihan sillä kun vääntää ne pultit kiinni, tai on mun koslassa ainakin pysyny.
C5 1,8 Break -03 Peugeot Expert TD -00 Honda GL1800 -08 edesmenneet 2CV4 -72 2CV6 -82 Peugeot Satelis 500 -08
|
|
|
|
 |
|
svc
|
Viestin otsikko: Re: C5 Takapyöränlaakeri Lähetetty: 18.06.2013 18:24 |
Viestit: 4073 Paikkakunta: Eteläkärki
|
dieselflosse kirjoitti: svc kirjoitti: Ne pultit on liimattu kiinni siihen satulaan, eli lämpöä vaan. Siis oikeasti satulaan, koko pultin matkalta? Vai pelkästään kierteen osalta satulan taakse? Koko matkalta satulaan. Ne pienet reiä't siinä satulassa pulttien kohdalla ovat liimausta varten. Tulleet rpo 8897 alkaen. Satulan pulttien oikea momentti on 63 - 77 Nm. Satulan ja tukivarren väliin suositellaan Formajoint 510 nimistä tiivisteliimaa. Satulan pultit pitäisi sumuttaa Loctite 7694 aktivaattorilla ja kiristyksen jälkeen niistä rei'istä painetaan sisään Loctite 121078, ja sitten vielä pikakuivatus aktivaattorilla niiden reikien kohdalta. Nämä aineet ovat siis PSA:n suosituksia mutta varmasti muillakin valmistajilla löytyy vastaavia ruuvilukitteita. Kovettuminen 75 asteen lämmössä 2 tuntia, ilman lämmitystä 12 tuntia. Miksi liimaus? Ei tietoa. Ehkäpä ne satulat eivät ole jossain olosuhteissa pysyneet kiinni tarpeeksi hyvin. Lukite ainakin estänee sen pultin ja satulan välisen syöpymisen.
Viimeksi muokannut svc päivämäärä 18.06.2013 18:26, muokattu yhteensä 1 kerran
"Pitäähän miehellä leluja olla..." C5 2.0 HDi -11, Seat León eHybrid -21
|
|
|
|
 |
|
maddis
|
Viestin otsikko: Re: C5 Takapyöränlaakeri Lähetetty: 18.06.2013 18:25 |
Viestit: 197 Paikkakunta: Ylöjärvi
|
|
Sillä pyritään korjaamaan suunnitteluvirhettä jonka johdosta satula vääntyy kieroon. Tukivarren ja satula metallit reagoi keskenään ja satula vääntyy kieroon.
|
|
|
|
 |
|
|