|
| Kirjoittaja |
Viesti |
|
Plagu
|
Viestin otsikko: Re: C5 II HDi 136 ongelmanratkontaa Lähetetty: 01.04.2016 08:12 |
Viestit: 945 Paikkakunta: Vihti
|
|
No rähmä että ecun vaihto oli turhaa, jos tuon lämppäripaneeli korrelaation olisi hiffannut heti niin olisi säästynyt turhalta, mtään magneettivenoja tai antureita on ihan turha vaihdella tässäkohdin. Bsm on hyvä arvaus ja kuten jankos sanoi riittää että tuo bsm numero täsmää.
Katsele nyt vielä perinteiset maapisteet yms läpi varmuudeksi vaikka tuskin se vika niissä onkaan.
|
|
|
|
 |
|
Teuski
|
Viestin otsikko: Re: C5 II HDi 136 ongelmanratkontaa Lähetetty: 01.04.2016 08:30 |
Viestit: 7850 Paikkakunta: Eurajoki
|
|
No niinpä. Mutta silloin kaksi kertaa kokeilin kylmänä että heti sammui ja sen jälkeen kun ECUa lämmitti kuumailmapuhaltimella alkoi toimimaan ainakin vähäksi aikaa. Sama juttu jos nollasi viat Lexialla. Eilen uudella ECUlla kokeillessa ei lämmitys enää auttanut. Kokeilin myös BSM:ää lämmittää.
Maadoituksiakin olen käynyt läpi, mutta tuon edellisen huomioiden olisi aika outoa jos vika olisi niissä.
Tosiaan kunnolla lämmettyään vikailu on tähän mennessä poistunut. Itse en lämpimässä kelissä ole vielä kokeillut, mutta ei se paljosta kiinni ole jos jo muutamalla plusasteella toimii normaalisti.
-=Citroën - Yhtä mukava kuin hyvä nojatuoli. Mutta parempi ajaa.=- -=C-Crosser 2.2HDi '07|C4 Cactus BlueHDi100 ETG '16=-
|
|
|
|
 |
|
Plagu
|
Viestin otsikko: Re: C5 II HDi 136 ongelmanratkontaa Lähetetty: 01.04.2016 15:47 |
Viestit: 945 Paikkakunta: Vihti
|
|
Ne rele virityksethän on siellä sen takia kun se ajonaikanen lisälämmitin on muutettu kello toimiseksi. Se yksi katkoo sitä lämppäripaneelin virtaa sen takia että jos sitä ei katkota niin auto sulkee virran katkasun jälkeen lämmityslaitteen läpät eikä weba saisi sisätilaa lämpiämään. Ohjaus tuolle releelle on tässä tapauksessa mitä ilmeisemmin rosvottu moottoriohjauksen syötöltä. Kannattaa tarkistaa noitten releitten kytkentä tarkkaan koska jos siellä on huonoja liitoksia tai muuta epämääräisyyttä tekee varmasti hassuja vikoja. Toisekseen kun paikallistat sen paneelin ohjausreleen niin voisit koittaa tuupata virrat suoraan sen ohjausnastaan ja katsoa katoaako vika.
|
|
|
|
 |
|
jean-michel
|
Viestin otsikko: Re: C5 II HDi 136 ongelmanratkontaa Lähetetty: 01.04.2016 18:21 |
Viestit: 1293 Paikkakunta: Espoo
|
Ajallisesti se voisi hyvin olla tuossa ohjauspaketissa, nimittäin sisäpuhalluksen ohjaus luopui yhteistyöstä n. puoli vuotta ennen kuin nykyinen mysteeri alkoi, eli joka tapauksessa siellä on heikkoa kontaktia/toimimattomia releitä. Kellon kanssahan on tarkoitus käynnistyä sisäpuhallin. Samoin nyt tilanne tuon weban suhteen on se että käynnistyminen tapahtuu vasta kun auto on lämmin 
"Viisas ihminen ei joudu tilanteisiin, joista älykäs selviytyy, mutta kummalla on kivempaa?"
Cx 25 Gti turbo, 2 X XM V6-24 3 x XM V6-12, C5 2,0 16v Exc. T., C6 2,7 exc. , renault midliner 1991, renault master Maxi 2008
|
|
|
|
 |
|
Teuski
|
Viestin otsikko: Re: C5 II HDi 136 ongelmanratkontaa Lähetetty: 01.04.2016 19:33 |
Viestit: 7850 Paikkakunta: Eurajoki
|
|
Mutta vika säilyy vaikka weban kaikki releet ja sulakkeet irrottaa. Silloin myös lämppärin ohjauspaneeli on mykkänä.
-=Citroën - Yhtä mukava kuin hyvä nojatuoli. Mutta parempi ajaa.=- -=C-Crosser 2.2HDi '07|C4 Cactus BlueHDi100 ETG '16=-
|
|
|
|
 |
|
Plagu
|
Viestin otsikko: Re: C5 II HDi 136 ongelmanratkontaa Lähetetty: 01.04.2016 19:37 |
Viestit: 945 Paikkakunta: Vihti
|
|
Tottakai säilyy ymmärsitkö lainkaan mitä tarkoitin tai tuota kytkennän toimintaa?
|
|
|
|
 |
|
Jankos
|
Viestin otsikko: Re: C5 II HDi 136 ongelmanratkontaa Lähetetty: 01.04.2016 20:27 |
Viestit: 1229 Paikkakunta: Jokioinen
|
|
Ihan hyvin selvitetty. Mutta pätkiikö tuo lämppärillekin tulevia sähköjä sen takia että se releytyksen ohjauskin pätkii? Mikä voisi olla sama sähkö mikä aiheuttaa ne ecu ongelmatkin?
Saxo vts v1600, Peugeot 2008 E-hdi 115 allure, Ducato 2.3jtd retkis, Ducato 180 multijet huoltoautona, Saxo TU5JP4T projekti.
|
|
|
|
 |
|
Teuski
|
Viestin otsikko: Re: C5 II HDi 136 ongelmanratkontaa Lähetetty: 01.04.2016 21:12 |
Viestit: 7850 Paikkakunta: Eurajoki
|
Plagu kirjoitti: Tottakai säilyy ymmärsitkö lainkaan mitä tarkoitin tai tuota kytkennän toimintaa? Joo, nyt kun luin rauhassa läpi Plagu kirjoitti: Tottakai säilyy ymmärsitkö lainkaan mitä tarkoitin tai tuota kytkennän toimintaa? Joo, nyt kun luin rauhassa läpi  Sen siitä saa kun kaiken muun lomassa nopeasti kännykällä vilkuilee ja vastailee...
-=Citroën - Yhtä mukava kuin hyvä nojatuoli. Mutta parempi ajaa.=- -=C-Crosser 2.2HDi '07|C4 Cactus BlueHDi100 ETG '16=-
|
|
|
|
 |
|
Teuski
|
Viestin otsikko: Re: C5 II HDi 136 ongelmanratkontaa Lähetetty: 01.04.2016 23:00 |
Viestit: 7850 Paikkakunta: Eurajoki
|
|
Noniin, tuli pengottua noi ebaston ohjaukset läpikotaisin. Voin niistä kuvankin piirrellä jos saan aikaiseksi.
Yksi rele ohjaa paneelia kytkemällä sieltä tulevat kaksi johtoa yhteen. Kaksi muuta on puhaltimen ja kiertovesipumpun ohjaukselle kellolla.
Paneelin releen ohjaus tulee BSM:n noir-liittimen pin4:stä, harmaalta johdolta. Numero on ehkä 1248. Tuo siellä selvästi pätkii, koska suoralla virralla tuota relettä ohjaamalla lämmönsäätöpaneeli ei putoa pelistä vaikka auto räpsii ecun virtoja.
Tähän hätään mulla ei ole kytkistä, mutta jollakulla varmaankin on? Vika siis vaikuttaisi aika selkeästi olevan BSM:ssä koska siellä joku rele naksuu virtojen pätkiessä.
Webaston kello vaikuttaisi olevan rikki. Pitääkin koittaa Jumpyn kellolla.
-=Citroën - Yhtä mukava kuin hyvä nojatuoli. Mutta parempi ajaa.=- -=C-Crosser 2.2HDi '07|C4 Cactus BlueHDi100 ETG '16=-
|
|
|
|
 |
|
Plagu
|
Viestin otsikko: Re: C5 II HDi 136 ongelmanratkontaa Lähetetty: 01.04.2016 23:14 |
Viestit: 945 Paikkakunta: Vihti
|
|
Ei kellään ole lähistöllä vastaavaa autoa josta saisi bsm:n lainaksi niin äkkiähän tuon diagnoosin saisi lyötyä lukkoon.
|
|
|
|
 |
|
Teuski
|
Viestin otsikko: Re: C5 II HDi 136 ongelmanratkontaa Lähetetty: 01.04.2016 23:26 |
Viestit: 7850 Paikkakunta: Eurajoki
|
|
En ainakaan tiedä. Netistä hakemalla tuo kyseinen BSM vaikuttaa kohtuu harvinaiselta. Huomenna pitäisi tulla tieto yhden lähellä purettavana olevan '05 vastaavan BSM:n tyypistä.
-=Citroën - Yhtä mukava kuin hyvä nojatuoli. Mutta parempi ajaa.=- -=C-Crosser 2.2HDi '07|C4 Cactus BlueHDi100 ETG '16=-
|
|
|
|
 |
|
Teuski
|
Viestin otsikko: Re: C5 II HDi 136 ongelmanratkontaa Lähetetty: 02.04.2016 12:06 |
Viestit: 7850 Paikkakunta: Eurajoki
|
|
Löytyykö keneltäkään Haynesia parempia kuvia kakkoskoppaisen femman BSM:n kytkennöistä?
-=Citroën - Yhtä mukava kuin hyvä nojatuoli. Mutta parempi ajaa.=- -=C-Crosser 2.2HDi '07|C4 Cactus BlueHDi100 ETG '16=-
|
|
|
|
 |
|
cxtuning
|
Viestin otsikko: Re: C5 II HDi 136 ongelmanratkontaa Lähetetty: 02.04.2016 12:22 |
Viestit: 32 Paikkakunta: Tampere
|
|
Vikakoodit auttaisi paljon ongelman ratkaisussa. Mitähän koodeja siellä on?
C3 shine - 18, bx sport ( turbo)-85, gs -76
|
|
|
|
 |
|
Plagu
|
Viestin otsikko: Re: C5 II HDi 136 ongelmanratkontaa Lähetetty: 02.04.2016 12:42 |
Viestit: 945 Paikkakunta: Vihti
|
|
No ei auta kyllä vikakoodit tämän selvittelyssä sen enempää mitä tässä on jo käsitelty.
|
|
|
|
 |
|
Teuski
|
Viestin otsikko: Re: C5 II HDi 136 ongelmanratkontaa Lähetetty: 02.04.2016 12:46 |
Viestit: 7850 Paikkakunta: Eurajoki
|
Eipä auta ei ja onhan niitäkin tässä listattu  BSM löytyi, ei vaan taida itsellä olla aikaa hakea ennen kuin ens viikonloppuna...
-=Citroën - Yhtä mukava kuin hyvä nojatuoli. Mutta parempi ajaa.=- -=C-Crosser 2.2HDi '07|C4 Cactus BlueHDi100 ETG '16=-
|
|
|
|
 |
|
Teuski
|
Viestin otsikko: Re: C5 II HDi 136 ongelmanratkontaa Lähetetty: 03.04.2016 11:49 |
Viestit: 7850 Paikkakunta: Eurajoki
|
|
Toinen BSM kiinni, tilanne sama.
Nyt pitäisi tietää mikä tuo pätkivä piuha on, ja mihin se BSM:ltä menee.
Ettei nyt vaan BSIn vaihtoa pitäisi seuraavaksi kokeilla... BSM:n luovuttaja on vastaavanlainen '05 mutta ECU on eri numerolla. Uskaltaiskohan sellaisella ECU+BSI -yhdistelmällä yrittää? Jos toimii sillä niin alkuperäisestä ECUsta ajonesto pois ja se kiinni?
Kai BSItäkin on eri versioita?
-=Citroën - Yhtä mukava kuin hyvä nojatuoli. Mutta parempi ajaa.=- -=C-Crosser 2.2HDi '07|C4 Cactus BlueHDi100 ETG '16=-
|
|
|
|
 |
|
Teuski
|
Viestin otsikko: Re: C5 II HDi 136 ongelmanratkontaa Lähetetty: 04.04.2016 11:22 |
Viestit: 7850 Paikkakunta: Eurajoki
|
|
Sain BSMn, ECUn ja BSIn kytkentäkaaviot FrenchCarForumin kautta.
BSM:n 28pin noir-liittimen pin4 harmaa johto 1248, jolta lämppäripaneelin rele saa ohjauksen menee pa-suodattimen päällä olevalle anturille. Eikös se ole vesianturi? Kuvan mukaan se maadoittuu kun vettä on polttoaineen seassa. Pitääpä kokeilla mitä tapahtuu, kun irrotan liittimen. Mitä normaalisti pitäisi tapahtua jos tuo anturi aktivoituu?
Sillä anturilla on yhteinen maapiste (MC12) hehkureleen ja useammen ECUn nastan kanssa. Sitä sitten seuraavaksi etsimään, näyttäisi olevan siinä jousipallon vieressä...
-=Citroën - Yhtä mukava kuin hyvä nojatuoli. Mutta parempi ajaa.=- -=C-Crosser 2.2HDi '07|C4 Cactus BlueHDi100 ETG '16=-
|
|
|
|
 |
|
jean-michel
|
Viestin otsikko: Re: C5 II HDi 136 ongelmanratkontaa Lähetetty: 04.04.2016 13:46 |
Viestit: 1293 Paikkakunta: Espoo
|
|
Yksi lXXXn virhelimoituksista viittasi veteen polttoaineen joukossa. Tosin se on kirjaantunut jo hyvän aikaa sitten.
"Viisas ihminen ei joudu tilanteisiin, joista älykäs selviytyy, mutta kummalla on kivempaa?"
Cx 25 Gti turbo, 2 X XM V6-24 3 x XM V6-12, C5 2,0 16v Exc. T., C6 2,7 exc. , renault midliner 1991, renault master Maxi 2008
|
|
|
|
 |
|
Teuski
|
Viestin otsikko: Re: C5 II HDi 136 ongelmanratkontaa Lähetetty: 04.04.2016 14:23 |
Viestit: 7850 Paikkakunta: Eurajoki
|
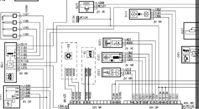
Se anturi on FrenchCarForumin tyypin mukaan polttoaineen lämmitysvastus. Kuvassa ylhäällä keskellä, yksikkö 1276. Siinä näkyy tuo johdin 1248 jokaa tulee BSM:ltä. Sori vaan, kuva on poikittain jotta sain liitteeksi liitettyä  Ajattelin seuraavaksi kokeilla tuo liitin irrotettuna ja jos sekään ei auta niin toista hehkurelettä. Jotain plugs never supplied-herjaa siellä myös välillä on. Kai tossa jotain jälkihehkua on, josko vika johtuisi siitä kun lämpimänä toimii. edit: päteeköhän tämän linkin mukainen jälkihehkun ohitus tässä moottorissa?: http://www.sitruunapatonki.fi/forum/viewtopic.php?f=9&t=3351&p=30978#p30978
| Liitteet: |

c5_kuva1.jpg [ 82.47 KiB | Katsottu 14048 kertaa ]
|
-=Citroën - Yhtä mukava kuin hyvä nojatuoli. Mutta parempi ajaa.=- -=C-Crosser 2.2HDi '07|C4 Cactus BlueHDi100 ETG '16=-
|
|
|
|
 |
|
Teuski
|
Viestin otsikko: Re: C5 II HDi 136 ongelmanratkontaa Lähetetty: 05.04.2016 07:35 |
Viestit: 7850 Paikkakunta: Eurajoki
|
|
Eihän se liittimen irrotus mitään auttanut. Eipä sille kyllä harmaata johtoa tullut...
-=Citroën - Yhtä mukava kuin hyvä nojatuoli. Mutta parempi ajaa.=- -=C-Crosser 2.2HDi '07|C4 Cactus BlueHDi100 ETG '16=-
|
|
|
|
 |
|
Teuski
|
Viestin otsikko: Re: C5 II HDi 136 ongelmanratkontaa Lähetetty: 09.04.2016 11:09 |
Viestit: 7850 Paikkakunta: Eurajoki
|
|
Missä tossa oikein mahtaa olla kampuran asentotunnistin? Servicekään ei tarkenna sijaintia.
Jos on kytkinkopan päällä niin on kyllä niin perhanan ahtaassa välissä... Alapuoleltako pitää etsiä?
-=Citroën - Yhtä mukava kuin hyvä nojatuoli. Mutta parempi ajaa.=- -=C-Crosser 2.2HDi '07|C4 Cactus BlueHDi100 ETG '16=-
|
|
|
|
 |
|
Plagu
|
Viestin otsikko: Re: C5 II HDi 136 ongelmanratkontaa Lähetetty: 09.04.2016 14:35 |
Viestit: 945 Paikkakunta: Vihti
|
|
siellä se lootan päällä on mutta ei sekään tee tuollaista.
|
|
|
|
 |
|
Teuski
|
Viestin otsikko: Re: C5 II HDi 136 ongelmanratkontaa Lähetetty: 09.04.2016 15:03 |
Viestit: 7850 Paikkakunta: Eurajoki
|
|
Eipä pitäisi tehdä niin, mutta kaikkea pitää kokeilla kun mikään ei tähän vielä ole auttanut...
-=Citroën - Yhtä mukava kuin hyvä nojatuoli. Mutta parempi ajaa.=- -=C-Crosser 2.2HDi '07|C4 Cactus BlueHDi100 ETG '16=-
|
|
|
|
 |
|
Teuski
|
Viestin otsikko: Re: C5 II HDi 136 ongelmanratkontaa Lähetetty: 09.04.2016 15:44 |
Viestit: 7850 Paikkakunta: Eurajoki
|
|
Olisko vaikka kuvaa ruosta sijainnista? Siis manuaalissa. Ilmanputsarikotelo on irti eikä edes käsikopelolla löydy.
-=Citroën - Yhtä mukava kuin hyvä nojatuoli. Mutta parempi ajaa.=- -=C-Crosser 2.2HDi '07|C4 Cactus BlueHDi100 ETG '16=-
|
|
|
|
 |
|
toiras
|
Viestin otsikko: Re: C5 II HDi 136 ongelmanratkontaa Lähetetty: 09.04.2016 18:45 |
Viestit: 150
|
|
Tunnistin pitäisi löytyä kampiakselin apulaite hihnapyörän sivusta.
|
|
|
|
 |
|
|