sitikkakuski kirjoitti:
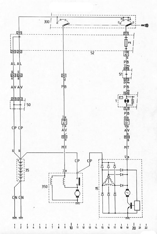
Sammutin moottorin ja latauksen merkkivalo syttyi ja jäi palamaan, vaikka otin avaimenkin pois virtalukosta.
xmfani kirjoitti:
Epäilen et laturin hiilet lopussa,tai herätin johto saa maata
Tuota... eikö sinne merkkivalon toisellekin nastalle tarvittaisi jotain?
