|
| Kirjoittaja |
Viesti |
|
sitromaksi
|
Viestin otsikko: Re: Hydrauliputkityökalu Lähetetty: 17.11.2009 23:14 |
Viestit: 53 Paikkakunta: joensuu
|
|
Jos ois hyvät mittakuvat, niin saattais tuo tekeminen onnistua.
|
|
|
|
 |
|
Tulsku
|
Viestin otsikko: Re: Hydrauliputkityökalu Lähetetty: 18.11.2009 08:28 |
Viestit: 1590 Paikkakunta: Lappeenranta
|
|
Näilläkin nurkilla ollaan vähän odoteltu niitä piirrustuksia, saataisiin kyllä teetettyä vaikka useampikin kappale...
C6 3.0 HDi ('09), C5 2.0 HDi Break ('05), CX 20 Pallas ('83)
|
|
|
|
 |
|
sitromaksi
|
Viestin otsikko: Re: Hydrauliputkityökalu Lähetetty: 18.11.2009 21:54 |
Viestit: 53 Paikkakunta: joensuu
|
|
Mulla on pari cnc työstökeskusta ja cnc sorveja ,joten tekemisen luulisin onnistuvan,mutta suunnittelussa tarviivsin kyllä apua. Jos niitä kuvia sais ,niin olis hyvä jos olisivat sellaisessa tiedostomuodossa että autocad saisi niistä jotain tolkkua. Olen kyllä tietoinen minkä näkönen tuo putken pää on,mutta mulla ei ole yhtään irtokappaletta josta sais mittoja.
|
|
|
|
 |
|
Tarksu
|
Viestin otsikko: Re: Hydrauliputkityökalu Lähetetty: 19.11.2009 00:44 |
Viestit: 14
|
|
|
|
 |
|
Tarksu
|
Viestin otsikko: Re: Hydrauliputkityökalu Lähetetty: 19.11.2009 18:38 |
Viestit: 14
|
|
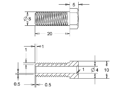
Tässä hydrauliputken pään ja sen ruuvin piirrustukset.
Mitat otettu omasta putkesta joka on tehty Sitrosella. Mittasin työntömitalla, joten eivät välttämättä aivan absoluuttiset.
En tiedä sitten onko tuo putken pään 4mm pitkä ohennus (3.8 -> 3-6) tehty tarkoituksella, vai johtuuko se valmistustekniikasta.
| Liitteet: |
Tiedoston kommentti: Putken pää

hydrauliputki.png [ 48.01 KiB | Katsottu 21048 kertaa ]
|
Tiedoston kommentti: Ruuvi

hydrauliputkiruuvi.png [ 102.05 KiB | Katsottu 21041 kertaa ]
|
|
|
|
|
 |
|
Tarksu
|
Viestin otsikko: Re: Hydrauliputkityökalu Lähetetty: 19.11.2009 19:00 |
Viestit: 14
|
Tarksu kirjoitti: Mitat otettu omasta putkesta joka on tehty Sitrosella. Mittasin työntömitalla, joten eivät välttämättä aivan absoluuttiset. Ja heti korjaamaan että tuosta putkestahan löytyy merkintä "3.5 mm * 0.71 mm", eli 3.5 mm ulkohalkaisija ja 0.71 mm seinämänvahvuus. Oikea sisähalkaisija tällöin on 2.08 mm.
|
|
|
|
 |
|
sitromaksi
|
Viestin otsikko: Re: Hydrauliputkityökalu Lähetetty: 19.11.2009 20:19 |
Viestit: 53 Paikkakunta: joensuu
|
|
Ymmärsinkö oikein ,etttä tuossa on paikat kahdelle putkikoolle. Minkälaista pitäisi materiaali olla?Varmaanvoisi koetyökalun tehdä jostain tavallisesta työkaluteräksestä, jos toimii niin kattelis sitten parempia aineita ja mahollista karkasua.
|
|
|
|
 |
|
kokemjne
|
Viestin otsikko: Re: Hydrauliputkityökalu Lähetetty: 19.11.2009 20:43 |
Viestit: 4706 Paikkakunta: 05460 Hyvinkää
|
 HURRAA. nyt ovat insinjöörit viimeinkin siinä hommassa mikä heille kuuluu. seuraan mielenkiinolla lopputulosta. kannattaa kuitenkin varmistaa lopputuloksen toimivuus KÄYTÄNNÖSSÄ ennen tuotteen lanseeraamista yleiseen käyttöön. ettei kävisi kuten USEILLE tuloksille ,joissa ei ole otettu huomioon loppukäyttäjän kokemuksia tuotteesta käytännössä. suosittelen KAIKILLE " insinööreille , dipl. ja ilman, " seurustelua loppukäyttäjien kanssa , ja saatujen palautteitten mukaan muuntamaan /sovittamaan tuotetta saatujen kokemusten mukaiseksi. 
|
|
|
|
 |
|
rmattila
|
Viestin otsikko: Re: Hydrauliputkityökalu Lähetetty: 19.11.2009 22:34 |
Viestit: 852 Paikkakunta: VT 2
|
|
Jonain unettomana yönä tuli mieleen semmoinen putkityökalukonstruktio, jossa tuo 3,5 mm reikä päätyseeveineen olisi porattu M14 pultin läpi. Pultti olisi sitten halkaistu keskilinjaa pitkin neljään osaan, M14 jenka sorvattu sileäksi, ja tilalle sorvattu inansa tyveä kohti paksuneva (=kartiokas) M12 jenka. Klunssattavan putken lukitus tapahtuisi kiertämällä tähän ruuvin tyveä kohti paksunevaan kartiojenkaan M12 holkkimutteri, joka kiristäisi pultin putken ympärille ja muodostaisi samalla jengan pienemmälle ruuville, jota kiertämällä painettaisiin sopivasti laakeroidun painotyökalun avulla putken pää sisään.
Mitä pahempi paikka, sitä pitempi jenka. http://mattila.puheenvuoro.uusisuomi.fi/ http://alstuttu.org/
|
|
|
|
 |
|
sitromaksi
|
Viestin otsikko: Re: Hydrauliputkityökalu Lähetetty: 20.11.2009 21:08 |
Viestit: 53 Paikkakunta: joensuu
|
Tarksun ja Masan kuvien myötä tuli mieleen että,jos haluaisi tehdä päitä putkeen auton alla(elekkee nyt naurako) niin jatkaisi vähän tuota lyöntituurnan puolta ja tekis tuurnasta vain lyhyen jämän ,ja runko-osaan tuurnan jatkeeksi pieninousuisen kierteen johon käyvällä pultilla painamalla tuurnaa korvaisi vasaran. 
|
|
|
|
 |
|
Tarksu
|
Viestin otsikko: Re: Hydrauliputkityökalu Lähetetty: 21.11.2009 00:47 |
Viestit: 14
|
|
|
|
 |
|
Tarksu
|
Viestin otsikko: Re: Hydrauliputkityökalu Lähetetty: 21.11.2009 00:48 |
Viestit: 14
|
|
Ja vielä ruuvi edelliseen.
| Liitteet: |

putkityokalu3_ruuvi.png [ 50.08 KiB | Katsottu 21066 kertaa ]
|
|
|
|
|
 |
|
rmattila
|
Viestin otsikko: Re: Hydrauliputkityökalu Lähetetty: 21.11.2009 11:53 |
Viestit: 852 Paikkakunta: VT 2
|
|
Tietoa ei ole yhtään, mutta vahva tunne, että edellisen kuvan tapaisella ruuvilla olisi liikaa kitkaa, ja vääntäisi putken pään sen takia solmuun. Tätä kiertymispyrkimystä voisi pienentää laakeroimalla putken päätä painavan tuurnan ruuviin. Yksinkertaisimmillaan asettaisi putken päähän edellä kuvatun lyömätyökalun pään muotoisen palan, sitten pistäisi laakerihaulin tms. kuulan sen päälle, ja painaisi ruuvilla tätä kuulaa. Vähentäisi ruuvin taipumusta vääntää putken päätä mukanaan, jos tuo osoittautuu ongelmaksi.
Mitä pahempi paikka, sitä pitempi jenka. http://mattila.puheenvuoro.uusisuomi.fi/ http://alstuttu.org/
|
|
|
|
 |
|
sitromaksi
|
Viestin otsikko: Re: Hydrauliputkityökalu Lähetetty: 21.11.2009 21:59 |
Viestit: 53 Paikkakunta: joensuu
|
|
tarkoitin juuri tätä, minkä rmattila sanoiksi puki ,jos putken muotoilupää olisi erillinen pätkä ja sitä painettaisiin ruuvilla ,niin putken kiertyminen ruuvin mukana saattaisi poistua. Työkalun olemus alkaa pikkuhiljaa hahmottua.En ole tehnyt enkä tarvinnut yhtään putkea tähan mennessä.edellisellä sitikalla ajoin 6v mutta nykyinen viimme kesän hankinta taitaa muodostua projektiksi ja näyttää siltä ettäputkityökalua tarvitaan ennen kevättä. Jos saadaan kaikkien kokemusten myötä mietityksi toimiva kalu, niin voin tehdä niitä kyllä muillekin.
|
|
|
|
 |
|
Tarksu
|
Viestin otsikko: Re: Hydrauliputkityökalu Lähetetty: 23.11.2009 22:59 |
Viestit: 14
|
Tämmöinen tuli tuossa tehtyä, lainasin hieman Beksi87:n ideaa tuon kiristyskartion suhteen. Toivottavasti kuva on riittävän havainnollinen. Muutaman värikuvankin laitoin. Osa 1 on pääty, ulkopinnalla kierre, sisäpuolelta kartio. Osassa 2 samanlainen kartiopinta kuin osan 1 sisäpinnalla, mutta hieman suurempana. Jaettu neljään osaan. Osa 3 on hydrauliputki. Osaan 4 tulee hydrauliputken pää, jonka se muotoilee samalla. Tukeutuu painelaakeriin. Nummero 5 on painelaakeri. Estää osan 4 eli putken pään kiertymisen osan 6 suhteen. Osa 6 on päätypala, sisäpinnalla osaan 1 sopiva kierre. Osissa 1 ja 6 kuusiokannat; voi joko kiinnittää ruuvipenkkiin tai vääntää kahdella avaimella auton alla. Osat 4, 5 & 6 olisi mielekästä kiinnittää jotenkin toisiinsa. Samankeskisyyden voisi hoitaa syvennyksin tai keskitystapein. Rakenteen plussat: - voi tehdä putken päät auton alla - sopii erikokoisille putkille vaihtamalla osia 2 ja 4. - valmistusmateriaalin valinta melko vapaata - mahdollisuus automatisoida ts. rakentaa hydrauliputkenpäänmuotoilukone  Miinukset: - ei voi tehdä kotikonstein, vaatii konepajalaitteet - painelaakeri hankittava erikseen, tai keksittävä vastaava rakenne - neljä-osaisen kartioholkin palojen asettaminen oikein saattaa olla hankalaa auton alla Tästä voisi jatkokehitellä pienen alumiinista valmistetun käsityökalun, jota olisi kevyt käyttää auton allakin. Nykyisellään ulkohalkaisija on 30 mm, eli mielestäni melko kompakti. Kokonaispituus 80 mm.
| Liitteet: |

putkityokalu4_asm2.jpg [ 90.25 KiB | Katsottu 21120 kertaa ]
|
|
|
|
|
 |
|
mheinowl
|
Viestin otsikko: Re: Hydrauliputkityökalu Lähetetty: 28.11.2009 04:40 |
Viestit: 88 Paikkakunta: Suur- Kuusaa
|
|
Aikas mahtava juttu, että joku on keksinyt tällaistakin harrastajapiireissä! Mulla olis kanssa halua ostaa tuollainen jonkin ajan päästä, jos ei tule tolkuutoman kalliiksi, niin kuin se Sitrosen myymä versio.
|
|
|
|
 |
|
sahtivaari
|
Viestin otsikko: Re: Hydrauliputkityökalu Lähetetty: 28.11.2009 19:07 |
Viestit: 941 Paikkakunta: vihti
|
Tarvetta kyllä on meilläkin. 
|
|
|
|
 |
|
rmattila
|
Viestin otsikko: Re: Hydrauliputkityökalu Lähetetty: 29.11.2009 22:56 |
Viestit: 852 Paikkakunta: VT 2
|
Tuommoinen tuli tehtyä ja testattua. Inansa tuli liian iso seevi halkaistuun ruuviin, pitää vielä sorvailla puoli milliä sen päästä pois. Ja pieni kuoppa ulosvetäjän kuulaa varten M10 ruuvin kantaan. Muuten tuntuis toimivalta köyhän miehen ratkaisulta.
Mitä pahempi paikka, sitä pitempi jenka. http://mattila.puheenvuoro.uusisuomi.fi/ http://alstuttu.org/
|
|
|
|
 |
|
Tarksu
|
Viestin otsikko: Re: Hydrauliputkityökalu Lähetetty: 30.11.2009 00:41 |
Viestit: 14
|
rmattila kirjoitti: Tuommoinen tuli tehtyä ja testattua. Inansa tuli liian iso seevi halkaistuun ruuviin, pitää vielä sorvailla puoli milliä sen päästä pois. Ja pieni kuoppa ulosvetäjän kuulaa varten M10 ruuvin kantaan. Muuten tuntuis toimivalta köyhän miehen ratkaisulta. Varsin kekseliäs ratkaisu, halvat materiaalit ja kotikonstein pystyy tekemään jos saa reiät keskitettyä hyvin. Haittaako jos teen tuosta 3d-mallin? Voin pistää nimesi työpiirrustuksiin jotka voin sitten pistää tänne foorumille jakoon. Osaatko yhtään arvioida kuinka suuren vääntömomentin tuo ruuvin pohjaanpainaminen ulosvetäjällä vaati? Räikkää kuitenkin taisit käyttää ja ulosvetäjän ruuvi oli M12 standardinousulla? Lisäksi kuinka suuri tuli tuon palleron ulkohalkaisijasta, ja paljonko putki lyheni tämän seurauksena? Voisi tehdä hieman laskelmia näillä tiedoilla...
|
|
|
|
 |
|
rmattila
|
Viestin otsikko: Re: Hydrauliputkityökalu Lähetetty: 30.11.2009 00:59 |
Viestit: 852 Paikkakunta: VT 2
|
Tarksu kirjoitti: Varsin kekseliäs ratkaisu, halvat materiaalit ja kotikonstein pystyy tekemään jos saa reiät keskitettyä hyvin. Sorvilla sai helposti reiän suoraan, ja vannerautasahalla puolestaan ruuvin halki porauslinjaa pitkin. Ainoa enempi miettimistä vaatinut juttu oli ruuvin tuenta halkaisusahauksessa, onnistui hitsaamalla kantaan vähän lisää rautaa, jonka halkaisun jälkeen sahasin pois. Lainaa: Haittaako jos teen tuosta 3d-mallin? Voin pistää nimesi työpiirrustuksiin jotka voin sitten pistää tänne foorumille jakoon. Ei tietenkään haittaa, sitä varten tuon näytille paninkin, jos joku haluaa ajatusta lähteä kehittämään. Lainaa: Osaatko yhtään arvioida kuinka suuren vääntömomentin tuo ruuvin pohjaanpainaminen ulosvetäjällä vaati? Räikkää kuitenkin taisit käyttää ja ulosvetäjän ruuvi oli M12 standardinousulla? Räikkää käytin. Ulosvetäjässä on hienompi kierre kuin M12 standardinousu. Voimaa ei ihmeemmin tarvittu, hihasta vetäen 30-50 Nm. Halkaistun ruuvin seevi näytti tulevan puoli milliä liian iso (2,5 mm), ja sen seurauksena klunssille jää vähän liian iso kammio tekeytyä, ja voi halutessaan päästä hiukan nurjahtamaan. Seevausta varten terotin yhden poranterän varta vasten 45 asteen kärkikulmalle, kun sorvinterä ei oikein sovi noin pienen reiän reunaan jättökulmansa puolesta. Lainaa: Lisäksi kuinka suuri tuli tuon palleron ulkohalkaisijasta, ja paljonko putki lyheni tämän seurauksena? Palloa en tullut mitanneeksi, mutta reiän syvyys oli 13 milliä ja putkea jätin 15 milliä näkyviin, joten jos se ei ole luistanut, niin kaksi milliä lyheni.
Mitä pahempi paikka, sitä pitempi jenka. http://mattila.puheenvuoro.uusisuomi.fi/ http://alstuttu.org/
|
|
|
|
 |
|
Sitruunaseppä
|
Viestin otsikko: Re: Hydrauliputkityökalu Lähetetty: 01.12.2009 00:10 |
Viestit: 1242
|
|
Ulkomaisessa rallitallissa oli pitkävartiset pihdit, (voimaleikkurit tai pajatongit tuli mieleen) joiden leuat otti kiinni putken päästä. Kun pihtejä puristi, helmi pullistui leukojen väliseen rakoon. Putkesta piti kiinni kahtia halkaistu kartioholkki, tämä holkki istui pihdin leuan kartiokuopassa. Holkkeja oli sitten kaikille putkikoolle.
Holkki esikiristettiin putken päälle puristamalla leuat yhteen ilman loppupään vastakappaletta. Pihtien kartiokuopassa oli halkio, josta pihdit pujotettiin putken päälle sivusta; sitten kartioholkin puolikkaat paikalleen ja helmiä sai puristella mihin kohtaan vaan vaikka irrottamatta putkea. Aikaa tosin suttaantui ainakin 10 sekuntia/helmi.
Mistä sais Sitikan? Ne viedään käsistä?
|
|
|
|
 |
|
rmattila
|
Viestin otsikko: Re: Hydrauliputkityökalu Lähetetty: 01.12.2009 00:29 |
Viestit: 852 Paikkakunta: VT 2
|
Sitruunaseppä kirjoitti: Ulkomaisessa rallitallissa oli pitkävartiset pihdit [...] Aikaa tosin suttaantui ainakin 10 sekuntia/helmi. Se kun tuo Vani vanhojen kokemusten perusteella kumminkin taas päättää 23.12. julistaa yksipuolisen joulurauhan prätkähyttämällä turvaventtiililtä jarruventtiilille johtavan elämänlangan poikki keskellä Karkkilan ja Vorsan välistä räntäsateista kappaletta kauneinta Suomea, ei sitä aivan rajattomasti osaa surra, vaikka putken korjaamiseen menisi puolikin tuntia. Kunhan ei koko loppukahtasataakilometriä tarvi tehdä käsijarrun turvaamaa reipasta (kivi)rekiretkeä pohjaanlyöntikumien tarjoamasta sijaismukavuudesta väkinäisesti nautiskellen.
Mitä pahempi paikka, sitä pitempi jenka. http://mattila.puheenvuoro.uusisuomi.fi/ http://alstuttu.org/
|
|
|
|
 |
|
Tarksu
|
Viestin otsikko: Re: Hydrauliputkityökalu Lähetetty: 02.12.2009 00:22 |
Viestit: 14
|
|
Tässä piirrustukset tuohon rmattilan laitteseen. Noita ohjureita en huomannut vielä tehdä.
Ei oikein kuvasta selvinnyt minkä pituisia pultteja tai viisteitä käytit, laitoin tähän omaa silmää miellyttävän mittaiset. Lähinnä periaatekuvahan tämä vain on, vaikka toki näilläkin mitoilla toimivaa tulee. Ja noita viisteitähän saa myöhemminkin suurennettua, kuten teitkin jo. Joitain epäoleellisia mittoja jätin merkitsemättä.
Sain laskettua, että tarvitaan noin 22030 - 59170 Newtonin (2250 - 6030 kg:n) voima tähän operaatioon. Luku saattaa vaikuttaa suurelta, mutta eihän sen tarvitsekaan vaikuttaa kuin parin millin matkalla.
Käytin momentin arvoa 30 ... 50 Nm, kitkakertoimena 0,10 ... 0,18, M12-kierteelle nousua 1,25 mm (standardi 1,75 mm) ja kylkihalkaisijaa 11,188 mm. Tuon 10 mm tapin ja pultin välistä kitkaa en huomioinut.
(Lähteenä WSOY:n Koneenosien suunnittelu (Airila, Ekman, Hautala et al), taulukot 3.2.1-2 ja 3.2.6-1 sekä kaava 3.2.6-1)
Pitää vielä laskea kuinka suuret Sitruunasepän kuvaamat pihdit vaaditaan että näitä saa käsin tehtyä...
| Liitteet: |
Tiedoston kommentti: Kokoonpano

rmattila_putkityokalu_asm2.png [ 82.12 KiB | Katsottu 21054 kertaa ]
|

rmattila_putkityokalu_ylaruuvi.png [ 45.63 KiB | Katsottu 21036 kertaa ]
|

rmattila_putkityokalu_alaruuvi.png [ 41.31 KiB | Katsottu 21027 kertaa ]
|
|
|
|
|
 |
|
|