|
| Kirjoittaja |
Viesti |
|
mtkoskin
|
Viestin otsikko: Taas Xsara ongelmia ... Nyt ei tapahdu mitään Lähetetty: 05.03.2010 08:05 |
Viestit: 114 Paikkakunta: Piikkiö
|
|
Auto on lamppujen ja hehkujen vaihdon jälkeen siessyt tuossa pihassa. Ihan toimivana ja käynnistä sammutettuna se siihen jäi.
Nyt, kun vääntää avaimesta ei tapahdu mitään. Startti ei pyöri yms. Polttoainepumppu hyrrää takana hetken ja kaikki mittariston valot sammuu. That's it. Akun latasin yön yli, eli pitäis olla suht OK.
Olisko ideoita, mistä lähtis kaivamaan ratkaisua? Virtalukonpohja? Voiko sitä jotenkin testata?
Kokeilin kahdella eri avaimella, lopputulos oli ihan sama ...
Nyt täytyy pian jo alkaa vetää johtopäätöstä, että tuo auto ei pakkasta kestä. Aina kun hiukan pakkanen nousee niin auto oikuttelee.
--- Nick *mtkoskin=new beeäx-td(*reqs); Xsara 2.0 HDi Aut. Break -02 Mondeo 2.0i Sedan -95 Vålvå 850 TDi STW -97
|
|
|
|
 |
|
Tulsku
|
Viestin otsikko: Re: Taas Xsara ongelmia ... Nyt ei tapahdu mitään Lähetetty: 05.03.2010 08:27 |
Viestit: 1590 Paikkakunta: Lappeenranta
|
|
Äkkiseltään kuulostaa virtalukolta. Olikos niin, että noihin ei sitä pohjaa saa erikseen..?
C6 3.0 HDi ('09), C5 2.0 HDi Break ('05), CX 20 Pallas ('83)
|
|
|
|
 |
|
laakeri
|
Viestin otsikko: Re: Taas Xsara ongelmia ... Nyt ei tapahdu mitään Lähetetty: 05.03.2010 10:07 |
Viestit: 7490 Paikkakunta: Taipalsaari
|
|
Mittaa, tuleeko startin solenoidille jännite, kun yrität startata. Jos ei, niin vika ei ole ainakaan startissa. Noniin, sitten seuraavat tsekkaukset: - jos on startin herätepiirissä rele, vetääkö se? - piirin sulakkeet ok? - virtalukonpohja ok?
Virtalukkoja myydään todennäköisesti Xsaraankin tosiaan kokonaisina, mutta pelkän pohjan voinee vaihtaa silti siinäkin.
VW Passat B7
|
|
|
|
 |
|
txk
|
Viestin otsikko: Re: Taas Xsara ongelmia ... Nyt ei tapahdu mitään Lähetetty: 05.03.2010 10:14 |
Viestit: 119
|
|
Villi arvaus:
Oliko tuo automaatti? Oma automaatti Volcane temppuili samallalailla takavuosina. Virtaa oli, mutta kun avaimesta käänsi ei tapahtunut mitään muuta, kun että mittarivalot sammui. Oire alkoi juurikin pakkasilla ja silloin myös epäilin vekottimen kylmänsietoa. Lopulta syypääksi paljastui anturi vaihdelaatikossa. Se, joka estää käynnistyksen muissa kuin P tai N asennossa. Alkuun auttoi, kun vaihdevalitsinta siirteli edestakaisin ja aina välillä koitti. Lopulta ei sekään enää auttanut. Potikka vaihtoon ja taas toimi.
|
|
|
|
 |
|
black_van
|
Viestin otsikko: Re: Taas Xsara ongelmia ... Nyt ei tapahdu mitään Lähetetty: 05.03.2010 11:21 |
Viestit: 3152 Paikkakunta: Nummela
|
|
Kokeiles esim.meisselillä tai lenkkiavaimella (hanska käteen) lyömällä startin navat yhteen(virta päällä),niin starttaako. ainakin selviää onko vika startissa
Black Van BX 1.9D -90 Megane 1.9dci -10
|
|
|
|
 |
|
mtkoskin
|
Viestin otsikko: Re: Taas Xsara ongelmia ... Nyt ei tapahdu mitään Lähetetty: 05.03.2010 12:25 |
Viestit: 114 Paikkakunta: Piikkiö
|
|
Mahtavia ideoita! Kiitos niistä!
Auto on tosiaan automaatti ja vika voisi hyvinkin liittyä siihen, että vaihteisto luulee olevansa jossain muussa asennossa kuin P:llä tai N:llä. Aamulla kyllä yritin liikutella vaihdevipua edestakaisin, mutta se ei vaikuttanut käynnistykseen mitenkään. Summeri alkoi soimaan kun vaihde oli pois P:ltä tai N:ltä. Tämä voisi viitata siihen, että tuo ominaisuus kyllä toimii. Vai onko mahdollista, että summerille ja käynnistyksen ohjeukselle on omat anturinsa. Ei tietenkään mahdottomuus sekään ...
laakeri: Muistaakseni mitään naksahdusta ei kuulunut, kun yritin startata. Tämä voisi viitata siihen, että tuo startin rele ei vedä. Sähkökaavioista olin ymmärtävinäni, että piirissä on sekä rele, että sitten solenoidi toimii eräänlaisena releenä vielä kytkien startille "kovan" virran samalla kun vetää.
Yritämpä laittaa tuon sähkökaavion seuraavan viestin liitteksi, jos vaan onnistun.
--- Nick *mtkoskin=new beeäx-td(*reqs); Xsara 2.0 HDi Aut. Break -02 Mondeo 2.0i Sedan -95 Vålvå 850 TDi STW -97
|
|
|
|
 |
|
laakeri
|
Viestin otsikko: Re: Taas Xsara ongelmia ... Nyt ei tapahdu mitään Lähetetty: 05.03.2010 13:15 |
Viestit: 7490 Paikkakunta: Taipalsaari
|
mtkoskin kirjoitti: laakeri: Muistaakseni mitään naksahdusta ei kuulunut, kun yritin startata. Tämä voisi viitata siihen, että tuo startin rele ei vedä. Sähkökaavioista olin ymmärtävinäni, että piirissä on sekä rele, että sitten solenoidi toimii eräänlaisena releenä vielä kytkien startille "kovan" virran samalla kun vetää. Ei sitä releen naksahdusta välttämättä itse sisälle asti kuule. Solenoidin kolahdus voi jo kuuluakin. Mittari tai kaveri on kova sana tuossa hommassa. Jos kerran kytkis löytyy, niin piiriä pitkin mittaillen vaan. Eiköhän sieltä löydy sitten, mihin jää.
VW Passat B7
|
|
|
|
 |
|
faro680
|
Viestin otsikko: Re: Taas Xsara ongelmia ... Nyt ei tapahdu mitään Lähetetty: 05.03.2010 13:36 |
Viestit: 75
|
Lainaa: Akun latasin yön yli, eli pitäis olla suht OK Sehän ei ole sama kuin ,että on kunnossa. Ettei vaan kävis vanha-aikaisesti.
|
|
|
|
 |
|
mtkoskin
|
Viestin otsikko: Re: Taas Xsara ongelmia ... Nyt ei tapahdu mitään Lähetetty: 05.03.2010 13:46 |
Viestit: 114 Paikkakunta: Piikkiö
|
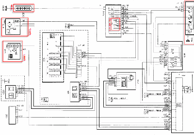
Tässä vielä (ehkä) liitteenä tuo kaavio. Tuo oikean reunan punainen laatikko siis on virtalukko. PS. Onpa muuten hankala saada liiteen kaikki speksit täytettyä 
| Liitteet: |
Tiedoston kommentti: Startin sähkökaavio

startin.sähkökaavio.vajaa.oikeareuna.gif [ 104.36 KiB | Katsottu 22869 kertaa ]
|
--- Nick *mtkoskin=new beeäx-td(*reqs); Xsara 2.0 HDi Aut. Break -02 Mondeo 2.0i Sedan -95 Vålvå 850 TDi STW -97
|
|
|
|
 |
|
Eki
|
Viestin otsikko: Re: Taas Xsara ongelmia ... Nyt ei tapahdu mitään Lähetetty: 05.03.2010 14:09 |
Viestit: 869 Paikkakunta: Janakkala
|
mtkoskin kirjoitti: Tässä vielä (ehkä) liitteenä tuo kaavio. Tuon startin releen ohjaus näyttäisi tulevan vaihdelaatikolta, sieltä ilmeisimmin P- ja N-asennoilta. Manuaalissa koko relettä tuskin on. Relepohja voi olla, mutta silloin siellä on tuossa alempana mainittu hyppylanka. Mittaa tuosta releen M5/102 -nastalta (kuvan merkintöjen mukaan), tuleeko sinne +12V, kun virta-avain on starttiasennossa. Jos tulee, niin virtalukko pitäisi olla kunnossa. Sitten mittaat, tuleeko M3/100A -nastalle +12V starttiasennossa (vaihdevalitsin P- tai N-asennossa). Jos tulee, niin vika taitaa jäädä startin solenoidiin. Jos ei tule, niin otat sen releen pois ja laitat hyppylangan M5/102- ja M3/100A-nastojen väliin. Muista, että tuolloin, mikäli vika jää releeseen, auto käynnistyy kaikilla vaihdevalitsimen asennoilla... Jos vika on vaihdevalitsimen asennontunnistuksessa, sen voi ohittaa maadoittamalla releen nastan M2/6701, mutta tällöinkin auto käynnistyy kaikilla vaihdevalitsimen asennoilla. Siellä nastoilla tuskin on samat merkinnät kuin tuossa kuvassa, mutta kauttaviivan jälkeinen koodi lienee johtimen numero, josko niillä löytyisi.
Ducato 3.0 ComfortMatic '08 Kadjar 1.5 dCi '16 Clio TCe 90 Dynamique '13 207 1.6 16V '07 Xantia 2.0i16V Automatique Exclusive Br. '00 Xantia 2.0i16V Automatique Exclusive Bl. '00 Visa 1.4 GT '83 AX First 1.4 Diesel '93
|
|
|
|
 |
|
mtkoskin
|
Viestin otsikko: Re: Taas Xsara ongelmia ... Nyt ei tapahdu mitään Lähetetty: 05.03.2010 14:41 |
Viestit: 114 Paikkakunta: Piikkiö
|
|
Eki: Kiitän ja kumarran syvään!
Jahka kotiin pääsen, niin testaan ja mittaan.
--- Nick *mtkoskin=new beeäx-td(*reqs); Xsara 2.0 HDi Aut. Break -02 Mondeo 2.0i Sedan -95 Vålvå 850 TDi STW -97
|
|
|
|
 |
|
black_van
|
Viestin otsikko: Re: Taas Xsara ongelmia ... Nyt ei tapahdu mitään Lähetetty: 05.03.2010 15:06 |
Viestit: 3152 Paikkakunta: Nummela
|
|
kerran yhdessä äxämmässä oli samanlainen vika että vaikka p asennossa niin ei avaimesta tapahdu mitään. Sillä suoraan startille käynnistyi ja pääsi ajamaan.
Black Van BX 1.9D -90 Megane 1.9dci -10
|
|
|
|
 |
|
mtkoskin
|
Viestin otsikko: Re: Taas Xsara ongelmia ... Nyt ei tapahdu mitään Lähetetty: 05.03.2010 15:48 |
Viestit: 114 Paikkakunta: Piikkiö
|
black_van kirjoitti: kerran yhdessä äxämmässä oli samanlainen vika että vaikka p asennossa niin ei avaimesta tapahdu mitään. Sillä suoraan startille käynnistyi ja pääsi ajamaan. Itseä arveluttaa nuo kaikkien tietokoneiden toiminnat, jos yrittää käynnistää suoraan startille virtaa antamalla. Vai mitä ajoit takaa? Meinaatko, että tuon Xsaran voisi saada käyntiin virtojen ollessa päällä ja antamalla startille suoraan virtaa?
--- Nick *mtkoskin=new beeäx-td(*reqs); Xsara 2.0 HDi Aut. Break -02 Mondeo 2.0i Sedan -95 Vålvå 850 TDi STW -97
|
|
|
|
 |
|
black_van
|
Viestin otsikko: Re: Taas Xsara ongelmia ... Nyt ei tapahdu mitään Lähetetty: 05.03.2010 16:31 |
Viestit: 3152 Paikkakunta: Nummela
|
mtkoskin kirjoitti: black_van kirjoitti: kerran yhdessä äxämmässä oli samanlainen vika että vaikka p asennossa niin ei avaimesta tapahdu mitään. Sillä suoraan startille käynnistyi ja pääsi ajamaan. Itseä arveluttaa nuo kaikkien tietokoneiden toiminnat, jos yrittää käynnistää suoraan startille virtaa antamalla. Vai mitä ajoit takaa? Meinaatko, että tuon Xsaran voisi saada käyntiin virtojen ollessa päällä ja antamalla startille suoraan virtaa? vm 99 xm käynnistettiin em.tavalla kun sattui tekemään tenät sellaiseen paikkaan josta auto piti siirtää pois. siinäkin oli automaatti ja samainen vika varmasti. Luulisin ettei mitään vahinkoa tule jos starttaa suoraan laittamalla startin navat yhteen.
Black Van BX 1.9D -90 Megane 1.9dci -10
|
|
|
|
 |
|
Eki
|
Viestin otsikko: Re: Taas Xsara ongelmia ... Nyt ei tapahdu mitään Lähetetty: 05.03.2010 17:03 |
Viestit: 869 Paikkakunta: Janakkala
|
|
Kyllä sen tietysti niinkin käymään saa, mutta se ei ratkaise varsinaista ongelmaa, eli paljasta vikakohdetta...
Ducato 3.0 ComfortMatic '08 Kadjar 1.5 dCi '16 Clio TCe 90 Dynamique '13 207 1.6 16V '07 Xantia 2.0i16V Automatique Exclusive Br. '00 Xantia 2.0i16V Automatique Exclusive Bl. '00 Visa 1.4 GT '83 AX First 1.4 Diesel '93
|
|
|
|
 |
|
black_van
|
Viestin otsikko: Re: Taas Xsara ongelmia ... Nyt ei tapahdu mitään Lähetetty: 05.03.2010 17:07 |
Viestit: 3152 Paikkakunta: Nummela
|
Eki kirjoitti: Kyllä sen tietysti niinkin käymään saa, mutta se ei ratkaise varsinaista ongelmaa, eli paljasta vikakohdetta... ei varsinaisesti joo,mutta eliminoi ainakin starttivian ja pääsee tarvittaessa liikkeelle jos tartte autoa
Black Van BX 1.9D -90 Megane 1.9dci -10
|
|
|
|
 |
|
Eki
|
Viestin otsikko: Re: Taas Xsara ongelmia ... Nyt ei tapahdu mitään Lähetetty: 05.03.2010 17:55 |
Viestit: 869 Paikkakunta: Janakkala
|
black_van kirjoitti: ei varsinaisesti joo,mutta eliminoi ainakin starttivian ja pääsee tarvittaessa liikkeelle jos tartte autoa Varsin totta! Etenkin tilanteessa, että on jossain hyvin kaukana tyokaluista tms. Pääsee ainakin kotiin ropaamaan. Edellyttää tietysti, että starttiin pääsee ylipäätään käsiksi ilman puolen auton purkamista...
Ducato 3.0 ComfortMatic '08 Kadjar 1.5 dCi '16 Clio TCe 90 Dynamique '13 207 1.6 16V '07 Xantia 2.0i16V Automatique Exclusive Br. '00 Xantia 2.0i16V Automatique Exclusive Bl. '00 Visa 1.4 GT '83 AX First 1.4 Diesel '93
|
|
|
|
 |
|
Kenguru
|
Viestin otsikko: Re: Taas Xsara ongelmia ... Nyt ei tapahdu mitään Lähetetty: 05.03.2010 18:24 |
Viestit: 471 Paikkakunta: Kouvostoliitto
|
Mulla oli XM:ssä juurikin ongelma että avaimesta ei lähtenyt käyntiin. Hyppyjohdolla suoraan akulta käynnistelin muutamia kertoja kun oli pakko sillä ajaa. Vian aiheuttaja ei ole vieläkään selvinnyt mutta startille ei tullut tarvittavaa määrää jännitettä. Perille meni muistaakseni 7V. Tuo on minulla siis korjattu siten että ennen starttia on ylimääräinen rele jota alkuperäinen ohjaa  Hyvin on on pelannut sen jälkeen..
C5 HDi, XM Turbo C.T. Automaagi -94
|
|
|
|
 |
|
mtkoskin
|
Viestin otsikko: Re: Taas Xsara ongelmia ... Nyt ei tapahdu mitään Lähetetty: 05.03.2010 18:40 |
Viestit: 114 Paikkakunta: Piikkiö
|
Tässä kävi justiinsa niin, kuin päivällä töissä vielä salaa uumoilin! Vika ei selvinnyt, mutta auto lähti käymään jo useita kertoja ilman mitään ongelmia. Se mitä tein, varmasti vaikutti johonkin jotenkin mutta varmuutta ei taas kerran ole, koska ei malttanut tehdä yhtä asiaa kerralla. Kun tulin kotiin ja yritin starttia, ei tapahtunut taas yhtään mitään. Eli vika oli päällä. Jokin seuraavista johti siihen, että auto suostui käynnistymään (mielestäni todennäköisyyden mukaisessa järjestyksessä): 1) Polttoainepumpun (tankissa oleva) päällisen kuivaus naftasta. Pumpun liitin samanmukaisesti ui naftassa. Otin liittimen myös hetkeksi pois paikaltaan, jotta sain sen kupin missä liittin on myös kuivattua. Onko tässä oikosulun mahdollisuus, joka estää käynnistymisen, jos liitin ui? Pumppu kuitenkin kävi (normaalisti, ei kai siitä toiminnasta voi muuta päätellä) muutaman sekunnin aina kytkettäessä virtalukosta virrat päälle 2) 15 min. lohkolämmityssessio. Lämppärin siis tökkäsin kiinni heti ensimmäiseksi. Olisko jokin paikka (kenties se P-N kytkin) lämmennyt ja vetreytynyt sen verran, että antoi luvan käynnistää? 3) Sulake rasioiden avaus. Mihinkään sulakkeisiin en kuitenkaan koskenut. 4) Lumien putsaus etulasista ja katolta  Suuri kiitos vielä kaikille vian etsintään osallistuneille! Kyllä tämä vika vielä uusiutuu. Varmasti, ainakin ennen kuin saan sen pumpun irti sieltä tankista ja tiivisteen siihen vaihdettua, jotta naftan tulo pumpun ulkopuolelle loppuu. PS. Releitä en nopealla haulla edes vielä löytänyt. Lienevät sulakerasian takana tai jossain muuten näkymättömissä. Tähän vinkkiä vielä kaivataan. PSPS. Enkä sen puoleen tuota starttiakaan saanut ihan heti näkösälle. Tuo moottoritila on suht täyteen pakattu ja startti sijaitsee moottorin takapuolella. Siinä on ylhäältäpäin katsottuna edessä vaikka mitä... PSPSPS. Onko joku tehnyt sellaisen työkalun, millä tuo naftapumpun kiristysrengas lähtee irti? Vai, onko siihen kenties ihan normaali iso ruuvimeisseli käypä työkalu?
--- Nick *mtkoskin=new beeäx-td(*reqs); Xsara 2.0 HDi Aut. Break -02 Mondeo 2.0i Sedan -95 Vålvå 850 TDi STW -97
|
|
|
|
 |
|
Eki
|
Viestin otsikko: Re: Taas Xsara ongelmia ... Nyt ei tapahdu mitään Lähetetty: 05.03.2010 19:23 |
Viestit: 869 Paikkakunta: Janakkala
|
mtkoskin kirjoitti: Onko joku tehnyt sellaisen työkalun, millä tuo naftapumpun kiristysrengas lähtee irti? Vai, onko siihen kenties ihan normaali iso ruuvimeisseli käypä työkalu? Nyt täytyy olettaa, kun en tiedä... Mutta jos siinä on samanlainen kiristysrengas kuin Xantiassa ja -99 bensa Xsarassa, niin iso ruuvari on OK, kunhan varot ettet murra niitä renkaan olakkeita, jos joudut kovasti lyömään ruuvarin päähän. Itse olen käyttänyt tylsää kiilaa.
Ducato 3.0 ComfortMatic '08 Kadjar 1.5 dCi '16 Clio TCe 90 Dynamique '13 207 1.6 16V '07 Xantia 2.0i16V Automatique Exclusive Br. '00 Xantia 2.0i16V Automatique Exclusive Bl. '00 Visa 1.4 GT '83 AX First 1.4 Diesel '93
|
|
|
|
 |
|
Kaapelimies
|
Viestin otsikko: Re: Taas Xsara ongelmia ... Nyt ei tapahdu mitään Lähetetty: 05.03.2010 22:03 |
Viestit: 2708 Paikkakunta: Päijät-Häme
|
mtkoskin kirjoitti: PSPSPS. Onko joku tehnyt sellaisen työkalun, millä tuo naftapumpun kiristysrengas lähtee irti? Vai, onko siihen kenties ihan normaali iso ruuvimeisseli käypä työkalu? Lähtee samoilla papukaijapihdeillä kuin jousipallotkin. Ai niin mutta Xsara.. joo ei mitään  . Myös papukaijapihtien varsia voi käyttää jos se on sisäpuolisilla olakkeilla varustettu malli.
2x C5HDi Break erikoppaset, 2x Xantia Bk 19TD Aut & 2.0HDi, 3x BX 19 TZi Vaninaihio (2xAut), BX Van 18TD, BX4WD Break, BX Van D projekt, InvaBX 16TRS Aut; 3x2CV6. 2xVisa14TRS; XM 2,5TD Break; BX 18TD Break Aut + BX Van D Aut+XM 2,5TD BK
|
|
|
|
 |
|
mtkoskin
|
Viestin otsikko: Re: Taas Xsara ongelmia ... Nyt ei tapahdu mitään Lähetetty: 05.03.2010 23:45 |
Viestit: 114 Paikkakunta: Piikkiö
|
|
On meillä isot papukaijatkin BX:n perintönä. Mä vaan luulen, että niillä ei mahdu vääntään sitä rinkulaa siitä aukosta ... Pitänee testata huomenissa, miten käy.
Sen verran sitä tänään jo vilkaisin, että edellinen asentaja on siitä yhden olakkeen murjonut jo tasaiseksi. Näytti olevan se mikä on siinä parhaiten esillä ... Yllättäen ...
--- Nick *mtkoskin=new beeäx-td(*reqs); Xsara 2.0 HDi Aut. Break -02 Mondeo 2.0i Sedan -95 Vålvå 850 TDi STW -97
|
|
|
|
 |
|
mtkoskin
|
Viestin otsikko: Re: Taas Xsara ongelmia ... Nyt ei tapahdu mitään Lähetetty: 08.03.2010 10:39 |
Viestit: 114 Paikkakunta: Piikkiö
|
mtkoskin kirjoitti: On meillä isot papukaijatkin BX:n perintönä. Mä vaan luulen, että niillä ei mahdu vääntään sitä rinkulaa siitä aukosta ... Pitänee testata huomenissa, miten käy.
Sen verran sitä tänään jo vilkaisin, että edellinen asentaja on siitä yhden olakkeen murjonut jo tasaiseksi. Näytti olevan se mikä on siinä parhaiten esillä ... Yllättäen ... Ja päivitystä: Kaksi päivää avaamisen kanssa tapelleena ilman tulosta päätin soitella varaosatoimittajalle ja kysyä mitä ko. kiristysrengas maksaa. Päädyin siihen, että lienee tehokkainta hajoittaa koko rengas, koska uusi maksaa Veholla 4,40€. Tilasin kaksi ... Nähtäväksi jää onko vika tuossa tiivisteessä, vai sittenkin pumpussa. Tuntuu, että jos se pumppu olisi päässyt jotenkin halkeamaan naftaa tulisi kyllä enemmän.
--- Nick *mtkoskin=new beeäx-td(*reqs); Xsara 2.0 HDi Aut. Break -02 Mondeo 2.0i Sedan -95 Vålvå 850 TDi STW -97
|
|
|
|
 |
|
mtkoskin
|
Viestin otsikko: Re: Taas Xsara ongelmia ... Nyt ei tapahdu mitään Lähetetty: 10.03.2010 10:51 |
Viestit: 114 Paikkakunta: Piikkiö
|
|
Helpoin havaittu tapa avata tuo rengas on ottaa Leatherman Super Tool 200 kauniiseen käteen ja sahata rengas poikki. Varovasti kun sahaa, niin mahtuu sahaamaan siten, että tankissa olevat kierteet eivät vaurioidu.
--- Nick *mtkoskin=new beeäx-td(*reqs); Xsara 2.0 HDi Aut. Break -02 Mondeo 2.0i Sedan -95 Vålvå 850 TDi STW -97
|
|
|
|
 |
|
|