|
Kirjoittaja |
Viesti |
Oldis
|
Viestin otsikko: Nyt tarvis apua C5 Lähetetty: 22.10.2011 13:53 |
Viestit: 832 Paikkakunta: Imatra
|
Se suuttimen vaihto, helppo honmma, mutta.
Loppakopra kun olen, niin se suuttimen kiinitin, se pelti härpäke, otti ja katos, juului vaan kilaus, ei näy maassa, työnsin jopa auton pois paikaltaan, Kaksi mahdolissuutta osa on jossain kolossa moottorin ulkopuolella, tai sitten es ekilahti menessään imusarjaan. Nyt jos jollain olis purettuna, tai joku edes tietäisi kenellä on Tollanen 1,8 tai 2 litranen moottori olkoon sitten pösö tai citikka. Niin mie tarviin sellasen kiinnipito härpäkeen. Saan sellaisen lainaksi kyllä, sitten sen tietää onko se mennyt moottoriin.
Mutta sellasesta osasta olis iso puute.
Ei enää C5 farkkua. Minulla 02 mallinen 206 pösö. Vaimolla 207 Peugeot Sport vm 06
|
|
|
|
 |
Sitikkapuoskari
|
Viestin otsikko: Re: Nyt tarvis apua C5 Lähetetty: 22.10.2011 14:01 |
Viestit: 1203 Paikkakunta: Ilmajoki
|
Kuva kertoisi enemmän kuin tuhat sanaa...
|
|
|
|
 |
Oldis
|
Viestin otsikko: Re: Nyt tarvis apua C5 Lähetetty: 22.10.2011 14:52 |
Viestit: 832 Paikkakunta: Imatra
|
Kuka on koskaan irrottanut suutinta tukista tietää mikä osa on kyseessä, eli osa joka pitää suutinta tukissa kiinni.
Ei enää C5 farkkua. Minulla 02 mallinen 206 pösö. Vaimolla 207 Peugeot Sport vm 06
|
|
|
|
 |
Oldis
|
Viestin otsikko: Re: Nyt tarvis apua C5 Lähetetty: 22.10.2011 17:15 |
Viestit: 832 Paikkakunta: Imatra
|
kuihan se poikkeaa? 2.0 saarassa taitaa olla samanlaiset.
Yritin jos suutin olis kestänyt ilman sitä kiinipitosysteemiä, ei onnistunut, bensaa vuoti.
Ei enää C5 farkkua. Minulla 02 mallinen 206 pösö. Vaimolla 207 Peugeot Sport vm 06
|
|
|
|
 |
Oldis
|
Viestin otsikko: Re: Nyt tarvis apua C5 Lähetetty: 23.10.2011 10:30 |
Viestit: 832 Paikkakunta: Imatra
|
Oikeaa klipsiä en siihen saanut, joyen piti taas tehdä mc giver temppu. Ujutin klemmarin suutimen ympäri, mahtui juuri sähköliitimen ali, kiristi suutimen runkoon kiinni, tiukalta liitos tuntuu, eikä vuoda. Pitää nyt seurata kuitenkin, tai tuntuuhan se bensanhaju jos alkaa vuotamaan. Mutta oikea klipsu on kyllä hakusessa, sitä kadonnutta ei ole kissakaan löytänyt.
Ei enää C5 farkkua. Minulla 02 mallinen 206 pösö. Vaimolla 207 Peugeot Sport vm 06
|
|
|
|
 |
Ralle
|
Viestin otsikko: Re: Nyt tarvis apua C5 Lähetetty: 23.10.2011 10:50 |
Viestit: 2821
|
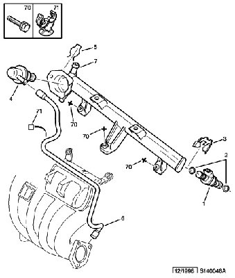
Oldis kirjoitti: kuihan se poikkeaa? 2.0 saarassa taitaa olla samanlaiset.
Yritin jos suutin olis kestänyt ilman sitä kiinipitosysteemiä, ei onnistunut, bensaa vuoti. Tuossa kuva, osa numero 3
Liitteet: |

s140048a.jpg [ 49.97 KiB | Katsottu 8611 kertaa ]
|
|
|
|
|
 |
Tulsku
|
Viestin otsikko: Re: Nyt tarvis apua C5 Lähetetty: 23.10.2011 11:35 |
Viestit: 1590 Paikkakunta: Lappeenranta
|
Onko kyse tuon kuvan osasta numero neljä? Liitteet:
00069721.jpg [ 70.79 KiB | Katsottu 8603 kertaa ]
Nyt ei ikävä kyllä Servicestä pääse hintoja katsomaan, mutta en usko tuon kauhean kalliin osan olevan. Varaosanumero sille on 1982 57. Edit: Kappas, meni vähän päällekkäin HOTHeaDFIN1:n kanssa, mutta ei sentään ihan sama asia tullut kahteen kertaan.  Hieman näyttäisi kuvien perusteella olevan eroa...
C6 3.0 HDi ('09), C5 2.0 HDi Break ('05), CX 20 Pallas ('83)
|
|
|
|
 |
Oldis
|
Viestin otsikko: Re: Nyt tarvis apua C5 Lähetetty: 23.10.2011 12:00 |
Viestit: 832 Paikkakunta: Imatra
|
Just tuo osa, ilmeisesti jossain nurmikolla, tai sitten hieknan sisällä, ei löytynyt edes magneetilla, Iso kiitos, pitänee käydä Huomernna tilaamassa, ihan varmuuden vuoksi.
Ei enää C5 farkkua. Minulla 02 mallinen 206 pösö. Vaimolla 207 Peugeot Sport vm 06
|
|
|
|
 |
Tulsku
|
Viestin otsikko: Re: Nyt tarvis apua C5 Lähetetty: 23.10.2011 13:05 |
Viestit: 1590 Paikkakunta: Lappeenranta
|
No nyt antoi Service vihiä hinnasta: 60 senttiä kipaleelta. Sunilla varmaankin euron verran, siis. 
C6 3.0 HDi ('09), C5 2.0 HDi Break ('05), CX 20 Pallas ('83)
|
|
|
|
 |
Ralle
|
Viestin otsikko: Re: Nyt tarvis apua C5 Lähetetty: 23.10.2011 14:37 |
Viestit: 2821
|
Tulsku kirjoitti: No nyt antoi Service vihiä hinnasta: 60 senttiä kipaleelta. Sunilla varmaankin euron verran, siis.  Joo ei kannata paljoa lähetellä, kun posti taitaa olla enempi 
|
|
|
|
 |
Oldis
|
Viestin otsikko: Re: Nyt tarvis apua C5 Lähetetty: 23.10.2011 18:10 |
Viestit: 832 Paikkakunta: Imatra
|
iso Kiitos taasen, Aamusella menen sunille, tuskin hyllystä löytyy, mutta tilataan sanoo myyjä, nyt minulla se laina klipsu autossa mukana, hyvin on kuitenkin klemmari toiminut. Pitää se oikea klipsu kuitenkin asentaa.
Ei enää C5 farkkua. Minulla 02 mallinen 206 pösö. Vaimolla 207 Peugeot Sport vm 06
|
|
|
|
 |
laakeri
|
Viestin otsikko: Re: Nyt tarvis apua C5 Lähetetty: 23.10.2011 22:41 |
Viestit: 7490 Paikkakunta: Taipalsaari
|
Oldis kirjoitti: iso Kiitos taasen, Aamusella menen sunille, tuskin hyllystä löytyy, mutta tilataan sanoo myyjä, nyt minulla se laina klipsu autossa mukana, hyvin on kuitenkin klemmari toiminut. Pitää se oikea klipsu kuitenkin asentaa. Äläppä sano... Lappeenrannan Sunilla vastikään yllättivät - ensimmäisen kerran oli kysyttyä tavaraa (muutakin kuin nesteitä) hyllyssä. Tällä kertaa kyseessä olivat Xantian etujarrupalat. Ja pienen tinkimisen jälkeen hinta ei olisi enää ollut kuin euron Servicen tarjoamaa hintaa kalliimpi! Jätin kuitenkin ne sinne hyllyyn.
VW Passat B7
|
|
|
|
 |
Oldis
|
Viestin otsikko: Re: Nyt tarvis apua C5 Lähetetty: 24.10.2011 14:02 |
Viestit: 832 Paikkakunta: Imatra
|
Suomessa on 7kpl klipsuja, tilasin 5, hinta oli 65 senttiä KPL.
Mutta hei, eiks citikassakin ykköspytty ole lähinnä jakopäätä? Vai onko tässäkin joku oma juttu?
Ei enää C5 farkkua. Minulla 02 mallinen 206 pösö. Vaimolla 207 Peugeot Sport vm 06
|
|
|
|
 |
laakeri
|
Viestin otsikko: Re: Nyt tarvis apua C5 Lähetetty: 24.10.2011 14:45 |
Viestit: 7490 Paikkakunta: Taipalsaari
|
Oldis kirjoitti: Mutta hei, eiks citikassakin ykköspytty ole lähinnä jakopäätä? Vai onko tässäkin joku oma juttu? Taitaa olla citikan koneet väärinpäin yleensä? Eli ykkönen on lootan puolella. Liekö peruja etukeskimoottorisista malleista?
VW Passat B7
|
|
|
|
 |
Oldis
|
Viestin otsikko: Re: Nyt tarvis apua C5 Lähetetty: 24.10.2011 15:32 |
Viestit: 832 Paikkakunta: Imatra
|
No just, heräs vaan epäily kun sama vika ilmestyi taasen, siis vaihdan suuttimen jakopäästä katsottuna 2 sylinteriin.
Ei enää C5 farkkua. Minulla 02 mallinen 206 pösö. Vaimolla 207 Peugeot Sport vm 06
|
|
|
|
 |
Oldis
|
Viestin otsikko: Re: Nyt tarvis apua C5 Lähetetty: 25.10.2011 20:14 |
Viestit: 832 Paikkakunta: Imatra
|
Nyt toimii hienosti sitikan moottori, suutin oikeassa pytyssä.
Minulla on nyt varalla 4 kpl suuttimen kiinipito klipsuja, hassua kun niiden virallinennimi on paluuputkenkiinitin. 5kpl eilen tilasin iltapäivällä, ja aamulla puhelin piippas tekstarin, olivat tulleet, 3, 25 euroa maksoi.
Ei enää C5 farkkua. Minulla 02 mallinen 206 pösö. Vaimolla 207 Peugeot Sport vm 06
|
|
|
|
 |
|
|