Kaikki ajat ovat UTC + 2 tuntia [ DST ]




 Sivu 1/1 [ 8 viestiä ] 
Kirjoittaja Viesti
 Viestin otsikko: turbo kenkkuilee C5 2006 HDI
ViestiLähetetty: 24.04.2013 16:27 

Viestit: 511
Eli ongelmana yhä välillä toimiva (satunnaisesti) turbo. Mistähän lähtisi hakemaan vikaa? Moottorin edessä olevasta alipaineen säätöpaketista oli yksi putkista hanautunut ja siihen laitoin pätkän kumiletkua, mutta vika säilyi, tai helpotti hieman nyt turbo toimii välillä oli ennen tuota lähes mykkä. Tuotti 1280mbar paineen, kun ECU pyysi 2300mbar. välillä toisiaan toimii normaalisti välillä on kuollut.


Poissa
   
 
 Viestin otsikko: Re: turbo kenkkuilee C5 2006 HDI
ViestiLähetetty: 24.04.2013 17:25 

Viestit: 511
Paikkakunta: Huittinen
Mulla vuoti alipaineletkun liitin xantiasta, letkut olivat ehjiä. Liitin pois ja letku suoraan alipainekelloon ni jo alkoi ahtamaan. Tuota ennen välillä toimi, suuremman osan ajasta ei.


Poissa
   
 
 Viestin otsikko: Re: turbo kenkkuilee C5 2006 HDI
ViestiLähetetty: 24.04.2013 20:57 
Käyttäjän avatar

Viestit: 3152
Paikkakunta: Nummela
Onko tuossa turbolle solenoidiventtiiliä,tälläistä http://www.ebay.com.au/itm/TURBO-SOLENO ... 917wt_1139
Vika voisi olla siinä



Black Van BX 1.9D -90 Megane 1.9dci -10
Poissa
   
 
 Viestin otsikko: Re: turbo kenkkuilee C5 2006 HDI
ViestiLähetetty: 24.04.2013 22:41 

Viestit: 369
Alipainepiirin toiminta, eli että kaikki letkut on varmasti ehjiä ja sit ohjausventtiilien testaus. Egr:än ohjausventtiili käy turbon ohjauksen kanssa ristiin. Testaa myös että juuttuvasiipinen ahdin ei ole jumissa, eli ahtimeen menevästä tangosta kiinni ja sit kokeilet liikkuuko.


Poissa
   
 
 Viestin otsikko: Re: turbo kenkkuilee C5 2006 HDI
ViestiLähetetty: 25.04.2013 08:10 
Käyttäjän avatar

Viestit: 1590
Paikkakunta: Lappeenranta
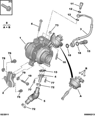
Aloitusviestissä ei mainita, että mikä HDi on kyseessä... Mutta jos se on 2.0 (eli tuossa vuosimallissa 136-heppainen), niin eikös siinä ole ns. VNT-ahdin ja eikös se ole myös sähköisesti ohjattu?
Liitteet:
c5_136_hdi_ahdin.png
c5_136_hdi_ahdin.png [ 110.07 KiB | Katsottu 7174 kertaa ]



C6 3.0 HDi ('09), C5 2.0 HDi Break ('05), CX 20 Pallas ('83)
Poissa
   
 
 Viestin otsikko: Re: turbo kenkkuilee C5 2006 HDI
ViestiLähetetty: 25.04.2013 21:25 

Viestit: 511
pimpelipompeli kirjoitti:
Alipainepiirin toiminta, eli että kaikki letkut on varmasti ehjiä ja sit ohjausventtiilien testaus. Egr:än ohjausventtiili käy turbon ohjauksen kanssa ristiin. Testaa myös että juuttuvasiipinen ahdin ei ole jumissa, eli ahtimeen menevästä tangosta kiinni ja sit kokeilet liikkuuko.


Säätö liikkuu. Onko niin, että laturin vieressä oleva solenoidipaketti sisältää sekä ahtimen, että EGR:n säätimet? Näistä, kun en ole löytänyt mitään kuvia.


Poissa
   
 
 Viestin otsikko: Re: turbo kenkkuilee C5 2006 HDI
ViestiLähetetty: 30.04.2013 20:56 

Viestit: 511
9652570180 tuollainen os pitäis saada. Onkohan arvokas marmoritiskillä?


Poissa
   
 
 Viestin otsikko: Re: turbo kenkkuilee C5 2006 HDI
ViestiLähetetty: 02.05.2013 21:23 

Viestit: 511
citroen for ever kirjoitti:
9652570180 tuollainen os pitäis saada. Onkohan arvokas marmoritiskillä?


64€ eli halvempi kuin netin kautta.


Poissa
   
 
Näytä viestit ajalta:  Järjestä  
 Sivu 1/1 [ 8 viestiä ] 


Paikallaolijat

Käyttäjiä lukemassa tätä aluetta: Ei rekisteröityneitä käyttäjiä ja 13 vierailijaa


Kaikki ajat ovat UTC + 2 tuntia [ DST ]


Et voi kirjoittaa uusia viestejä
Et voi vastata viestiketjuihin
Et voi muokata omia viestejäsi
Et voi poistaa omia vestejäsi
Et voi lähettää liitetiedostoja.

Etsi tätä:
Hyppää: